- 您的位置:
- 标准下载网 >>
- 标准分类 >>
- 国家标准(GB) >>
- GB/T 6130-1985 镶片圆锯
标准号:
GB/T 6130-1985
标准名称:
镶片圆锯
标准类别:
国家标准(GB)
标准状态:
已作废-
实施日期:
1986-03-01 -
作废日期:
2002-03-01 出版语种:
简体中文下载格式:
.rar.pdf下载大小:
110.82 KB
替代情况:
被GB/T 6130-2001代替采标情况:
ISO 2924-1973 MOD
相关标签:
圆锯

部分标准内容:
1型式和尺寸
中华人民共和国国家标准
镶片圆锯
Segmental circular metal cutting sawsUDC 621.934
GB 613085
1.1型式和尺寸按图及表1(1系列)和表2(Ⅱ系列)。1系列等效采用IS02924—1973《金属冷切刀用整体圆据片镶片圆据一传动部分的互换尺寸》。F一F旋转放大
刀片固定孔锦钉
接合孔铆钉
国家标准局1985-06-17发布
圆盘上刀片的固定型式
个对称配置的铆钉
对称配!置的铆钙
带3个不对称配置的铆钉
1986-03-01实施
GB 6130—85
12+0.43120
±4.614.5
710±2.5/6.5
±3.910.5
1系列
0.215 325下载标准就来标准下载网
120122
147010
187012
15°6°
Ⅱ系列
极限D、
+0.054185
6204.415°
1300|8
+0.62187012
注:()外径D大于中710mm的圆锯应制成有达输。②根据双方协议可以供应型的圆钾,异数
祖法普通树中树细齿
刀片数
普通衡中岗
定型式
1.2标记小例:
GB 6130—85
外径1)=710mm,普通齿的镶片圆锯为:圆锯710普通肉GB6130-85
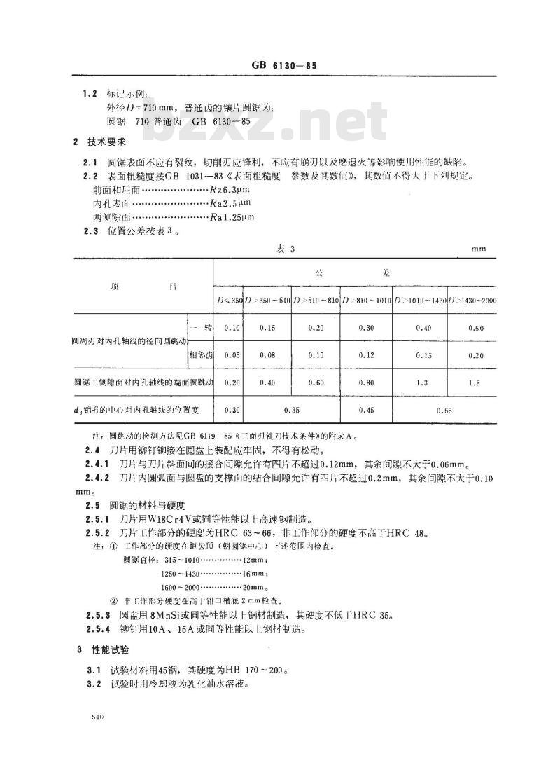
2技术要求
2.1圆锯表面不应有裂纹,切削刃应锋利,不应有崩刃以及磨退火等影响使用性能的缺陷。2.2表面粗糙度按GB1031--83《表面粗糙度参数及其数值》,其数值不得大下列规定。前面和后面
内孔表面
两侧隙面·
2.3位置公差按表3。
圆周刃对内孔轴线的径向圆跳动..Rz6.3μm
+**Ra2.5μl
-Ra1.25μm
>350 ~
相邻齿
圆锯二侧隙面对内孔轴线的端面圆跳动d,销孔的中心对内孔轴线的位置度0.10
510510
810~1010D1010~1430/)1430~2000100:
注:圆跳动的检测方法见GB6119一85《三面刃铣刀技术条件》的附录A。2.4刀片用铆钉铆接在圆盘上装配应牢固,不得有松动。0.40
2.4.1刀片与刀片斜面间的接合间隙允许有四片不超过0.12mm,其余间隙不大于0.06mm。2.4.2
刀片内圆弧面与圆盘的支撑面的结合间隙允许有四片不超过0.2mm,其余间隙不大于0.10mma
圆锯的材料与硬度
刀片用W18Cr4V或同等性能以上高速钢制造。2.5.1
刀片T作部分的硬度为HRC63~66,非工作部分的硬度不高于HRC48。注:①工作部分的硬度在距齿顶(朝圆锯中心)下述范围内检查。网锯直径:315-1010......12mm.1250 ~ 1430........16mm
1600 2000.....20mm
②)非1.作部分硬度在高于口槽底2mm检查。2.5.3圆盘用8MnSi或同等性能以上钢材制造,其硬度不低HRC35。2.5.4铆钉用10A、15A或同等性能以上钢材制造。3性能试验
3.1试验材料用45钢,其硬度为HB170~200。3.2试验时用冷却液为乳化油水溶液。540
3.3试验时的切削规范按表4和表5。圆锥外径
315~410
510~710
810-1010
1250~1430
1600~2000
10 ~14
≥14 ~18
18 ~ 24
·30~40
40~ 50
GB6130—85
被切削材料的外径
75~100
100~125
125~150
150~175
3.4经试验后圆锯不得有崩刃和显著的磨钝现象。4标志和包装
切削速度
15 ~20
10 ~15
锅切总长度
海齿进力量
0.05 ~0. 06
0.06~0.08
0.08~0.10
0.10 ~0.12
0.12~0.15
0.15~0.20
0.20~0.25
4.1标志
4.1.1圆锯上应标志:制造厂商标、圆锯外径和内孔直径、齿型、刀片材料(用普通高速钢制造的圆以“HSS”作为材料标志)。
4.1.2圆锯的包装盒上应标志:产品名称、国标号、制造)名和商标、圆锯外径和内孔直径,齿型件数、制造年月。
4.2包装
圆锯在包装前应经防锈处理,成包的圆锯应防止损伤。附加说明:
本标准出华人民共和润机械工业部提出,用成都具研究所。本标准由成都工具研究所、上海)、上海量具刃其厂、哈尔滨鼠具归具」“、成都最具刃具、哈尔滨第·工具广、无锡量具刃具“起草。自本标准实施之口起,原专业标准GR67-60《镶片圆锯》作度。5.11
小提示:此标准内容仅展示完整标准里的部分截取内容,若需要完整标准请到上方自行免费下载完整标准文档。
中华人民共和国国家标准
镶片圆锯
Segmental circular metal cutting sawsUDC 621.934
GB 613085
1.1型式和尺寸按图及表1(1系列)和表2(Ⅱ系列)。1系列等效采用IS02924—1973《金属冷切刀用整体圆据片镶片圆据一传动部分的互换尺寸》。F一F旋转放大
刀片固定孔锦钉
接合孔铆钉
国家标准局1985-06-17发布
圆盘上刀片的固定型式
个对称配置的铆钉
对称配!置的铆钙
带3个不对称配置的铆钉
1986-03-01实施
GB 6130—85
12+0.43120
±4.614.5
710±2.5/6.5
±3.910.5
1系列
0.215 325下载标准就来标准下载网
120122
147010
187012
15°6°
Ⅱ系列
极限D、
+0.054185
6204.415°
1300|8
+0.62187012
注:()外径D大于中710mm的圆锯应制成有达输。②根据双方协议可以供应型的圆钾,异数
祖法普通树中树细齿
刀片数
普通衡中岗
定型式
1.2标记小例:
GB 6130—85
外径1)=710mm,普通齿的镶片圆锯为:圆锯710普通肉GB6130-85
2技术要求
2.1圆锯表面不应有裂纹,切削刃应锋利,不应有崩刃以及磨退火等影响使用性能的缺陷。2.2表面粗糙度按GB1031--83《表面粗糙度参数及其数值》,其数值不得大下列规定。前面和后面
内孔表面
两侧隙面·
2.3位置公差按表3。
圆周刃对内孔轴线的径向圆跳动..Rz6.3μm
+**Ra2.5μl
-Ra1.25μm
>350 ~
相邻齿
圆锯二侧隙面对内孔轴线的端面圆跳动d,销孔的中心对内孔轴线的位置度0.10
510510
810~1010D1010~1430/)1430~2000100:
注:圆跳动的检测方法见GB6119一85《三面刃铣刀技术条件》的附录A。2.4刀片用铆钉铆接在圆盘上装配应牢固,不得有松动。0.40
2.4.1刀片与刀片斜面间的接合间隙允许有四片不超过0.12mm,其余间隙不大于0.06mm。2.4.2
刀片内圆弧面与圆盘的支撑面的结合间隙允许有四片不超过0.2mm,其余间隙不大于0.10mma
圆锯的材料与硬度
刀片用W18Cr4V或同等性能以上高速钢制造。2.5.1
刀片T作部分的硬度为HRC63~66,非工作部分的硬度不高于HRC48。注:①工作部分的硬度在距齿顶(朝圆锯中心)下述范围内检查。网锯直径:315-1010......12mm.1250 ~ 1430........16mm
1600 2000.....20mm
②)非1.作部分硬度在高于口槽底2mm检查。2.5.3圆盘用8MnSi或同等性能以上钢材制造,其硬度不低HRC35。2.5.4铆钉用10A、15A或同等性能以上钢材制造。3性能试验
3.1试验材料用45钢,其硬度为HB170~200。3.2试验时用冷却液为乳化油水溶液。540
3.3试验时的切削规范按表4和表5。圆锥外径
315~410
510~710
810-1010
1250~1430
1600~2000
10 ~14
≥14 ~18
18 ~ 24
·30~40
40~ 50
GB6130—85
被切削材料的外径
75~100
100~125
125~150
150~175
3.4经试验后圆锯不得有崩刃和显著的磨钝现象。4标志和包装
切削速度
15 ~20
10 ~15
锅切总长度
海齿进力量
0.05 ~0. 06
0.06~0.08
0.08~0.10
0.10 ~0.12
0.12~0.15
0.15~0.20
0.20~0.25
4.1标志
4.1.1圆锯上应标志:制造厂商标、圆锯外径和内孔直径、齿型、刀片材料(用普通高速钢制造的圆以“HSS”作为材料标志)。
4.1.2圆锯的包装盒上应标志:产品名称、国标号、制造)名和商标、圆锯外径和内孔直径,齿型件数、制造年月。
4.2包装
圆锯在包装前应经防锈处理,成包的圆锯应防止损伤。附加说明:
本标准出华人民共和润机械工业部提出,用成都具研究所。本标准由成都工具研究所、上海)、上海量具刃其厂、哈尔滨鼠具归具」“、成都最具刃具、哈尔滨第·工具广、无锡量具刃具“起草。自本标准实施之口起,原专业标准GR67-60《镶片圆锯》作度。5.11
小提示:此标准内容仅展示完整标准里的部分截取内容,若需要完整标准请到上方自行免费下载完整标准文档。

标准图片预览:




- 其它标准
- 热门标准
- 国家标准(GB)
- GB/T39249-2020 橡胶和塑料软管及非增强软管织物增强型 低温压扁试验
- GB50115-2009 工业电视系统工程设计规范
- GB/T7095.1-2008漆 漆包铜扁绕组线 第1部分:一般规定
- GB/T285-1994 滚动轴承 双列圆柱滚子轴承 外形尺寸
- GB4623-1994 环形预应力混凝土电杆
- GB50724-2011 大宗气体纯化及输送系统工程技术规范
- GB/T1599-2002 锑锭
- GB/T27404-2008 实验室质量控制规范 食品理化检测
- GB5903-1995 工业闭式齿轮油
- GB/T5094.1-2002 工业系统、装置与设备以及工业产品结构原则与参照代号 第1部分:基本规则
- GB/T5094-1985 电气技术中的项目代号
- GB/T23344-2009 纺织品 4-氨基偶氮苯的测定
- GB/T1357-1987 渐开线圆柱齿轮模数
- GB/T7932-2003 气动系统通用技术条件
- GB/T18615-2002 波纹金属软管用非合金钢和不锈钢接头
- 行业新闻
请牢记:“bzxz.net”即是“标准下载”四个汉字汉语拼音首字母与国际顶级域名“.net”的组合。 ©2009 标准下载网 www.bzxz.net 本站邮件:bzxznet@163.com
网站备案号:湘ICP备2023016450号-1
网站备案号:湘ICP备2023016450号-1