- 您的位置:
- 标准下载网 >>
- 标准分类 >>
- 机械行业标准(JB) >>
- JB/T 4030.1-2000 汽车起重机和轮胎起重机试验规范 作业可靠性试验
标准号:
JB/T 4030.1-2000
标准名称:
汽车起重机和轮胎起重机试验规范 作业可靠性试验
标准类别:
机械行业标准(JB)
标准状态:
现行-
发布日期:
2000-04-24 -
实施日期:
2000-10-01 出版语种:
简体中文下载格式:
.rar.pdf下载大小:
717.61 KB
替代情况:
JB 4030.1-1985
点击下载
标准简介:
JB/T 4030.1-2000 本标准是对JB/T 4030.1-85《汽车起重机和轮胎起重机试验规范 作业可靠性试验》的修订。本标准是汽车起重机和轮胎起重机整机试验规范之工,与GB/T 6068.1~6068.4、JB/T 4030.2、JB/T 4030.3组成整机试验的一套试验规范。修订后的标准增加了可靠性考核时的抽样方法、总作业时间的要求、故障分类及当量故障数、变型产品的可靠性试验方法;修改了对于不同吨位的作业可靠性试验的各工况循环次数和可靠性指标计算公式。 本标准是JB/T 4030《汽车起重机和轮胎起重机试验规范》系列标准的一部分: JB/T 4030.1-2000 汽车起重机和轮胎起重机试验规范 作业可靠性试验 JB/T 4030.2-2000 汽车起重机和轮胎起重机试验规范 行驶可靠性试验 JB/T 4030.3-2000 汽车起重机和轮胎起重机试验规范 液压系统试验 本标准规定了汽车起重机和轮胎起重机作业可靠性试验方法、故障分类及其特征量的计算方法。是评定起重机在规定条件和预定时间内强化作业状态下的工作能力;考察起重机在起重作业时整机和零部件的作业可靠性;主要零部件的耐磨性及基本性能的稳定程度。 本标准适用于JB/T 1375-1992《汽车起重机和轮胎起重机 分类》规定的起重机;按GB/T 6068.2-1985《汽车起重机和轮胎起重机试验规范 合格试验》规定,完成合格试验后进行的试验作为新产品型式试验的组成部分;也是定型后批量生产的产品可靠性考核的试验。 本标准于1985年7月1日首次发布。 JB/T 4030.1-2000 汽车起重机和轮胎起重机试验规范 作业可靠性试验 JB/T4030.1-2000
部分标准内容:
本标推是对JB4030.1--85《汽车起重机和轮胎起重机试验规范作业可靠性试验》的修改。本标推是汽车起重机和轮胎起重机整机试验规范之—,它与GB/T6068.1~6068.4、JB/T4030.2、JB/T4030.3组成汽车起重机和轮胎起重机整机试验的-套试验规范。本标准与JB4030.1一85相比,主要技术内容改变如下:一增加了可靠性考核时的抽样方法;一修改了对于不同吨位的作业可靠性试验的各工况循环次数;一增加了总作业时间的规定要求;-增加了故障分类及其当量故障数;修改了可靠性指标计算公式;
增加了变型产品的可靠性试验方法。本标自实施之日起代替JB4030.1--85。本标准的附录A是标准的附录。
本标准的附录B是提示的附录。
本标准由建设部长沙建设机械研究院提出并归口。本标准起草单位:建设部长沙建设机械研究院、国家工程机械质量监督检验中心。本标准主要起草人:冯桂英、曹仲梅。本标准于1985年7月1日首次发布本标准委托建设部长沙建设机械研究院负责解释。853
中华人民共和国机械行业标准
汽车起重机和轮胎起重机试验规范作业可靠性试验
Test code for truck crane and wheel crane-Test of operafing veliabilify范围
JB/T4030.1-2000
代替JB4030.1—85
本标准规定了汽车起重机和轮胎起重机(以下简称起重机)作业可靠性试验方法、故障分类及其特征量的计算方法。是评定起重机在规定的条件和预定的时间内强化作业状态下的工作能力,考察起重机在起重作业时整机和零部件的作业可靠性、主要零部件的耐磨性以及基本性能的稳定程度。本标准适用于JB/T1375规定的起重机,按GB/T6068.2规定,完成合格试验后进行的试验,作为新产品型式试验的组成部分,也是定型后批量生产的产品可靠性考核的试验2引用标准
下列标准所包含的条文,通过在本标准中引用而构成为本标准的条文。本标准出版时,所示版本均为有效。所有标准都会被修订,使用本标准的各方应探讨使用下列标准最新版本的可能性。GB/T6068.1—1985汽车起重机和轮胎起重机试验规范一般要求GB/T6068.2·1985汽车起重机和轮胎起重机试验规范合格试验JB/T1375--1992汽车起重机和轮胎起重机分类JB/T9738-2000汽车起重机和轮胎起重机技术要求JB/T51060—2000汽车起重机和轮胎起重机产品质量分等3定义
本标准采用下列定义。
3.1故障
起重机整机或零部件不能完成其规定功能,或其性能指标恶化至规定范围以外的一切现象。3.2基本故障
起重机整机零部件本身内在缺陷或不满足使用条件而引起的故障3.3从属故障
由于操作人员违章操作,未按规定使用条件所造成的,或明显人为因素造成的故障。3.4致命故障
危及作业安全,导致人身伤亡,引起主要总成报废,造成重大经济损失或对周围环境造成严重危害。3.5严重故障
影响作业安全,导致主要总成零部件损坏或性能显著降低,且不能用随机工具及易损备件在短时间(30 min)内修复,修理费用高。3.6一般故障
造成作业中断或性能下降,但不会导致主要零件损坏,并可用随机工具和易损备件在短时国家机械工业局2000-04-24批准854
2000-10-01实施
间(30 min)内能够排除。
3.7轻微故障
JB/T 4030.1-2000
暂时不会导致作业中断,不需更换零件,用随机工具在短时间(5 min)内能轻易排除。3.8故障排除时间
出现故障开始到排除故障恢复正常工作为止。它包括:故障诊断、检修设备、修理、更换、调整、试运转等时间。不包括由于人为或自然等因素而耽误的时间,也不包括等备件时间。4试验样机与试验条件
4.1按照GB/T6068.2的规定完成合格试验后进行本标准试验。4.2起重作业可靠性试验的条件应符合GB/T6068.1的规定。4.3供可靠性试验的起重机应从当季正常生产入库的合格产品中随机抽取1台作为试验样机(以下简称样机),抽样基数不少于5台(大于40t的起重机抽样基数可以为2~5台)。若在用户处抽取样机时,则抽样基数不限(对新产品的型式试验不执行本条)。5试验要求
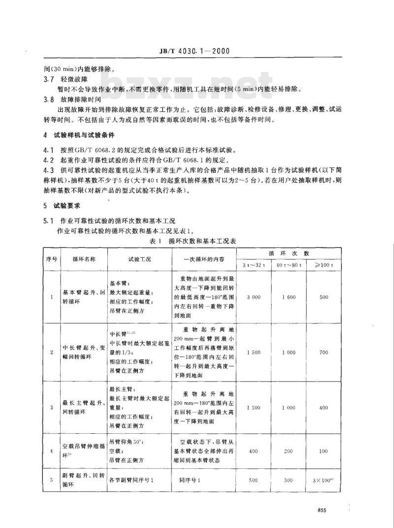
作业可靠性试验的循环次数和基本工况作业可靠性试验的循环次数和基本工况见表1。表1循环次数和基本工况表
循环名称
试验工况
基本臂;
基本臂起升、回最大额定起重量;转循环
中长臂起升、变
幅回转循环
最长主臂起升、
回转循环
空载吊臂伸缩循
环3)
副臂起升、回转
相应的工作幅度;
吊臂在正侧方
中长臂12.2)
一次循环的内容
重物由地面起升到最
大高度一下降到能回转
的最低高度--180°范围
内左右回转·一重物下降
到地面
重物起升离地
200mm一起臂到最小
中长臂时最大额定起重!
量的1/3;
相应的工作幅度;
吊臂在正侧方
最长主臂:
最长主臂时最大额定起
重量:
相应的工作幅度;
吊臂在正侧方
吊臂仰角50°;
空载;
吊臂在正侧方
各节副臂同序号1
工作幅度后再落臂到原
位—180°范围内左右回
转一起升到最大高度-
「下降到地面
重物起升离地
200mm-180°范围内左
右回转一起升到最大高
度下降到地面
空载状态下,吊臂从
基本臂状态全部伸出再
缩回到基本臂状态
同序号1
3 t~~32 t
循环次数
40 t~80 t
≥100 t
3×100
循环名称
支腿收放
试验工况
样机呈行驶状态
JB/T 4030.1—1
表1(完)
次循环的内容,
支腿连续收放
3 t~32 t
1)中长臂无吊重性能的起重机,序号2的循环次数及工况按最长主臂工况进行。2)多级中长臂的起重机按序号2的循环次数平均进行。循环次数
40 t~80 t
≥100t
3)有带载伸缩能力的起重机,按制造厂确定的带载伸缩能力和T.况,在序号4.T.况中做不少于50次带载伸缩试验。
4)起重量≥100t的起重机,副臂起升,回转循环,副臂长度不变的做100次循环,可变长度的副臂,试验工况中副臂长度按最短副臂长、中间副臂长,最长副臂长各做100次循环。5.2
作业可靠性试验总作业时间
根据表1的循环次数,作业可靠性试验须在表2规定的总作业时间内完成。表2
作业可靠性试验总作业时间T。
起重量t
1)起重量为30t或35t的参照32t380
注:有副臂的起重机.副臂装拆时间除外。5.3操作和保养
5.3.1操作人员应严格执行操作规程,保证安全,操作应平稳。65
5.3.2按使用说明书的要求完成每日(班)的正常保养,起重作业时,不允许进行保养工作。5.3.3试验期间不允许带故障作业。5.3.4每天样机作业工作的时间-般不少于8h。5.4试验记录
按日(班)分类记录:各工况的作业循环数、作业时间、燃油消耗量等。对有不正常的响声、紧固、轻微渗漏等故障的现场情况,及诊断、推备、修复、调试等时间均按要求做详细原始记录。记录要准确、真实。5.5性能复试
可靠性试验后按GB/T6068.2规定复测性能。5.6拆检
可靠性试验后,整机拆检,详细记录拆检的情况,必要的零件要拍照。拆检项目及内容见表3。表3拆检项目表
起升机构和
回转机构减速器
回转支承
液压阀
结构件
内外圈
阀芯和阀座
活寒杆和缸筒
齿面接触痕迹、点蚀、剥落
箱体是否有损坏、裂纹
裂纹、压痕、点蚀、剥落
表面粗糙度和表面损伤
表面粗糙度和表面损伤
结构变形
合格要求
磨损正常,无点蚀、剥落
无异常现象
无裂纹点蚀、剥落;无异常压痕粗糙度不低于设计要求、表面无损伤粗糙度不低于设计要求,表面无损伤无裂纹;
焊缝达到规定要求;
结构无永久变形
注:泵与马达可不进行拆检,如有异常现象应进行拆检或进行台架性能复试。856
6试验结论
JB/T 4030.1--2000
6.1试验期间,样机如出现致命故障,本次试验应中止,不计算可靠性指标。6.2可靠性指标计算与统计
6.2.1作业率A
式中:T。
规定的总作业时间,,h;
故障排除时间,h。
6.2.2当量总故障次数N
-X100%
式中:R,——试验期间,样机出现第i类故障次数的总和;E,
第1类故障的加权系数。
6.2.3平均无故障工作时间T2
当N≤1时,令N=1。
6.3其它要求
6.3.1起重机必须在规定的时间内完成表1规定的循环次数。规定的试验时间包括作业时间和有效停机时间。如果样机超出规定的时间则不予建立可靠性指标。6.3.2试验期间.固定结合面不准渗油。有相对运动部位不允许形成油滴。发动机运转或停机时不允许漏水。
6.3.3作业可靠性试验中,允许更换零件。按其损坏性质进行故障分类。6.3.4对于正常磨损的钢丝绳,不论何时更换、截绳、整修均计维修时间,不计故障次数。钢丝绳出现断裂等异常情况,均计故障次数。6.3.5新产品的型式试验,可靠性试验按合格品判定。6.3.6定型批量生产的起重机,应进行产品可靠性考核试验,不能用新产品样机的型式试验中可靠性指标代替。
故障分类
起重机试验中只计算基本故障,不计算因违规操作造成的从属故障。按故障性质、危害程度,维修的难易、对功能影响大小,将故障分为致命故障、严重故障、一般故障和轻微故障四类,其代号、加权系数以及举例见表4。
表4故障分类表
故障分类及代号
致命故障(ZM)
严重故障(YZ)
加权系数
3 t~32 1 Ef - 2. 0
40 1~80 t 3.0
6, = 4. 0
故障举例
吊臂失稳或断裂;支腿断裂;主要部位焊缝开裂造成重大事故
减速器轴类、轴承、齿轮损坏;马达、油泵等严重漏油;主要部位焊缝开裂未造成事故
故障分类及代号
般故障(YB)
轻微故障(QW)
7.1故障判别原则
JB/T 4030.1—2000
表4(完)
加权系数
故障举例
更换重要部位的密封圈,一般部位的焊缝开焊更换密封件、接头或软管;清洗阀芯等螺栓松动;轻微渗漏等
7.11按定义判断起重机基本故障类别时,各类故障互不相容的,即对某一基本故障,只判定为四类基本故障中的一类。
7.1.2基本故障判别,应以其造成的现场后果划分故障类别。7.1.3同时发生的相关故障作为一次故障,同时发生的不相关的故障分别计数。7.1.4对于故障性质比较明显,按照故障分类进行划分其类别;对于界限不清,难以划分的故障可按附录A(标准的附录)表A2划分类别。8
变型起重机的作业可靠性试验方法同种吨位变型起重机的作业可靠性试验方法见表5。表5变型产品可靠性循环次数的规定序
变型内容
更换底盘
更换吊臂、截面形式改变
吊臂节数增加
吊臂节数减少
更换发动机、马达、泵等其他总成循环次数
表1各工况的1/3
按表1重新做
按表1各工况的1/2
按表1各工况的1/3
按表1第一工况的50%
变型产品的作业可靠性期间如果未发现0类~2类的故障,则可靠性指标可引用原试验报告的数据。
总成名称
液压系统
支腿机构及底架
变幅机构
吊臂装置
起升机构
回转机构
其他装置
零部件名称
总成名称:液压系统
油门操纵
油门操纵
3油门操纵
油门操纵
油门操纵
6油门操纵
油门操纵
油门操纵
油门操纵
10油门操纵
油门操纵
油门操纵
13溢流阀
溢流阀
溢流阀
JB/T 4030.1-2000
附录A
(标准的附录)
作业可靠性试验故障模式及其分类表表A1作业可靠性试验故障模式分类汇总表类别
表A2作业可靠性试验故障模式及其分类表故障模式
故障情况
工艺孔渗油、紧固排除
端盖压盖松动,紧固排除
接口或零件松动,紧固排除
密封件失效或损坏,更换密封件牵引钢绳松弛、张紧
牵引钢绳断裂,更换
调整踏板自由板行程
其他操纵件松脱、调整
其他操纵件松脱,重新装配
操纵件损坏,换件
静压油失效
造成严重事故
工艺孔渗油,紧固排除
接口或零件松动,紧固排除
端盖压盖松动,紧固排除
故障类别
零部件名称
溢流阀
溢流阀
溢流阀
溢流阀
溢流阀
溢流阀
溢流阀
操纵阀
操纵阀
操纵阀
操纵阀
操纵阀
操纵阀
操纵阀
操纵阀
操纵阀
操纵阀
操纵阀
操纵阀
操纵阀
操纵阀
操纵阀
操纵阀
操纵阀
操纵阀
操纵阀
操纵阀
操纵阀
操纵阀
「故障模式
工作异常
工作异常
工作异常
工作异常
工作异常
工作异常
工作异常
工作异常
工作异常
JB/T4030.1—2000
表A2(续)
故障情况
密封件失效或损坏,更换密封件(≤5min)弹簧变形损坏,更换弹簧
阀芯或阀体拉伤
异物卡堵,清洗排除
装配不良,重新装配
更换溢流阀
片间渗油,紧固排除
接口或零件松动,紧固排除
工艺孔渗油,紧固排除
端盖压盖松动.紧固排除
片间密封失效或损坏,更换密封件接口密封失效,更换密封件(≤5min)杆端密封失效,更换密封件
阀芯阀杆拉伤
阀体拉伤
复位弹簧损坏,换件
异物卡堵,清洗排除
操纵件松脱,调整修复
操纵件松脱,重新装配修复
操纵件损坏,换件修复
材质缺陷引起漏油,更换阀片
连接螺纹损坏.更换阀片
连接螺纹松动,紧周
阀盖断裂,更换阀盖
阀体窜通,引起误动作,但无其它损伤阀体窜通,引起误动作,导致严重事故阀体窜通,引起误动作,导致重大事故更换新阀
不供油,传动键损坏,换件
不供油,油泵轴断裂
不供油,轮齿折断
无工作压力,泵体损伤
「无工作压力,泵内自身背压阀常开卸压工作异常
故障类别
致命严重
零部件名称
中心回转接头
中心回转接头
中心回转接头
中心回转接头
中心回转接头
中心回转接头
中心回转接头
中心回转接头
62中心回转接头
中心回转接头
中心回转接头
液压油箱
液压油箱
液压油箱
液压油箱
液压油箱
液压油箱
液压油箱
液压油箱
液压油管
液压油管
液压油管
液压油管
液压油管
液压油管
液压油管
液压油管
液压油管
故障模式
工作异常
工作异常Www.bzxZ.net
JB/T 4030. 1--2000
表A2(续)
敌障情况
轴端油封损坏,更换油封
接合面不平,调整修复
装配不良,引起漏油,调整修复密封件损坏,更换密封件
泵体连接螺栓松动,紧固排除
没有相对运动,定位螺柱断裂
内部多腔窜通,产生误动作,引起重大事故内部多腔审通,产生误动作,引起严重事故固定体与回转体转动面发生磨损密封件失效,更换密封件
密封面贴合不平,调整修复
管接头焊缝漏油、补焊
漏油严重,需更换回转接头
拨动装置紧固件松动,紧固排除拨叉变形修复
需更换回转接头
油箱焊缝有气孔
放油口螺栓松动,紧固排除
放油口螺塞座圈焊接不好
进出油口油接头松动,紧固排除放油口螺塞密封件失效,更换密封材质或焊接不好,局部开裂,补焊密封件损坏,更换密封件
连接紧固件松动,紧固排除
高压油管爆裂,造成重大事故
高压油管爆裂,造成严重事故
高压油管爆裂,无其它损伤
油管接头松脱,更换油管
油管接头焊接不好,换油管
胶管材质缺陷,史换油管
钢管焊接处开焊,漏油严重
装配不当造成油管漏油,更换油管更换油管
故障类别
、严重
般轻微
零部件名称
管接头
管接头
管接头
管接头
管接头
管接头
滤油器
滤油器
滤油器
滤油器
滤油器
滤油器
蓄能器
蓄能器
蕾能器
蓄能器
蕾能器
冷却器
100冷却器
冷却器
冷却器
电磁阀
电磁阀
电磁阀
电磁阀
电磁阀
108梭阀
112|普通单向阀
普通单向阀
114|普通单向阀
故障模式
工作异常
工作异常
JB/T 4030. 1—1
表A2(续)
故障情况
接头螺栓松动,紧固排除
焊接有气孔
密封件装配不当
螺扣损坏,更换管接头
密封件失效,更换密封件
焊接不好,补焊
壳体焊缝有气孔,引起漏油
密封圈失效,更换密封圈
壳体油道堵塞,清除异物
滤芯堵塞,油压上升
滤芯损坏,更换滤芯
更换滤油器
气门嘴漏气失压·修复
内气囊破损,未引起事故,更换蓄能器失压,引起严重事故
密封件损坏,更换密封件
更换蓄能器
更换冷却器
通油散热管漏油,补焊修复
密封件损坏,更换密封件
通油道堵塞导致失效
阀卡死,拆件修复
弹簧件损坏,不能定位,修复
线圈烧摄·换线圈
密封面漏油·修复或换件
更换电磁阀
更换梭阀
工作异常,阀卡死,更换新阀
工作异常
阀卡死,拆卸清洗
密封件失效.更换密封件
密封面松动,紧固排除
阀体内密封不好,重新研配
密封失效,更换密封件
故障类别
零部件名称
115普通单向阀
普通单向阀
压力表
压力表
压力表
压力表
平衡阀
122平衡阀
[123平衡阀
平衡阀
平衡阀
平衡阀
平衡阀
平衡阀
129|平衡阀
液压锁
131液压锁
132液压锁
液压锁
134|液压锁
液压锁
液压锁
缓冲阀
缓冲阀
缓冲阀
缓冲阀
故障模式
工作异常
工作异常
工作异常
工作异常
工作异常
工作异常
总成名称:支腿机构及底架
JB/T4030.1—2000
表A2(续)
故障情况
阀体滑阀变形或损伤,全套更换更新新阀
更换压力表
油道堵塞,修复
阻尼塞螺栓脱落,引起指针波动指针变形变位,修复
阀卡死,更换新阀
阀卡死,拆卸清洗
弹簧损坏,修复
弹簧断裂,工作失效
更换新阀
内部窜油,导致执行元件产生异常接口密封件失效或损坏,更换密封件阀内密封件失效,更换密封件
密封件损坏,造成严重事故
密封件损坏失效,更换密封件
螺丝松动、紧固排除
螺扣滑丝,更换螺栓(钉)
内部泄漏,支腿锁不住,修复
更换锁阀
造成重大事故
油路堵塞,清洗锁阀
零件损坏,无缓冲作用
阀卡死,拆卸清洗或更换新阀
密封件失效,更换密封件
调压螺柱的锁紧螺母松动,紧固局部发生翘曲变形
局部开裂引起重大事故
局部有裂纹,未造成重大事故
焊缝开裂,补焊修复
主要部位焊缝开裂,补焊修复
故障类别
零部件名称
各支架
各加强板
发动机悬挂
变速箱悬挂
油泵支架
U形螺栓
U形螺栓
U形螺栓
支腿油缸
支腿油缸
支腿油缸
支腿油缸
支腿油缸
支腿油缸
支腿油缸
支腿油缸
支腿油缸
支腿油缸
支腿油缸
支腿油缸
支腿油缸
稳定器
38稳定器
故障模式
T作异常
JB/T4030.1-2000
表A2(续)
故障情况
焊缝开裂,补焊修复
焊缝开裂,补焊修复
焊缝开裂,补焊修复
焊缝开裂、补焊修复
焊缝开裂,补焊修复
紧固排除
更换螺栓
更换螺栓
更换螺栓
紧固排除
主要受力焊缝开裂.补焊修复
般部位焊缝开裂,补焊修复
焊缝开裂,造成重大事故
钢板撕裂,造成重大事故
钢板撕裂,未造成重大事故
局部发生翘曲变形
焊缝开裂,补焊修复
结构变形
支腿油缸下沉
密封件损伤
活塞杆轻微挂油
杆与导套密封件失效,更换
缸与导套密封件失效,更换
活塞密封件失效,更换
杆与导套被划伤,需解体
活塞与缸筒被划伤,需解体
缸简有裂纹,造成重大事故
缸筒有裂纹.未造成重大事故
焊缝有缺陷.修复
油缸两腔窜油·支腿松动
内部密封损坏,造成油压过低
稳定器锁不住,修复
零件损坏,更换零件
故障类别
小提示:此标准内容仅展示完整标准里的部分截取内容,若需要完整标准请到上方自行免费下载完整标准文档。
标准图片预览:





- 热门标准
- 机械行业标准(JB)
- JB/T7895-2008 永磁筒式磁选机
- JB/T3411.50-1999 两爪顶拔器 尺寸
- JB/T10930-2010 200级耐电晕漆包铜圆线
- JB/T10288-2001 连栋温室结构
- JB/T10056-1999 直流电流互感器 技术条件
- JB/T2756-2006 无轨电车用炭滑块
- JB/T7140.1-1993 牲畜药浴机械 型式与基本参数
- JB/T9933.2-1999 小模数齿轮滚齿机 精度检验
- JB/T20086-2006 药用容器 料斗
- JB/T8468-2014 锻钢件磁粉检测
- JB/T5934-1991 工程机械门锁 技术条件
- JB/T8108.2-1999 起重用短环链 用于葫芦的其他起重设备的T(8)级校准链条
- JB/T8528-1997 普通型阀门电动装置 技术条件
- JB/T9768-1999 内燃机 气缸套平台珩磨网纹 技术规范及检测方法
- JB/T5000.14-2007 重型机械通用技术条件 第14部分:铸钢件无损探伤
- 行业新闻
网站备案号:湘ICP备2025141790号-2