- 您的位置:
 - 标准下载网 >>
 - 标准分类 >>
 - 机械行业标准(JB) >>
 - JB/T 2832-1993 水轮机调速器与油压装置 型号编制方法
 
标准号:
JB/T 2832-1993
标准名称:
水轮机调速器与油压装置 型号编制方法
标准类别:
机械行业标准(JB)
英文名称:
Method for compiling models of turbine speed governors and hydraulic devices标准状态:
已作废- 
          	
发布日期:
1993-10-08 - 
		 
实施日期:
1994-01-01 - 
          	
作废日期:
2004-06-01 出版语种:
简体中文下载格式:
.rar.pdf下载大小:
75.31 KB
中标分类号:
电工>>发电用动力设备>>K55水轮机及其辅助设备
部分标准内容:
					
					中华人民共和国机械行业标准
JB/T2832
1993-10-08
颊魁佤艺极
1994-01-01小鎖
鸡颊魁鹭佤艺
1主题内容与适用范围
‘霉鹞
JB/T28321993
JB2832—79
本标准规定了水轮机调速器及油压装置的型号用途及缩制原则、型号的构成及其内容的规定。本标准适用于控制水轮机的各类调速器(含操作器、电子负荷调节器)以及油压装置的型号编制。2型号的用遂及编制原则
2.1产品型号为便于使用.制造、设计等各部门进行业务上的联系和简化技术文件中产品名称、规格、特性等的叙述而引用的一种代号,应以简明、不重复为基本原则。2.2产品型号由汉语拼音字母(以下简称字母)及阿拉伯数字(以下简称数字)组成:宇母取自产品名称中关键字的第·一个拼音宁母,如上违字母造成型号重复或其他闲难不能采用时·也可用产品名称其他汉字拼音的第一个字母、
3产品型号的构成及其内容的规定3.1调速器、操作器、电子负荷调节器型号的编制由产品类别代号、规格代号、额定油压及制造!代号四部分组。各部分用横线分开,并按下列程序排列0 -2-8-4
制造厂代号,各」产品特性战系列代号及改型代号额定油压
规格代号
产品类别
3.1.1型号第一部分用字母表示调速器、操作器、电子负荷调节器的基本特性和类型。3.1.2型号第部分为数字,表示要技术参数,如主配压阀占径、许用输油流量或接力器容量、配套的机组功率等。对分离式结构的电较调速器,电气柜与液压拒型号表示相同。3.1.3型号第三部分表示额定油压,对分离式结构的电液调速船的电气柜这部分可省略,3.1.4型号第四部分为制造厂代号和表征该产品特性或系列代号及改型代号·由各厂自行规定。如产品按统·设计图样生产,制造厂代号可省略·产品特性或系列代号及改型代号由产品技术归口单位规定。
31.5产品型号组成及意义
1993-10-08瘤
1994-01-01小
基本持征
基本代号
JB/T2832
制造」代号
各厂衣征产品特性或
系列代号及改型代号
额定拍压2.5、4.0,6.3(MPa)
带按力器调速器表示接力器容呈(N·m)千带接力器制连器表示主配压阀直径(tuiru/竹角输油流量(1.)【一级压故关系统娜表示引导阀直径】调速器
一双调速器此内容来自标准下载网
DC一电动续作器,YC-
TIF— 电孚筑荷调节器
液压操作器
CJT冲击式调速器
IXE-集成电略模拟型调速器
WT微机型翻连群
Y一带压力罐
T一通流式
注:规格代号项对电子负荷调节幕,分于表示配用机组的功率;分母表示发电机相数..3.1.6型号示例
a.yT-6000-2.5
带压力罐的机械被压调速器,统一设计产品,接力器容量为 6 000NV ·m,额定压力为 2. 5MPa。b.YDT-18 000-4. 0-SKC5A
带压力罐的模拟式电气液H调速器,其接力器容量为18 000N-m,额定油压为 4. 0MPa,为天津市水电控制设备厂05系列第一次改型产品。c.YC-10 000-4. G
液压操作器.接力器容量为 10 000N·m,额定油压 4.0MPa。d.D-6 000
电动摊作器,输出最大容量为6000N·m。DF-18/1
配用于机组功率为18kW,发电机为单相的电子负荷调节器。f.WST 100/50 4. 0 HDIA
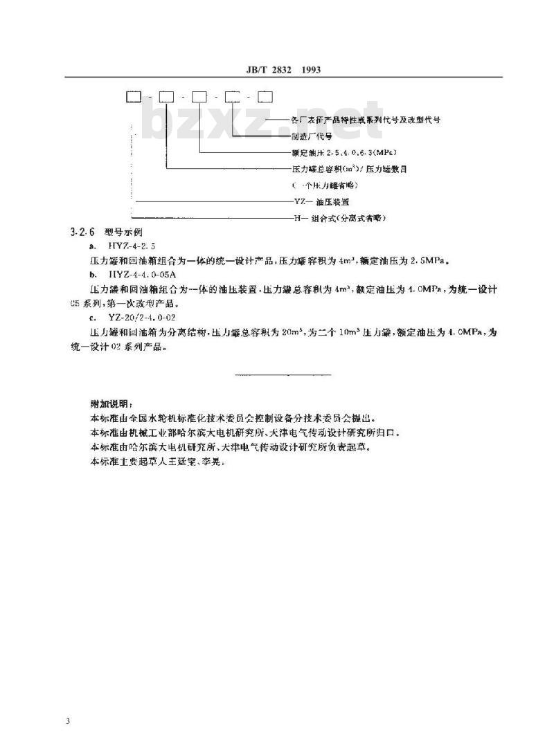
不带压力罐的微机型双调节电气液压调速器,主配压阀直径为100mM,许用输油流量为50L/s,额定油压为4.oMPa·为哈尔滨电机厂A型产品3.2油压装置型号编制方法
产品型号由产品类别代号、规格代号,额定油压及制造厂代号等组成.各部分用短横线分开·排列顺序与调速器型号编制相同.
3.2. 1 型号第 -部分;用字母 Yz 表示油压装置。对压力油与回油箱组合为体,即在 YZ 前加H,若一者为分离结构,则不加表示。3.2.2型号第二部分的数字表示压力罐的总容积(m\),分母为油压装置压力数目,无数字为一个压力罐。
3.2.3型号第,部分,表尔定油压3.2.4型号第四部分为制造厂代号和表征该产品特性或系列代号及改型代号,由各厂自行规定;如产品按统·-设计图样生产.制造厂化号可省略,产品特性或系列代号及效型代号由产品技术归口单位规定。
3.2.5产品型号组成及意义
3.2.6型号示例
a.HY7-4-2. 5
JB/T2832
各厂表征产品特性或系列代号及改型代号制造厂代号
额定测卡 2.5.4. 0.6.3(MPs)
压力罐总容积(m\)/压力罐数目(·个压力随省略》
Y7一油压装置
-H一组合式(分离式者略)
压力罐和回油箱组合为一体的统一设计产品,压力穿积为4m1,额定油压为2. 5MPa,b.JIYZ-4-4.D-05A
[LE力罐和回油箱组合为-一体的油压装置,压力罐总容积为 4m,额定油压为 1. 0MPa:为统一设计U5 系列,第一次改型产品。
.YZ-20/2-1.0-02
正罐和回油箱为分离结构.压小罐总容积为20m,为二个10m3压力罐,额定油压为4.0MPa,为统一设计02系列产品。
附加说明:
本标难由全国水轮机标准化技术委员会控制设备分技术委员会提出。本标准由机械工业部哈尔滨大电机研究所、大津电气传动设计研究所归口。本标难由哈尔滨大电机研充所、大津电气传动设计研究所负责起草。本标准主要起草人王廷宝、李晃。3
鸡颊鑫魁
JB/T2832
籁880b1230
19XXXX岭
100044
万段X/X
张矩XXX.XXX
19XX集XX舱
X爲鲽
德pxXX.XX翼
鱻极藕鲷
小提示:此标准内容仅展示完整标准里的部分截取内容,若需要完整标准请到上方自行免费下载完整标准文档。
	 
	        
	      JB/T2832
1993-10-08
颊魁佤艺极
1994-01-01小鎖
鸡颊魁鹭佤艺
1主题内容与适用范围
‘霉鹞
JB/T28321993
JB2832—79
本标准规定了水轮机调速器及油压装置的型号用途及缩制原则、型号的构成及其内容的规定。本标准适用于控制水轮机的各类调速器(含操作器、电子负荷调节器)以及油压装置的型号编制。2型号的用遂及编制原则
2.1产品型号为便于使用.制造、设计等各部门进行业务上的联系和简化技术文件中产品名称、规格、特性等的叙述而引用的一种代号,应以简明、不重复为基本原则。2.2产品型号由汉语拼音字母(以下简称字母)及阿拉伯数字(以下简称数字)组成:宇母取自产品名称中关键字的第·一个拼音宁母,如上违字母造成型号重复或其他闲难不能采用时·也可用产品名称其他汉字拼音的第一个字母、
3产品型号的构成及其内容的规定3.1调速器、操作器、电子负荷调节器型号的编制由产品类别代号、规格代号、额定油压及制造!代号四部分组。各部分用横线分开,并按下列程序排列0 -2-8-4
制造厂代号,各」产品特性战系列代号及改型代号额定油压
规格代号
产品类别
3.1.1型号第一部分用字母表示调速器、操作器、电子负荷调节器的基本特性和类型。3.1.2型号第部分为数字,表示要技术参数,如主配压阀占径、许用输油流量或接力器容量、配套的机组功率等。对分离式结构的电较调速器,电气柜与液压拒型号表示相同。3.1.3型号第三部分表示额定油压,对分离式结构的电液调速船的电气柜这部分可省略,3.1.4型号第四部分为制造厂代号和表征该产品特性或系列代号及改型代号·由各厂自行规定。如产品按统·设计图样生产,制造厂代号可省略·产品特性或系列代号及改型代号由产品技术归口单位规定。
31.5产品型号组成及意义
1993-10-08瘤
1994-01-01小
基本持征
基本代号
JB/T2832
制造」代号
各厂衣征产品特性或
系列代号及改型代号
额定拍压2.5、4.0,6.3(MPa)
带按力器调速器表示接力器容呈(N·m)千带接力器制连器表示主配压阀直径(tuiru/竹角输油流量(1.)【一级压故关系统娜表示引导阀直径】调速器
一双调速器此内容来自标准下载网
DC一电动续作器,YC-
TIF— 电孚筑荷调节器
液压操作器
CJT冲击式调速器
IXE-集成电略模拟型调速器
WT微机型翻连群
Y一带压力罐
T一通流式
注:规格代号项对电子负荷调节幕,分于表示配用机组的功率;分母表示发电机相数..3.1.6型号示例
a.yT-6000-2.5
带压力罐的机械被压调速器,统一设计产品,接力器容量为 6 000NV ·m,额定压力为 2. 5MPa。b.YDT-18 000-4. 0-SKC5A
带压力罐的模拟式电气液H调速器,其接力器容量为18 000N-m,额定油压为 4. 0MPa,为天津市水电控制设备厂05系列第一次改型产品。c.YC-10 000-4. G
液压操作器.接力器容量为 10 000N·m,额定油压 4.0MPa。d.D-6 000
电动摊作器,输出最大容量为6000N·m。DF-18/1
配用于机组功率为18kW,发电机为单相的电子负荷调节器。f.WST 100/50 4. 0 HDIA
不带压力罐的微机型双调节电气液压调速器,主配压阀直径为100mM,许用输油流量为50L/s,额定油压为4.oMPa·为哈尔滨电机厂A型产品3.2油压装置型号编制方法
产品型号由产品类别代号、规格代号,额定油压及制造厂代号等组成.各部分用短横线分开·排列顺序与调速器型号编制相同.
3.2. 1 型号第 -部分;用字母 Yz 表示油压装置。对压力油与回油箱组合为体,即在 YZ 前加H,若一者为分离结构,则不加表示。3.2.2型号第二部分的数字表示压力罐的总容积(m\),分母为油压装置压力数目,无数字为一个压力罐。
3.2.3型号第,部分,表尔定油压3.2.4型号第四部分为制造厂代号和表征该产品特性或系列代号及改型代号,由各厂自行规定;如产品按统·-设计图样生产.制造厂化号可省略,产品特性或系列代号及效型代号由产品技术归口单位规定。
3.2.5产品型号组成及意义
3.2.6型号示例
a.HY7-4-2. 5
JB/T2832
各厂表征产品特性或系列代号及改型代号制造厂代号
额定测卡 2.5.4. 0.6.3(MPs)
压力罐总容积(m\)/压力罐数目(·个压力随省略》
Y7一油压装置
-H一组合式(分离式者略)
压力罐和回油箱组合为一体的统一设计产品,压力穿积为4m1,额定油压为2. 5MPa,b.JIYZ-4-4.D-05A
[LE力罐和回油箱组合为-一体的油压装置,压力罐总容积为 4m,额定油压为 1. 0MPa:为统一设计U5 系列,第一次改型产品。
.YZ-20/2-1.0-02
正罐和回油箱为分离结构.压小罐总容积为20m,为二个10m3压力罐,额定油压为4.0MPa,为统一设计02系列产品。
附加说明:
本标难由全国水轮机标准化技术委员会控制设备分技术委员会提出。本标准由机械工业部哈尔滨大电机研究所、大津电气传动设计研究所归口。本标难由哈尔滨大电机研充所、大津电气传动设计研究所负责起草。本标准主要起草人王廷宝、李晃。3
鸡颊鑫魁
JB/T2832
籁880b1230
19XXXX岭
100044
万段X/X
张矩XXX.XXX
19XX集XX舱
X爲鲽
德pxXX.XX翼
鱻极藕鲷
小提示:此标准内容仅展示完整标准里的部分截取内容,若需要完整标准请到上方自行免费下载完整标准文档。
标准图片预览:





- 其它标准
 
- 热门标准
 - 机械行业标准(JB)
 
- JB/T10288-2001 连栋温室结构
 - JB/T10056-1999 直流电流互感器 技术条件
 - JB/T7895-2008 永磁筒式磁选机
 - JB/T8679-2008 炭弧气刨炭棒 物理及使用性能试验方法
 - JB/T2756-2006 无轨电车用炭滑块
 - JB/T8082-2010 护指键式和护罩式木工平刨床 安全
 - JB/T9580-2008 炭石墨 产品分类及型号编制方法
 - JB/T9713-1999 工程机械 湿式铜基摩擦件 技术条件
 - JB/T8840-2013 电热器具用电源开关
 - JB/T11340.3-2012 阀控式铅酸蓄电池安全阀 第3部分:橡胶帽、阀芯
 - JB/T3411.50-1999 两爪顶拔器 尺寸
 - JB3704-1984 特种调压器用碳电阻片柱电气机械性能试验方法
 - JB/T10677-2006 投影机 光源
 - JB/T10573-2006 工具显微镜
 - JB∕T12675-2016 拖拉机液压系统清洁度限值及测量方法
 
- 行业新闻
 
请牢记:“bzxz.net”即是“标准下载”四个汉字汉语拼音首字母与国际顶级域名“.net”的组合。 ©2025 标准下载网 www.bzxz.net 本站邮件:bzxznet@163.com
网站备案号:湘ICP备2025141790号-2
网站备案号:湘ICP备2025141790号-2