- 您的位置:
- 标准下载网 >>
- 标准分类 >>
- 机械行业标准(JB) >>
- JB/T 7422.2-1999 立式内圆珩磨机 精度检验
标准号:
JB/T 7422.2-1999
标准名称:
立式内圆珩磨机 精度检验
标准类别:
机械行业标准(JB)
英文名称:
Vertical internal honing machine accuracy inspection标准状态:
现行-
发布日期:
1999-05-20 -
实施日期:
2000-01-01 出版语种:
简体中文下载格式:
.rar.pdf下载大小:
189.29 KB
替代情况:
ZB J55017-1987采标情况:
DIN 8635 NEQ
点击下载
标准简介:
标准下载解压密码:www.bzxz.net
JB/T 7422.2-1999 本标准是对 ZB J55 017-87《立式内圆珩磨机 精度》的修订。本标准是 JB/T 7422《立式珩磨机》系列标准的一部分: JB/T 7422.1-1999 立式内圆珩磨机 参数 JB/T 7422.2-1999 立式内圆珩磨机 精密检验 JB/T 7422-1994 立式内圆珩磨机 技术条件 与本标准配套的标准有: JB/T 5603-1991 立式内圆珩磨机 系列型谱 JB/T 9896-1999 珩磨头 参数 本标准规定了立式内圆珩磨机的几何精度和工作精度的要求及检验方法。 本标准适用于最大珩孔直径 25~1000mm 的一般用途的立式内圆珩磨机。 本标准于 1987 年首次发布。 JB/T 7422.2-1999 立式内圆珩磨机 精度检验 JB/T7422.2-1999
部分标准内容:
ICS25.080.50
中华人民共和国机械行业标准
JB/T7422.2-1999
立式内圆磨机
1999-05-20发布
国家机械工业局
精度检验
2000-01-01实施
JB/T7422.2—1999
本标准是在ZBJ55017—87《立式内网珩廉机精度》的基础上修订的。
本标准与ZBJ55017一87的技术内容一致,仅按有关规定重新进行了编辑。本标准是《立式内圆磨机》系列标准的一部分,该系列标准包括以下三个部分:JB/T7422.1—1999立式内圆磨机参数JB/T7422.2—1999立式内圆琦磨机精度检验立式内圆琦磨机技术条件
JB/T7422-—1994
与本标准配套的标准有:
JB/T5603—1991立式内圆珩磨机系列型谱
JB/T9896—1999磨头参数
本标准自实施之日起代替ZBJ55017—87。本标准由全国金属切削机床标准化技术委员会提出。本标准由全国金属切削机床标准化技术委员会钻镗床分会归口。本标准负责起草单位:大河机床厂。本标准于1987年首次发布。
1范围
中华人民共和国机械行业标准
精度检验
立式内圆珩磨机
本标准规定了立式内圆磨机的几何精度和工作精度的要求及检验方法。本标准适用于量最大孔直径25~1000mm的一般用途的立式磨机。2引用标准
JB/T7422.2-1999
代替ZB J55017—87
下列标准所包含的条文,通过在本标准中引用而构成为本标准的条文。本标准出版时,所示版本均为有效。所有标准都会被修订,使用本标准的各方应探讨使用下列标准最新版本的可能性。GB/T17421.1—1998机床检验通则第1部分:在无负荷或精加T.条件下机床的几何精度3一般要求
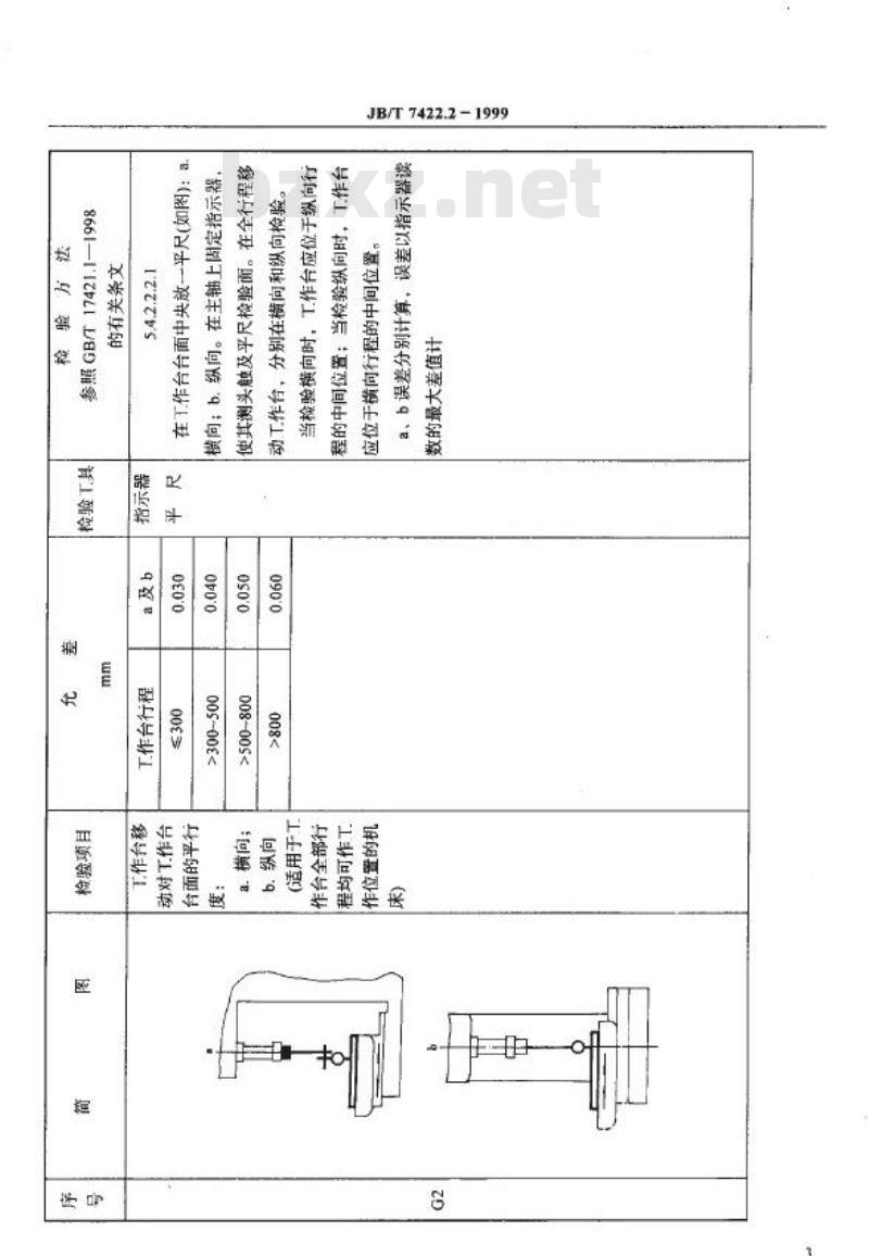
3.1参照GB/T17421.11998中3.1调整安装水平。在工作台中央的纵向和横向位置放水平仪,水平仪在纵向和横向的读数均不超过0.040/1000。3.2检验时一般可按装拆检验工具和检验方便的要求安排实际检验次序。3.3工作精度检验时,试件的检验应在精珩后进行。3.4当实测长度与本标准规定的长度不同时,允差应根据GB/T17421.1一1998中2.3.1.1的规定按能够测量的长度折算。折算结果小于0.005mm时,仍按0.005mm计。3.5平行于床身导轨的方向称为纵向,垂直于纵向的水平方向称为横向。3.6通过主轴轴线和立柱导轨对称的平面称为横向平面,通过主轴轴线垂直于横向平面的直立平面称为纵向平面。
国家机械工业局1999-05-20批准2000-01-01实施
JB/T7422.21999
(同击)
0091~000
0001005
JB/T7422.2-1999
器当新
008~00s<
005-00
JB/T7422.21999
FTI9's
(00-T)Www.bzxZ.net
(00%-7)
(00-7)
(OS1=7)
发减赛
手士由)
“回账
JB/T 7422.21999
手胖手
tti's'sti'ss
(00S/0800
4.00S/0200
4:00E/0S0'0
0001~09
005000051(1
JB/T 7422.2 1999
“++,
t1sitss
S90°0
0091~000
000109
JB/T7422.21999
00ob91
800°0
s100'0
小提示:此标准内容仅展示完整标准里的部分截取内容,若需要完整标准请到上方自行免费下载完整标准文档。
中华人民共和国机械行业标准
JB/T7422.2-1999
立式内圆磨机
1999-05-20发布
国家机械工业局
精度检验
2000-01-01实施
JB/T7422.2—1999
本标准是在ZBJ55017—87《立式内网珩廉机精度》的基础上修订的。
本标准与ZBJ55017一87的技术内容一致,仅按有关规定重新进行了编辑。本标准是《立式内圆磨机》系列标准的一部分,该系列标准包括以下三个部分:JB/T7422.1—1999立式内圆磨机参数JB/T7422.2—1999立式内圆琦磨机精度检验立式内圆琦磨机技术条件
JB/T7422-—1994
与本标准配套的标准有:
JB/T5603—1991立式内圆珩磨机系列型谱
JB/T9896—1999磨头参数
本标准自实施之日起代替ZBJ55017—87。本标准由全国金属切削机床标准化技术委员会提出。本标准由全国金属切削机床标准化技术委员会钻镗床分会归口。本标准负责起草单位:大河机床厂。本标准于1987年首次发布。
1范围
中华人民共和国机械行业标准
精度检验
立式内圆珩磨机
本标准规定了立式内圆磨机的几何精度和工作精度的要求及检验方法。本标准适用于量最大孔直径25~1000mm的一般用途的立式磨机。2引用标准
JB/T7422.2-1999
代替ZB J55017—87
下列标准所包含的条文,通过在本标准中引用而构成为本标准的条文。本标准出版时,所示版本均为有效。所有标准都会被修订,使用本标准的各方应探讨使用下列标准最新版本的可能性。GB/T17421.1—1998机床检验通则第1部分:在无负荷或精加T.条件下机床的几何精度3一般要求
3.1参照GB/T17421.11998中3.1调整安装水平。在工作台中央的纵向和横向位置放水平仪,水平仪在纵向和横向的读数均不超过0.040/1000。3.2检验时一般可按装拆检验工具和检验方便的要求安排实际检验次序。3.3工作精度检验时,试件的检验应在精珩后进行。3.4当实测长度与本标准规定的长度不同时,允差应根据GB/T17421.1一1998中2.3.1.1的规定按能够测量的长度折算。折算结果小于0.005mm时,仍按0.005mm计。3.5平行于床身导轨的方向称为纵向,垂直于纵向的水平方向称为横向。3.6通过主轴轴线和立柱导轨对称的平面称为横向平面,通过主轴轴线垂直于横向平面的直立平面称为纵向平面。
国家机械工业局1999-05-20批准2000-01-01实施
JB/T7422.21999
(同击)
0091~000
0001005
JB/T7422.2-1999
器当新
008~00s<
005-00
JB/T7422.21999
FTI9's
(00-T)Www.bzxZ.net
(00%-7)
(00-7)
(OS1=7)
发减赛
手士由)
“回账
JB/T 7422.21999
手胖手
tti's'sti'ss
(00S/0800
4.00S/0200
4:00E/0S0'0
0001~09
005000051(1
JB/T 7422.2 1999
“++,
t1sitss
S90°0
0091~000
000109
JB/T7422.21999
00ob91
800°0
s100'0
小提示:此标准内容仅展示完整标准里的部分截取内容,若需要完整标准请到上方自行免费下载完整标准文档。
标准图片预览:





- 其它标准
- 热门标准
- 机械行业标准(JB)
- JB/T10056-1999 直流电流互感器 技术条件
- JB/T2756-2006 无轨电车用炭滑块
- JB/T8679-2008 炭弧气刨炭棒 物理及使用性能试验方法
- JB/T7895-2008 永磁筒式磁选机
- JB/T9713-1999 工程机械 湿式铜基摩擦件 技术条件
- JB/T8840-2013 电热器具用电源开关
- JB/T11340.3-2012 阀控式铅酸蓄电池安全阀 第3部分:橡胶帽、阀芯
- JB/T9580-2008 炭石墨 产品分类及型号编制方法
- JB/T10677-2006 投影机 光源
- JB∕T12675-2016 拖拉机液压系统清洁度限值及测量方法
- JB/T6316-2006 Z4系列直流电动机技术条件(机座号100~450)
- JB/T10573-2006 工具显微镜
- JB/T10930-2010 200级耐电晕漆包铜圆线
- JB/T4328.10-1999 电工专用设备 球墨铸铁件通用技术条件
- JB3704-1984 特种调压器用碳电阻片柱电气机械性能试验方法
- 行业新闻
请牢记:“bzxz.net”即是“标准下载”四个汉字汉语拼音首字母与国际顶级域名“.net”的组合。 ©2025 标准下载网 www.bzxz.net 本站邮件:bzxznet@163.com
网站备案号:湘ICP备2025141790号-2
网站备案号:湘ICP备2025141790号-2