- 您的位置:
 - 标准下载网 >>
 - 标准分类 >>
 - 机械行业标准(JB) >>
 - JB/T 1128-1999 间隙螺纹量规
 
标准号:
JB/T 1128-1999
标准名称:
间隙螺纹量规
标准类别:
机械行业标准(JB)
英文名称:
Clearance thread gauge标准状态:
已作废- 
          	
发布日期:
1999-05-20 - 
		 
实施日期:
2000-01-01 - 
          	
作废日期:
2008-01-23 出版语种:
简体中文下载格式:
.rar.pdf下载大小:
185.64 KB
替代情况:
产品趋于淘汰,企业可根据需要制定企业标准
部分标准内容:
					
					ICS25.060.20
中华人民共和国机械行业标准
JB/T1128—1999
间隙螺纹量规
Clearancescrewthreadgauge
1999-05-20发布
国家机械工业局
2000-01-01实施
JB/T1128-1999
本标准是在B1128—70《间隙螺纹量规公差》的基础上修订的,本标准与JB1128一70的技术内容一致,仅按有关规定重新进行了编辑。本标准自实施之日起代替JB1128—70。本标准由全国量具量仪标准化技术委员会提出并归口。本标准负责起草单位:成都工具研究所。本标准于1970年首次发布。
1范围
中华人民共和国机械行业标准
间隙螺纹量规
Clearance screwthiead gaug
JB/T1128—1999
代替JB1128—70
本标准规定了间隙螺纹量规的产品分类、公差、螺纹牙型、技术要求及标志与包装等本标准适用于检验公称直径为1~120mm、螺距为0.2~2mm粗牙和细牙需形成保证间隙的GB/T197—1981《普通螺纹
公差与配合(直径1~355mm)》用的螺纹量规2
引用标准
下列标准所包含的条文,通过在本标准中引用而构成为本标准的条文。本标准出版时,所示版本均为有效。所有标准都会被修订,使用本标准的各方应探讨使用下列标准最新版本的可能性。公差与配合(直径1~355mm)
GB/T 197—1981
普通螺纹
3符号
本标准中所应用的符号及其代表的名称或意义见表1。表1
分别为工件外螺纹和工件内螺纹的大径分别为工件外螺纹和工件内螺纹的中径为工件内螺纹的小径
工件外螺纹大径公差
工件内螺纹小径公差
或意义
分别为工件外螺纹和工件内螺纹的中径公差在截短牙型的轴向剖面内,牙侧直线部分顶端(向牙顶一侧)和末端(向牙底一侧)之间的距离由通端或止端螺纹环规中径公差带的中心线分别到“校通-通”螺纹塞规或“校止通”螺纹塞规中径公差带中心线之间的距离
螺纹牙型的半角公差
校对螺纹塞规的中径公差
螺纹量规的螺距公差
通端和止端螺纹塞规的中径公差通端和止端螺纹环规的中径公差表1(完)
国家机械工业局1999.05-20批准2000-01-01实施
4产品分类
1128—1999
名称或意义
由通端螺纹环规或塞规中径公差带的中心线到其磨损极限之间的距离由止端螺纹环规或塞规中径公差带的中心线到其磨损极限之间的距离由通端螺纹塞规中径公差带的中心线到工件内螺纹中径下偏差之间的距离由通端螺纹环规中径公差带的中心线到工件外螺纹中径上偏差之间的距离检验工件内螺纹小径的光滑塞规尺寸公差检验工件外螺纹大径用的光滑环规或卡规尺寸公差检验光滑环规或卡规用的校对量规尺寸公差根据使用性能分为工作螺纹量规、验收螺纹量规和校对螺纹量规。4.1
工作螺纹量规:系指操作者在制造工件螺纹过程中所用的螺纹量规。验收螺纹量规:系指检验部门或用户代表在验收工件螺纹时所用的量规校对螺纹量规:系指在制造工作螺纹量规时和检验使用中的工作螺纹量规是否已经磨损所用的量规。
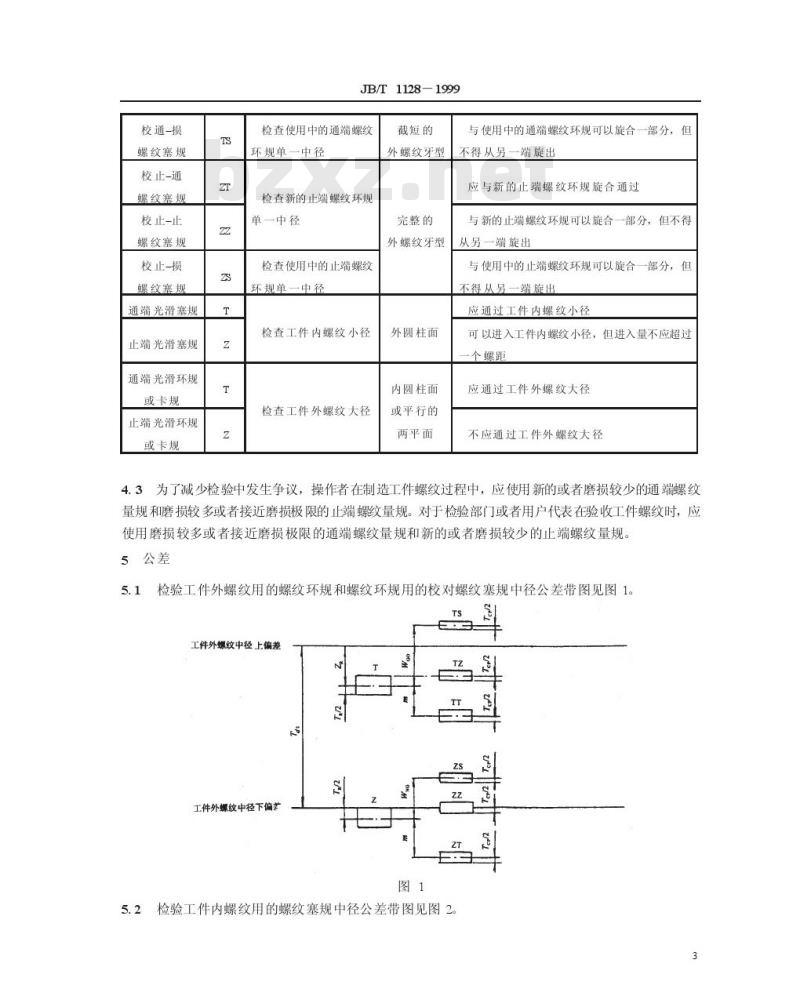
螺纹量规的名称、代号、功能、特征和使用规则见表2。表2
通端螺纹塞规
止端螺纹塞规
通端螺纹环规
止端螺纹环规
校通-通
螺纹塞规
校通-止
螺纹塞规
检查工件内螺纹的作用
中径和大径
检查工件内螺纹的单
检查工件外螺纹的作用bZxz.net
中径和小径
检查工件外螺纹的单
检查新的通端螺纹环规
的作用中径
检查新的通端螺纹环规
的单一中径
完整的
外螺纹牙型
截短的
外螺纹牙型
完整的
内螺纹牙型
截短的
内螺纹牙型
完整的
外螺纹牙型
截短的
外螺纹牙型
表2(完)
使用规则
应与工件内螺纹旋合通过
对于四个或少于四个螺距的工件内螺纹,两端旋合量之和应不超过两个螺距;对于多于四个螺距的工件内螺纹,旋合量应不超过两个螺距
应与工件外螺纹旋合通过
对于四个或少于四个螺距的工件外螺纹,旋合量应不超过两个螺距;
对于多于四个螺距的工件外螺纹,旋合量应不超过3X个螺距
应与新的通端螺纹环规旋合通过与新的通端螺纹环规可以旋合一部分,但不得从另一端旋出
使用规则
校通-损
螺纹塞规
校止-通
螺纹塞规
校止-止
螺纹塞规
校止-损
螺纹塞规
通端光滑塞规
止端光滑塞规
通端光滑环规
或卡规
止端光滑环规
或卡规
1128—1999
检查使用中的通端螺纹
环规单一中径
检查新的止端螺纹环规
单一中径
检查使用中的止端螺纹
环规单一中径
检查工件内螺纹小径
检查工件外螺纹大径
截短的
外螺纹牙型
完整的
外螺纹牙型
外圆柱面
内圆柱面
或平行的
两平面
与使用中的通端螺纹环规可以旋合一部分,但不得从另一端旋出
应与新的止端螺纹环规旋合通过与新的止端螺纹环规可以旋合一部分,但不得从另一端旋出
与使用中的止端螺纹环规可以旋合一部分,但不得从另一端旋出
应通过工件内螺纹小径
可以进入工件内螺纹小径,但进入量不应超过一个螺距
应通过工件外螺纹大径
不应通过工件外螺纹大径
4.3为了减少检验中发生争议,操作者在制造工件螺纹过程中,应使用新的或者磨损较少的通端螺纹量规和磨损较多或者接近磨损极限的止端螺纹量规。对于检验部门或者用户代表在验收工件螺纹时,应使用磨损较多或者接近磨损极限的通端螺纹量规和新的或者磨损较少的止端螺纹量规。5公差
5.1检验工件外螺纹用的螺纹环规和螺纹环规用的校对螺纹塞规中径公差带图见图1。工件外螺纹中径上偏差
工件外螺纹中径下偏若
5.2检验工件内螺纹用的螺纹塞规中径公差带图见图2。3
工件内螺纹中径上偏差
工件内螺纹中径下偏差
—1999
螺纹量规的中径公差和有关的位置要素值见表3。表3
>10~18
>18~30
>30~50
>50~80
>80~120
螺纹量规的半角公差见表4。
注:螺纹牙型半角的实际偏差可以是正的或负的5.5
螺纹量规的螺距公差见表5。
螺纹量规螺纹部分的长度
>12~30
>30~50
>50~65
>65~80
JB/T1128-1999
工作螺纹量规
校对螺纹量规
注:螺距公差工。适用于螺纹量规长度内任意牙数,实际偏差可以是正的或负的5.6检查工件外螺纹大径用量规尺寸公差带图见图3。T.件外螺纹大径上偏差
T.件外螺纹大径下偏差
5.7检查工件内螺纹小径用量规尺寸公差带图见图4。工件内螺纹小径上偏差
工件内螺纹小径下偏差
5.8检验工件外螺纹大径用光滑环规或卡规及检验工件内螺纹小径用光滑塞规的尺寸公差见表6。5
螺纹量规的螺纹牙型
完整的螺纹牙型
JB/T1128—1999
>10~18
>18~30
>30~50
根据实际情况自行设计
由制造厂
>50-80
本标准对间隙槽和牙底的形状不作规定。6.1.1通端螺纹环规的螺纹牙型见图5。图5
>80~120
6.1.2通端螺纹塞规、校通-通螺纹塞规、校止-通螺纹塞规、校止-止螺纹塞规和校止-损螺纹塞规的螺纹牙型见图6。本标准对间隙槽和牙底的形状不作规定。径
6.2截短的螺纹牙型
6.2.1止端螺纹环规的螺纹牙型见图7。本标准对间隙槽和牙底的形状不作规定6
—1999
6.2.2止端螺纹塞规、校通-止螺纹塞规和校通-损螺纹塞规的螺纹牙型见图8。本标准对间隙槽和牙底的形状不作规定。
截短的螺纹牙型的牙型高度F见表7。表7
7技术要求
螺纹量规的表面不得有明显影响外观和使用质量的缺陷。0.6
7.2螺纹量规应采用合金工具钢等耐磨材料制造,其测量面硬度应不低于53HRC,表面粗糙度R值为0.63μm
螺纹量规应经过稳定性处理。
小提示:此标准内容仅展示完整标准里的部分截取内容,若需要完整标准请到上方自行免费下载完整标准文档。
	 
	        
	      中华人民共和国机械行业标准
JB/T1128—1999
间隙螺纹量规
Clearancescrewthreadgauge
1999-05-20发布
国家机械工业局
2000-01-01实施
JB/T1128-1999
本标准是在B1128—70《间隙螺纹量规公差》的基础上修订的,本标准与JB1128一70的技术内容一致,仅按有关规定重新进行了编辑。本标准自实施之日起代替JB1128—70。本标准由全国量具量仪标准化技术委员会提出并归口。本标准负责起草单位:成都工具研究所。本标准于1970年首次发布。
1范围
中华人民共和国机械行业标准
间隙螺纹量规
Clearance screwthiead gaug
JB/T1128—1999
代替JB1128—70
本标准规定了间隙螺纹量规的产品分类、公差、螺纹牙型、技术要求及标志与包装等本标准适用于检验公称直径为1~120mm、螺距为0.2~2mm粗牙和细牙需形成保证间隙的GB/T197—1981《普通螺纹
公差与配合(直径1~355mm)》用的螺纹量规2
引用标准
下列标准所包含的条文,通过在本标准中引用而构成为本标准的条文。本标准出版时,所示版本均为有效。所有标准都会被修订,使用本标准的各方应探讨使用下列标准最新版本的可能性。公差与配合(直径1~355mm)
GB/T 197—1981
普通螺纹
3符号
本标准中所应用的符号及其代表的名称或意义见表1。表1
分别为工件外螺纹和工件内螺纹的大径分别为工件外螺纹和工件内螺纹的中径为工件内螺纹的小径
工件外螺纹大径公差
工件内螺纹小径公差
或意义
分别为工件外螺纹和工件内螺纹的中径公差在截短牙型的轴向剖面内,牙侧直线部分顶端(向牙顶一侧)和末端(向牙底一侧)之间的距离由通端或止端螺纹环规中径公差带的中心线分别到“校通-通”螺纹塞规或“校止通”螺纹塞规中径公差带中心线之间的距离
螺纹牙型的半角公差
校对螺纹塞规的中径公差
螺纹量规的螺距公差
通端和止端螺纹塞规的中径公差通端和止端螺纹环规的中径公差表1(完)
国家机械工业局1999.05-20批准2000-01-01实施
4产品分类
1128—1999
名称或意义
由通端螺纹环规或塞规中径公差带的中心线到其磨损极限之间的距离由止端螺纹环规或塞规中径公差带的中心线到其磨损极限之间的距离由通端螺纹塞规中径公差带的中心线到工件内螺纹中径下偏差之间的距离由通端螺纹环规中径公差带的中心线到工件外螺纹中径上偏差之间的距离检验工件内螺纹小径的光滑塞规尺寸公差检验工件外螺纹大径用的光滑环规或卡规尺寸公差检验光滑环规或卡规用的校对量规尺寸公差根据使用性能分为工作螺纹量规、验收螺纹量规和校对螺纹量规。4.1
工作螺纹量规:系指操作者在制造工件螺纹过程中所用的螺纹量规。验收螺纹量规:系指检验部门或用户代表在验收工件螺纹时所用的量规校对螺纹量规:系指在制造工作螺纹量规时和检验使用中的工作螺纹量规是否已经磨损所用的量规。
螺纹量规的名称、代号、功能、特征和使用规则见表2。表2
通端螺纹塞规
止端螺纹塞规
通端螺纹环规
止端螺纹环规
校通-通
螺纹塞规
校通-止
螺纹塞规
检查工件内螺纹的作用
中径和大径
检查工件内螺纹的单
检查工件外螺纹的作用bZxz.net
中径和小径
检查工件外螺纹的单
检查新的通端螺纹环规
的作用中径
检查新的通端螺纹环规
的单一中径
完整的
外螺纹牙型
截短的
外螺纹牙型
完整的
内螺纹牙型
截短的
内螺纹牙型
完整的
外螺纹牙型
截短的
外螺纹牙型
表2(完)
使用规则
应与工件内螺纹旋合通过
对于四个或少于四个螺距的工件内螺纹,两端旋合量之和应不超过两个螺距;对于多于四个螺距的工件内螺纹,旋合量应不超过两个螺距
应与工件外螺纹旋合通过
对于四个或少于四个螺距的工件外螺纹,旋合量应不超过两个螺距;
对于多于四个螺距的工件外螺纹,旋合量应不超过3X个螺距
应与新的通端螺纹环规旋合通过与新的通端螺纹环规可以旋合一部分,但不得从另一端旋出
使用规则
校通-损
螺纹塞规
校止-通
螺纹塞规
校止-止
螺纹塞规
校止-损
螺纹塞规
通端光滑塞规
止端光滑塞规
通端光滑环规
或卡规
止端光滑环规
或卡规
1128—1999
检查使用中的通端螺纹
环规单一中径
检查新的止端螺纹环规
单一中径
检查使用中的止端螺纹
环规单一中径
检查工件内螺纹小径
检查工件外螺纹大径
截短的
外螺纹牙型
完整的
外螺纹牙型
外圆柱面
内圆柱面
或平行的
两平面
与使用中的通端螺纹环规可以旋合一部分,但不得从另一端旋出
应与新的止端螺纹环规旋合通过与新的止端螺纹环规可以旋合一部分,但不得从另一端旋出
与使用中的止端螺纹环规可以旋合一部分,但不得从另一端旋出
应通过工件内螺纹小径
可以进入工件内螺纹小径,但进入量不应超过一个螺距
应通过工件外螺纹大径
不应通过工件外螺纹大径
4.3为了减少检验中发生争议,操作者在制造工件螺纹过程中,应使用新的或者磨损较少的通端螺纹量规和磨损较多或者接近磨损极限的止端螺纹量规。对于检验部门或者用户代表在验收工件螺纹时,应使用磨损较多或者接近磨损极限的通端螺纹量规和新的或者磨损较少的止端螺纹量规。5公差
5.1检验工件外螺纹用的螺纹环规和螺纹环规用的校对螺纹塞规中径公差带图见图1。工件外螺纹中径上偏差
工件外螺纹中径下偏若
5.2检验工件内螺纹用的螺纹塞规中径公差带图见图2。3
工件内螺纹中径上偏差
工件内螺纹中径下偏差
—1999
螺纹量规的中径公差和有关的位置要素值见表3。表3
>10~18
>18~30
>30~50
>50~80
>80~120
螺纹量规的半角公差见表4。
注:螺纹牙型半角的实际偏差可以是正的或负的5.5
螺纹量规的螺距公差见表5。
螺纹量规螺纹部分的长度
>12~30
>30~50
>50~65
>65~80
JB/T1128-1999
工作螺纹量规
校对螺纹量规
注:螺距公差工。适用于螺纹量规长度内任意牙数,实际偏差可以是正的或负的5.6检查工件外螺纹大径用量规尺寸公差带图见图3。T.件外螺纹大径上偏差
T.件外螺纹大径下偏差
5.7检查工件内螺纹小径用量规尺寸公差带图见图4。工件内螺纹小径上偏差
工件内螺纹小径下偏差
5.8检验工件外螺纹大径用光滑环规或卡规及检验工件内螺纹小径用光滑塞规的尺寸公差见表6。5
螺纹量规的螺纹牙型
完整的螺纹牙型
JB/T1128—1999
>10~18
>18~30
>30~50
根据实际情况自行设计
由制造厂
>50-80
本标准对间隙槽和牙底的形状不作规定。6.1.1通端螺纹环规的螺纹牙型见图5。图5
>80~120
6.1.2通端螺纹塞规、校通-通螺纹塞规、校止-通螺纹塞规、校止-止螺纹塞规和校止-损螺纹塞规的螺纹牙型见图6。本标准对间隙槽和牙底的形状不作规定。径
6.2截短的螺纹牙型
6.2.1止端螺纹环规的螺纹牙型见图7。本标准对间隙槽和牙底的形状不作规定6
—1999
6.2.2止端螺纹塞规、校通-止螺纹塞规和校通-损螺纹塞规的螺纹牙型见图8。本标准对间隙槽和牙底的形状不作规定。
截短的螺纹牙型的牙型高度F见表7。表7
7技术要求
螺纹量规的表面不得有明显影响外观和使用质量的缺陷。0.6
7.2螺纹量规应采用合金工具钢等耐磨材料制造,其测量面硬度应不低于53HRC,表面粗糙度R值为0.63μm
螺纹量规应经过稳定性处理。
小提示:此标准内容仅展示完整标准里的部分截取内容,若需要完整标准请到上方自行免费下载完整标准文档。
标准图片预览:





- 其它标准
 
- 上一篇: JB/T 7270.1-1994 手柄
 - 下一篇: JB/T 1205-2001 塔盘 技术条件
 
- 热门标准
 - 机械行业标准(JB)
 
- JB/T10288-2001 连栋温室结构
 - JB/T10056-1999 直流电流互感器 技术条件
 - JB/T7895-2008 永磁筒式磁选机
 - JB/T8679-2008 炭弧气刨炭棒 物理及使用性能试验方法
 - JB/T2756-2006 无轨电车用炭滑块
 - JB/T8082-2010 护指键式和护罩式木工平刨床 安全
 - JB/T9580-2008 炭石墨 产品分类及型号编制方法
 - JB/T9713-1999 工程机械 湿式铜基摩擦件 技术条件
 - JB/T3411.50-1999 两爪顶拔器 尺寸
 - JB/T8840-2013 电热器具用电源开关
 - JB/T11340.3-2012 阀控式铅酸蓄电池安全阀 第3部分:橡胶帽、阀芯
 - JB3704-1984 特种调压器用碳电阻片柱电气机械性能试验方法
 - JB/T7140.1-1993 牲畜药浴机械 型式与基本参数
 - JB/T20086-2006 药用容器 料斗
 - JB2664-1980 自动电压调整器用碳电阻片柱
 
- 行业新闻
 
请牢记:“bzxz.net”即是“标准下载”四个汉字汉语拼音首字母与国际顶级域名“.net”的组合。 ©2025 标准下载网 www.bzxz.net 本站邮件:bzxznet@163.com
网站备案号:湘ICP备2025141790号-2
网站备案号:湘ICP备2025141790号-2