- 您的位置:
- 标准下载网 >>
- 标准分类 >>
- 其他行业标准 >>
- JB/T 11880.3-2014柴油机 选择性催化还原(SCR)系统 第3部分:尿素溶液管路
标准号:
JB/T 11880.3-2014
标准名称:
柴油机 选择性催化还原(SCR)系统 第3部分:尿素溶液管路
标准类别:
其他行业标准
标准状态:
现行-
发布日期:
2014-07-09 -
实施日期:
2014-11-01 出版语种:
简体中文下载格式:
.pdf .zip
点击下载
标准简介:
本部分规定了选择性催化还原(SCR)系统中尿素溶液管路及总成的术语和定义、产品型号、性能要求、试验方法、检验规则、标志和标签、包装、运输与贮存的要求。
本部分适用于柴油机及车辆用SCR系统,其它用途的SCR系统亦可参照执行。
部分标准内容:
ICS27.020
备案号:47527—2014
中华人民共和国机械行业标准
JB/T11880.3—2014
柴油机
选择性催化还原(SCR)系统
第3部分:尿素溶液管路
Diesel engines—Selective catalytic reduction (SCR) systems-Part3:Ureasolutionline
2014-07-09发布
2014-11-01实施
中华人民共和国工业和信息化部发布前言
规范性引用文件
术语和定义
产品型号
性能要求
试验方法..
试样准备.免费标准下载网bzxz
外观检验
尺寸公差检验,
爆破压力试验,
负压变形试验
拉伸强度试验,
耐压性能试验
密封性试验,
耐尿素腐蚀性测试
耐燃烧试验..
流量限制试验,
耐老化性试验,
内部清洁度测试
应力开裂试验
加热性能试验
电性能测试
7检验规则
检验分类
出厂检验
抽样检验.
7.4型式检验.
8标志和标签
8.1标志.
8.2标签.
包装、运输与贮存
试验夹具,
产品型号、
性能要求,
(仅限电加热管)
检验和试验项目
JB/T11880.3—2014
JB/T11880.32014
JB/T11880《柴油机选择性催化还原(SCR)系统》分为8个部分:第1部分:通用技术条件;
第2部分:尿素溶液罐;
第3部分:尿素溶液管路;
第4部分:尿素溶液供给泵;
-第5部分:尿素溶液用喷射器;-第6部分:电子控制单元;
第7部分:氮氧化物传感器;
第8部分:选择性催化还原(SCR)转化器。本部分为JB/T11880的第3部分。本部分按照GB/T1.1一2009给出的规则起草。本部分由中国机械工业联合会提出。本部分由全国内燃机标准化技术委员会(SAC/TC177)归口。本部分起草单位:浙江铁马科技股份有限公司、河北亚大汽车塑料制品有限公司、凯龙高科技股份有限公司、潍柴动力股份有限公司、河北亿利橡塑集团有限公司、盖茨液压技术(常州)有限公司、上海内燃机研究所。
本部分主要起草人:苏大辉、杨志强、臧志成、李云强、沈红节、王以良、顾玉智、赵闯、王世荣、王胜先、丁乾坤、杨文忠。
本部分为首次发布。
1范围
柴油机选择性催化还原(SCR)系统第3部分:尿素溶液管路
JB/T11880.3—2014
JB/T11880的本部分规定了选择性催化还原(SCR)系统中尿素溶液管路及总成的术语和定义、产品型号、性能要求、试验方法、检验规则、标志和标签、包装、运输与贮存。本部分适用于柴油机及车辆用SCR系统,其他用途的SCR系统也可参照执行。2规范性引用文件
下列文件对于本文件的应用是必不可少的。凡是注日期的引用文件,仅注日期的版本适用于本文件。凡是不注日期的引用文件,其最新版本(包括所有的修改单)适用于本文件。GB/T2408一2008塑料燃烧性能的测定水平法和垂直法GB/T2828.1计数抽样检验程序第1部分:按接收质量限(AQL)检索的逐批检验抽样计划GB/T2918
GB/T5563
GB/T9572
GB/T9574
GB/T9575
GB/T9577
塑料试样状态调节和试验的标准环境橡胶和塑料软管及软管组合件静液压试验方法橡胶和塑料软管及软管组合件电阻和导电性的测定橡胶和塑料软管及软管组合件试验压力、爆破压力与设计工作压力的比率橡胶和塑料软管软管规格和最大最小内径及切割长度公差橡胶和塑料软管及软管组合件标志、包装和运输规则GB/T16422.3一1997塑料实验室光源暴露试验方法第3部分:荧光紫外灯QC/T80—2011
道路车辆-气制动系统用尼龙(聚酰胺)管QC/T572汽车清洁工作导则测定方法3术语和定义
下列术语和定义适用于本文件。3.1
爆破压力burstpressure
当按相关标准的规定进行试验时,使软管发生破裂的压力。3.2
弯曲半径bendredius
按软管弯曲部分的内侧表面所测量的弯曲部位的半径。3.3
minimumbendredius
最小弯曲半径
软管在使用中可以弯曲的最小规定半径。JB/T11880.3—2014
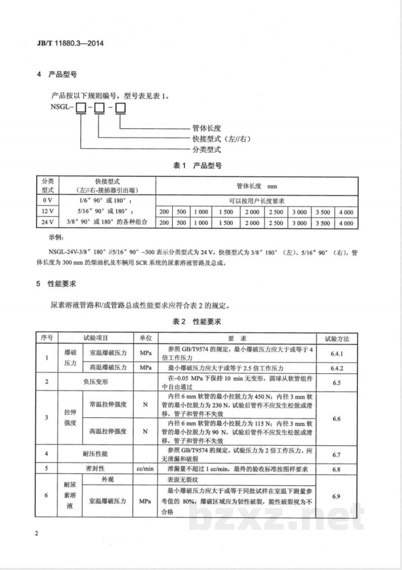
4产品型号
产品按以下规则编号,型号表见表1。NSGL--□-
示例:
快接型式
(左/右-接插器引出端)
1/6\90°或180°;
5/16”90°或180°;
3/8”90°或180°的各种组合
管体长度
快接型式(左/右)
分类型式
表1产品型号
管体长度mm
可以按用户长度要求
NSGL-24V-3/8”180°//5/16”90°-300表示分类型式为24V,快接型式为3/8”180°体长度为300mm的柴油机及车辆用SCR系统的尿素溶液管路及总成。5性能要求
尿素溶液管路和/或管路总成性能要求应符合表2的规定。表2性能要求
试验项目
室温爆破压力
高温爆破压力
负压变形
常温拉伸强度
高温拉伸强度
耐压性能
密封性
室温爆破压力
cc/min
(左)、5/16”90°
(右),管
试验方法
参照GB/T9574的规定,最小爆破压力应大于或等于4倍工作压力
最小爆破压力应大于或等于2.5倍工作压力在-0.05MPa下保持10min无变形,圆球从软管组件中自由通过
内径6mm软管的最小拉脱力为450N;内径3mm软管的最小拉脱力为230N,试验后管件不应发生松脱或滑移,管子和管件不失效
内径6mm软管的最小拉脱力为115N;内径3mm软管的最小拉脱力为90N,试验后管件不应发生松脱或滑移,管子和管件不失效
参照GB/T9574的规定,试验压力为2倍工作压力,应无泄漏和破裂
泄漏量不超过1cc/min,最终的验收标准按图样要求表面无裂纹
最小爆破压力应大于或等于同批试样在室温下测量参考值的80%,爆破区域应为韧性破裂,脆性破裂视为不合格
试验项目
阻燃性
流量限制
耐老化性
室温爆破
内部清洁度
耐应力开裂
解冻性能
加热循环
室温爆破
室温爆破
电性能(仅限电加热管)
6试验方法
6.1试样准备
表2性能要求(续)
符合HB级要求
圆球从软管组件中自由通过
表面无裂纹
JB/T11880.32014
试验方法
最小爆破压力大于或等于在室温下同批试样原始爆破压力的80%,爆破区域应为韧性破裂,脆性破裂视为不合格
不溶物的最大含量为0.15,颗粒的最大直径不得大于300μm
管子或管端应无裂纹
最小爆破压力大于或等于室温下同批试样原始爆破压力的80%,爆破区域应为韧性破裂,脆性破裂视为不合格
符合图样设计要求
管路总成不得有损伤、破裂、变色、结晶等异常现象最小爆破压力大于或等于室温下同批试样原始爆破压力的80%,爆破区域应为韧性破裂,脆性破裂视为不合格
加热电阻值符合图样设计要求
塑料件的试样状态按GB/T2918的规定进行调节。6.2外观检验
采用肉眼观察。在管材内表面取长度为100mm的试样,用剪切工具沿轴向剪开,检查是否存在缺陷。6.3尺寸公差检验
产品尺寸公差要求按GB/T9575的规定执行。6.4爆破压力试验
6.4.1室温爆破压力试验
按GB/T5563的规定执行。
6.4.2高温爆破压力试验
在100℃温度下保持0.5h~1h后,按GB/T5563的规定执行。6.5负压变形试验
6.5.1试样
管件之间长度为300mm的管路总成五根。3
JB/T11880.3—2014
6.5.2试验过程
在室温下,对管路施加-0.05MPa的压力,保持10min,检查有无变形。在测试结束后,一个直径为管子内径的80%的球体可以在软管内部自由通过。6.6拉伸强度试验
试样取管体长度为150mm并装有管接头的管路总成六根。分别测试室温下和100℃高温下的拉脱力;在试验拉力机上以50mm/min的速率通过管接头对管路总成施加轴向拉力,直到出现以下情况,并记录试验数据:接头或连接管与软管分离;
管路总成样件的一个组件破坏、折断或破裂;最大负荷已达到软管的拉伸或伸长极限。6.7耐压性能试验
试样取管件之间软管长度约为300mm的管路总成三根,试验按GB/T5563的规定执行。6.8密封性试验
标准试验温度下,测定管路总成在0.5MPa土0.005MPa空气压力下的泄漏量。6.9耐尿素腐蚀性测试
使用由40%尿素溶液贮槽、尿素泵与连接管组成的管路系统,将试样管路总成串联在该系统中构成封闭循环,贮槽保持在60℃土2℃以上的温度条件下,开启尿素泵,以稳定流量进行1000h循环试验,定期测试尿素溶液的折光率,如超出标准值范围,请及时更换尿素溶液;试验完成后清洗试样,室温停放8h后进行后续试验;后续测试密封性按6.8的规定进行,测试爆破压力按6.4.1的规定进行。6.10耐燃烧试验
试样取长度约为125mm的管子五根。按GB/T2408一2008中试验方法A规定的步骤进行试验。6.11流量限制试验
6.11.1试样
对于给定直径的尿素管,按规定切割试样三根,管体长度按公式(1)计算。L=1.2元Rmin
式中:
L一一为管体长度,单位为毫米(mm);Rmin—最小弯曲半径,单位为毫米(mm)。6.11.2试验过程
将试样置于如图1所示的试验夹具上,当管子安装时,其应在同一水平面内弯曲并且为自由弯曲状态。在室温23℃土2℃的环境下保持管子与试验夹具的位置不变,然后将钢球从尿素管一端放入,检查钢球是否能自由从尿素管另一端通过。钢球的直径应按公式(2)计算。4
式中:
D=0.5×ID±0.05.
D一为钢球直径,单位为毫米(mm);ID
为最小内管内径,单位为毫米(mm)。尿素管
图1试验夹具
6.12耐老化性试验
6.12.1试样
长度约为300mm的管子三根。
2试验设备
紫外线老化试验箱。
6.12.3试验过程
试验过程如下:
a)按GB/T16422.3—1997中暴露方式2的规定进行试验。试验夹具底板
(厚约10mm,乳如图)
JB/T11880.3—2014
(2)
b)取出试样,随后装上端部管件,在此管路总成上按6.4.1的规定进行室温爆破压力试验。6.13内部清洁度测试
按QC/T572的相关规定进行管路总成的内部清洁度测试。6.14应力开裂试验
按QC/T80—2011中8.12规定的要求进行应力开裂试验。6.15加热性能试验
6.15.1试样
取长度为1000mm的管路总成样件三根,以8倍管体外径作为弯曲半径定型成U形。6.15.2试验设备
能进行控制加热的系统装置及可以进行温度控制的恒温箱。5
JB/T11880.3—2014
6.15.3解冻试验
试验过程如下:
a)将埋置有测温装置的管路总成样件放入恒温箱内,并与加热系统连接,通入32.5%的尿素溶液,设定所需的试验温度,起动恒温箱;b)待测温装置的实测温度达到设定试验温度时,起动加热控制仪,直到各测温点温度均达到5℃,记录所需时间。
6.15.4加热循环试验
试验过程如下:
a)将埋置有测温装置的管路总成样件放入恒温箱内,并与加热系统连接,通入32.5%的尿素溶液设定所需的试验温度,起动恒温箱;b)待测温装置的实测温度达到设定温度时,起动加热控制仪,以48h为一循环(其中加热时间为24h,停止加热时间为24h),连续进行20个循环。c)试验完成后,检查管路外观;按6.4.1规定的要求进行室温爆破压力试验。6.16电性能测试(仅限电加热管)按GB/T9572的规定执行,在23℃土2℃的温度和50%土5%的相对湿度下,用欧姆表测量管路总成接插端子的一端到另一端全部的直流电阻。检验规则
7.1检验分类
尿素溶液管路检验分为出厂检验、抽样检验和型式检验。7.2出厂检验
产品出厂前,需经本公司质检部门按本部分的规定进行检验。经检验合格,出具产品检验合格证后方可出厂。出厂检验的检验项目、技术要求和试验方法按表3的规定执行。7.3抽样检验
尿素溶液管路抽样检验的抽样方案和合格质量水平AQL值应由制造厂质量检验部门按GB/T2828.1的有关规定执行,抽样检验的检验项目、要求和试验方法按表3的规定执行。7.4型式检验
7.4.1若有下列情况之一时,应进行型式检验:a)新产品或老产品转厂生产的试制定型鉴定;b)结构、材料、工艺有较大改变,可能影响产品性能;c)产品停产一年后,恢复生产;d)出厂检验结果与上次型式检验结果有较大出入;e)正常生产时,每年进行一次;f)国家质量监督机构提出进行型式检验的要求。7.4.2型式检验的检验项目、技术要求和试验方法按照表3的规定执行。6
尺寸公差
爆破压力
负压变形
拉伸强度
耐压性能
密封性
耐尿素溶液
阻燃性
流量限制
耐老化性
内部清洁度
耐应力开裂
加热性能
电性能
出厂检验
3检验和试验项目
抽样检验
注:“/”为检验项目;“一”为非检验项目。8
标志和标签
型式检验
技术要求
表2的第1项
表2的第2项
表2的第3项
表2的第4项
表2的第5项
表2的第6项
表2的第7项
表2的第8项
表2的第9项
表2的第10项
表2的第11项
表2的第12项
表2的第13项
JB/T11880.3-2014
试验方法
尿素溶液管上的标志应清晰、牢固,不能损伤尿素溶液管的性能和连接元件的功能。标志间距不应超过300mm。尿素溶液管上标志的信息至少应有以下内容:a)本部分的标准编号;
b)尿素溶液管规格:尿素溶液管的内径ID和壁厚,单位为毫米(mm);c)尿素溶液管材料;
d)制造商标记或商标;
e)工作压力;
f)工作温度;
g)生产日期。
8.2标签
标签颜色应与标志不同并对比鲜明。9包装、运输与购存
按GB/T9577的规定执行。
JB/T11880.3-2014
打印日期:2015年5月5日F009A
中华人民共和国
机械行业标准
柴油机选择性催化还原(SCR)系统第3部分:尿素溶液管路
JB/T11880.3—2014
机械工业出版社出版发行
北京市百万庄大街22号
邮政编码:100037
210mm×297mm·0.75印张·19千字2014年12月第1版第1次印刷
定价:15.00元
书号:15111·12570
网址:http://www.cmpbook.com编辑部电话:(010)88379778
直销中心电话:(010)88379693封面无防伪标均为盗版
版权专有
侵权必究
小提示:此标准内容仅展示完整标准里的部分截取内容,若需要完整标准请到上方自行免费下载完整标准文档。
备案号:47527—2014
中华人民共和国机械行业标准
JB/T11880.3—2014
柴油机
选择性催化还原(SCR)系统
第3部分:尿素溶液管路
Diesel engines—Selective catalytic reduction (SCR) systems-Part3:Ureasolutionline
2014-07-09发布
2014-11-01实施
中华人民共和国工业和信息化部发布前言
规范性引用文件
术语和定义
产品型号
性能要求
试验方法..
试样准备.免费标准下载网bzxz
外观检验
尺寸公差检验,
爆破压力试验,
负压变形试验
拉伸强度试验,
耐压性能试验
密封性试验,
耐尿素腐蚀性测试
耐燃烧试验..
流量限制试验,
耐老化性试验,
内部清洁度测试
应力开裂试验
加热性能试验
电性能测试
7检验规则
检验分类
出厂检验
抽样检验.
7.4型式检验.
8标志和标签
8.1标志.
8.2标签.
包装、运输与贮存
试验夹具,
产品型号、
性能要求,
(仅限电加热管)
检验和试验项目
JB/T11880.3—2014
JB/T11880.32014
JB/T11880《柴油机选择性催化还原(SCR)系统》分为8个部分:第1部分:通用技术条件;
第2部分:尿素溶液罐;
第3部分:尿素溶液管路;
第4部分:尿素溶液供给泵;
-第5部分:尿素溶液用喷射器;-第6部分:电子控制单元;
第7部分:氮氧化物传感器;
第8部分:选择性催化还原(SCR)转化器。本部分为JB/T11880的第3部分。本部分按照GB/T1.1一2009给出的规则起草。本部分由中国机械工业联合会提出。本部分由全国内燃机标准化技术委员会(SAC/TC177)归口。本部分起草单位:浙江铁马科技股份有限公司、河北亚大汽车塑料制品有限公司、凯龙高科技股份有限公司、潍柴动力股份有限公司、河北亿利橡塑集团有限公司、盖茨液压技术(常州)有限公司、上海内燃机研究所。
本部分主要起草人:苏大辉、杨志强、臧志成、李云强、沈红节、王以良、顾玉智、赵闯、王世荣、王胜先、丁乾坤、杨文忠。
本部分为首次发布。
1范围
柴油机选择性催化还原(SCR)系统第3部分:尿素溶液管路
JB/T11880.3—2014
JB/T11880的本部分规定了选择性催化还原(SCR)系统中尿素溶液管路及总成的术语和定义、产品型号、性能要求、试验方法、检验规则、标志和标签、包装、运输与贮存。本部分适用于柴油机及车辆用SCR系统,其他用途的SCR系统也可参照执行。2规范性引用文件
下列文件对于本文件的应用是必不可少的。凡是注日期的引用文件,仅注日期的版本适用于本文件。凡是不注日期的引用文件,其最新版本(包括所有的修改单)适用于本文件。GB/T2408一2008塑料燃烧性能的测定水平法和垂直法GB/T2828.1计数抽样检验程序第1部分:按接收质量限(AQL)检索的逐批检验抽样计划GB/T2918
GB/T5563
GB/T9572
GB/T9574
GB/T9575
GB/T9577
塑料试样状态调节和试验的标准环境橡胶和塑料软管及软管组合件静液压试验方法橡胶和塑料软管及软管组合件电阻和导电性的测定橡胶和塑料软管及软管组合件试验压力、爆破压力与设计工作压力的比率橡胶和塑料软管软管规格和最大最小内径及切割长度公差橡胶和塑料软管及软管组合件标志、包装和运输规则GB/T16422.3一1997塑料实验室光源暴露试验方法第3部分:荧光紫外灯QC/T80—2011
道路车辆-气制动系统用尼龙(聚酰胺)管QC/T572汽车清洁工作导则测定方法3术语和定义
下列术语和定义适用于本文件。3.1
爆破压力burstpressure
当按相关标准的规定进行试验时,使软管发生破裂的压力。3.2
弯曲半径bendredius
按软管弯曲部分的内侧表面所测量的弯曲部位的半径。3.3
minimumbendredius
最小弯曲半径
软管在使用中可以弯曲的最小规定半径。JB/T11880.3—2014
4产品型号
产品按以下规则编号,型号表见表1。NSGL--□-
示例:
快接型式
(左/右-接插器引出端)
1/6\90°或180°;
5/16”90°或180°;
3/8”90°或180°的各种组合
管体长度
快接型式(左/右)
分类型式
表1产品型号
管体长度mm
可以按用户长度要求
NSGL-24V-3/8”180°//5/16”90°-300表示分类型式为24V,快接型式为3/8”180°体长度为300mm的柴油机及车辆用SCR系统的尿素溶液管路及总成。5性能要求
尿素溶液管路和/或管路总成性能要求应符合表2的规定。表2性能要求
试验项目
室温爆破压力
高温爆破压力
负压变形
常温拉伸强度
高温拉伸强度
耐压性能
密封性
室温爆破压力
cc/min
(左)、5/16”90°
(右),管
试验方法
参照GB/T9574的规定,最小爆破压力应大于或等于4倍工作压力
最小爆破压力应大于或等于2.5倍工作压力在-0.05MPa下保持10min无变形,圆球从软管组件中自由通过
内径6mm软管的最小拉脱力为450N;内径3mm软管的最小拉脱力为230N,试验后管件不应发生松脱或滑移,管子和管件不失效
内径6mm软管的最小拉脱力为115N;内径3mm软管的最小拉脱力为90N,试验后管件不应发生松脱或滑移,管子和管件不失效
参照GB/T9574的规定,试验压力为2倍工作压力,应无泄漏和破裂
泄漏量不超过1cc/min,最终的验收标准按图样要求表面无裂纹
最小爆破压力应大于或等于同批试样在室温下测量参考值的80%,爆破区域应为韧性破裂,脆性破裂视为不合格
试验项目
阻燃性
流量限制
耐老化性
室温爆破
内部清洁度
耐应力开裂
解冻性能
加热循环
室温爆破
室温爆破
电性能(仅限电加热管)
6试验方法
6.1试样准备
表2性能要求(续)
符合HB级要求
圆球从软管组件中自由通过
表面无裂纹
JB/T11880.32014
试验方法
最小爆破压力大于或等于在室温下同批试样原始爆破压力的80%,爆破区域应为韧性破裂,脆性破裂视为不合格
不溶物的最大含量为0.15,颗粒的最大直径不得大于300μm
管子或管端应无裂纹
最小爆破压力大于或等于室温下同批试样原始爆破压力的80%,爆破区域应为韧性破裂,脆性破裂视为不合格
符合图样设计要求
管路总成不得有损伤、破裂、变色、结晶等异常现象最小爆破压力大于或等于室温下同批试样原始爆破压力的80%,爆破区域应为韧性破裂,脆性破裂视为不合格
加热电阻值符合图样设计要求
塑料件的试样状态按GB/T2918的规定进行调节。6.2外观检验
采用肉眼观察。在管材内表面取长度为100mm的试样,用剪切工具沿轴向剪开,检查是否存在缺陷。6.3尺寸公差检验
产品尺寸公差要求按GB/T9575的规定执行。6.4爆破压力试验
6.4.1室温爆破压力试验
按GB/T5563的规定执行。
6.4.2高温爆破压力试验
在100℃温度下保持0.5h~1h后,按GB/T5563的规定执行。6.5负压变形试验
6.5.1试样
管件之间长度为300mm的管路总成五根。3
JB/T11880.3—2014
6.5.2试验过程
在室温下,对管路施加-0.05MPa的压力,保持10min,检查有无变形。在测试结束后,一个直径为管子内径的80%的球体可以在软管内部自由通过。6.6拉伸强度试验
试样取管体长度为150mm并装有管接头的管路总成六根。分别测试室温下和100℃高温下的拉脱力;在试验拉力机上以50mm/min的速率通过管接头对管路总成施加轴向拉力,直到出现以下情况,并记录试验数据:接头或连接管与软管分离;
管路总成样件的一个组件破坏、折断或破裂;最大负荷已达到软管的拉伸或伸长极限。6.7耐压性能试验
试样取管件之间软管长度约为300mm的管路总成三根,试验按GB/T5563的规定执行。6.8密封性试验
标准试验温度下,测定管路总成在0.5MPa土0.005MPa空气压力下的泄漏量。6.9耐尿素腐蚀性测试
使用由40%尿素溶液贮槽、尿素泵与连接管组成的管路系统,将试样管路总成串联在该系统中构成封闭循环,贮槽保持在60℃土2℃以上的温度条件下,开启尿素泵,以稳定流量进行1000h循环试验,定期测试尿素溶液的折光率,如超出标准值范围,请及时更换尿素溶液;试验完成后清洗试样,室温停放8h后进行后续试验;后续测试密封性按6.8的规定进行,测试爆破压力按6.4.1的规定进行。6.10耐燃烧试验
试样取长度约为125mm的管子五根。按GB/T2408一2008中试验方法A规定的步骤进行试验。6.11流量限制试验
6.11.1试样
对于给定直径的尿素管,按规定切割试样三根,管体长度按公式(1)计算。L=1.2元Rmin
式中:
L一一为管体长度,单位为毫米(mm);Rmin—最小弯曲半径,单位为毫米(mm)。6.11.2试验过程
将试样置于如图1所示的试验夹具上,当管子安装时,其应在同一水平面内弯曲并且为自由弯曲状态。在室温23℃土2℃的环境下保持管子与试验夹具的位置不变,然后将钢球从尿素管一端放入,检查钢球是否能自由从尿素管另一端通过。钢球的直径应按公式(2)计算。4
式中:
D=0.5×ID±0.05.
D一为钢球直径,单位为毫米(mm);ID
为最小内管内径,单位为毫米(mm)。尿素管
图1试验夹具
6.12耐老化性试验
6.12.1试样
长度约为300mm的管子三根。
2试验设备
紫外线老化试验箱。
6.12.3试验过程
试验过程如下:
a)按GB/T16422.3—1997中暴露方式2的规定进行试验。试验夹具底板
(厚约10mm,乳如图)
JB/T11880.3—2014
(2)
b)取出试样,随后装上端部管件,在此管路总成上按6.4.1的规定进行室温爆破压力试验。6.13内部清洁度测试
按QC/T572的相关规定进行管路总成的内部清洁度测试。6.14应力开裂试验
按QC/T80—2011中8.12规定的要求进行应力开裂试验。6.15加热性能试验
6.15.1试样
取长度为1000mm的管路总成样件三根,以8倍管体外径作为弯曲半径定型成U形。6.15.2试验设备
能进行控制加热的系统装置及可以进行温度控制的恒温箱。5
JB/T11880.3—2014
6.15.3解冻试验
试验过程如下:
a)将埋置有测温装置的管路总成样件放入恒温箱内,并与加热系统连接,通入32.5%的尿素溶液,设定所需的试验温度,起动恒温箱;b)待测温装置的实测温度达到设定试验温度时,起动加热控制仪,直到各测温点温度均达到5℃,记录所需时间。
6.15.4加热循环试验
试验过程如下:
a)将埋置有测温装置的管路总成样件放入恒温箱内,并与加热系统连接,通入32.5%的尿素溶液设定所需的试验温度,起动恒温箱;b)待测温装置的实测温度达到设定温度时,起动加热控制仪,以48h为一循环(其中加热时间为24h,停止加热时间为24h),连续进行20个循环。c)试验完成后,检查管路外观;按6.4.1规定的要求进行室温爆破压力试验。6.16电性能测试(仅限电加热管)按GB/T9572的规定执行,在23℃土2℃的温度和50%土5%的相对湿度下,用欧姆表测量管路总成接插端子的一端到另一端全部的直流电阻。检验规则
7.1检验分类
尿素溶液管路检验分为出厂检验、抽样检验和型式检验。7.2出厂检验
产品出厂前,需经本公司质检部门按本部分的规定进行检验。经检验合格,出具产品检验合格证后方可出厂。出厂检验的检验项目、技术要求和试验方法按表3的规定执行。7.3抽样检验
尿素溶液管路抽样检验的抽样方案和合格质量水平AQL值应由制造厂质量检验部门按GB/T2828.1的有关规定执行,抽样检验的检验项目、要求和试验方法按表3的规定执行。7.4型式检验
7.4.1若有下列情况之一时,应进行型式检验:a)新产品或老产品转厂生产的试制定型鉴定;b)结构、材料、工艺有较大改变,可能影响产品性能;c)产品停产一年后,恢复生产;d)出厂检验结果与上次型式检验结果有较大出入;e)正常生产时,每年进行一次;f)国家质量监督机构提出进行型式检验的要求。7.4.2型式检验的检验项目、技术要求和试验方法按照表3的规定执行。6
尺寸公差
爆破压力
负压变形
拉伸强度
耐压性能
密封性
耐尿素溶液
阻燃性
流量限制
耐老化性
内部清洁度
耐应力开裂
加热性能
电性能
出厂检验
3检验和试验项目
抽样检验
注:“/”为检验项目;“一”为非检验项目。8
标志和标签
型式检验
技术要求
表2的第1项
表2的第2项
表2的第3项
表2的第4项
表2的第5项
表2的第6项
表2的第7项
表2的第8项
表2的第9项
表2的第10项
表2的第11项
表2的第12项
表2的第13项
JB/T11880.3-2014
试验方法
尿素溶液管上的标志应清晰、牢固,不能损伤尿素溶液管的性能和连接元件的功能。标志间距不应超过300mm。尿素溶液管上标志的信息至少应有以下内容:a)本部分的标准编号;
b)尿素溶液管规格:尿素溶液管的内径ID和壁厚,单位为毫米(mm);c)尿素溶液管材料;
d)制造商标记或商标;
e)工作压力;
f)工作温度;
g)生产日期。
8.2标签
标签颜色应与标志不同并对比鲜明。9包装、运输与购存
按GB/T9577的规定执行。
JB/T11880.3-2014
打印日期:2015年5月5日F009A
中华人民共和国
机械行业标准
柴油机选择性催化还原(SCR)系统第3部分:尿素溶液管路
JB/T11880.3—2014
机械工业出版社出版发行
北京市百万庄大街22号
邮政编码:100037
210mm×297mm·0.75印张·19千字2014年12月第1版第1次印刷
定价:15.00元
书号:15111·12570
网址:http://www.cmpbook.com编辑部电话:(010)88379778
直销中心电话:(010)88379693封面无防伪标均为盗版
版权专有
侵权必究
小提示:此标准内容仅展示完整标准里的部分截取内容,若需要完整标准请到上方自行免费下载完整标准文档。
标准图片预览:





- 热门标准
- 其他行业标准
- NB/T47042-2014 卧式容器
- JB/T1308.14-2011 PN2500超高压阀门和管件 第14部分:双头螺柱
- FZ/T72008-2015 针织牛仔布
- FZ/T92019-2021 棉纺环锭细纱机牵伸下罗拉
- QB/T4900-2015 双电层电容器纸
- FZ/T01135-2016 纺织品 定量化学分析 聚丙烯纤维与某些其他纤维的混合物
- YS/T278-2011 丁铵黑药
- FZ/T62026-2015 手工粗布床单
- QB/T4883-2015 聚全氟乙丙烯管材
- GJB910-1990 玻璃纤维增强塑料蜂窝夹层结构通用规范
- HG/T3897-2014 分散红S-5B 200%(C.I.分散红343)
- YS/T1101-2016 船舶压缩机零件用铝白铜棒
- FZ/T12074-2022 转杯纺涤纶与棉混纺本色纱
- YS/T990.2-2014 冰铜化学分析方法 第2部分:金量和银量的测定 原子吸收光谱法和火试金法
- YB/T2406-2015 富锰渣
- 行业新闻
请牢记:“bzxz.net”即是“标准下载”四个汉字汉语拼音首字母与国际顶级域名“.net”的组合。 ©2025 标准下载网 www.bzxz.net 本站邮件:bzxznet@163.com
网站备案号:湘ICP备2025141790号-2
网站备案号:湘ICP备2025141790号-2