- 您的位置:
- 标准下载网 >>
- 标准分类 >>
- 其他行业标准 >>
- FZ/T 93070-2010转杯纺纱机 分梳辊轴承
标准号:
FZ/T 93070-2010
标准名称:
转杯纺纱机 分梳辊轴承
标准类别:
其他行业标准
英文名称:
Rotor type open-end spinning machine—Bearing of opening roller标准状态:
已作废-
发布日期:
2011-01-21 -
实施日期:
2011-04-01 -
作废日期:
2023-11-01 出版语种:
简体中文下载格式:
.pdf .zip下载大小:
1.94 MB
标准ICS号:
纺织和皮革技术>>纺织机械>>59.120.10纺纱、加捻和卷曲变形机械中标分类号:
纺织>>纺织机械与器具>>W93纺部机械与器具
替代情况:
被FZ/T 93070-2023代替
点击下载
标准简介:
本标准规定了转杯纺纱机分梳辊轴承的参数、标记、要求、试验方法、检验规则及标志、包装、运输、贮存。
本标准适用于转杯纺纱机分梳辊轴承。
本标准由中国纺织工业协会提出。
本标准由全国纺织机械与附件标准化技术委员会归口。
本标准起草单位:无锡市宏飞工贸有限公司、山西晋中人和纺机轴承有限公司、衡阳纺织机械有限公司、常熟长城轴承有限公司、人本集团有限公司、无锡纺织机械研究所。
本标准主要起草人:吉云飞、侯俊卿、黄喜芝、蔡旭东、丁小玄、张玉红。
下列文件中的条款通过本标准的引用而成为本标准的条款。凡是注日期的引用文件,其随后所有的修改单(不包括勘误的内容)或修订版均不适用于本标准,然而,鼓励根据本标准达成协议的各方研究是否可使用这些文件的最新版本。凡是不注日期的引用文件,其最新版本适用于本标准。
GB/T191 包装储运图示标志
GB/T308—2002 滚动轴承 钢球
GB/T1958 产品几何技术规范(GPS) 形状和位置公差 检测规定
GB/T2828.1—2003 计数抽样检验程序 第1部分:按接收质量限(AQL)检索的逐批检验抽样计划
GB/T6543 运输包装用单瓦楞纸箱和双瓦楞纸箱
GB/T8597 滚动轴承 防锈包装
GB/T18254 高碳铬轴承钢
JB/T1255 高碳铬轴承钢滚动轴承零件 热处理技术条件
JB/T5314 滚动轴承 振动(加速度)测量方法
JB/T6641 滚动轴承 残磁及其评定方法
JB/T7048 滚动轴承零件 工程塑料保持架技术条件
JB/T8921—1999 滚动轴承及其商品零件检验规则
部分标准内容:
中华人民共和国纺织行业标准
FZ/T93070—2010
转杯纺纱机
分梳辊轴承
Rotor type open-end spinning machineBearing of opening roller2010-12-29发布
中华人民共和国工业和信息化部发布
2011-04-01实施
本标准由中国纺织工业协会提出。前言
本标准由全国纺织机械与附件标准化技术委员会归口。FZ/T93070—2010
本标准起草单位:无锡市宏飞工贸有限公司、山西晋中人和纺机轴承有限公司、衡阳纺织机械有限公司、常熟长城轴承有限公司、人本集团有限公司、无锡纺织机械研究所。本标准主要起草人:吉云飞、侯俊卿、黄喜芝、蔡旭东、丁小玄、张玉红。1范围
转杯纺纱机分梳辊轴承
FZ/T93070—2010
本标准规定了转杯纺纱机分梳辊轴承的参数和标记、要求、试验方法、检验规则及标志、包装、运输、存。
本标准适用于转杯纺纱机分梳辊轴承(以下简称“分梳辊轴承”)。2规范性引用文件
下列文件中的条款通过本标准的引用而成为本标准的条款。凡是注日期的引用文件,其随后所有的修改单(不包括勘误的内容)或修订版均不适用于本标准,然而,鼓励根据本标准达成协议的各方研究是否可使用这些文件的最新版本。凡是不注日期的引用文件,其最新版本适用于本标准。GB/T191
包装储运图示标志
GB/T308—2002滚动轴承钢球
GB/T1958产品几何技术规范(GPS))形状和位置公差检测规定
GB/T2828.1一2003计数抽样检验程序第1部分:按接收质量限(AQL)检索的逐批检验抽样计划
GB/T6543
GB/T8597
GB/T18254
JB/T1255
JB/T5314
JB/T6641
JB/T7048
运输包装用单瓦楞纸箱和双瓦楞纸箱滚动轴承防锈包装
高碳铬轴承钢
高碳铬轴承钢滚动轴承零件热处理技术条件滚动轴承振动(加速度)测量方法滚动轴承残磁及其评定方法
滚动轴承零件工程塑料保持架技术条件JB/T8921—1999
3参数和标记
3.1参数
见表1、图1。
外圈直径D
定位圈外径D,
芯轴直径d
芯轴长度1
外圈宽度11
滚动轴承及其商品零件检验规则表1
32.4、33、33.5、34bzxz.net
14、14.12、16
73、74.4、75、76、86.5、89、90、92、94、100、11139、40、43、57.7
外圈端面到芯轴端面距离12
注:表中为常用参数。
14、16.5、16.8、17、18.4、18.8、20、25、27、30.5、30.8单位为毫米
FZ/T93070—2010
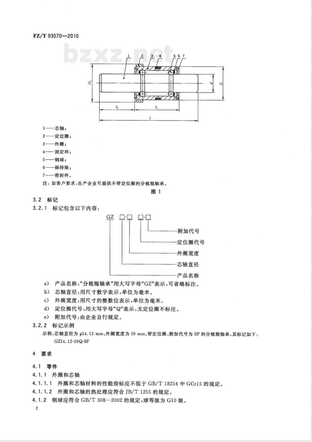
1—芯轴;
定位圈;
3——外圈;
—固定环;
5—钢球;
6—保持架;
7—密封件。
注:如客户要求,生产企业可提供不带定位圈的分梳辊轴承。图1
3.2标记
3.2.1标记包含以下内容:
附加代号
定位圈代号
外圈宽度
芯轴直径
产品名称
a)产品名称:“分梳辊轴承”用大写字母“GZ”表示,可省略标注。b)
芯轴直径:用尺寸数字表示,单位为毫米。c)
外圈宽度:用尺寸的整数位表示,单位为毫米。定位圈代号:用大写字母“Q”表示,无定位圈不标注。d)
附加代号:由企业自行规定。
3.2.2标记示例
示例:芯轴直径为$14.12mm、外圈宽度为39mm、带定位圈、附加代号为SF的分梳辑轴承,其标记如下:GZ14.12-39Q-SF
4要求
4.1零件
4.1.1外圈和芯轴
4.1.1.1外圈和芯轴材料的性能指标应不低于GB/T18254中GCr15的规定。4.1.1.2外圈和芯轴的热处理应符合JB/T1255的规定。4.1.2钢球应符合GB/T308—2002的规定,球等级为G10级。2
4.1.3工程塑料保持架应符合JB/T7048的规定。4.2成套
4.2.1分梳辊轴承的振动加速度级≤48dB。4.2.2分梳辊轴承的残磁强度≤0.4mT。4.2.3分梳辊轴承的径向游隙≤0.015mm。4.2.4芯轴对外圈轴线的径向圆跳动公差0.005mm。4.2.5外圈直径D和芯轴直径d尺寸应符合图纸要求。4.2.6分梳辊轴承应密封良好,无持续漏脂现象。4.2.7分梳辊轴承应旋转灵活、平稳,无阻滞现象。4.2.8固定环的外圆表面应低于外圈的外圆表面。4.2.9定位圈应定位准确,无松动现象。4.2.10分梳辊轴承表面应无锈蚀、磕碰等缺陷。4.2.112
在正常工作条件下,分梳辊轴承平均使用寿命应不低于15000h。5试验方法
5.1外圈和芯轴材料的性能(4.1.1.1)按GB/T18254的规定检测。5.2外圈和芯轴的热处理(4.1.1.2)按JB/T1255的规定检测。5.3钢球(4.1.2)按GB/T308--2002的规定检测。5.4工程塑料保持架(4.1.3)按JB/T7048的规定检测。5.5振动加速度级(4.2.1)按JB/T5314的规定检测。5.6残磁强度(4.2.2)按JB/T6641的规定,用特斯拉计检测。5.7径向游隙(4.2.3)用千分表,按以下方法检测:FZ/T93070—2010
将分梳辊轴承芯轴固定在径向游隙测量仪上(见图2),千分表表头置于轴承的外圈A处(对准滚道),在表头两侧上、下交替施加载荷P为25N,读取千分表的示值差。外圈每转120°测量一次,共测量三次,取其算术平均值,即为A处的径向游隙值。用同样的方法测量B处的径向游隙值,取其中较大值。
5.8芯轴的径向圆跳动(4.2.4)按GB/T1958的规定,以外圈轴线为基准,用千分表检测。5.9外圈直径D和芯轴直径d尺寸(4.2.5),用外径检查仪检测。5.10分梳辊轴承密封性(4.2.6),将分梳辊装在主机或试验台上,在工作转速下运转10min,取下后3
FZ/T93070—2010
将分梳辊轴承表面擦拭干净,再运转10min,目测其表面有无漏脂现象。5.11分梳辊轴承平均使用寿命(4.2.11)按正常工作条件下计算连续使用的时间。5.12其余项目(4.2.7~4.2.10)感官检测。6检验规则
6.1型式检验
在下列情况之时,应进行型式检验:a)
新产品投产鉴定时;
结构、工艺、材料有较大改变时;c)产品长期停产,恢复生产时;d)第三方进行质量检验时。
6.1.2检验项目:见第4章。
6.2出厂检验
6.2.1产品由生产企业的检验部门检验合格后方可出厂,并应附有产品合格证。6.2.2检验项目:见4.2.14.2.10。6.3抽样方法和判定规则
6.3.1零件
按JB/T8921一1999的规定,外圈、芯轴及钢球材料和热处理(硬度、钢球的压碎载荷)为关键6.3.1.1
项目,检验项目、抽检数量和接收质量限AQL,见表2。表2
检验项目
外圈、芯轴及钢球的硬度
钢球的压碎载荷
151~3500
样本数量
按JB/T8921--1999的规定,钢球的检验项目、抽检数量和接收质量限AQL,见表3。表3
检验项目
球直径变动量
球形误差
外观质量
表面粗糙度
6.3.2成套
样本数量
按特殊检验水平S4抽取
501~35000
>35000
按GB/T2828.1一2003的规定,采用正常检验一次抽样方案,从正常检验开始,选用一般检验水平Ⅱ,主要项目的接收质量限AQL为I级1.0、Ⅱ级1.5,次要项目的接收质量限AQL为I级2.5、Ⅱ级4.0,检验项目见表4。
振动加速度级
径向游隙
主要项目
芯轴对外圈轴线的径向圆跳动
外圈直径
芯轴直径
平均使用寿命
6.3.3判定
残磁强度
旋转灵活性
密封性
FZ/T93070—2010
次要项目
固定环和定位圈的安装情况
外观质量
样本经过检验,零件的不合格数均小于拒收数,成套的不合格数均小于I级或Ⅱ级的拒收数,则判定该样本符合标准I级或Ⅱ级要求;反之,判为该样本不符合标准I级或ⅡI级要求。7标志
7.1包装箱的储运图示、标志按GB/T191的规定。7.2分梳辊轴承表面应标识产品标记和生产日期。8包装、运输、贮存
8.1产品的防锈包装按GB/T8597的规定,运输包装按GB/T6543的规定,并有防震措施。8.2瓦楞纸箱在储运过程中应避免雨雪、暴晒、受潮和污染,不得采用有损瓦楞纸箱质量的运输、装卸及工具。
8.3产品出厂后,在良好的防潮及通风贮存条件下,包装箱内产品的防潮防锈有效期自出厂起为一年。FZ/T93070-2010
打印日期:2011年4月15日F008A00中华人民共和国纺织
行业标准
转杯纺纱机分梳辊轴承
FZ/T 93070--2010
中国标准出版社出版发行
北京复兴门外三里河北街16号
邮政编码:100045
网址www.spc.net.cn
电话:6852394668517548
中国标准出版社秦皇岛印刷厂印刷各地新华书店经销
开本880×12301/16印张0.75字数10千字2011年3月第一版
2011年3月第一次印刷
书号:155066·2-21567定价16.00元由本社发行中心调换
如有印装差错
版权专有1
侵权必究
举报电话:(010)68533533
01006/
小提示:此标准内容仅展示完整标准里的部分截取内容,若需要完整标准请到上方自行免费下载完整标准文档。
标准图片预览:





- 其它标准
- 热门标准
- 其他行业标准
- FZ/T54085-2016 阻燃涤纶低弹丝
- FZ/T62035-2017 经编网眼织物复合凉席
- FZ/T54087-2016 粘合活化型涤纶工业长丝
- FZ/T54088-2016 锦纶6全牵伸单丝
- FZ/T54089-2016 有色锦纶6弹力丝
- FZ/T54080-2015 有光异形锦纶66弹力丝
- FZ/T92036-2017 弹簧加压摇架
- YS/T433-2016 银精矿
- FZ/T54082-2015 锦纶6膨体长丝(BCF)
- QB/T4698-2014 家用和类似用途软水机
- QB/T4207-2011 一字槽螺钉旋具头
- FZ/T61002-2019 化纤仿毛毛毯
- T/CMAJY047-2021 加油机在线监督管理规范
- FZ/T73022-2019 针织保暖内衣
- FZ/T52039-2014 再生聚苯硫醚短纤维
- 行业新闻
网站备案号:湘ICP备2025141790号-2