- 您的位置:
- 标准下载网 >>
- 标准分类 >>
- 其他行业标准 >>
- FZ/T 93064-2017棉粗纱机牵伸下罗拉
标准号:
FZ/T 93064-2017
标准名称:
棉粗纱机牵伸下罗拉
标准类别:
其他行业标准
英文名称:
Bottom rollers of drafting systems for cotton roving frame标准状态:
现行-
发布日期:
2017-04-12 -
实施日期:
2017-10-01 出版语种:
简体中文下载格式:
.pdf .zip下载大小:
2.74 MB
标准ICS号:
纺织和皮革技术>>纺织机械>>59.120.10纺纱、加捻和卷曲变形机械中标分类号:
纺织>>纺织机械与器具>>W93纺部机械与器具
替代情况:
替代FZ/T 93064-2006
部分标准内容:
ICS59.120.10
中华人民共和国纺织行业标准
FZ/T93064—2017
代替FZ/T93064—2006
棉粗纱机牵伸下罗拉
Bottom rollers of drafting systems for cotton roving frame2017-04-21发布www.bzxz.net
中华人民共和国工业和信息化部2017-10-01实施
本标准按照GB/T1.1-2009给出的规则起草。FZ/T93064—2017
本标准代替FZ/T93064—2006《棉粗纱机牵伸下罗拉》。与FZ/T93064—2006相比,主要变化如下:
增加了范围中标记和参数,扩大了标准的适用范围(见第一章):删除了“下罗拉的结构型式”,增加了分类、标记(见第3章,2006年版的第3章);增加了原表1中规格及锭距项目,增加了表2中规格(见3.2表1、表2);增加了产品标记(见3.3);
规定了下罗拉使用材料的具体要求(见4.1,2006年版的4.1);提高了下罗拉工作表面的硬度值要求(见4.2,2006年版的4.2);增加了下罗拉表面镀层的要求(见4.3);提高了表3中下罗拉镶接端面表面粗糙度要求(见4.5表3,2006年版的4.3表3);增加了下罗拉轴承颈相关参数及检测(见表3、表4、表5、表6,图3、图4、图5);调整了下罗拉的长度公差要求(见4.6表4,2006年版的4.5表4):提高了下罗拉导柱外圆和导孔内圆径向圆跳动、导柱、导孔端轴向圆跳动及下罗拉工作面外圆径向圆跳动的要求(见4.7表5,2006年版的4.6表5);修改了产品项次合格率判定方法(见6.3.2)。请注意本文件的某些内容可能涉及专利。本文件的发布机构不承担识别这些专利的责任本标准由中国纺织工业联合会提出。本标准由全国纺织机械与附件标准化技术委员会纺纱、染整机械分技术委员会(SAC/TC215/SC1)归口。
本标准起草单位:常州同和纺织机械制造有限公司、国家纺织机械质量监督检验中心、山西经纬纺织机械专件有限公司、东台市润生纺机专件有限公司、上海良纺机械专件有限公司、天津宏大纺织机械有限公司、河北太行纺织机械有限公司、无锡宏源机电科技股份有限公司。本标准主要起草人:高立胜、徐向红、张润丽、潘涛、吴春明、冯广轩、多海山、刘许红。本标准所代替标准的历次版本发布情况为:FZ/T93064-2006。
1范围
棉粗纱机牵伸下罗拉
FZ/T93064—2017
本标准规定了棉粗纱机牵伸下罗拉(以下简称“下罗拉”)的分类、参数与标记、要求、试验方法、检验规则、标志、包装、运输和贮存。本标准适用于棉粗纱机牵伸装置中具有沟槽和滚花形状的下罗拉。2规范性引用文件
下列文件对于本文件的应用是必不可少的。凡是注日期的引用文件,仅注日期的版本适用于本文件。凡是不注日期的引用文件,其最新版本(包括所有的修改单)适用于本文件。GB/T191
包装储运图示标志
GB/T699优质碳素结构钢
GB/T6002.1—2004纺织机械术语第1部分:纺部机械牵伸装置
纺织机械产品包装
FZ/T90001
3分类、参数与标记
3.1分类
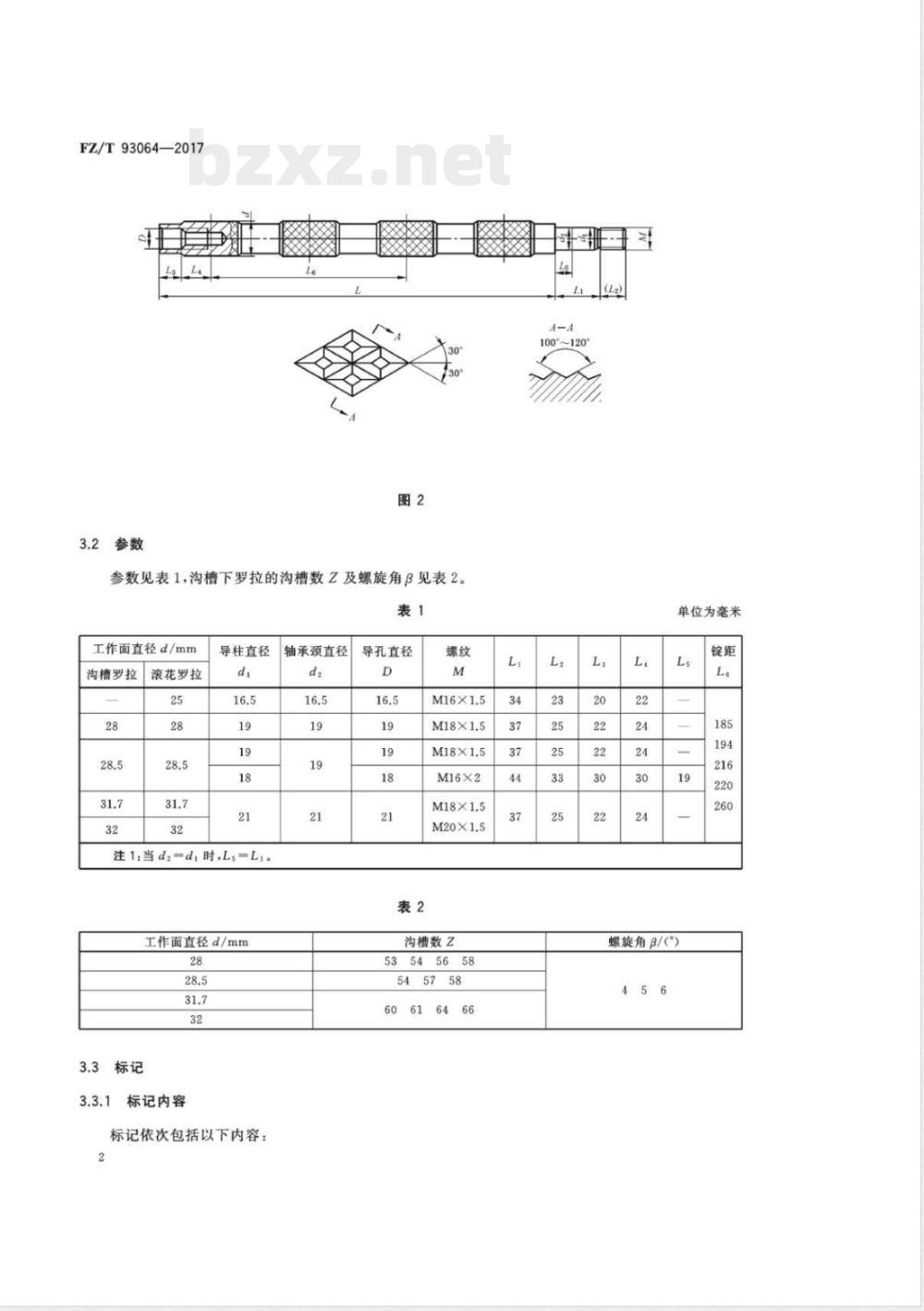
3.1.1按下罗拉的安装位置分为输出下罗拉、中下罗拉和喂人下罗拉。注:输出下罗拉、中下罗拉和喂入下罗拉定义见GB/T6002.1—20043.1.2按下罗拉工作面的表面形状分为沟槽下罗拉(见图1)和滚花下罗拉(见图2)。注:工作面指具有沟槽或滚花形状的外圆表面。L
FZ/T93064—2017
3.2参数
参数见表1,沟槽下罗拉的沟槽数Z及螺旋角β见表2表1
工作面直径d/mm
沟槽罗拉
滚花罗拉
导柱直径
注1当d=d,时,Ls-i.
工作面直径d/mm
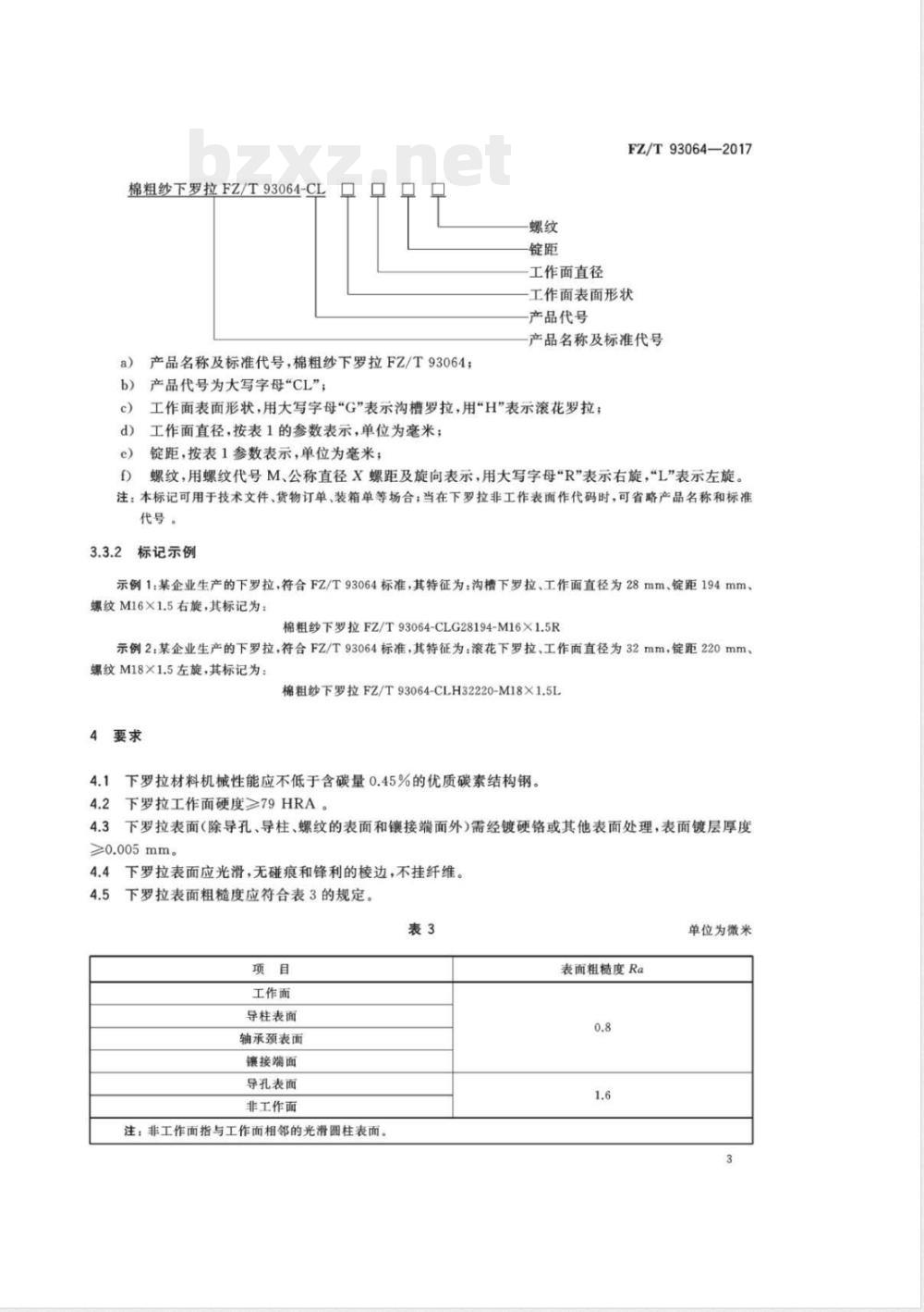
3.3标记
标记内容
标记依次包括以下内容:
轴承颈直径
导孔直径
M16×2
沟槽数Z
53545658
545758
60616466
100°~120°
单位为毫米
螺旋角β/()
棉粗纱下罗拉FZ/T93064-CL
产品名称及标准代号,棉粗纱下罗拉FZ/T93064;产品代号为大写字母“CL”,
工作面直径
FZ/T93064—2017
工作面表面形状
产品代号
产品名称及标准代号
工作面表面形状,用大写字母“G”表示沟槽罗拉,用“H”表示滚花罗拉;工作面直径,按表1的参数表示,单位为毫米;锭距,按表1参数表示,单位为毫米;螺纹,用螺纹代号M、公称直径X螺距及旋向表示,用大写字母“R”表示右旋,“L”表示左旋。注:本标记可用于技术文件、货物订单、装箱单等场合;当在下罗拉非工作表面作代码时,可省略产品名称和标准代号。
标记示例
示例1:某企业生产的下罗拉,符合FZ/T93064标准,其特征为:沟槽下罗拉、工作面直径为28mm、锭距194mm、螺纹M16×1.5右旋,其标记为:棉粗纱下罗拉FZ/T93064-CLG28194-M16X1.5R示例2:某企业生产的下罗拉,符合FZ/T93064标准,其特征为滚花下罗拉、工作面直径为32mm,锭距220mm、螺纹M18×1.5左旋,其标记为:棉粗纱下罗拉FZ/T93064-CLH32220-M18X1.5L4
下罗拉材料机械性能应不低于含碳量0.45%的优质碳素结构钢。下罗拉工作面硬度79HRA。
下罗拉表面(除导孔、导柱、螺纹的表面和镶接端面外)需经镀硬铬或其他表面处理,表面镀层厚度≥0.005mm。
下罗拉表面应光滑,无碰痕和锋利的棱边,不挂纤维。下罗拉表面粗糙度应符合表3的规定。表3
工作面
导柱表面
轴承颈表面
镶接端面
导孔表面
非工作面
注:非工作面指与工作面相邻的光滑圆柱表面。表面粗糙度Ra
单位为微米
FZ/T93064—2017
下罗拉主要部位尺寸的极限偏差应符合表4的规定。表4
工作面直径d
导柱直径d,/轴承颈直径d
导孔直径D
下罗拉长度L
沟槽下罗拉
4.7下罗拉各部位的圆跳动公差见图3,应符合表5的规定。71048
导柱端轴向圆跳动t
导孔端轴向圆跳动t2
导柱外圆径向圆跳动t3
轴承颈径向圆跳动t
导孔内圆径向圆跳动ts
工作面外圆径向圆跳动ts
沟槽下罗拉
4.8沟槽下罗拉齿顶宽6极限偏差士0.03mm。4.9下罗拉各工作面的中心平面对导柱端面的位置度公差1.0mm。极限偏差
单位为毫米
滚花下罗拉
44-日
单位为毫米
滚花下罗拉
任意两节下罗拉镶接并紧(不经校直),与轴承相邻工作面对轴线的径向圆跳动公差为t(见图4),沟槽下罗拉t,为0.10mm,滚花下罗拉t为0.15mm。5试验方法
FZ/T930642017
5.1下罗拉材料(4.1),查验该批产品材料的质量证书;必要时按GB/T699标准的规定检测。5.2下罗拉工作面硬度(4.2),以非工作表面硬度值不低于77HRA进行评定。试验时用洛氏硬度计测量同一截面上相隔180°两点的硬度,两点均不低于77HRA,判符合要求。5.3下罗拉镀层厚度(4.3),用镀层测厚仪测量非工作面镀层的厚度。5.4下罗拉外观质量(4.4)目测检查,用棉纤维在下罗拉表面作轴向擦拭,检验表面是否挂纤维。5.5下罗拉表面粗糙度(4.5),用粗糙度样板比对检验,必要时用粗糙度仪检测。5.6下罗拉主要部位尺寸(4.6),工作面直径用外径千分尺或专用量规检测;导柱、轴承颈、导孔直径用气动量仪检测;下罗拉长度用标准样棒作比较检测,必要时用测长仪检测。5.7下罗拉圆跳动(4.7),将下罗拉放置专用测试台上,按图5所示,用千分表和百分表检测。在测量端面圆跳动时,轴向定位支点与测点的夹角180°,测量示值的1/2为该端面的圆跳动值。图5
5.8沟槽下罗拉齿顶宽(4.8),用万能工具显微镜检验,必要时用轮廊仪检验。5.9下罗拉各工作面的中心平面对导柱端面的位置度公差用专用量具检验(4.9),必要时用万能工具显微镜检测。
5.10镶接跳动(4.10),将任意两节下罗拉镶接,扭矩扳手的力矩为78N·m时并紧。不经校直,按图6所示,用百分表测量轴承相邻的两个工作面对轴线的径向圆跳动,调头镶接共测两次。5
FZ/T93064—2017
检验规则
型式试验
产品在下列情况之一时,应进行型式检验:6.1.1
新产品试制定型鉴定;
结构、材料、工艺有较大改变;c)
产品长期停产两年以上恢复生产时;正常生产定期或积累一定的产量时;第三方进行质量检验时。
检验项目;见第4章。
出厂检验
产品由生产企业的质量检验部门检验,并附有质量合格证。检验项目:见4.2~4.10。
抽样方法和判定原则
检验样本采取随机抽样,抽取下罗拉30节,检验项目、合格率见表6。表6
表面粗糙度
检验项目
工作面硬度
表面镀层厚度
表面质量
工作面
导柱表面
轴承颈表面
镶接表面
导孔表面
非工作面
单项合格率/%
项次合格率/%
下罗拉主要部位
尺寸的极限偏差
下罗拉形位公差
表6(续)
检验项目
工作面直径
导柱直径
轴承颈直径
导孔直径
下罗拉长度
导柱端轴向圆跳动t1
导孔端轴向圆跳动t:
导柱外圆径向圆跳动
轴承颈径向圆跳动t
导孔内圆径向圆跳动ts
工作面外圆径向圆跳动16
沟槽下罗拉齿顶宽公差
下罗拉各工作面的中心平面对导柱端面的位置度公差
任意两节下罗拉镶接并紧,与轴承相邻的工作面对轴线的径向圆跳动公差
单项合格率/%
FZ/T93064-—2017
项次合格率/%
样本经检验,单项合格率、项次合格率均达到本标准的规定,则判定该批产品符合标准要求。反6.3.2
之,判定该批产品不符合标准要求。6.4其他
用户在安装、调整过程中,发现有产品不符合本标准时,由生产企业会同用户共同处理。>
下罗拉非工作面上标识企业或产品代号的标志。包装储运图示标志按GB/T191的规定。包装、运输和贮存
包装按FZ/T90001的规定。
产品在运输过程中,应按规定的起吊位置起吊,包装箱应按规定的朝向安置,不得倾倒。产品出厂后,在良好的防雨及通风贮存条件下,包装箱内的产品防潮、防锈有效期为一年。FZ/T93064-2017
中华人民共和国纺织
行业标准
棉粗纱机牵伸下罗拉
FZ/T93064—2017
中国标准出版社出版发行
北京市朝阳区和平里西街甲2号(100029)北京市西城区三里河北街16号(100045)网址www.spc.net.cn
总编室:(010)68533533发行中心:(010)51780238读者服务部:(010)68523946
中国标准出版社秦皇岛印刷厂印刷各地新华书店经销
开本880×12301/16
2017年9月第一版
印张0.75
字数18千字
2017年9月第一次印刷
书号:155066·2-31761定价16.00元由本社发行中心调换
如有印装差错
版权专有侵权必究
举报电话:(010)68510107
小提示:此标准内容仅展示完整标准里的部分截取内容,若需要完整标准请到上方自行免费下载完整标准文档。
中华人民共和国纺织行业标准
FZ/T93064—2017
代替FZ/T93064—2006
棉粗纱机牵伸下罗拉
Bottom rollers of drafting systems for cotton roving frame2017-04-21发布www.bzxz.net
中华人民共和国工业和信息化部2017-10-01实施
本标准按照GB/T1.1-2009给出的规则起草。FZ/T93064—2017
本标准代替FZ/T93064—2006《棉粗纱机牵伸下罗拉》。与FZ/T93064—2006相比,主要变化如下:
增加了范围中标记和参数,扩大了标准的适用范围(见第一章):删除了“下罗拉的结构型式”,增加了分类、标记(见第3章,2006年版的第3章);增加了原表1中规格及锭距项目,增加了表2中规格(见3.2表1、表2);增加了产品标记(见3.3);
规定了下罗拉使用材料的具体要求(见4.1,2006年版的4.1);提高了下罗拉工作表面的硬度值要求(见4.2,2006年版的4.2);增加了下罗拉表面镀层的要求(见4.3);提高了表3中下罗拉镶接端面表面粗糙度要求(见4.5表3,2006年版的4.3表3);增加了下罗拉轴承颈相关参数及检测(见表3、表4、表5、表6,图3、图4、图5);调整了下罗拉的长度公差要求(见4.6表4,2006年版的4.5表4):提高了下罗拉导柱外圆和导孔内圆径向圆跳动、导柱、导孔端轴向圆跳动及下罗拉工作面外圆径向圆跳动的要求(见4.7表5,2006年版的4.6表5);修改了产品项次合格率判定方法(见6.3.2)。请注意本文件的某些内容可能涉及专利。本文件的发布机构不承担识别这些专利的责任本标准由中国纺织工业联合会提出。本标准由全国纺织机械与附件标准化技术委员会纺纱、染整机械分技术委员会(SAC/TC215/SC1)归口。
本标准起草单位:常州同和纺织机械制造有限公司、国家纺织机械质量监督检验中心、山西经纬纺织机械专件有限公司、东台市润生纺机专件有限公司、上海良纺机械专件有限公司、天津宏大纺织机械有限公司、河北太行纺织机械有限公司、无锡宏源机电科技股份有限公司。本标准主要起草人:高立胜、徐向红、张润丽、潘涛、吴春明、冯广轩、多海山、刘许红。本标准所代替标准的历次版本发布情况为:FZ/T93064-2006。
1范围
棉粗纱机牵伸下罗拉
FZ/T93064—2017
本标准规定了棉粗纱机牵伸下罗拉(以下简称“下罗拉”)的分类、参数与标记、要求、试验方法、检验规则、标志、包装、运输和贮存。本标准适用于棉粗纱机牵伸装置中具有沟槽和滚花形状的下罗拉。2规范性引用文件
下列文件对于本文件的应用是必不可少的。凡是注日期的引用文件,仅注日期的版本适用于本文件。凡是不注日期的引用文件,其最新版本(包括所有的修改单)适用于本文件。GB/T191
包装储运图示标志
GB/T699优质碳素结构钢
GB/T6002.1—2004纺织机械术语第1部分:纺部机械牵伸装置
纺织机械产品包装
FZ/T90001
3分类、参数与标记
3.1分类
3.1.1按下罗拉的安装位置分为输出下罗拉、中下罗拉和喂人下罗拉。注:输出下罗拉、中下罗拉和喂入下罗拉定义见GB/T6002.1—20043.1.2按下罗拉工作面的表面形状分为沟槽下罗拉(见图1)和滚花下罗拉(见图2)。注:工作面指具有沟槽或滚花形状的外圆表面。L
FZ/T93064—2017
3.2参数
参数见表1,沟槽下罗拉的沟槽数Z及螺旋角β见表2表1
工作面直径d/mm
沟槽罗拉
滚花罗拉
导柱直径
注1当d=d,时,Ls-i.
工作面直径d/mm
3.3标记
标记内容
标记依次包括以下内容:
轴承颈直径
导孔直径
M16×2
沟槽数Z
53545658
545758
60616466
100°~120°
单位为毫米
螺旋角β/()
棉粗纱下罗拉FZ/T93064-CL
产品名称及标准代号,棉粗纱下罗拉FZ/T93064;产品代号为大写字母“CL”,
工作面直径
FZ/T93064—2017
工作面表面形状
产品代号
产品名称及标准代号
工作面表面形状,用大写字母“G”表示沟槽罗拉,用“H”表示滚花罗拉;工作面直径,按表1的参数表示,单位为毫米;锭距,按表1参数表示,单位为毫米;螺纹,用螺纹代号M、公称直径X螺距及旋向表示,用大写字母“R”表示右旋,“L”表示左旋。注:本标记可用于技术文件、货物订单、装箱单等场合;当在下罗拉非工作表面作代码时,可省略产品名称和标准代号。
标记示例
示例1:某企业生产的下罗拉,符合FZ/T93064标准,其特征为:沟槽下罗拉、工作面直径为28mm、锭距194mm、螺纹M16×1.5右旋,其标记为:棉粗纱下罗拉FZ/T93064-CLG28194-M16X1.5R示例2:某企业生产的下罗拉,符合FZ/T93064标准,其特征为滚花下罗拉、工作面直径为32mm,锭距220mm、螺纹M18×1.5左旋,其标记为:棉粗纱下罗拉FZ/T93064-CLH32220-M18X1.5L4
下罗拉材料机械性能应不低于含碳量0.45%的优质碳素结构钢。下罗拉工作面硬度79HRA。
下罗拉表面(除导孔、导柱、螺纹的表面和镶接端面外)需经镀硬铬或其他表面处理,表面镀层厚度≥0.005mm。
下罗拉表面应光滑,无碰痕和锋利的棱边,不挂纤维。下罗拉表面粗糙度应符合表3的规定。表3
工作面
导柱表面
轴承颈表面
镶接端面
导孔表面
非工作面
注:非工作面指与工作面相邻的光滑圆柱表面。表面粗糙度Ra
单位为微米
FZ/T93064—2017
下罗拉主要部位尺寸的极限偏差应符合表4的规定。表4
工作面直径d
导柱直径d,/轴承颈直径d
导孔直径D
下罗拉长度L
沟槽下罗拉
4.7下罗拉各部位的圆跳动公差见图3,应符合表5的规定。71048
导柱端轴向圆跳动t
导孔端轴向圆跳动t2
导柱外圆径向圆跳动t3
轴承颈径向圆跳动t
导孔内圆径向圆跳动ts
工作面外圆径向圆跳动ts
沟槽下罗拉
4.8沟槽下罗拉齿顶宽6极限偏差士0.03mm。4.9下罗拉各工作面的中心平面对导柱端面的位置度公差1.0mm。极限偏差
单位为毫米
滚花下罗拉
44-日
单位为毫米
滚花下罗拉
任意两节下罗拉镶接并紧(不经校直),与轴承相邻工作面对轴线的径向圆跳动公差为t(见图4),沟槽下罗拉t,为0.10mm,滚花下罗拉t为0.15mm。5试验方法
FZ/T930642017
5.1下罗拉材料(4.1),查验该批产品材料的质量证书;必要时按GB/T699标准的规定检测。5.2下罗拉工作面硬度(4.2),以非工作表面硬度值不低于77HRA进行评定。试验时用洛氏硬度计测量同一截面上相隔180°两点的硬度,两点均不低于77HRA,判符合要求。5.3下罗拉镀层厚度(4.3),用镀层测厚仪测量非工作面镀层的厚度。5.4下罗拉外观质量(4.4)目测检查,用棉纤维在下罗拉表面作轴向擦拭,检验表面是否挂纤维。5.5下罗拉表面粗糙度(4.5),用粗糙度样板比对检验,必要时用粗糙度仪检测。5.6下罗拉主要部位尺寸(4.6),工作面直径用外径千分尺或专用量规检测;导柱、轴承颈、导孔直径用气动量仪检测;下罗拉长度用标准样棒作比较检测,必要时用测长仪检测。5.7下罗拉圆跳动(4.7),将下罗拉放置专用测试台上,按图5所示,用千分表和百分表检测。在测量端面圆跳动时,轴向定位支点与测点的夹角180°,测量示值的1/2为该端面的圆跳动值。图5
5.8沟槽下罗拉齿顶宽(4.8),用万能工具显微镜检验,必要时用轮廊仪检验。5.9下罗拉各工作面的中心平面对导柱端面的位置度公差用专用量具检验(4.9),必要时用万能工具显微镜检测。
5.10镶接跳动(4.10),将任意两节下罗拉镶接,扭矩扳手的力矩为78N·m时并紧。不经校直,按图6所示,用百分表测量轴承相邻的两个工作面对轴线的径向圆跳动,调头镶接共测两次。5
FZ/T93064—2017
检验规则
型式试验
产品在下列情况之一时,应进行型式检验:6.1.1
新产品试制定型鉴定;
结构、材料、工艺有较大改变;c)
产品长期停产两年以上恢复生产时;正常生产定期或积累一定的产量时;第三方进行质量检验时。
检验项目;见第4章。
出厂检验
产品由生产企业的质量检验部门检验,并附有质量合格证。检验项目:见4.2~4.10。
抽样方法和判定原则
检验样本采取随机抽样,抽取下罗拉30节,检验项目、合格率见表6。表6
表面粗糙度
检验项目
工作面硬度
表面镀层厚度
表面质量
工作面
导柱表面
轴承颈表面
镶接表面
导孔表面
非工作面
单项合格率/%
项次合格率/%
下罗拉主要部位
尺寸的极限偏差
下罗拉形位公差
表6(续)
检验项目
工作面直径
导柱直径
轴承颈直径
导孔直径
下罗拉长度
导柱端轴向圆跳动t1
导孔端轴向圆跳动t:
导柱外圆径向圆跳动
轴承颈径向圆跳动t
导孔内圆径向圆跳动ts
工作面外圆径向圆跳动16
沟槽下罗拉齿顶宽公差
下罗拉各工作面的中心平面对导柱端面的位置度公差
任意两节下罗拉镶接并紧,与轴承相邻的工作面对轴线的径向圆跳动公差
单项合格率/%
FZ/T93064-—2017
项次合格率/%
样本经检验,单项合格率、项次合格率均达到本标准的规定,则判定该批产品符合标准要求。反6.3.2
之,判定该批产品不符合标准要求。6.4其他
用户在安装、调整过程中,发现有产品不符合本标准时,由生产企业会同用户共同处理。>
下罗拉非工作面上标识企业或产品代号的标志。包装储运图示标志按GB/T191的规定。包装、运输和贮存
包装按FZ/T90001的规定。
产品在运输过程中,应按规定的起吊位置起吊,包装箱应按规定的朝向安置,不得倾倒。产品出厂后,在良好的防雨及通风贮存条件下,包装箱内的产品防潮、防锈有效期为一年。FZ/T93064-2017
中华人民共和国纺织
行业标准
棉粗纱机牵伸下罗拉
FZ/T93064—2017
中国标准出版社出版发行
北京市朝阳区和平里西街甲2号(100029)北京市西城区三里河北街16号(100045)网址www.spc.net.cn
总编室:(010)68533533发行中心:(010)51780238读者服务部:(010)68523946
中国标准出版社秦皇岛印刷厂印刷各地新华书店经销
开本880×12301/16
2017年9月第一版
印张0.75
字数18千字
2017年9月第一次印刷
书号:155066·2-31761定价16.00元由本社发行中心调换
如有印装差错
版权专有侵权必究
举报电话:(010)68510107
小提示:此标准内容仅展示完整标准里的部分截取内容,若需要完整标准请到上方自行免费下载完整标准文档。
标准图片预览:





- 其它标准
- 热门标准
- 其他行业标准
- FZ/T54085-2016 阻燃涤纶低弹丝
- FZ/T62035-2017 经编网眼织物复合凉席
- FZ/T54087-2016 粘合活化型涤纶工业长丝
- FZ/T54088-2016 锦纶6全牵伸单丝
- FZ/T54089-2016 有色锦纶6弹力丝
- FZ/T54080-2015 有光异形锦纶66弹力丝
- FZ/T92036-2017 弹簧加压摇架
- YS/T433-2016 银精矿
- FZ/T54082-2015 锦纶6膨体长丝(BCF)
- QB/T4698-2014 家用和类似用途软水机
- QB/T4207-2011 一字槽螺钉旋具头
- FZ/T61002-2019 化纤仿毛毛毯
- T/CMAJY047-2021 加油机在线监督管理规范
- FZ/T73022-2019 针织保暖内衣
- FZ/T52039-2014 再生聚苯硫醚短纤维
- 行业新闻
请牢记:“bzxz.net”即是“标准下载”四个汉字汉语拼音首字母与国际顶级域名“.net”的组合。 ©2025 标准下载网 www.bzxz.net 本站邮件:bzxznet@163.com
网站备案号:湘ICP备2025141790号-2
网站备案号:湘ICP备2025141790号-2