- 您的位置:
- 标准下载网 >>
- 标准分类 >>
- 其他行业标准 >>
- FZ/T 93069-2021转杯纺纱机 转杯轴承
标准号:
FZ/T 93069-2021
标准名称:
转杯纺纱机 转杯轴承
标准类别:
其他行业标准
英文名称:
Rotor type open-end spinning machine—Bearing of rotor标准状态:
现行-
发布日期:
2021-04-19 -
实施日期:
2021-07-01 出版语种:
简体中文下载格式:
.pdf .zip
标准ICS号:
纺织和皮革技术>>纺织机械>>59.120.10纺纱、加捻和卷曲变形机械中标分类号:
纺织>>纺织机械与器具>>W93纺部机械与器具
替代情况:
替代FZ/T 93069-2010
部分标准内容:
ICS59. 120.10
中华人民共和国纺织行业标准
FZ/T93069—2021
代替FZ/T
93069-2010
转杯纺纱机
转杯轴承
Rotor type open-end spinning machineBearing of rotor2021-04-19发布
中华人民共和国工业和信息化部发布
2021-07-01实施
1范围
转杯纺纱机转杯轴承
FZ/T93069—2021
本标准规定了转杯纺纱机转杯轴承的参数和标记、要求、试验方法、检验规则和标志、包装、运输、贮存。
本标准适用于转杯纺纱机转杯轴承(以下简称“转杯轴承”)。2规范性引用文件
下列文件对于本文件的应用是必不可少的。凡是注日期的引用文件,仅注日期的版本适用于本文件。凡是不注日期的引用文件,其最新版本(包括所有的修改单)适用于本文件。GB/T191
包装储运图示标志
GB/T308.1一2013滚动轴承球第1部分:钢球GB/T308.2—2010滚动轴承球第2部分:陶瓷球GB/T1958
产品几何技术规范(GPS)几何公差检测与验证GB/T2828.1一2012计数抽样检验程序第1部分:按接收质量限(AQL)检索的逐批检验抽样计划
GB/T6543
GB/T8597
运输包装用单瓦楞纸箱和双瓦楞纸箱滚动轴承防锈包装
182542016高碳铬轴承钢
24608—2009
滚动轴承及其商品零件检验规则32325一2015滚动轴承深沟球轴承振动(速度)技术条件GB/T
32333一2015滚动轴承振动(加速度)测量方法及技术条件GB/T34891
JB/T4037
JB/T6641
JB/T7048
3参数和标记
3.1参数
滚动轴承高碳铬轴承钢零件热处理技术条件滚动轴承
滚动轴承
滚动轴承
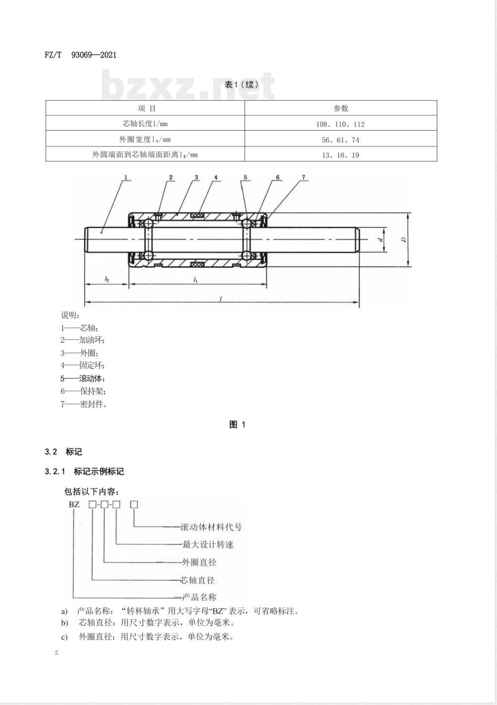
参数见表1、图1。
酚醛层压布管保持架技术条件
残磁及其评定方法
工程塑料保持架技术条件
设计转速/(r/min)
外圆直径D/mm
芯轴直径d/mm
≤15×10
22、34
8.9、10、12、12.2
FZ/T93069—2021
芯轴长度1/mm
外圈宽度11/mm
外圆端面到芯轴端面距离12/mm
说明:
芯轴;
-加油环;
3——外圈;
固定环;
5—滚动体:
保持架;
密封件。
3.2标记
3.2.1标记示例标记
包括以下内容:
表1(续)
滚动体材料代号
最大设计转速
外圈直径
芯轴直径
产品名称
产品名称:“转杯轴承”用大写字母\BZ”表示,可省略标注。芯轴直径:用尺寸数字表示,单位为毫米。外圈直径:用尺寸数字表示,单位为毫米。参数
108、110、112
56、61、74
13、18、19
d)最大设计转速:用nx10*r/min表示,n为1~2位数字。e)滚动体材料代号:陶瓷球用“T”表示,钢球不标注。3.2.2标记示例
FZ/T93069—2021
示例:芯轴直径为Φ8.9mm、外圈直径为Φ22mm、设计转速为7×104r/min和滚动体为陶瓷的转杯轴承,其标记为:BZ8.9-22-7T
4要求
4.1零件
4.1.1外圈和芯轴
4.1.1.1外圈、芯轴材料的性能指标应不低于GB/T18254一2016中GCr15的规定。
4.1.1.2外圈、芯轴的热处理应符合GB/T34891规定。4.1.2滚动体
4.1.2.1钢球应不低于GB/T308.1—2013中G5级钢球规定的要求。4.1.2.2陶瓷球应不低于GB/T308.2一2010中G5级陶瓷球规定的要求。4.1.3保持架
4.1.3.1工程塑料保持架应符合JB/T7048的规定4.1.3.2酚醛层压布管保持架应符合JB/T4037的规定。4.2成套
4.2.1转杯轴承的振动加速度级≤42dB。4.2.2转杯轴承的振动速度应符合表2的规定表2
速度类型
频率范围
50Hz~300Hz
300 Hz~1800 Hz
Hz~10000
4.2.3转杯轴承的残磁强度(带磁性零件的轴承除外)≤0.4mT。4.2.4转杯轴承的温升≤25℃。
4.2.5转杯轴承的径向游隙0.003mm~0.015mm。4.2.6芯轴对外圈轴线的径向圆跳动公差0.005mm。4.2.7外圈直径D、芯轴直径d尺寸应符合图纸要求规定公差。4.2.8转杯轴承应旋转灵活、平稳、无阻滞现象。4.2.9转杯轴承内应加注润滑脂(油),并可补充加注。4.2.10转杯轴承应密封良好,无持续漏脂现象。4.2.11
加油环和固定环的外圆不应高于轴承外圈的表面。转杯轴承的表面应无锈蚀、磕碰等痕迹振动速度
≤60μm/s
≤40μm/s
FZ/T93069—2021
4.2.13在正常工作条件下,最大设计转速内,转杯轴承运转9000h.其失效率应≤5%。5试验方法
外圈、芯轴材料的性能(4.1.1.1)按GB/T18254一2016的规定检测。5.1
外圈、芯轴材料的热处理(4.1.1.2)按GB/T34891的规定检测。5.2
5.3滚动体(4.1.2)按GB/T308.1—2013和GB/T308.2—2010中G5级的规定检测。5.4工程塑料保持架(4.1.3.1)按JB/T7048的规定检测。5.5酚醛层压布管保持架(4.1.3.2)按JB/T4037的规定检测。5.6
转杯轴承的振动加速度级(4.2.1)按GB/T32333一2015的规定检测。5.7wwW.bzxz.Net
转杯轴承的振动速度(4.2.2)按GB/T32325一2015的规定检测5.8残磁强度(4.2.3)用特斯拉计,按JB/T6641的规定检测。5.9轴承温升(4.2.4)用接触式测温仪,在下列条件下检测:装上适配的杯头后,在试验台上进行检测;a)
龙带张力:20N;
测试转速:转杯轴承设计转速的80%;c)
运转时间:2h。
5.10径向游隙(4.2.5)用千分表,按以下方法检测:将转杯轴承芯轴固定在径向游隙测量仪上(见图2),千分表表头置于轴承的外圈A处(对准滚道),在表头两侧上、下交替施加载荷P为25N,读取于分表的示值差。外圈每转120。测量一次,共测量3次,取其算术平均值,即为A处的径向游隙值。用同样的方法测量B处的径向游隙值,取其中较大值。A
5.11芯轴的的径向圆跳动公差(4.2.6),按GB/T1958B
的规定。以外圈轴线为基准,用千分表检测。5.12外圈直径D、芯轴直径d尺寸(4.2.7)用外径检查仪或杠杆于分尺检测5.13转杯轴承密封的密封性(4.2.10),将转杯装在主机或试验台上,在工作转速下运转10min,取下后将转杯轴承表面擦拭干净,再运转10min,目测其表面有无漏脂现象。5.14转杯轴承的失效率(4.2.13),在正常使用、保养条件下计算连续使用的时间。5.15其余项目(4.2.8、4.2.9、4.2.11、4.2.12)感官检测。4
检验规则
型式检验
在下列情况之一时,应进行型式试验:生产过程中,如结构、材料、工艺有较大改变,可能影响产品性能时;a)
新产品鉴定或老产品转厂定型生产时;出厂检验结果与上次型式检验有较大差异时;产品停产两年以上恢复生产时;d)
第三方进行质量检验时。
检验项目:第4章。
6.2出厂检验
FZ/T93069—2021
6.2.1产品由生产企业的质量检验部门检验合格后方可出厂,并应附有产品合格证。6.2.2检验项目:4.2.1~4.2.12。抽样方法和判定原则
6.3.1零件
6.3.1.1按GB/T24608一2009的规定,外圆、芯轴及钢球的材料和热处理(硬度、钢球的压碎载荷)为关键项目,检验项目、抽检数量和接收质量限AQL,见表3。表3
检验项目
外圈、芯轴及钢球的硬度
外国、芯轴及钢球的材料
钢球的压碎载荷
151~3500
样本数量
308.1—2013和GB/T308.2—2010的规定,钢球(或陶瓷钢球)的检验项目、抽检数6.3.1.2
按GB/T
量和接收质量限AOL,见表4。
检验项目
球直径变动量
球形误差
外观质量
表面粗糙度
样本数量
按特殊检验水平抽取
501~3500
FZ/T93069—2021
6.3.2成套
按GB/T2828.1一2012的规定,采用正常检验一次抽样方案,从正常检验开始,选用一般检验水平x,接收质量限AQL为y,检验项目见表5和表6。表5
6.3.3判定
振动加速度
振动速度
径向游隙
芯轴对外圆轴线的径向圆跳动
外圈直径D
芯轴直径d
平均使用寿命
残磁强度
旋转灵活
润滑性能
密封性能
加油杯和固定环的安装质量
外观质量
主要项目
次要项目
样本经检验,若不合格品数小于拒收数,则判定该批样本符合标准要求;反之,判定该样本不符合标准要求。
6.4其他
产品出厂1年内,用户厂在进行安装、调试中发现有不符合本标准时,由制造方负责会同使用方共同处理。
7标志
包装箱的储运图示、标志按GB/T1917.1
的规定,
转杯轴承表面应标识产品标记和生产日期。8包装、运输、购存
FZ/T93069—2021
8.1产品的防锈包装按GB/T8597的规定,运输、包装按GB/T6543的规定,并有防震措施。8.2瓦楞纸箱在储运过程中应避免雨雪、暴晒、受潮和污染,不得采用有损纸箱的运输、装卸及工具。产品出厂后,在良好的防潮及通风贮存条件下,包装箱内产品的防潮防锈有效期自出厂起为1年。8.3
小提示:此标准内容仅展示完整标准里的部分截取内容,若需要完整标准请到上方自行免费下载完整标准文档。
中华人民共和国纺织行业标准
FZ/T93069—2021
代替FZ/T
93069-2010
转杯纺纱机
转杯轴承
Rotor type open-end spinning machineBearing of rotor2021-04-19发布
中华人民共和国工业和信息化部发布
2021-07-01实施
1范围
转杯纺纱机转杯轴承
FZ/T93069—2021
本标准规定了转杯纺纱机转杯轴承的参数和标记、要求、试验方法、检验规则和标志、包装、运输、贮存。
本标准适用于转杯纺纱机转杯轴承(以下简称“转杯轴承”)。2规范性引用文件
下列文件对于本文件的应用是必不可少的。凡是注日期的引用文件,仅注日期的版本适用于本文件。凡是不注日期的引用文件,其最新版本(包括所有的修改单)适用于本文件。GB/T191
包装储运图示标志
GB/T308.1一2013滚动轴承球第1部分:钢球GB/T308.2—2010滚动轴承球第2部分:陶瓷球GB/T1958
产品几何技术规范(GPS)几何公差检测与验证GB/T2828.1一2012计数抽样检验程序第1部分:按接收质量限(AQL)检索的逐批检验抽样计划
GB/T6543
GB/T8597
运输包装用单瓦楞纸箱和双瓦楞纸箱滚动轴承防锈包装
182542016高碳铬轴承钢
24608—2009
滚动轴承及其商品零件检验规则32325一2015滚动轴承深沟球轴承振动(速度)技术条件GB/T
32333一2015滚动轴承振动(加速度)测量方法及技术条件GB/T34891
JB/T4037
JB/T6641
JB/T7048
3参数和标记
3.1参数
滚动轴承高碳铬轴承钢零件热处理技术条件滚动轴承
滚动轴承
滚动轴承
参数见表1、图1。
酚醛层压布管保持架技术条件
残磁及其评定方法
工程塑料保持架技术条件
设计转速/(r/min)
外圆直径D/mm
芯轴直径d/mm
≤15×10
22、34
8.9、10、12、12.2
FZ/T93069—2021
芯轴长度1/mm
外圈宽度11/mm
外圆端面到芯轴端面距离12/mm
说明:
芯轴;
-加油环;
3——外圈;
固定环;
5—滚动体:
保持架;
密封件。
3.2标记
3.2.1标记示例标记
包括以下内容:
表1(续)
滚动体材料代号
最大设计转速
外圈直径
芯轴直径
产品名称
产品名称:“转杯轴承”用大写字母\BZ”表示,可省略标注。芯轴直径:用尺寸数字表示,单位为毫米。外圈直径:用尺寸数字表示,单位为毫米。参数
108、110、112
56、61、74
13、18、19
d)最大设计转速:用nx10*r/min表示,n为1~2位数字。e)滚动体材料代号:陶瓷球用“T”表示,钢球不标注。3.2.2标记示例
FZ/T93069—2021
示例:芯轴直径为Φ8.9mm、外圈直径为Φ22mm、设计转速为7×104r/min和滚动体为陶瓷的转杯轴承,其标记为:BZ8.9-22-7T
4要求
4.1零件
4.1.1外圈和芯轴
4.1.1.1外圈、芯轴材料的性能指标应不低于GB/T18254一2016中GCr15的规定。
4.1.1.2外圈、芯轴的热处理应符合GB/T34891规定。4.1.2滚动体
4.1.2.1钢球应不低于GB/T308.1—2013中G5级钢球规定的要求。4.1.2.2陶瓷球应不低于GB/T308.2一2010中G5级陶瓷球规定的要求。4.1.3保持架
4.1.3.1工程塑料保持架应符合JB/T7048的规定4.1.3.2酚醛层压布管保持架应符合JB/T4037的规定。4.2成套
4.2.1转杯轴承的振动加速度级≤42dB。4.2.2转杯轴承的振动速度应符合表2的规定表2
速度类型
频率范围
50Hz~300Hz
300 Hz~1800 Hz
Hz~10000
4.2.3转杯轴承的残磁强度(带磁性零件的轴承除外)≤0.4mT。4.2.4转杯轴承的温升≤25℃。
4.2.5转杯轴承的径向游隙0.003mm~0.015mm。4.2.6芯轴对外圈轴线的径向圆跳动公差0.005mm。4.2.7外圈直径D、芯轴直径d尺寸应符合图纸要求规定公差。4.2.8转杯轴承应旋转灵活、平稳、无阻滞现象。4.2.9转杯轴承内应加注润滑脂(油),并可补充加注。4.2.10转杯轴承应密封良好,无持续漏脂现象。4.2.11
加油环和固定环的外圆不应高于轴承外圈的表面。转杯轴承的表面应无锈蚀、磕碰等痕迹振动速度
≤60μm/s
≤40μm/s
FZ/T93069—2021
4.2.13在正常工作条件下,最大设计转速内,转杯轴承运转9000h.其失效率应≤5%。5试验方法
外圈、芯轴材料的性能(4.1.1.1)按GB/T18254一2016的规定检测。5.1
外圈、芯轴材料的热处理(4.1.1.2)按GB/T34891的规定检测。5.2
5.3滚动体(4.1.2)按GB/T308.1—2013和GB/T308.2—2010中G5级的规定检测。5.4工程塑料保持架(4.1.3.1)按JB/T7048的规定检测。5.5酚醛层压布管保持架(4.1.3.2)按JB/T4037的规定检测。5.6
转杯轴承的振动加速度级(4.2.1)按GB/T32333一2015的规定检测。5.7wwW.bzxz.Net
转杯轴承的振动速度(4.2.2)按GB/T32325一2015的规定检测5.8残磁强度(4.2.3)用特斯拉计,按JB/T6641的规定检测。5.9轴承温升(4.2.4)用接触式测温仪,在下列条件下检测:装上适配的杯头后,在试验台上进行检测;a)
龙带张力:20N;
测试转速:转杯轴承设计转速的80%;c)
运转时间:2h。
5.10径向游隙(4.2.5)用千分表,按以下方法检测:将转杯轴承芯轴固定在径向游隙测量仪上(见图2),千分表表头置于轴承的外圈A处(对准滚道),在表头两侧上、下交替施加载荷P为25N,读取于分表的示值差。外圈每转120。测量一次,共测量3次,取其算术平均值,即为A处的径向游隙值。用同样的方法测量B处的径向游隙值,取其中较大值。A
5.11芯轴的的径向圆跳动公差(4.2.6),按GB/T1958B
的规定。以外圈轴线为基准,用千分表检测。5.12外圈直径D、芯轴直径d尺寸(4.2.7)用外径检查仪或杠杆于分尺检测5.13转杯轴承密封的密封性(4.2.10),将转杯装在主机或试验台上,在工作转速下运转10min,取下后将转杯轴承表面擦拭干净,再运转10min,目测其表面有无漏脂现象。5.14转杯轴承的失效率(4.2.13),在正常使用、保养条件下计算连续使用的时间。5.15其余项目(4.2.8、4.2.9、4.2.11、4.2.12)感官检测。4
检验规则
型式检验
在下列情况之一时,应进行型式试验:生产过程中,如结构、材料、工艺有较大改变,可能影响产品性能时;a)
新产品鉴定或老产品转厂定型生产时;出厂检验结果与上次型式检验有较大差异时;产品停产两年以上恢复生产时;d)
第三方进行质量检验时。
检验项目:第4章。
6.2出厂检验
FZ/T93069—2021
6.2.1产品由生产企业的质量检验部门检验合格后方可出厂,并应附有产品合格证。6.2.2检验项目:4.2.1~4.2.12。抽样方法和判定原则
6.3.1零件
6.3.1.1按GB/T24608一2009的规定,外圆、芯轴及钢球的材料和热处理(硬度、钢球的压碎载荷)为关键项目,检验项目、抽检数量和接收质量限AQL,见表3。表3
检验项目
外圈、芯轴及钢球的硬度
外国、芯轴及钢球的材料
钢球的压碎载荷
151~3500
样本数量
308.1—2013和GB/T308.2—2010的规定,钢球(或陶瓷钢球)的检验项目、抽检数6.3.1.2
按GB/T
量和接收质量限AOL,见表4。
检验项目
球直径变动量
球形误差
外观质量
表面粗糙度
样本数量
按特殊检验水平抽取
501~3500
FZ/T93069—2021
6.3.2成套
按GB/T2828.1一2012的规定,采用正常检验一次抽样方案,从正常检验开始,选用一般检验水平x,接收质量限AQL为y,检验项目见表5和表6。表5
6.3.3判定
振动加速度
振动速度
径向游隙
芯轴对外圆轴线的径向圆跳动
外圈直径D
芯轴直径d
平均使用寿命
残磁强度
旋转灵活
润滑性能
密封性能
加油杯和固定环的安装质量
外观质量
主要项目
次要项目
样本经检验,若不合格品数小于拒收数,则判定该批样本符合标准要求;反之,判定该样本不符合标准要求。
6.4其他
产品出厂1年内,用户厂在进行安装、调试中发现有不符合本标准时,由制造方负责会同使用方共同处理。
7标志
包装箱的储运图示、标志按GB/T1917.1
的规定,
转杯轴承表面应标识产品标记和生产日期。8包装、运输、购存
FZ/T93069—2021
8.1产品的防锈包装按GB/T8597的规定,运输、包装按GB/T6543的规定,并有防震措施。8.2瓦楞纸箱在储运过程中应避免雨雪、暴晒、受潮和污染,不得采用有损纸箱的运输、装卸及工具。产品出厂后,在良好的防潮及通风贮存条件下,包装箱内产品的防潮防锈有效期自出厂起为1年。8.3
小提示:此标准内容仅展示完整标准里的部分截取内容,若需要完整标准请到上方自行免费下载完整标准文档。
标准图片预览:





- 其它标准
- 热门标准
- 其他行业标准
- FZ/T54085-2016 阻燃涤纶低弹丝
- FZ/T62035-2017 经编网眼织物复合凉席
- FZ/T54087-2016 粘合活化型涤纶工业长丝
- FZ/T54088-2016 锦纶6全牵伸单丝
- FZ/T54089-2016 有色锦纶6弹力丝
- FZ/T54080-2015 有光异形锦纶66弹力丝
- FZ/T92036-2017 弹簧加压摇架
- YS/T433-2016 银精矿
- FZ/T54082-2015 锦纶6膨体长丝(BCF)
- QB/T4698-2014 家用和类似用途软水机
- QB/T4207-2011 一字槽螺钉旋具头
- FZ/T61002-2019 化纤仿毛毛毯
- T/CMAJY047-2021 加油机在线监督管理规范
- FZ/T73022-2019 针织保暖内衣
- FZ/T52039-2014 再生聚苯硫醚短纤维
- 行业新闻
请牢记:“bzxz.net”即是“标准下载”四个汉字汉语拼音首字母与国际顶级域名“.net”的组合。 ©2025 标准下载网 www.bzxz.net 本站邮件:bzxznet@163.com
网站备案号:湘ICP备2025141790号-2
网站备案号:湘ICP备2025141790号-2