- 您的位置:
- 标准下载网 >>
- 标准分类 >>
- 机械行业标准(JB) >>
- JB/T 7050-1993 滚动轴承 清洁度及评定方法
标准号:
JB/T 7050-1993
标准名称:
滚动轴承 清洁度及评定方法
标准类别:
机械行业标准(JB)
英文名称:
Rolling bearing cleanliness and evaluation method标准状态:
已作废-
发布日期:
1993-09-23 -
实施日期:
1994-07-01 -
作废日期:
2005-11-01 出版语种:
简体中文下载格式:
.rar.pdf下载大小:
1.30 MB
替代情况:
被JB/T 7050-2005代替
部分标准内容:
中华人民共和国机械行业标准
JB/T 7050-1993
滚动轴承
清洁度及评定方法
1993-09-23发布
中华人民共和国机械工业部
1994-07-01实施
中华人民共和国机械行业标准
滚动轴承
清洁度及评定方法
主题内容与适用范围
本标准规定了滚动轴承(轴承外径≤180mm)成品的清洁度要求。本标准适用于制造厂对各公差等级轴承清洁度的检验。2定义
轴承清洁度是指经有效清洗后,对仍残留在轴承成品中污物的控制指标,3技术要求
JB/T7050-1993
经检查合格、油封后的成品轴承,其清洁度由允许的平均每套含污量指标予以评定:G、E、D级公差的滚动轴承,其允许平均每套含污量不应超过表1的规定:C级轴承的限值为表1所列同尺寸段数值0.7倍,B级轴承为0.5倍。
表1滚动轴承允许平均含污量W
轴承公称
外径D
深沟球轴承
8、9、0
机械工业部1993-09-23批准
闭式深沟球轴承
直径系列
带止动槽深沟
球轴承
平均每套轴承内含污量的最大允许值1.2
双列深沟
球轴承
mg/套
1994-07-01实施
轴承公称
外径D
轴承公称
外径D
角接触球轴承
调心球轴承
JB/T7050-1993
续表1
双列角接触球轴承
直径系列
单向推力球轴承
平均每套轴承内含污量的最大允许值2.4
圆柱衰子轴承
双列围柱
漆子轴承
圆锥衰子轴承
直径系
平均每套轴承内含污
量的最
大允许值
双向推力球轴承
mg/套
双列圆锥
滚子辅承
调心滚子轴承
0、1、23
mg/套
轴承公称
外径D
测试条件
调心球轴承
JB/T7050-1993
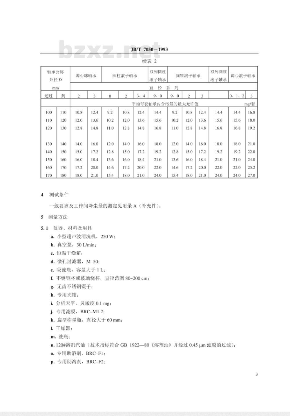
续表2
圆柱滚子轴承
双列园柱
滚子轴承
圆锥滚子轴承
平均每套轴承内含污量的最大允许值12.4
般要求及工作间降尘量的测定见附录A(补充件)。5测量方法
仪器、材料及用具
a.小型超声波清洗机,250W:
b.真空泵,30L/min;
c.恒温干燥箱:
d.微孔过滤器,M-50;
e.吸滤瓶,容量大于1L;
f.不锈钢杯或玻璃烧杯,直径范围80-200cm;g.无齿不锈钢镊子;
h.专用夹钳:
i.分析天平,灵敏度0.1mg;
j.专用滤膜,BRC-M1.2:
k.扁型称量瓶,直径大于60mm;1.干燥器;
m.洗瓶:
双列圆锥
滚子轴承
调心滚子轴承
0、1、2
mg/套
n.120#溶剂汽油(技术指标符合GB1922—80《溶剂油》并经过0.45um滤膜的过滤);0.专用助溶剂,BRC-F1;
P.专用助溶剂,BRC-F2:
q离心机,BRC-800。
5.2测试
JB/T7050-1993
5.2.1用镊子取2张BRC-M1.2专用滤膜(1张作为控制用)放入半开若称量瓶中,在90±5℃的恒温干燥箱中恒温干燥30min。
5.2.2用镊子从恒温干燥箱内取出称量瓶并开着放入干燥器中冷却30min,然后用镊子取出滤膜,分别称其重量并记下数据,记作P试1,P控1。5.2.3根据轴承的大小及批量选取试样轴承的数量,但试样轴承不得少于5套,5.2.4根据试样轴承的大小及数量,选取适当大小的干净容器,放入全部试样轴承并加入适量的120#溶剂汽油,对试样轴承进行除油及脱脂,放置时间为2h。5.2.5根据试样轴承的大小,选取两只适当大小的干净烧杯,分别加入等量的120#溶剂汽油,溶剂的量最少不得小于200mL,烧杯中落剂的深度取为一套试样轴承宽度的两倍为宜。5.2.6将两只加有溶剂的烧杯同时放入超声波清洗机的清洗槽内(槽内注入槽容积三分之一以上的水),杯底与槽底的距离控制在10~25mm为宜。5.2.7用专用夹钳取试样轴承一套先后平放于两只烧杯中清洗,清洗时间各为1min。5.2.8用专用夹钳将试样轴承从第二只烧杯中取出,用装有120#溶剂汽油的洗瓶喷洗轴承试样1-2次,洗液收入另一干净的烧杯中。5.2.9重复第5.2.7和5.2.8条步骤,直至一组试样轴承都被清洗干净,然后将烧杯从清洗槽中取出。5.2.10用镀子从称量瓶中取出已经称重的两张专用滤膜,放入干净的120溶剂汽油中,充分湿润后安放于微孔过滤器的网板上,上膜为试验滤膜,下膜为控制滤膜,连接吸滤瓶及真空泵系统5.2.11将按第5.2.4条步骤对试样轴承进行除油处理而得到的内含防锈油及少量污物的120#溶剂汽油的容器放入超声滤清洗机中,在超声波的作用下逐步加入BRC-F1溶剂(润滑脂采用BRC-F2),超声搅拌5min,直至溶液中的繁状物全部溶解成一透明体系为止。5.2.12开动离心机将经第5.2.11条步骤处理过的溶液离心分离2min,然后开动真空泵在真空减压的条件下将上述溶液进行真空过滤,然后用洗瓶喷洗容器内壁及底部2~3次,洗液也减压过滤。5.2.13将按第5.2.9条步骤对一组试样轴承进行超声清洗处理而得到含少量防锈油及大量污物的120#溶剂汽油的烧杯放入超声波清洗机中,在超声波的作用下逐步加入BRC-F1溶剂(润滑脂采用BRCF2),超声搅拌5min,直至溶液中的繁状物全部溶解成一透明体系为止。5.2.14开动离心机,将经第5.2.11条步骤处理过的溶液离心分离2min,然后开动真空泵在真空减压的条件下将上述落液进行真空过滤(第5.2.12条步骤相同的滤膜),然后用洗瓶喷洗烧杯的内壁及底部2-3次,洗液也减压过滤。
5.2.15用洗瓶喷淋洗涤过滤器内壁及底部2~3次,然后将过滤器卸下,取出控制滤膜及试验滤膜。5.2.16重复第5.2.1和5.2.2条步骤对试验后的滤膜进行干燥,冷却和称重,并记下数据记作P试2P控2°
根据下式计算出平均轴承内总含污量值WW-(Pta -Ptl)-(Pa2 -Pam) 100
式中:W平均轴承内总含污量,mg/套:4
JB/T7050-1993
P试2—试验后试验滤膜的重量,g:P试1——试验前试验滤膜的重量,g;P控2—试验后控制滤膜的重量,g:P控试验前控制滤膜的重量,g:N试样轴承的数量,套;
1000系数(1000mg=1g)。
5.2.18若按第5.2.11及5.2.13条步骤处理溶液中仍有繁状物存在,则W不能视为正确的数据,并应在报告中示明。
检验规则
轴承清洁度的检验由制造厂质量检验部门负责进行、抽样
外径小于或等于45mm的球轴承每一规格抽查20套;外径大于45mm、小于或等于80mm的球轴承抽查10套:滚子轴承及外径超过80mm的球轴承每一规格抽查5套。5
一般要求
JB/T7050-1993
附录A
一般要求及工作问降尘量的测定(补充件)
A1.1为了保证测定精度,需要设置清洁的专门工作间。工作间要有良好的防尘措施,室内降尘量不得超过40mg/m2。
A1.2试验用的器具必须预先清洗干净,并用干净的白绸布擦试,擦试后白绸布上不允许出现脏。A1.3操作者工作时应穿清洁的工作服、鞋、帽及手套。A2工作间降尘量的测定
A2.1器具
a,白盘(3000mmx250mm)或玻璃板;b.微孔过滤装置,M-50型。
A2.2测试
A2.2.1将表面涂有机油的白瓷盘(一个或多个)放于工作间内,并记录开始时间。A2.2.2
24h后,用120#溶剂汽油将白瓷盘上的降落物全部洗净过滤洗液、烘干、称量,见第3.2.2.2测试的相应部分。A2.2.3
A2.2.4按式(A1)计算
W, =Wpy / Sp
-24h降尘量,mg/m2;
式中:W下载标准就来标准下载网
Wp——白瓷盘内降落总质量,mg;Sp——白瓷盘接尘面积,m2。
附加说明:
本标准由滚动轴承行业标准化技术委员会提出,本标准由机械工业部洛阳轴承研究所归口。本标准由杭州轴承试验研究中心负责起草。本标准主要起草人薛进、盛咸熙。6
(A1)
人民共
机械行业标准
滚动轴承
清洁度及评定方法
JB/T 70501993
机械科学研究院出版发行
机械科学研究院印刷
(北京首体南路2号
邮编100044)
开本880×12301/16
印张5/8字数12.000
1994年5月第一版
1994年5月第一次印刷
印数1-500
定价6.00元
机械工业标准服务网:http://www.JB.ac.cn
小提示:此标准内容仅展示完整标准里的部分截取内容,若需要完整标准请到上方自行免费下载完整标准文档。
JB/T 7050-1993
滚动轴承
清洁度及评定方法
1993-09-23发布
中华人民共和国机械工业部
1994-07-01实施
中华人民共和国机械行业标准
滚动轴承
清洁度及评定方法
主题内容与适用范围
本标准规定了滚动轴承(轴承外径≤180mm)成品的清洁度要求。本标准适用于制造厂对各公差等级轴承清洁度的检验。2定义
轴承清洁度是指经有效清洗后,对仍残留在轴承成品中污物的控制指标,3技术要求
JB/T7050-1993
经检查合格、油封后的成品轴承,其清洁度由允许的平均每套含污量指标予以评定:G、E、D级公差的滚动轴承,其允许平均每套含污量不应超过表1的规定:C级轴承的限值为表1所列同尺寸段数值0.7倍,B级轴承为0.5倍。
表1滚动轴承允许平均含污量W
轴承公称
外径D
深沟球轴承
8、9、0
机械工业部1993-09-23批准
闭式深沟球轴承
直径系列
带止动槽深沟
球轴承
平均每套轴承内含污量的最大允许值1.2
双列深沟
球轴承
mg/套
1994-07-01实施
轴承公称
外径D
轴承公称
外径D
角接触球轴承
调心球轴承
JB/T7050-1993
续表1
双列角接触球轴承
直径系列
单向推力球轴承
平均每套轴承内含污量的最大允许值2.4
圆柱衰子轴承
双列围柱
漆子轴承
圆锥衰子轴承
直径系
平均每套轴承内含污
量的最
大允许值
双向推力球轴承
mg/套
双列圆锥
滚子辅承
调心滚子轴承
0、1、23
mg/套
轴承公称
外径D
测试条件
调心球轴承
JB/T7050-1993
续表2
圆柱滚子轴承
双列园柱
滚子轴承
圆锥滚子轴承
平均每套轴承内含污量的最大允许值12.4
般要求及工作间降尘量的测定见附录A(补充件)。5测量方法
仪器、材料及用具
a.小型超声波清洗机,250W:
b.真空泵,30L/min;
c.恒温干燥箱:
d.微孔过滤器,M-50;
e.吸滤瓶,容量大于1L;
f.不锈钢杯或玻璃烧杯,直径范围80-200cm;g.无齿不锈钢镊子;
h.专用夹钳:
i.分析天平,灵敏度0.1mg;
j.专用滤膜,BRC-M1.2:
k.扁型称量瓶,直径大于60mm;1.干燥器;
m.洗瓶:
双列圆锥
滚子轴承
调心滚子轴承
0、1、2
mg/套
n.120#溶剂汽油(技术指标符合GB1922—80《溶剂油》并经过0.45um滤膜的过滤);0.专用助溶剂,BRC-F1;
P.专用助溶剂,BRC-F2:
q离心机,BRC-800。
5.2测试
JB/T7050-1993
5.2.1用镊子取2张BRC-M1.2专用滤膜(1张作为控制用)放入半开若称量瓶中,在90±5℃的恒温干燥箱中恒温干燥30min。
5.2.2用镊子从恒温干燥箱内取出称量瓶并开着放入干燥器中冷却30min,然后用镊子取出滤膜,分别称其重量并记下数据,记作P试1,P控1。5.2.3根据轴承的大小及批量选取试样轴承的数量,但试样轴承不得少于5套,5.2.4根据试样轴承的大小及数量,选取适当大小的干净容器,放入全部试样轴承并加入适量的120#溶剂汽油,对试样轴承进行除油及脱脂,放置时间为2h。5.2.5根据试样轴承的大小,选取两只适当大小的干净烧杯,分别加入等量的120#溶剂汽油,溶剂的量最少不得小于200mL,烧杯中落剂的深度取为一套试样轴承宽度的两倍为宜。5.2.6将两只加有溶剂的烧杯同时放入超声波清洗机的清洗槽内(槽内注入槽容积三分之一以上的水),杯底与槽底的距离控制在10~25mm为宜。5.2.7用专用夹钳取试样轴承一套先后平放于两只烧杯中清洗,清洗时间各为1min。5.2.8用专用夹钳将试样轴承从第二只烧杯中取出,用装有120#溶剂汽油的洗瓶喷洗轴承试样1-2次,洗液收入另一干净的烧杯中。5.2.9重复第5.2.7和5.2.8条步骤,直至一组试样轴承都被清洗干净,然后将烧杯从清洗槽中取出。5.2.10用镀子从称量瓶中取出已经称重的两张专用滤膜,放入干净的120溶剂汽油中,充分湿润后安放于微孔过滤器的网板上,上膜为试验滤膜,下膜为控制滤膜,连接吸滤瓶及真空泵系统5.2.11将按第5.2.4条步骤对试样轴承进行除油处理而得到的内含防锈油及少量污物的120#溶剂汽油的容器放入超声滤清洗机中,在超声波的作用下逐步加入BRC-F1溶剂(润滑脂采用BRC-F2),超声搅拌5min,直至溶液中的繁状物全部溶解成一透明体系为止。5.2.12开动离心机将经第5.2.11条步骤处理过的溶液离心分离2min,然后开动真空泵在真空减压的条件下将上述溶液进行真空过滤,然后用洗瓶喷洗容器内壁及底部2~3次,洗液也减压过滤。5.2.13将按第5.2.9条步骤对一组试样轴承进行超声清洗处理而得到含少量防锈油及大量污物的120#溶剂汽油的烧杯放入超声波清洗机中,在超声波的作用下逐步加入BRC-F1溶剂(润滑脂采用BRCF2),超声搅拌5min,直至溶液中的繁状物全部溶解成一透明体系为止。5.2.14开动离心机,将经第5.2.11条步骤处理过的溶液离心分离2min,然后开动真空泵在真空减压的条件下将上述落液进行真空过滤(第5.2.12条步骤相同的滤膜),然后用洗瓶喷洗烧杯的内壁及底部2-3次,洗液也减压过滤。
5.2.15用洗瓶喷淋洗涤过滤器内壁及底部2~3次,然后将过滤器卸下,取出控制滤膜及试验滤膜。5.2.16重复第5.2.1和5.2.2条步骤对试验后的滤膜进行干燥,冷却和称重,并记下数据记作P试2P控2°
根据下式计算出平均轴承内总含污量值WW-(Pta -Ptl)-(Pa2 -Pam) 100
式中:W平均轴承内总含污量,mg/套:4
JB/T7050-1993
P试2—试验后试验滤膜的重量,g:P试1——试验前试验滤膜的重量,g;P控2—试验后控制滤膜的重量,g:P控试验前控制滤膜的重量,g:N试样轴承的数量,套;
1000系数(1000mg=1g)。
5.2.18若按第5.2.11及5.2.13条步骤处理溶液中仍有繁状物存在,则W不能视为正确的数据,并应在报告中示明。
检验规则
轴承清洁度的检验由制造厂质量检验部门负责进行、抽样
外径小于或等于45mm的球轴承每一规格抽查20套;外径大于45mm、小于或等于80mm的球轴承抽查10套:滚子轴承及外径超过80mm的球轴承每一规格抽查5套。5
一般要求
JB/T7050-1993
附录A
一般要求及工作问降尘量的测定(补充件)
A1.1为了保证测定精度,需要设置清洁的专门工作间。工作间要有良好的防尘措施,室内降尘量不得超过40mg/m2。
A1.2试验用的器具必须预先清洗干净,并用干净的白绸布擦试,擦试后白绸布上不允许出现脏。A1.3操作者工作时应穿清洁的工作服、鞋、帽及手套。A2工作间降尘量的测定
A2.1器具
a,白盘(3000mmx250mm)或玻璃板;b.微孔过滤装置,M-50型。
A2.2测试
A2.2.1将表面涂有机油的白瓷盘(一个或多个)放于工作间内,并记录开始时间。A2.2.2
24h后,用120#溶剂汽油将白瓷盘上的降落物全部洗净过滤洗液、烘干、称量,见第3.2.2.2测试的相应部分。A2.2.3
A2.2.4按式(A1)计算
W, =Wpy / Sp
-24h降尘量,mg/m2;
式中:W下载标准就来标准下载网
Wp——白瓷盘内降落总质量,mg;Sp——白瓷盘接尘面积,m2。
附加说明:
本标准由滚动轴承行业标准化技术委员会提出,本标准由机械工业部洛阳轴承研究所归口。本标准由杭州轴承试验研究中心负责起草。本标准主要起草人薛进、盛咸熙。6
(A1)
人民共
机械行业标准
滚动轴承
清洁度及评定方法
JB/T 70501993
机械科学研究院出版发行
机械科学研究院印刷
(北京首体南路2号
邮编100044)
开本880×12301/16
印张5/8字数12.000
1994年5月第一版
1994年5月第一次印刷
印数1-500
定价6.00元
机械工业标准服务网:http://www.JB.ac.cn
小提示:此标准内容仅展示完整标准里的部分截取内容,若需要完整标准请到上方自行免费下载完整标准文档。
标准图片预览:





- 热门标准
- 机械行业标准(JB)
- JB/T7893.1-1999 立式振动离心机
- JB/T7899-1999 填充聚四氟乙烯软带导轨 技术条件
- JB/T7938-1999 液压泵站油箱公称容量系列
- JB/T1625-2002 工业锅炉焊接管孔
- JB/T7850-1995 手夹快换接头
- JB/T8009.4-1999 机床夹具零件及部件 弧形压块
- JB/T7936-1999 直廓环面蜗杆减速器
- JB/T7939-1999 单活塞杆液压缸两腔面积比
- JB/T7941.2-1995 旋入式圆形油杯
- JB/T7946.2-1999 铸造铝硅合金过烧
- JB/T7925.2-1995 滑动轴承 多层轴承减摩合金硬度检验方法
- JB/T6375-1992 气动阀用橡胶密封圈 尺寸系列和公差
- JB/T7945-1999 灰铸铁机械性能试验方法
- JB/T7966.3-1999 模具铣刀 第 3 部分:莫氏锥柄圆柱形球头立铣刀
- JB/T7946.3-1999 铸造铝合金针孔
- 行业新闻
请牢记:“bzxz.net”即是“标准下载”四个汉字汉语拼音首字母与国际顶级域名“.net”的组合。 ©2025 标准下载网 www.bzxz.net 本站邮件:bzxznet@163.com
网站备案号:湘ICP备2025141790号-2
网站备案号:湘ICP备2025141790号-2