- 您的位置:
 - 标准下载网 >>
 - 标准分类 >>
 - 机械行业标准(JB) >>
 - JB/T 6989-2002 旋盘圆锥破碎机
 
标准号:
JB/T 6989-2002
标准名称:
旋盘圆锥破碎机
标准类别:
机械行业标准(JB)
英文名称:
Rotary cone crusher标准状态:
现行- 
          	
发布日期:
2002-07-16 - 
		 
实施日期:
2002-12-01 出版语种:
简体中文下载格式:
.rar.pdf下载大小:
201.92 KB
标准ICS号:
采矿和矿产品>>73.120矿产加工设备中标分类号:
矿业>>矿山机械设备>>D94破碎、粉磨设备
替代情况:
JB/T 6989-1993
点击下载
标准简介:
										 标准下载解压密码:www.bzxz.net
					 					 
						 
	        
	      本标准规定了旋盘圆锥破碎机的型式与基本参数、技术要求、检验方法与检验规则、标志、包装运输和贮存。 JB/T 6989-2002 旋盘圆锥破碎机 JB/T6989-2002
部分标准内容:
					
					ICS73.120
中华人民共和国机械行业标准
JB/T6989—2002
代替JB/T69891993
旋盘圆锥破碎机
Gyradiscconecrusher
2002-07-16发布
2002-12-01实施
中华人民共和国国家经济贸易委员会发布前言
规范性引用文件...
型式与基本参数
技术要求.
4.1一般要求,
4.2主要零件的技术要求
4.3装配要求,
4.4空负荷试车要求
4.5负荷试车要求
4.6安全要求...Www.bzxZ.net
破碎机成套供应范围
5试验方法与检验规则
6标志、包装、运输和贮存
JB/T69892002
本标准代替JB/T6989—-1993《旋盘圆锥破碎机》。本标准与JB/T6989--1993相比主要变化如下:在破碎机的基本参数表中,增加了PYX-一0613和PYX-0619两个规格:一在破碎机的基本参数表中,增加了最大给料粒度参数:--在空负荷试车要求中,将连续空负荷试车时间由4h改为2h:JB/T6989--2002
-在空负荷试车要求中,破碎圆锥自转转速由不大于10r/min改为不大于15r/min:在主要零件的技术要求中,增加了考核等件的使用寿命要求:在主要零件的技术要求中,增加了对主轴、机架探伤要求;在主要等件的技术要求中,增加了对铸件、焊接件、切削加工件要求:本标准由中国机裁工业联合会提出。本标准由全国矿山机械标准化技术委员会(SAC/TC88)归口。本标准起章单位:沈阳重型机械集团有限责任公司。本标准主要起草人:易伟民、郭明。1范围
旋盘圆锥破碎机
JB/T 6989-2002
本标准规定了旅盘圆锥破碎机的型式与基本参数、技术要求、试验方法与检验规则、标志、包装运输和忙存。
本标准适用于破碎抗压强度300MPa以下各种矿石或岩石的旋盘圆锥破碎机(以下简称破碎机),2规范性引用文件
下列文件中的条款通过本标准的引用而成为本标准的条款。凡是注日期的引用文件,其随后所有的修改单(不包括勘误的内容)或修订版均不适用于本标准,然而,鼓励根据本标准达成协议的各方研究是否可使用这些文件的最新版本,凡是不注日期的引用文件,其最新版本适用于本标准,GB/T191—2000包装储运图示标志(eqVISO780:1997)GB/T3768一1996声学声压法测定噪声源声功率级反射面上方采用包络测量表面的简易法(eqv ISO 3746:1995)
JB/T5000.3—1998-1
重型机械通用技术条件焊接件
JB/T 5000.6-—1998
JB/T5000.9—1998
JB/T 5000.13—1998
JB/T5000.14—1998
JB/T5000.15—1998
3型式与基本参数
重型机械通用技术条件铸钢件
重型机械通用技术条件切削加工件重型机械通用技术条件包装
重型机械通用技术条件铸钢件无损探伤重型机械通用技术条件
锻钢件无损探伤
3.1破碎机的型式见图1,该图不确定破碎机的结构。O
JB/T6989—2002
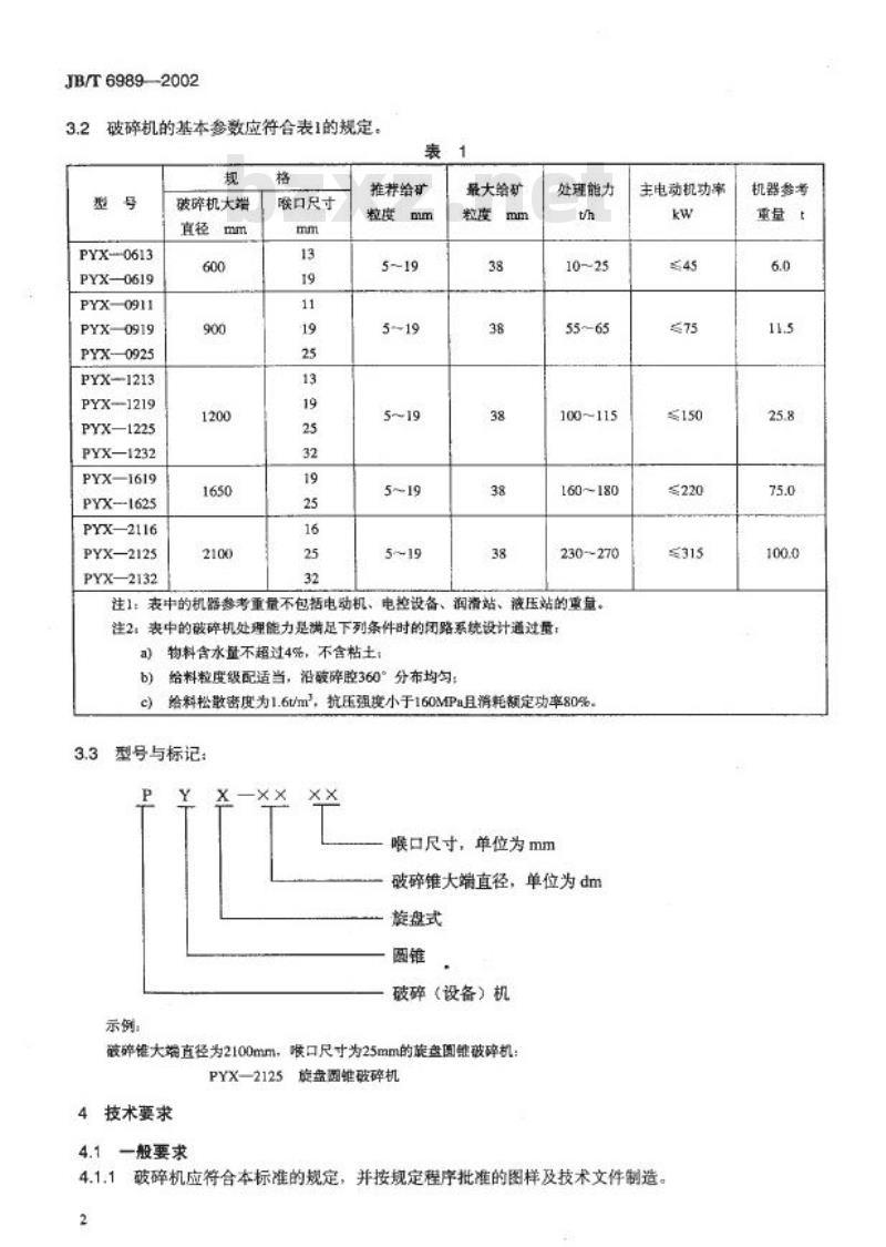
破碎机的基本参数应符合表1的规定:规
PYX--0613
PYX—0619
PYX—0911
PYX—0919
PYX-—0925
PYX—1213
PYX-1219
PYX—1225
PYX—1232
PYX—1619
PYX—1625
PYX—2116
PYX—2125
PYX—2132
破碎机大端
直径mm
喉口尺寸
推荐给矿
粒度mm
最大给矿
处理能力
100115
160~180
230~270
注1:表中的机器参考重量不包括电动机、电控设备、润清站、液压站的重量。注2:表中的破碎机处理能力是满足下列条件时的闭路系统设计通过量a)物料含水量不超过4%,不含粘土;b)给料粒度级配适当,沿酸碎腔360°分布均匀:给料松散密度为1.6t/m,抗压强度小于160MPa且消耗额定功率80%。c
3.3型号与标记
喉口尺寸,单位为mm
破碎锥大端直径,单位为dm
旋盘式
破碎(设备)机
被碎锥大端直径为2100mm,喉口尺寸为25mm的能盘圆锥被碎机:旋盘圆维破碎机
PYX—2125
4技术要求
4.1一般要求
主电动机功率
≤150
≤220
≤315
4.1.1破碎机应符合本标准的规定,并按规定程序批准的图样及技术文件制造。2
机器参考
4.1.2同一型号破碎机的易损件应具有互换性,基础安装尺寸统一。4.2主要零件的技术要求
4.2.1破碎机下列零件应采用不低于表2规定的力学性能的材料制造。4.2.2破碎机考核零件使用寿命应不低于表3规定的使用寿命。JB/T69892002
4.2.3主轴应进行超声波操伤,并应符合JB/T5000.15-1998中V级的规定。当采用其他方法探伤时,应符合相应标准的规定。
4.2.4机架应进行超南波探伤和磁粉操伤,超声波探伤应符合JB/T5000.14-1998中4级的规定,磁粉探伤应符合JB/T5000.14一1998中3级的规定。当采用其他方法操伤时,应符合相应标准的规定。4.2.5铸钢件的铸造质量应符合JB/T5000.6一1998的规定,焊接结构件的焊接质量应符合JB/T5000.3~-1998的规定。4.2.6
切削加工件的切削加工质量应符合JB/T5000.91998的规定。表2
零件名称
支承赛
调整套
大齿轮
小齿轮
项目名称
使用寿命
第一次大修期
大齿轮
小齿轮
破碎壁
注:考核零件使用寿命的考核条件是被破碎物料的抗压强度为16DMPa(特种矿石除外):4.3
装配要求
破碎机各运动部位和液压调整及锁紧装置应动作灵活,液压系统应无渗漏现象。破碎机传动轴轴向游动间隙为0.8mm~1.6mm破碎机圆锥齿轮啮合间隙应符合表4的规定。表4
破碎机规格
注:齿轮皓合间殡为轮齿大端啮合间隙例侧原mm
0.51~1.02
0.51~1.02
0.76~1.27
1.02~1.52
2.34~3.12
2.34~3.12
2.34~3.96
3.18~4.78
3.18~7.93
4.3.4排矿口在整个圆周上应保证相等的排矿间隙,其偏差应小于排矿口尺寸的20%。22
乳日壁
≥600
JB/T6989—2002
4.4空负荷试车要求
4.4.1破碎机装配后应在制造厂采用工作转速相同的电动机和性能相似的润滑站进行连续不小于2h空负荷试车。
4.4.2破碎圆锥自转速不应大于15r/min。4.4.3圆维齿轮不允许出现周期性噪声。4.4.4供油压力在0.04MPa~0.12MPa的范围内,回油油温最高不超过50℃。4.5负荷试车要求
4.5.1连续运行72h。
4.5.2供油压力在0.04MPa~0.12MPa的范围内,回油油温最高不超过60℃C。4.6安全要求
4.6.1破碎机应具有电气保护装置及其辅助设备的联锁系统。4.6.2破碎机弹簧过载保护装置应安全可靠。4.6.3在破碎机明显位置应固定安全操作标牌。4.6.4破碎机空载运行时噪声声压级不得超过90dB(A)。破碎机成套供应范围
破碎机成套供应范围包括主机、电动机及低压控制设备、润滑站、液压站及专用工具。试验方法与检验规则
制造厂应对液压系统进行保压无渗漏试验,其试验压力应符合表5的规定。表5
工作压力P
≤32MPa
>32MPa
试验压力
5.2检查齿轮啮合间时,应将偏心套与小齿轮一侧的机架衬套靠紧采用压铅方法测定,5.3检查传动轴轴向游隙时,将小齿轮背部靠紧传动轴村套端面,用塞尺检查另一侧传动轴衬套端面与甩油环之间的间。
5.4检查排矿口尺寸采用固定在钢丝的铅球,沿破碎腔四周大致均布四点测定,四点铅球挤压后尺寸的算术平均值即为排矿口尺寸。测定用铅球的直径应大于预定排矿口的尺寸,5.5破碎机的处理能力,可用皮带秤或将单位长度给料运输带上的物料称重,再根据运输带速度计算出。
5.6噪声的测定应符合GB/T3768—1996的规定。5.7每台破碎机经装配检查合格后,应在制造厂进行连续空负荷试车并符合4.4的规定,5.8试车后拆卸检查破碎机各摩擦部位,不应有严重烧伤发黑、磨损现象,轻微烧伤部位需处理妥普后才能出厂
5.9负荷试车在用户进行,并满足下列要求:a)空负荷运行应符合4.4的规定:b)半负荷运行4h;
c)满负荷运行应符合4.5的规定:d)电流无异常变化:
给料、排料正常。
6标志、包装、运输和贮存
6.1破碎机应在明显位置围定产品标牌,内容如下:a)产品型号与名称:
b)主要技术参数:
出厂编号及日期:
JB/T69892002
d)制造厂名称。
2一般情况下破碎机应分解包装运输,在运输条件允许下,小型破碎机可整体发运,并适合陆路和6.2
水路运输及装载的要求。
6.3破降机包装应符合JB/T5000.13—1998的规定,6.4包装箱外壁文字标记应符合GB/T191一2000的规定6.5随同破碎机供应的技术文件包括:a)装箱单:
b)产品出厂合格证(证明书):安装使用说明书、总图、部件图、电气控制图、润滑与液压系统图。c)
6破碎机在安装使用前,应将零部件要普存,保证零部件不锈蚀,不损坏。6.6
小提示:此标准内容仅展示完整标准里的部分截取内容,若需要完整标准请到上方自行免费下载完整标准文档。
	 
	        
	      中华人民共和国机械行业标准
JB/T6989—2002
代替JB/T69891993
旋盘圆锥破碎机
Gyradiscconecrusher
2002-07-16发布
2002-12-01实施
中华人民共和国国家经济贸易委员会发布前言
规范性引用文件...
型式与基本参数
技术要求.
4.1一般要求,
4.2主要零件的技术要求
4.3装配要求,
4.4空负荷试车要求
4.5负荷试车要求
4.6安全要求...Www.bzxZ.net
破碎机成套供应范围
5试验方法与检验规则
6标志、包装、运输和贮存
JB/T69892002
本标准代替JB/T6989—-1993《旋盘圆锥破碎机》。本标准与JB/T6989--1993相比主要变化如下:在破碎机的基本参数表中,增加了PYX-一0613和PYX-0619两个规格:一在破碎机的基本参数表中,增加了最大给料粒度参数:--在空负荷试车要求中,将连续空负荷试车时间由4h改为2h:JB/T6989--2002
-在空负荷试车要求中,破碎圆锥自转转速由不大于10r/min改为不大于15r/min:在主要零件的技术要求中,增加了考核等件的使用寿命要求:在主要零件的技术要求中,增加了对主轴、机架探伤要求;在主要等件的技术要求中,增加了对铸件、焊接件、切削加工件要求:本标准由中国机裁工业联合会提出。本标准由全国矿山机械标准化技术委员会(SAC/TC88)归口。本标准起章单位:沈阳重型机械集团有限责任公司。本标准主要起草人:易伟民、郭明。1范围
旋盘圆锥破碎机
JB/T 6989-2002
本标准规定了旅盘圆锥破碎机的型式与基本参数、技术要求、试验方法与检验规则、标志、包装运输和忙存。
本标准适用于破碎抗压强度300MPa以下各种矿石或岩石的旋盘圆锥破碎机(以下简称破碎机),2规范性引用文件
下列文件中的条款通过本标准的引用而成为本标准的条款。凡是注日期的引用文件,其随后所有的修改单(不包括勘误的内容)或修订版均不适用于本标准,然而,鼓励根据本标准达成协议的各方研究是否可使用这些文件的最新版本,凡是不注日期的引用文件,其最新版本适用于本标准,GB/T191—2000包装储运图示标志(eqVISO780:1997)GB/T3768一1996声学声压法测定噪声源声功率级反射面上方采用包络测量表面的简易法(eqv ISO 3746:1995)
JB/T5000.3—1998-1
重型机械通用技术条件焊接件
JB/T 5000.6-—1998
JB/T5000.9—1998
JB/T 5000.13—1998
JB/T5000.14—1998
JB/T5000.15—1998
3型式与基本参数
重型机械通用技术条件铸钢件
重型机械通用技术条件切削加工件重型机械通用技术条件包装
重型机械通用技术条件铸钢件无损探伤重型机械通用技术条件
锻钢件无损探伤
3.1破碎机的型式见图1,该图不确定破碎机的结构。O
JB/T6989—2002
破碎机的基本参数应符合表1的规定:规
PYX--0613
PYX—0619
PYX—0911
PYX—0919
PYX-—0925
PYX—1213
PYX-1219
PYX—1225
PYX—1232
PYX—1619
PYX—1625
PYX—2116
PYX—2125
PYX—2132
破碎机大端
直径mm
喉口尺寸
推荐给矿
粒度mm
最大给矿
处理能力
100115
160~180
230~270
注1:表中的机器参考重量不包括电动机、电控设备、润清站、液压站的重量。注2:表中的破碎机处理能力是满足下列条件时的闭路系统设计通过量a)物料含水量不超过4%,不含粘土;b)给料粒度级配适当,沿酸碎腔360°分布均匀:给料松散密度为1.6t/m,抗压强度小于160MPa且消耗额定功率80%。c
3.3型号与标记
喉口尺寸,单位为mm
破碎锥大端直径,单位为dm
旋盘式
破碎(设备)机
被碎锥大端直径为2100mm,喉口尺寸为25mm的能盘圆锥被碎机:旋盘圆维破碎机
PYX—2125
4技术要求
4.1一般要求
主电动机功率
≤150
≤220
≤315
4.1.1破碎机应符合本标准的规定,并按规定程序批准的图样及技术文件制造。2
机器参考
4.1.2同一型号破碎机的易损件应具有互换性,基础安装尺寸统一。4.2主要零件的技术要求
4.2.1破碎机下列零件应采用不低于表2规定的力学性能的材料制造。4.2.2破碎机考核零件使用寿命应不低于表3规定的使用寿命。JB/T69892002
4.2.3主轴应进行超声波操伤,并应符合JB/T5000.15-1998中V级的规定。当采用其他方法探伤时,应符合相应标准的规定。
4.2.4机架应进行超南波探伤和磁粉操伤,超声波探伤应符合JB/T5000.14-1998中4级的规定,磁粉探伤应符合JB/T5000.14一1998中3级的规定。当采用其他方法操伤时,应符合相应标准的规定。4.2.5铸钢件的铸造质量应符合JB/T5000.6一1998的规定,焊接结构件的焊接质量应符合JB/T5000.3~-1998的规定。4.2.6
切削加工件的切削加工质量应符合JB/T5000.91998的规定。表2
零件名称
支承赛
调整套
大齿轮
小齿轮
项目名称
使用寿命
第一次大修期
大齿轮
小齿轮
破碎壁
注:考核零件使用寿命的考核条件是被破碎物料的抗压强度为16DMPa(特种矿石除外):4.3
装配要求
破碎机各运动部位和液压调整及锁紧装置应动作灵活,液压系统应无渗漏现象。破碎机传动轴轴向游动间隙为0.8mm~1.6mm破碎机圆锥齿轮啮合间隙应符合表4的规定。表4
破碎机规格
注:齿轮皓合间殡为轮齿大端啮合间隙例侧原mm
0.51~1.02
0.51~1.02
0.76~1.27
1.02~1.52
2.34~3.12
2.34~3.12
2.34~3.96
3.18~4.78
3.18~7.93
4.3.4排矿口在整个圆周上应保证相等的排矿间隙,其偏差应小于排矿口尺寸的20%。22
乳日壁
≥600
JB/T6989—2002
4.4空负荷试车要求
4.4.1破碎机装配后应在制造厂采用工作转速相同的电动机和性能相似的润滑站进行连续不小于2h空负荷试车。
4.4.2破碎圆锥自转速不应大于15r/min。4.4.3圆维齿轮不允许出现周期性噪声。4.4.4供油压力在0.04MPa~0.12MPa的范围内,回油油温最高不超过50℃。4.5负荷试车要求
4.5.1连续运行72h。
4.5.2供油压力在0.04MPa~0.12MPa的范围内,回油油温最高不超过60℃C。4.6安全要求
4.6.1破碎机应具有电气保护装置及其辅助设备的联锁系统。4.6.2破碎机弹簧过载保护装置应安全可靠。4.6.3在破碎机明显位置应固定安全操作标牌。4.6.4破碎机空载运行时噪声声压级不得超过90dB(A)。破碎机成套供应范围
破碎机成套供应范围包括主机、电动机及低压控制设备、润滑站、液压站及专用工具。试验方法与检验规则
制造厂应对液压系统进行保压无渗漏试验,其试验压力应符合表5的规定。表5
工作压力P
≤32MPa
>32MPa
试验压力
5.2检查齿轮啮合间时,应将偏心套与小齿轮一侧的机架衬套靠紧采用压铅方法测定,5.3检查传动轴轴向游隙时,将小齿轮背部靠紧传动轴村套端面,用塞尺检查另一侧传动轴衬套端面与甩油环之间的间。
5.4检查排矿口尺寸采用固定在钢丝的铅球,沿破碎腔四周大致均布四点测定,四点铅球挤压后尺寸的算术平均值即为排矿口尺寸。测定用铅球的直径应大于预定排矿口的尺寸,5.5破碎机的处理能力,可用皮带秤或将单位长度给料运输带上的物料称重,再根据运输带速度计算出。
5.6噪声的测定应符合GB/T3768—1996的规定。5.7每台破碎机经装配检查合格后,应在制造厂进行连续空负荷试车并符合4.4的规定,5.8试车后拆卸检查破碎机各摩擦部位,不应有严重烧伤发黑、磨损现象,轻微烧伤部位需处理妥普后才能出厂
5.9负荷试车在用户进行,并满足下列要求:a)空负荷运行应符合4.4的规定:b)半负荷运行4h;
c)满负荷运行应符合4.5的规定:d)电流无异常变化:
给料、排料正常。
6标志、包装、运输和贮存
6.1破碎机应在明显位置围定产品标牌,内容如下:a)产品型号与名称:
b)主要技术参数:
出厂编号及日期:
JB/T69892002
d)制造厂名称。
2一般情况下破碎机应分解包装运输,在运输条件允许下,小型破碎机可整体发运,并适合陆路和6.2
水路运输及装载的要求。
6.3破降机包装应符合JB/T5000.13—1998的规定,6.4包装箱外壁文字标记应符合GB/T191一2000的规定6.5随同破碎机供应的技术文件包括:a)装箱单:
b)产品出厂合格证(证明书):安装使用说明书、总图、部件图、电气控制图、润滑与液压系统图。c)
6破碎机在安装使用前,应将零部件要普存,保证零部件不锈蚀,不损坏。6.6
小提示:此标准内容仅展示完整标准里的部分截取内容,若需要完整标准请到上方自行免费下载完整标准文档。
标准图片预览:





- 其它标准
 
- 热门标准
 - 机械行业标准(JB)
 
- JB/T10288-2001 连栋温室结构
 - JB/T10056-1999 直流电流互感器 技术条件
 - JB/T7895-2008 永磁筒式磁选机
 - JB/T8679-2008 炭弧气刨炭棒 物理及使用性能试验方法
 - JB/T2756-2006 无轨电车用炭滑块
 - JB/T8082-2010 护指键式和护罩式木工平刨床 安全
 - JB/T9713-1999 工程机械 湿式铜基摩擦件 技术条件
 - JB/T9580-2008 炭石墨 产品分类及型号编制方法
 - JB/T3411.50-1999 两爪顶拔器 尺寸
 - JB/T8840-2013 电热器具用电源开关
 - JB/T11340.3-2012 阀控式铅酸蓄电池安全阀 第3部分:橡胶帽、阀芯
 - JB3704-1984 特种调压器用碳电阻片柱电气机械性能试验方法
 - JB∕T12675-2016 拖拉机液压系统清洁度限值及测量方法
 - JB/T7140.1-1993 牲畜药浴机械 型式与基本参数
 - JB/T20086-2006 药用容器 料斗
 
- 行业新闻
 
请牢记:“bzxz.net”即是“标准下载”四个汉字汉语拼音首字母与国际顶级域名“.net”的组合。 ©2025 标准下载网 www.bzxz.net 本站邮件:bzxznet@163.com
网站备案号:湘ICP备2025141790号-2
网站备案号:湘ICP备2025141790号-2