- 您的位置:
- 标准下载网 >>
- 标准分类 >>
- 汽车行业标准(QC) >>
- QC/T 363-1999 盆型圆锥垫
标准号:
QC/T 363-1999
标准名称:
盆型圆锥垫
标准类别:
汽车行业标准(QC)
标准状态:
现行出版语种:
简体中文下载格式:
.zip .pdf下载大小:
357.42 KB
相关标签:
圆锥
点击下载
标准简介:
QC/T 363-1999.Bowl type conical washer.
1主要内容与适用范围
QC/T 363规定了盆形圆锥垫圈的型式、尺寸和技术条件。
QC/T 363适用于汽车上内饰护板、车箱软垫、驾驶室软垫、棉车棚及仪表板等紧固、装饰用的盆形圆锥垫器。
2引用标准
GB699-65优质碳素结构钢钢号和一-般技术条件
GB 700-79普通 碳素结构钢技术条件
JB2864--81汽车用电镀层和化学处理层
GB 98一x X止动 垫圈技术条件
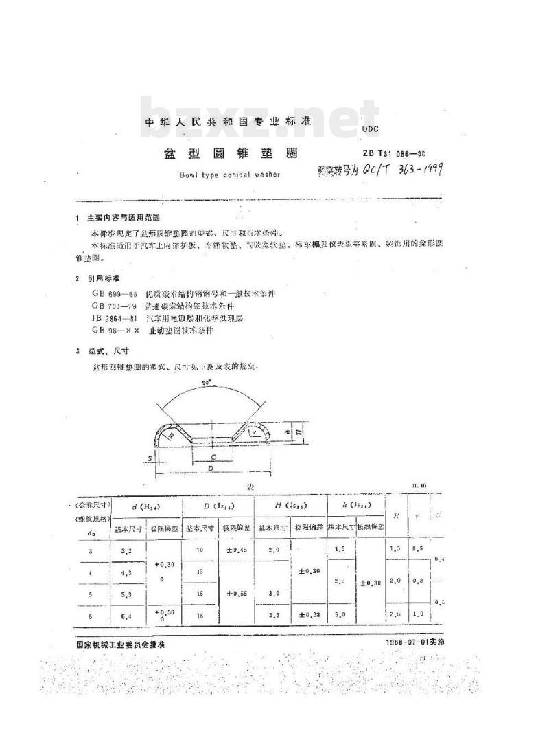
3型式,尺寸
盆形國锥垫圈的型式、尺寸见下图及表的规定。
4标记
公称尺寸d。= 6 mm盆形圆锥垫圈的标记示例:
垫圈6 ZB T31 036
5技术要求
5.1 材料: 08F,按GB 699规定,AsF按GB 700规定。
5.2表面镀层为镀锌D. Zn13或镀铬D、Cr1V, 按JB 2864规定。
5.3其他技术要求按GB 98规定。
附加说明:
本标准由中国汽车技术研究中心提出。
本标准由武汉汽车标准件研究所归口。
本标准由长春第一汽车制造厂汽车研究所负货起草。
部分标准内容:
中华民共租国专业标准
ZBT31036—88
调整转号为 Q/_363-1939
盆型圆锥垫圈
Bowl typeconicalwasher
1988-03-18发布
国家机械工业委员会
1988-07-01实施
中华人民共和国专业标准
盆型[
Bowl type conical washer
主要内容与适用范围
ZB T31 036-96
翼警转号为Qc/T363-7999
本标班规定了盆形圆能垫图的型式,尽寸和摄求条件。本标流适用予汽车上内缩护板、车箱软整、驾驶赛歌整、棉车栅及仪表极等紫固、熟作用的益形能势。
引用标准
GB699-65优质碳素结构编号和一般技术条件GB700-79普通碳素结构留技术条件IB2864-81汽华用电镀层和化学处现层GB98-××止动垫圈技术杂件
3型式、尺寸
盆形磁辑垫图的型式、尺寸见下图及表的规定,90
(公称尺寸)
<规效规格)
D(Isia)
非本尺寸极限偏差,基本尺寸
国家机械工业委员会批准
基本尺寸
h(Jsan)
极限偏票进本尺寸极限偏差
1988-07-01实施
ZBT31036-88
公称尺寸d。=6mm盆形围维垫图的标记示例:垫图6T31036
$技术要求
5.!材料:08F,按GB699定,AF按GB700规定。5.2表面镀层为镀D,Zh13或镀铬D、C11V,按JB2864规定。5.3其他技术要求按GB99规定。
附加说明:
本标准由中国汽车技术研究中心提出。本标准由武汉汽车标准件研统所归口。本标准由长春第一汽车润造厂汽车研究所负读起草。中作人民共和国
专业标推
盆型圆锥垫照此内容来自标准下载网
ZB T31 036—88
国家机械工业委员会标准化研究所出版(北京瑞华东路)
机截工业标准印剧厂印展
湖南城)
机板工业标准发行站发行
(湖南洪江市)
开本880×12301/15印张3/8字数3,8401988年12月第一版1988年12月第一次印期印效2,500
定价:0.50元
88--920
小提示:此标准内容仅展示完整标准里的部分截取内容,若需要完整标准请到上方自行免费下载完整标准文档。
ZBT31036—88
调整转号为 Q/_363-1939
盆型圆锥垫圈
Bowl typeconicalwasher
1988-03-18发布
国家机械工业委员会
1988-07-01实施
中华人民共和国专业标准
盆型[
Bowl type conical washer
主要内容与适用范围
ZB T31 036-96
翼警转号为Qc/T363-7999
本标班规定了盆形圆能垫图的型式,尽寸和摄求条件。本标流适用予汽车上内缩护板、车箱软整、驾驶赛歌整、棉车栅及仪表极等紫固、熟作用的益形能势。
引用标准
GB699-65优质碳素结构编号和一般技术条件GB700-79普通碳素结构留技术条件IB2864-81汽华用电镀层和化学处现层GB98-××止动垫圈技术杂件
3型式、尺寸
盆形磁辑垫图的型式、尺寸见下图及表的规定,90
(公称尺寸)
<规效规格)
D(Isia)
非本尺寸极限偏差,基本尺寸
国家机械工业委员会批准
基本尺寸
h(Jsan)
极限偏票进本尺寸极限偏差
1988-07-01实施
ZBT31036-88
公称尺寸d。=6mm盆形围维垫图的标记示例:垫图6T31036
$技术要求
5.!材料:08F,按GB699定,AF按GB700规定。5.2表面镀层为镀D,Zh13或镀铬D、C11V,按JB2864规定。5.3其他技术要求按GB99规定。
附加说明:
本标准由中国汽车技术研究中心提出。本标准由武汉汽车标准件研统所归口。本标准由长春第一汽车润造厂汽车研究所负读起草。中作人民共和国
专业标推
盆型圆锥垫照此内容来自标准下载网
ZB T31 036—88
国家机械工业委员会标准化研究所出版(北京瑞华东路)
机截工业标准印剧厂印展
湖南城)
机板工业标准发行站发行
(湖南洪江市)
开本880×12301/15印张3/8字数3,8401988年12月第一版1988年12月第一次印期印效2,500
定价:0.50元
88--920
小提示:此标准内容仅展示完整标准里的部分截取内容,若需要完整标准请到上方自行免费下载完整标准文档。
标准图片预览:





- 其它标准
- 热门标准
- QC汽车标准
- QC/T29106-2014 汽车电线束技术条件
- QC/T691-2002 车用天然气单燃料发动机技术条件
- QC/T670-2000 汽车合成制动液
- QC/T261-1998 客车安全门技术要求
- QC/T232-2009 摩托车和轻便摩托车制动手柄强度要求及试验方法
- QC/T417.2-2001 车用电线束插接器 第2部分 试验方法和一般性能要求(摩托车部分)
- QC/T641-2000 客车门窗用塑料密封条
- QC/T383-2013 六角头锥形磁性螺塞
- QC/T587-1999 罐式汽车产品质量检验评定方法
- QC/T813-2009 二甲醚汽车专用装置技术要求
- QC/T1045-2016 汽车管路保护用热收缩管
- QC/T801-2008 摩托车和轻便摩托车簧片阀式二次空气补给机构技术要求和试验方法
- QC/T346-1999 塑料堵塞
- QC/T687-2002 摩托车和轻便摩托车发动机气缸体技术条件
- QC/T379-1999 方头锥形螺塞
- 行业新闻
请牢记:“bzxz.net”即是“标准下载”四个汉字汉语拼音首字母与国际顶级域名“.net”的组合。 ©2025 标准下载网 www.bzxz.net 本站邮件:bzxznet@163.com
网站备案号:湘ICP备2025141790号-2
网站备案号:湘ICP备2025141790号-2