- 您的位置:
- 标准下载网 >>
- 标准分类 >>
- 铁路运输行业标准(TB) >>
- TB/T 1869.8-2017 铁路信号用变压器第8部分:信号设备雷电防护用变压器
标准号:
TB/T 1869.8-2017
标准名称:
铁路信号用变压器第8部分:信号设备雷电防护用变压器
标准类别:
铁路运输行业标准(TB)
标准状态:
现行出版语种:
简体中文下载格式:
.zip .pdf下载大小:
4.22 MB
点击下载
标准简介:
TB/T 1869.8-2017.Transformers for railways signal system equipment-Part 8: Lightning proof transformer.
1范围
TB/T 1869.8规定了铁路信号设备雷电防护用变压器(以下简称“防雷变压器”)的产品型号、技术要求、试验方法、检验规则及标志、包装、运输和储存。
TB/T 1869.8适用于接入铁路信号低压交流电源与信号设备、信息传输设备间,有雷电防护功能的变压器的设计、制造、检验和使用。
2规范性引用文件
下列文件对于本文件的应用是必不可少的。凡是注日期的引用文件,仅注日期的版本适用于本文件。凡是不注日期的引用文件,其最新版本(包括所有的修改单)适用于本文件。
GB/T2423.1- 2008电工电子产 品环境试验第2 部分:试验方法试验 A:低温( IEC 60068-2-1 :2007 ,IDT)
GB/T2423.2- -2008 电工电子产 品环境试验第2 部分:试验方法试验 B:高温( IEC 60068-2-2 :2007 ,IDT)
GB/T 2423. 3- 2006电工电子产品环境试验第2 部分:试验方法试验 Cab:恒定湿热试验( IEC 60068-2-78 :2001 , IDT)
CB/T 2423.4- -2008电工电子产 品环境试验第2 部分:试验方法试验 Db:交变湿热(12 h+12 h循环)( IEC 60068-2-30 :2005 ,IDT)
GB/T2423.5- -1995电工电子产品环境试验 第2 部分:试验方法试验 Ea和导则:冲击(idtIEC 60068-2-27 :1987)
GB/T2423. 10- -2008 电工电子产 品环境试验第2 部分:试验方法试验 Fe:振动(正弦) (IEC60068-2. 6:1995,IDT)
CB/T2423. 16- -2008电工电子产 品环境试验第2 部分:试验方法试验J 及导则:长霉(IEC60068-2-10:2005 , IDT)
GB/T 2423. 17- -2008电工电子产品环境试验第2 部分:试验方法试验 Ka:盐雾( IEC 60068-2-11:1981 ,IDT)
部分标准内容:
中华人民共和国铁道行业标准
TB/T1869.8—2017
代替TB/T2653—2003
铁路信号用变压器
第8部分:信号设备雷电防护用变压器Transformers for railways signal system equipmentPart8:Lightning proof transformer2017-06-05发布
国家铁路局发布
2018-01-01实施
规范性引用文件
术语和定义
产品结构、分类和型号
技术要求
试验方法
检验规则
标志、包装、运输和储存
TB/T1869.8—2017
TB/T1869.8-2017
TB/T1869《铁路信号用变压器》分为八个部分:第1部分:通用技术条件;
第2部分:信号变压器;
第3部分:50Hz系列轨道变压器;第4部分:25Hz系列轨道变压器:第5部分:BZ系列中继变压器;
第6部分:BD系列道岔表示变压器:第7部分:BE系列扼流变压器;
第8部分:信号设备雷电防护用变压器。本部分为TB/T1869的第8部分。
本标准按照GB/T1.1—2009给出的规则起草。本部分代替TB/T2653—2003《铁路信号设备雷电防护用变压器》。与TB/T2653—2003相比,除编辑性修改外,本标准主要技术变化如下:修改了术语和定义(见第3章,2003年版的第3章);-增加了介人铁路信号信息传输设备间的防雷变压器,相应在适用范围增加了“接入铁路信号信息传输设备间”的规定和技术条件(见4.2.1);增加了防雷变压器结构分类,将防雷变压器分为共模防护和全模防护防雷变压器两种,要求全模防护防雷变压器有内置横向防护SPD(见第4章);修改了防雷变压器绝缘电阻的要求(见5.2.2,2003年版的5.1.2);修改了防雷变压器绝缘耐压试验的要求(见5.2.3,2003年版的5.1.3);-修改了防雷变压器内线侧与屏蔽层间冲击耐压试验的要求(见5.2.4,2003年版的5.1.4);修改了轨道和其他信号防雷变压器的冲击电压转移系数(见5.2.5,2003年版的5.1.5);取消了防雷变压器空载损耗的要求(见5.2.6,2003年版的5.1.6);-修改了负载特性的技术参数要求(见5.2.7,2003年版的5.1.7):修改了效率和电压调整率(见5.2.8,2003年版的5.1.8);一修改了温升试验的要求(见5.4.12003年版的5.3.4);修改了湿热试验的要求(见5.4.1,2003年版的5.3.5);修改了低气压试验的条件和要求(见5.4.2,2003年版的5.3.6);修改了长霉试验的要求(见5.4.3,2003年版的5.3.7);修改了振动试验频率(见5.4.3,2003版的5.2.6)。本部分由西安全路通号器材研究有限公司提出并归口。本部分起草单位:中国铁道科学研究院通信信号研究所、西安全路通号器材研究有限公司。本部分主要起草人:付茂金、阮小飞、王州龙、郝丽娜、肖桐、李永毅、邱传睿。本部分所代替标准的历次版本发布情况:TB/T2653—1995;TB/T2653—2003。1范围
铁路信号用变压器
第8部分:信号设备雷电防护用变压器TB/T1869.8-2017
TB/T1869的本部分规定了铁路信号设备雷电防护用变压器(以下简称“防雷变压器\)的产品型号、技术要求、试验方法、检验规则及标志、包装、运输和储存。本部分适用于接入铁路信号低压交流电源与信号设备、信息传输设备间,有雷电防护功能的变压器的设计、制造、检验和使用。2规范性引用文件
下列文件对于本文件的应用是必不可少的。凡是注日期的引用文件,仅注日期的版本适用于本文件。凡是不注日期的引用文件,其最新版本(包括所有的修改单)适用于本文件。GB/T2423.1-2008电工电子产品环境试验第2部分:试验方法试验A:低温(IEC60068-2-1:2007,IDT
GB/T2423.2—2008
电工电子产品环境试验第2部分:试验方法试验B:高温(IEC60068-2-2:2007,IDT)
GB/T2423.3—2006
第2部分:试验方法
电工电子产品环境试验
试验Cab:恒定湿热试验
(IEC60068-2-78:2001,IDT)
GB/T2423.4—2008电工电子产品环境试验12h循环)(IEC60068-2-30:2005IDT)GB/T2423.5—1995电工电子产品环境试验IEC60068-2-27:1987)
GB/T2423.10—2008
60068-2-6:1995,IDT)
GB/T2423.16—2008
60068-2-10:2005,IDT)
GB/T2423.17—2008
2-11:1981,IDT)
电工电子产品环境试验
电工电子产品环境试验
电工电子产品环境试验
第2部分:试验方法试验Db:交变湿热(12h+第2部分:试验方法
第2部分:试验方法
试验Ea和导则:冲击(idt
试验Fc:振动(正弦)(IEC
第2部分:试验方法
卡试验J及导则:长霉(IEC
第2部分:试验方法试验Ka:盐雾(IEC60068GB/T2423.21—2008
第2部分:试验方法i
电工电子产品环境试验
试验M:低气压(IEC
60068-2-13:1983,IDT)
GB/T20626.1一2006特殊环境条件高原电工电子产品第1部分:通用技术要求TB/T1869.1—2013铁路信号用变压器第1部分:通用技术条件TB/T2311铁路通信、信号、电力电子系统防雷设备3术语和定义
下列术语和定义适用于本文件。3.1
防雷变压器lightningprooftransformer加装有静电屏蔽层(以下简称“屏蔽层”)的或加装有静电屏蔽层和内置差模防雷装置,具有防雷TB/T1869.8—2017
功能的变压器。
防雷变压器的一次绕组primarywindingof lightningprooftransformer和普通双绕组变压器一样,防雷变压器的一次绕组是绕制在变压器铁芯上,接受电能一侧的绕组。
防雷变压器的二次绕组secondarywindingof lightningprooftransformer和普通双绕组变压器一样,防雷变压器的二次绕组是绕制在变压器铁芯上,输出电能一侧的绕组。
防雷变压器的外线侧绕组outside linewindingof lightningproof transformer与室外人户电缆连接的绕组或与轨道侧电缆连接的绕组。它可以是防雷变压器的一次绕组,也可以是防雷变压器的二次绕组。
防雷变压器的内线侧绕组inside linewindingof lightningproof transformer与室内信号设备电缆连接的绕组或与去往信号机房的电缆连接的绕组。它可以是防雷变压器的一次绕组,也可以是防雷变压器的二次绕组。3.6
防雷变压器的冲击电压转移系数lightningimpulsevoltagetransfercoefficientoflightningprooftransformer
用给定波形和电压的雷电冲击波施加到防雷变压器外线侧时,在内线侧测试到的冲击电压和外线侧给定的冲击电压之比。也可用冲击电压衰耗(dB)来表示。3.7
电源防雷变压器的电压调整率powerlightningprooftransformervoltageregulation4u
电源防雷变压器接人电路后满负荷工作时,防雷变压器的二次侧的电压降落与二次侧空载电压之比,一般用百分数表示。
4产品结构、分类和型号
4.1防雷变压器结构
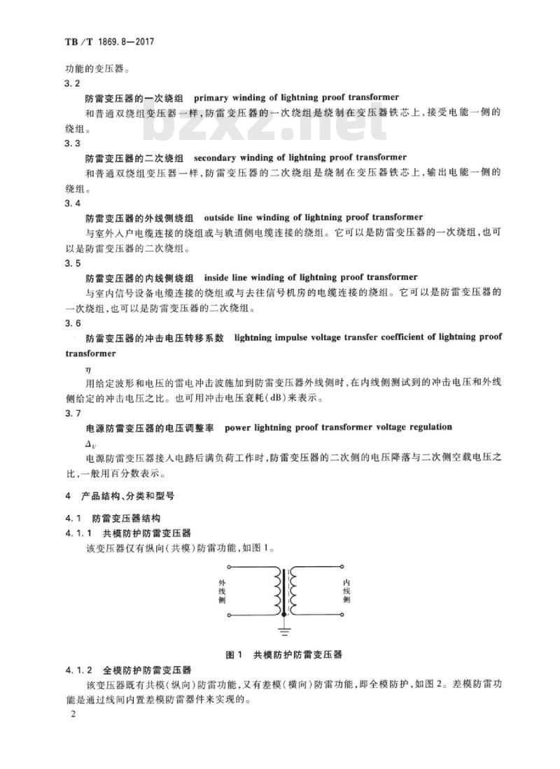
4.1.1共模防护防雷变压器
该变压器仅有纵向(共模)防雷功能,如图1。a
外线侧
图1共模防护防雷变压器
4.1.2全模防护防雷变压器
该变压器既有共模(纵向)防雷功能,又有差模(横向)防雷功能,即全模防护,如图2。差模防雷功能是通过线间内置差模防雷器件来实现的。2
4.2防雷变压器分类
4.2.1按用途分为:
线SPD
注:SPD—浪涌保护器。
图2全模防护防雷变压器
TB/T1869.8-2017
a)电源防雷变压器:申联接人频率为48Hz~62Hz交流供电电路,对电源感应干扰雷电压提供共模或全模防护的防雷变压器。电源防雷变压器还可以分为三相防雷变压器和单相防雷变压器两种。
轨道防雷变压器:串联接入轨道电路的轨道和信号电缆间,对轨道感应干扰富电压提供共模或全模防护的防雷变压器。
注:共模或全模防护指防雷变压器内置符合TB/T2311的要求、故障模式为开路模式的SPD。传输防雷变压器:串联接人频率为1Hz~20kHz模拟信号传输线路,对低频信号传输线感应c)
干扰雷电压提供共模或全模防护的防雷变压器。4.2.2
按安装位置分为:
a)室内型防雷变压器,安装于机房内的防雷变压器;b)室外型防雷变压器,安装于轨边箱盒内的防雷变压器。5技术要求
5.1使用环境
防雷变压器在下列环境条件下应可靠工作:a)环境温度:室内-25℃40℃、室外=40℃70℃;b)空气相对湿度:不大于90%RH(25℃);大气压力:不低于70.1kPa(常规型:海拔不超过3000m);不低于54.0kPa(高原型:海拔不)
超过5000m);
周围无引起爆炸危险的有害气体。在上述使用环境下,负载特性应符合5.2.7的规定。5.2电气要求
5.2.1电气连接
防雷变压器应有铜质端子,通过螺钉、螺帽或其他等效方法实现电气连接。端子应能承受与变压器容量相配合的安全通流量,并能与相应截面积的连接电线或电缆紧密连接5.2.2绝缘电阻
在标准大气试验条件下,用DC500V绝缘电阻测试仪测试时,防雷变压器两绕组间、外线侧绕组对屏蔽层间的绝缘电阻不应小于1000MQ,内线侧绕组对屏蔽层间的绝缘电阻不应小于100M0。
5.2.3绝缘耐压
在气压不低于89.8kPa(海拨高度不超过1000m)时,用50Hz交流正弦波测试,应符合表1规定,在规定的试验时间内应无击穿和闪络现象,重复试验的试验电压值为表1试验电压有效值的75%。
TB/T1869.8-2017
防雷变压器
施加电压位置
两绕组之间
电源防雷变压器
工作电压>60V
外线侧与屏蔽层间
内线侧与屏蔽层间
两绕组之间
的轨道、传输防雷
外线侧与屏蔽层间
变压器
内线侧与屏蔽层间
工作电压≤60
两绕组之间
的轨道、传输防雷5
外线侧与屏蔽层间
变压器
内线侧与屏蔽层间
测试时应施加50Hz交流正弦波。5.2.4
冲击耐压
防雷变压器的绝缘耐压要求
试验电压
有效值
施加电压持续时间的次数
出厂试验时间
型式试验时间
防雷变压器两绕组间,外线侧绕组与屏蔽层间施加波形为1.2/50μs,电压幅值为10kV的电压冲击波时,应无击穿和闪络现象。5.2.5
冲击电压转移系数
式中:
防雷变压器冲击电压转移系数的简单计算方法见公式(1)。U
n=\Ci2+C,
n——防雷变压器的冲击电压转移系数;U,—防雷变压器外线侧绕组对地冲击电压;U,防雷变压器内线侧绕组对地冲击电压;一防雷变压器外线侧绕组与内线侧绕组间的电容;G12
防雷变压器内线侧绕组对地电容。+**(1)
2在防雷变压器外线侧绕组与屏蔽层间施加表2规定的1.2/50μs波形和相应的冲击电压5.2.5.2
U,,在该防雷变压器内线侧绕组与屏蔽层间测得的电压U应满足表2规定的冲击转移系数要求。5.2.5.3
冲击转移系数要求见表2。
表2冲击转移系数
防雷变压器类别
轨道防雷变压器
传输防雷变压器(使用频率1Hz~20kHz)电源防雷变压器
测试波形为1.2/50μs,幅值分别为1k、5kV、10kV,各1次。5.2.6
空载特性
冲击转移系数n
≤1/500
≤1/100
≤1/500
防雷变压器二次侧开路时,一次侧施加额定频率的额定电压时,测试以下项目:一次侧空载电流有效值不应大于满载电流的8%;a
b)二次侧电压有效值,误差不应大于额定值的±5%。5.2.7负载特性
防雷变压器在额定负载条件下,输出电压符合下列规定:a)0.1kVA以下变压器输出电压不应小于额定值的85%;b)0.1kVA~0.3kVA变压器输出电压不应小于额定值的90%。5.2.8效率和电压调整率
TB/T1869.8-2017
在额定负载条件下,电源防雷变压器的效率n.应大于或等于90%,轨道和传输防雷变压器效率n应大于或等于75%。
电源防雷变压器的电压调整率△,如表3,轨道和传输防雷变压器电压调整率△,应小于或等于7%。
3电源防雷变压器的电压调整率要求电源防雷变压器功率P
单相防雷变压器电压调整率
三相防雷变压器电压调整率△
5.3外观、安装要求
≤0.5kVA
1-2kVA
防雷变压器所有零部件外观良好,不应有裂痕或其他机械损伤。电镀件电镀均匀,表面光滑细致,边缘和棱角不应有烧痕。≥3kVA
涂漆、喷漆、喷塑件的表面应平整光滑,颜色一致,有良好光泽,不得有皱纹、流痕、针孔、气泡等缺陷。
塑料件、陶瓷件的表面应平整光滑,无裂纹、变形、肿胀、缺陷及擦伤、变形等。防雷变压器引出端子应用中性焊剂焊接,焊接光滑牢固,不假焊。配线应整齐美观。引线尽量远离铁芯,不应有断股及线伤,引线应加绝缘套管。接线端子应当采用抗腐蚀金属,如铜、黄铜、不锈钢等。
防雷变压器应提供合适的安装方法以保证安装稳固可靠,绕组铁芯及配件装配牢固,正常使用时应有足够的机械强度。作为连接端子上的紧固螺丝和螺母,应有防止使用中发生松动的措施,如使用封料防正松动。
5.4环境要求
5.4.1防雷变压器的温升、低温、高温、湿热要求应符合TB/T1869.1的规定。5.4.2防雷变压器应能承受50Hz交流正弦波及表4规定的试验电压值而无闪络或击穿现象,产品使用高度和试验地点高度变化时的试验电压修正系数应符合GB/T20626.1一2006的规定。表4防雷变压器低气压试验电压的基础电压海拔高度
防雷变压器规定电压U
U≤60
60U≤220
220U≤380
5.4.3长霉、盐雾、振动要求应符合TB/T1869.1的规定。试验电压
5.4.4带包装的防雷变压器应能承受峰值加速度为500m/s2,脉冲持续时间为11ms的冲击试验,试验后线圈应通路、结构不应有松动及损伤,空载电流符合5.2.6的规定。5
TB/T1869.8—2017
6试验方法
6.1试验要求
6.1.1标准试验环境
试验应在下列条件下进行:
温度:+15℃~+35℃;
相对湿度:25%~75%;
气压:86kPa~106kPa。
安装连接
试验时,应按厂家的安装要求固定防雷变压器和电气连接,不允许外部冷却和加热。模拟雷电冲击电压波
模拟电压测试波形为1.2/50μs电压冲击波,容许偏差为:a)峰值:±3%;
波前时间:±30%;
半峰值时间:±20%。
可以容许波峰出现小的过冲和振荡,若该振荡频率大于500Hz或过冲持续时间小于1μs时,应当划一条平均曲线,该曲线的最大幅值定义为该波形的电压峰值。6.2冲击电压转移系数试验
测试电路如图3。外线侧两外线端子短路后在它与屏蔽层间施加冲击电压,内线侧两端子短路后在它与屏蔽层间测试转移电压,按公式(1)计算冲击电压转移系数。试品
冲击电压
发生器
元件:
限流电阻,100n。
测试仪表:
③存储示波器。
符号:
U,—输人电压;
输出电压:
Ci2——防雷变压器外线侧绕组与内线侧绕组间电容;C
防雷变压器内线侧绕组与屏蔽层间电容。图3防雷变压器冲击电压转移系数测试电路6.3冲击耐压试验
波形为1.2/50us.电压幅值为10kV的电压冲击分别加在防雷变压器两绕组间和外线侧绕组与屏蔽层间,施加正负极性电压各1次,间隔3min,测试时应无击穿和闪络现象。6.4绝缘电阻试验
防雷变压器在常温下用DC500V绝缘电阻测试仪测试防雷变压器两绕组间、各绕组对屏蔽层间的绝缘电阻。
6.5绝缘耐压试验
用表1规定的试验电压,将50Hz交流正弦波施加在相应位置,试验电源的功率不应小于6
TB/T1869.8-2017
0.5kVA。测试时应从规定试验电压值的50%升至规定电压值并在规定施加时间内保持电压后递减至零。只进行一次试验。
6.6温升试验
用电阻法测定防雷变压器绕组线圈的温升。6.7空载特性试验
防雷变压器二次绕组开路,一次绕组施加额定频率的额定电压时,在二次侧测试输出有效值电压Ug。
6.8负载特性试验
在额定负载条件下测试一次侧输人电流In和输人电压UiN,二次侧输人电流Iour和输人UoUT6.9效率和电压调整率检验
根据6.7测试的空载时一次侧输入有效值电流和二次侧输出有效值电压以及6.8的试验的防雷变压器在额定负载条件下的一次侧和二次侧输出电压,代人公式(2)和公式(3)计算防雷变压器的效率m和电压调整率Au。
式中:
防雷变压器效率;
Wou×100%=
防雷变压器有负载时输出功率;WIN
防雷变压器有负载时输人功率;Uour
防雷变压器有负载时输出电压;UiN
防雷变压器有负载时输人电压:louT
防雷变压器有负载时输出电流;N
防雷变压器有负载时输人电流。Au
式中:
A—防雷变压器电压调整率;
U。—防雷变压器空载电压:
UouT防雷变压器负载电压。
6.10振动试验
Uour ×louT
工×100%*
UINXIIN
U。-UouT ×100%
:(2)
·(3)
按CB/T2423.10一2008进行振动试验。试验前须检查试品的外观,确保绕组无松动以及测试空载电流。试验后检查试品的外观、绕组和空载电流。6.11冲击试验
按CB/T2423.5一1995进行重力冲击试验。将合格的出厂产品带包装紧固在冲击机上,按试品的3个互相垂直轴线的正向连续冲击3次(共9次)。6.12低温试验
按GB/T2423.1一2008进行低温试验。试验前须测试试品空载电流、负载特性,然后将室内型试品置于-25℃。室外型试品置于-40℃低温箱内,待箱内温度稳定后保持2h。在试验的最后15min内检查试品空载特性和负载特性,试验后检查试品外观,检查空载特性和负载特性。
6.13高温试验
防雷变压器按GB/T2423.2一2008的规定进行。试验前须测试试品空载电流、负载特性,然后将室外型试品置于+70℃高温箱内,室内型试品置于+40℃高温箱内,待箱内温度稳定后保持2h。在TB/T1869.8-2017
试验的最后15min内检查试品空载特性和负载特性,试验后检查试品外观,检查空载特性和负载特性。6.14湿热试验
室外用防雷变压器的交变湿热试验按GB/T2423.4一2008的规定进行,并应符合以下规定:a)
初始检测:按本部分的规定对变压器进行电气特性测试及外观检查;条件试验:试验样品应在不包装、不通电、“准备使用”状态、按正常工作位置放人试验箱中;b)
严酷程度:高温+40℃,循环次数:12;降温采用方法2;
中间检测:在低温高湿阶段的最后2h内进行绝缘电阻的测试:恢复条件:在试验用的标准大气条件下恢复2h;f)
最后检测:恢复后立即进行绝缘耐压试验和外观检查。6.14.2
室内用防雷变压器的恒定湿热试验按GB/T2423.3—2006的规定进行,并应符合以下规定:初始检测:按本部分的规定对防雷变压器进行电气特性测试及外观检查:a)
条件试验:试验样品应在不包装,不通电,准备使用”状态,按正常工作位置放人试验箱中严酷等级:高温+40℃、相对湿度不低于90%,持续时间:4d;中间检测:在低温高湿阶段的最后2h内进行绝缘电阻的测试;d)
最后检测:在标准大气条件下恢复2h,然后进行绝缘耐压试验和外观检查。6.15低气压试验
按GB/T2423.21一2008的规定进行,并应符合以下规定:初始检测:按本部分的规定,对防雷变压器外观进行检查及测试绝缘电阻:a)
严酷等级:根据产品试验地点的海拔高度和产品将使用地点的海拔高度,按修正后的试验电b)
压,将50Hz交流正弦波施加在相应位置进行测试,持续2h;条件试验:试验时环境温度为正常的温度,试验样品在不包装、不通电、“准备使用”状态和正c
常工作位置放人试验台上;
d)最后检测:经2h试验后,立即观察有无闪络或击穿现象,并测试防雷变压器耐压。6.16长霉试验
按GB/T2423.16—2008的规定进行,并应符合以下规定:试验前先检查试品外观,然后将试品连续暴露28d。28d后目测观察防雷变压器外观。6.17盐雾试验
按GB/T2423.17—2008的规定进行,并应符合以下规定:a)初始检测:试验前应对试品进行外观检查,试品表面应干净,无污物,无临时性防护层和其他弊病;
b)条件试验:试品应按正常使用状态进行试验,试品之间不应有接触,也不能与其他金属部件接触;
试验周期:24h;
恢复:试验结束后,应在自来水下冲洗5min,然后用蒸馏水或者去离子水冲洗,然后晃动或者用气流干燥去掉水滴,清洗用水温不应超过35C,然后在标准的恢复大气条件下放置1h~2h:e)最后检测:恢复后应及时检查。7检验规则
7.1检验分类
防雷变压器的检验分出厂检验,验收检验和型式检验三种。8
7.2出厂检验
7.2.1防雷变压器应经过制造厂的技术检验部门检验合格后,方能出厂。7.2.2出厂检验项目见表5。
7.3验收检验
7.3.1验收检验项目和方法同出厂检验。表5
检验项目
空载特性
负载特性
绝缘电阻
绝缘耐压
出厂检验项目此内容来自标准下载网
检验方法
TB/T1869.82017
技术要求
试验不合格的批,允许制造厂将该批中不合格产品采取措施,复验时应按加严检验抽样方案进7.3.2
行。如仍不合格,则整批产品判为不合格。7.4
型式检验
在下列情况之一时,应进行型式检验:7.4.1
新产品或老产品转厂生产时;
正式生产后,如结构、材料、工艺有较大改变,可能影响产品性能时;正常生产时,3~5年进行一次;
停产2年以上恢复生产时:
出厂检验结果与上次型式检验有较大差异时。型式检验项目见表6。
经型式检验的试品不应作为产品交付使用。表6
检验项目
电气连接
绝缘电阻
空载特性
负载特性
效率和电压调整率
绝缘耐压
冲击耐压
冲击电压转移系数
型式检验项目
检验方法
技术要求
小提示:此标准内容仅展示完整标准里的部分截取内容,若需要完整标准请到上方自行免费下载完整标准文档。
标准图片预览:





- 其它标准
- 热门标准
- TB铁路运输标准
- TB/T1686-2000 25t电动架车机技术条件
- TB/T3015.6-2001 铁道车辆整体车轮外形尺寸检测量具技术条件轮辋宽度卡尺
- TB/T2455.15-2006 铁道货车减振器斜楔量规
- TB/T2075.54-2002 电气化铁道接触网零部件 第54部分:接地线连接线夹
- TB/T3121-2005 铁路食(饮)具洁净度ATP生物发光检测法和分级判定
- TB/T2075.12-2002 电气化铁道接触网零部件 第12部分:悬吊滑轮
- TB/T2472-1993 DK.S型道口闪光器
- TB/T2152.15-1990 铁路工人技术标准 机务 内燃机钳工
- TB1670.8-1985 15号车钩钩体防跳台样板
- TB/T2997.1-2000 铁路程控共线电话设备 主控机技术要求及试验方法
- TB/T1670-2009 15号车钩样板
- TB/T3107-2011 铁道客车单元式组合车窗
- TB/T3112.2-2017 铁路车站电码化设备 第2部分:发码、检测、调整器
- TB/T1552-2017 车辆减速器液压动力系统技术条件
- TB/T3443.3-2016 机车车辆车种、车型和车号编码规则第3部分:货车
- 行业新闻
网站备案号:湘ICP备2025141790号-2