- 您的位置:
- 标准下载网 >>
- 标准分类 >>
- 铁路运输行业标准(TB) >>
- TB/T 3121-2005 铁路食(饮)具洁净度ATP生物发光检测法和分级判定
标准号:
TB/T 3121-2005
标准名称:
铁路食(饮)具洁净度ATP生物发光检测法和分级判定
标准类别:
铁路运输行业标准(TB)
标准状态:
现行-
发布日期:
2005-06-27 -
实施日期:
2005-12-01 出版语种:
简体中文下载格式:
.rar.pdf下载大小:
54.30 KB
标准ICS号:
医药卫生技术>>消毒和灭菌>>11.080.99有关消毒和灭菌的其他中标分类号:
铁路>>铁路综合>>S09安全、卫生、劳动保护

点击下载
标准简介:
标准下载解压密码:www.bzxz.net
本标准规定了ATP(三磷酸腺苷)生物发光检测法的术语和定义、试验方法、洁净度的分级及判定。本标准适用于铁路食(饮)具洁净度的快速检测。 TB/T 3121-2005 铁路食(饮)具洁净度ATP生物发光检测法和分级判定 TB/T3121-2005

部分标准内容:
ICs 11.080.99
中华人民共和国铁道行业标准
TB/T 3121-2005
铁路食(饮)具洁净度
ATP生物发光检测法和分级判定
ATP Bioluminescence Measurement and Judgenent ofFood Container Cleanness in Railway2005-06-27发布
2005-12-01实施
中华人民共和国铁道部发布
2术语和定义
3试验方法
4洁净度分级及判定
TB/T3121—-2005
TB/T3121—2005
本标准由铁道部劳动卫生研究所提出并归口本标准由铁道部劳动卫生研究所、北京滨松光子技术股份有限公司、马鲁木齐铁路疾病预防控制中心、乌音木齐铁路卫生监督所、武汶铁路中心卫生防疫站负责起草,本标主要起草人:孔先会、曹莉蓉、张伟、金正祥、张东。本标准为首次发布。
TH/T3121—2005
铁路食(饮真洁净度ATP生物发光检测法和分级判定1范围
本标准规定了ATP(三磷酸腺甘)生物发光检测法的术语和定义、试验方法、洁净度的分级及判定。本标准适用于铁路食(饮)具洁净度的快速检测2术语和定义
下列术语和定义适用下本标准:2.1
洁净度cleandegree
食(饮)其表面的生物负裁程度。2.2
相对发光值
relative light unit
样品经荧光仪检测后,所显示在仪器上的读数。3试验方法
3.1原理
AIP存在」所有动植物、微生物细胞内,当ATI在荧光索酶的作用下与荧光索结合时发出一种生物荧光,荧光量与A7P含量成正比。因此,通过对荧光的测基即可测定出ATP的含量,从而得知测试部位洁净度。
3.2试验设和材料
3.2.1便携式荧光妆:由仪器生产厂家采用稳定的(14放射源进行定标、校准。测试波长:300mm~650mm
发光量单位:相对发光值:
读数范图:0--20000元
3.2.2测试片:真空包装,—20℃低温购存3.2.3无菌棉拭子。
3.2.4规格板:规格为5cm×5cm
3.2.5ATP释放液:避光,4C贮存。3.3操作步骤
3.3.1打开荧光仪电源,便荧光仪进人工作状态,3.3.2打斤上样抽屈,数秒后关师,测定空点RLU,此时品示板上的RLU读数应小于5,如果RLU读数人于5.应用75%乙醇轻轻擦拭描屉,等艺醇挥发后,重新测试RI.U。3.3.3打升测试片包装袋,取出1片测试片,注意不要接触到膜内部分。3.3.4将灭阐规格板放在被检样品表面,用浸有ATP释放液的无菌拭了1支.在规格板内横竖往返均匀涂擦各10次,并随之转动棉拭子。同一样品采样总面积10)cm23.3.5在棉拭子头部滴加2滴AFP释放被:3.3.6将棉拭子头部液体轻轻按在3.3.3条所述测试片的H色检测膜上。1
TE/T3121-2006
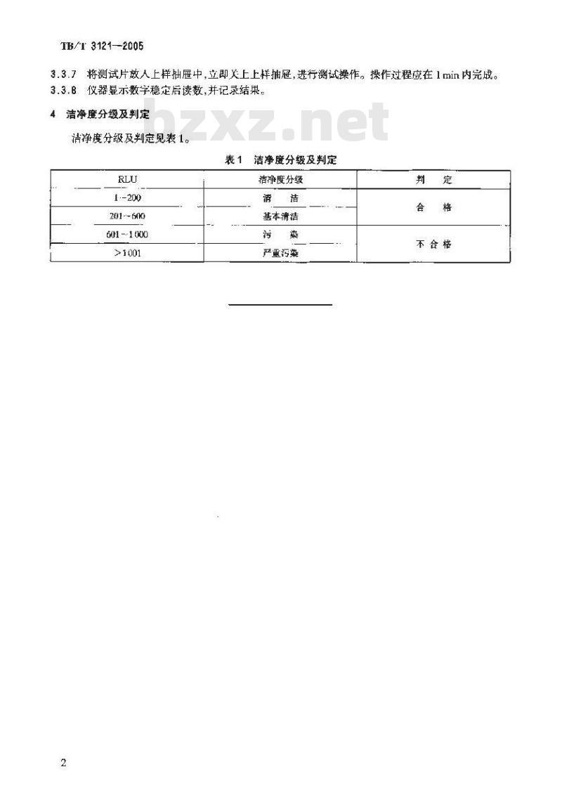
3.3.7将测试片放人上样抽屈中,立即关上上样拥屉,进行测试操作。操作过程应在1min内完成。3.3.B仪器显示数字稳定后读数,并记录结果。4洁净度分级及判定
洁净度分级及判定见表1。
表1洁净度分级及判定
1:-200
2401--600
601-1 600www.bzxz.net
洁净度分级
基本清洁
严重污菜
不合格
小提示:此标准内容仅展示完整标准里的部分截取内容,若需要完整标准请到上方自行免费下载完整标准文档。
中华人民共和国铁道行业标准
TB/T 3121-2005
铁路食(饮)具洁净度
ATP生物发光检测法和分级判定
ATP Bioluminescence Measurement and Judgenent ofFood Container Cleanness in Railway2005-06-27发布
2005-12-01实施
中华人民共和国铁道部发布
2术语和定义
3试验方法
4洁净度分级及判定
TB/T3121—-2005
TB/T3121—2005
本标准由铁道部劳动卫生研究所提出并归口本标准由铁道部劳动卫生研究所、北京滨松光子技术股份有限公司、马鲁木齐铁路疾病预防控制中心、乌音木齐铁路卫生监督所、武汶铁路中心卫生防疫站负责起草,本标主要起草人:孔先会、曹莉蓉、张伟、金正祥、张东。本标准为首次发布。
TH/T3121—2005
铁路食(饮真洁净度ATP生物发光检测法和分级判定1范围
本标准规定了ATP(三磷酸腺甘)生物发光检测法的术语和定义、试验方法、洁净度的分级及判定。本标准适用于铁路食(饮)具洁净度的快速检测2术语和定义
下列术语和定义适用下本标准:2.1
洁净度cleandegree
食(饮)其表面的生物负裁程度。2.2
相对发光值
relative light unit
样品经荧光仪检测后,所显示在仪器上的读数。3试验方法
3.1原理
AIP存在」所有动植物、微生物细胞内,当ATI在荧光索酶的作用下与荧光索结合时发出一种生物荧光,荧光量与A7P含量成正比。因此,通过对荧光的测基即可测定出ATP的含量,从而得知测试部位洁净度。
3.2试验设和材料
3.2.1便携式荧光妆:由仪器生产厂家采用稳定的(14放射源进行定标、校准。测试波长:300mm~650mm
发光量单位:相对发光值:
读数范图:0--20000元
3.2.2测试片:真空包装,—20℃低温购存3.2.3无菌棉拭子。
3.2.4规格板:规格为5cm×5cm
3.2.5ATP释放液:避光,4C贮存。3.3操作步骤
3.3.1打开荧光仪电源,便荧光仪进人工作状态,3.3.2打斤上样抽屈,数秒后关师,测定空点RLU,此时品示板上的RLU读数应小于5,如果RLU读数人于5.应用75%乙醇轻轻擦拭描屉,等艺醇挥发后,重新测试RI.U。3.3.3打升测试片包装袋,取出1片测试片,注意不要接触到膜内部分。3.3.4将灭阐规格板放在被检样品表面,用浸有ATP释放液的无菌拭了1支.在规格板内横竖往返均匀涂擦各10次,并随之转动棉拭子。同一样品采样总面积10)cm23.3.5在棉拭子头部滴加2滴AFP释放被:3.3.6将棉拭子头部液体轻轻按在3.3.3条所述测试片的H色检测膜上。1
TE/T3121-2006
3.3.7将测试片放人上样抽屈中,立即关上上样拥屉,进行测试操作。操作过程应在1min内完成。3.3.B仪器显示数字稳定后读数,并记录结果。4洁净度分级及判定
洁净度分级及判定见表1。
表1洁净度分级及判定
1:-200
2401--600
601-1 600www.bzxz.net
洁净度分级
基本清洁
严重污菜
不合格
小提示:此标准内容仅展示完整标准里的部分截取内容,若需要完整标准请到上方自行免费下载完整标准文档。

标准图片预览:





- 热门标准
- 铁路运输行业标准(TB)
- TB/T829-93球 直角接头
- TB/T1344-2008 内燃机车用齿轮油泵
- TB/T2054-2017 机车淋雨试验方法
- TB/T3216-2009 高原铁道客车供氧系统
- TB/T3522-2018 铁路线路防护栅栏
- TB/T1386-2011 内燃机车用液力传动箱
- TB/T2427-93 铁道客车滚动轴承用轴箱装置技术条件
- TB/T2651-1995 铁路运输通讯盒式磁带语音记录仪技术条件
- TB/T3308-2013 铁路建筑实际限界测量和数据格式
- TB/T2575-1995 碱性铜电刷镀溶液技术条件
- TB/T2591-1996 铁路机车滚动轴承订货技术条件
- TB/T2235-2010 铁道车辆滚动轴承
- TB/T2929-1998 铁路逆反射标志技术条件
- TB/T3287-2013 机车信号车载系统设备
- TB/T3205.1-2016 扼流变压器钢轨引接线、中点连接线、中点连接板第1部分:钢轨引接线
- 行业新闻
请牢记:“bzxz.net”即是“标准下载”四个汉字汉语拼音首字母与国际顶级域名“.net”的组合。 ©2009 标准下载网 www.bzxz.net 本站邮件:bzxznet@163.com
网站备案号:湘ICP备2023016450号-1
网站备案号:湘ICP备2023016450号-1