- 您的位置:
- 标准下载网 >>
- 标准分类 >>
- 医药行业标准(YY) >>
- YY/T 0184-2014 输精管结扎用钳
标准号:
YY/T 0184-2014
标准名称:
输精管结扎用钳
标准类别:
医药行业标准(YY)
标准状态:
现行出版语种:
简体中文下载格式:
.zip .pdf下载大小:
1.55 MB
点击下载
标准简介:
YY/T 0184-2014.Pliers for vasectomy.
1范围
YY/T 0184规定了输精管结扎用钳的分类、结构与材料、要求、试验方法、检验规则.标志.包装.运输、贮存。
YY/T 0184适用于供输精管直视钳穿和注射粘堵手术时分离阴囊皮肤的分离钳和在阴囊皮肤外作夹持、固定输精管或提取裸露的输精管的皮外固定钳.
2规范性引用文件
下列文件对于本文件的应用是必不可少的。凡是注日期的引用文件,仅注日期的版本适用于本文件。凡是不注日期的引用文件,其最新版本(包括所有的修改单)适用于本文件。
GB/T 230.1金属材料洛氏硬度试验第 1部分:试验方法(A、B、C、D、E、F.G.H.K.N、T标尺)
GB/T 1220不锈钢棒
GB/T 2828.1计数抽样检验程序 第 1部分:按接收质量限(AQL)检索的逐批检验抽样计划
GB/T2829周期检验计数抽样程序及表(适用于对过程稳定性的检验)
GB/T 10610产品几何技术规范(GPS)表面结构轮廓法评定表面结构的规则和方法
GB/T 12655卷 烟纸
YY/T0149--2006不锈钢医用器械耐腐蚀性能试验方法
YY/T 0173手术器械 鰓轴、螺钉和铆钉
YY/T 0173.4 手术器械唇头钩唇头齿锁止牙蛋形指圈
YY/T 1052手术 器械标志
3分类.结构与材料
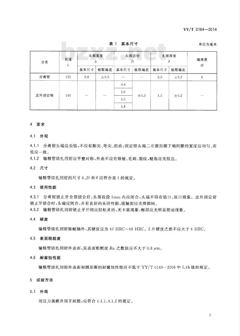
3.1输精管结扎用钳有分离钳和皮外固定钳两种,其结构型式和基本尺寸应符合图1.图2和表1的规定。
3.2输精管结扎用钳应选用2Cr13Mo或GB/T1220中规定的20Cr13材料制成。
3.3输精管结扎用钳的锁止牙.蛋形指圈应符合YY/T 0173.4中的规定,钳用鳃轴应符合YY/T 0173中的规定。
部分标准内容:
中华人民共和国医药行业标准
YY/T0184—2014
代替YY/T01840185-1994
输精管结扎用钳
Pliersforvasectomy
2014-06-17发布
国家食品药品监督管理总局
2015-07-01实施
本标准按照GB/T1.1-2009给出的规则起草。YY/T0184—2014
本标准代替YY/T0184-1994《输精管分离钳》和YY/T0185—1994《输精管皮外固定钳》。本标准与YY/T0184—1994和YY/T0185--1994的主要技术差异如下:一修改了引用标准和引用标准的年份(见2);删除了部分尺寸及公差(见3表1和图1);-删除了锁合力和脱开力的要求;删除了弹性和牢固性的要求;
修改了表面粗糙度要求(见4.5);删除了鳃部摆动量的要求。
请注意本标准的某些内容有可能涉及专利。本标准的发布机构不承担识别这些专利的责任。本标准由全国计划生育器械标准化技术委员会(SAC/TC169)提出并归口。本标准起草单位:上海医疗器械(集团)有限公司手术器械厂、国家食品药品监督管理总局上海医疗器械质量监督检验中心。
本标准主要起草人:顾颖、翁秉豪、方雪静、郑强。本标准所代替标准的历次版本发布情况WS2-234--1977.YY/T0184--1994WS2-255-1978.YY/T0185-1994
1范围
输精管结扎用钳
YY/T0184—2014
本标准规定了输精管结扎用钳的分类、结构与材料、要求、试验方法、检验规则、标志、包装、运输、贮存。
本标准适用于供输精管直视钳穿和注射粘堵手术时分离阴囊皮肤的分离钳和在阴囊皮肤外作夹持、固定输精管或提取裸露的输精管的皮外固定钳。2规范性引用文件
下列文件对于本文件的应用是必不可少的。凡是注日期的引用文件,仅注日期的版本适用于本文件。凡是不注日期的引用文件,其最新版本(包括所有的修改单)适用于本文件。GB/T230.1金属材料洛氏硬度试验第1部分:试验方法(A、B、C、D、E、F.G、H、K、N、T标尺)
GB/T1220不锈钢棒
GB/T2828.1计数抽样检验程序第1部分:按接收质量限(AQL)检索的逐批检验抽样计划GB/T2829周期检验计数抽样程序及表(适用于对过程稳定性的检验)GB/T10610产品几何技术规范(GPS)表面结构轮廊法评定表面结构的规则和方法GB/T12655卷烟纸
YY/T0149--2006不锈钢医用器械耐腐蚀性能试验方法YY/T0173手术器械鳃轴、螺钉和铆钉YY/T0173.4手术器械唇头钩唇头齿锁止牙蛋形指圈
YY/T1052手术器械标志
3分类、结构与材料
3.1输精管结扎用钳有分离钳和皮外固定钳两种,其结构型式和基本尺寸应符合图1图2和表1的规定。
3.2输精管结扎用钳应选用2Cr13Mo或GB/T1220中规定的20Cr13材料制成。3.3输精管结扎用钳的锁止牙、蛋形指圈应符合YY/T0173.4中的规定,钳用鳃轴应符合YY/T0173中的规定。
YY/T0184—2014
图1输精管结扎用钳(分离钳)
图2输精管结扎用钳(皮外固定钳)分类
分离钳
皮外固定钳
4要求
4.1外观
头部宽度
基本尺寸
基本尺寸
头部直径
极限偏差
基本尺寸
极限偏差
头部厚度
基本尺寸
YY/T0184—2014
单位为毫米
偏移度
极限偏差
4.1.1分离钳头端应尖锐,不应有断尖、弯尖、扭曲;固定钳头端二片圆形圈下端间隙的宽度应均匀、高低应一致。
4.1.2输精管结扎用钳应平整对称,外表不应有锋棱、毛刺、裂纹,鳃角应无锐边。4.2尺寸
输精管结扎用钳的尺寸b、D和。应符合表1的规定。4.3使用性能
分离钳锁止牙全部锁合后,头部前段5mm内应闭合,头端不得有错口、张口现象。皮外固定钳锁止牙锁合时,头端应闭合,并有良好的夹持性能,接触面应光滑圆钝。4.3.2输精管结扎用钳锁止牙开闭应轻松灵活,无卡塞现象,鳃部应无明显摆动现象。4.4硬度
输精管结扎用钳除鳃轴外,其硬度应为40HRC~48HRC。2片硬度之差不应大于4HRC。4.5表面粗糙度
输精管结扎用钳外表面,其表面粗糙度Ra之数值应不大于0.8μm。4.6耐腐蚀性能
输精管结扎用钳外表面和圆形圈的耐腐蚀性能应不低于YY/T0149-2006中5.4b级的规定。5试验方法
5.1外观
用目力观察并用手拭摸,应符合4.1.1,4.1.2的规定3
YY/T0184—2014
5.2尺寸
用通用或专用量具测量,应符合4.2的要求。5.3使用性能
5.3.1仿动作使用分离钳并用目力观察。在皮外固定钳头端夹持一层符合GB/T12655规定的卷烟纸,锁止牙全部锁合后,卷烟纸不能落下,但能取出,且无损坏现象,应符合4.3.1的规定。5.3.2仿动作使用并用目力观察,应符合4.3.2的要求。5.4硬度
按GB/T230.1的规定,在2片杆部上端平面或头部近鳃部平面处各测3点,取其3点的算术平均值,应符合4.4的规定。
5.5表面粗糙度
用样块比较法或GB/T10610中规定的轮廊法进行试验,仲裁时使用轮廓法,应符合4.5的规定。5.6耐腐蚀性能
按YY/T0149一2006中规定的沸水试验法进行,应符合4.6的规定。6检验规则
6.1验收
输精管结扎用钳应经制造厂质量检验部门进行检验,合格后方可提交订货方验收。6.2检验方式
输精管结扎用钳应成批提交检验,检验分为逐批检验(出厂检验)和周期检验(型式检验)。6.3逐批检验
6.3.1逐批检验应按GB/T2828.1中的规定进行。6.3.2逐批检验应采用正常检验-次抽样方案,其不合格分类、检验组、检验项目、检验水平和接收质量限(AQL)按表2的规定(按每百单位产品不合格品数计算)。表2逐批检验
不合格分类
检验组
检验项目
检验水平
接收质量限(AQL)
6.4周期检验
1在下列情况下应进行周期检验:4
4.1.14.1.2
a)新产品投产前(包括老产品转产);b)连续生产的产品每2年不少于一次;间隔一年以上再投产时;
d)在设计、工艺、材料有重大改变时;国家质量监督检验机构对产品质量进行监督检验时。e
周期检验应按GB/T2829的规定进行。6.4.2
周期检验前应进行逐批检验,从逐批检验合格的批中抽取样本进行周期检验。YY/T0184—2014
周期检验应采用一次抽样方案,其不合格分类、试验组、检验项目、判别水平、不合格质量水平6.4.4
(RQL)和抽样方案按表3的规定(按每百单位产品不合格品数计)。表3周期检验
不合格分类
试验组
检验项目
判别水平
不合格质量水平(RQL)
抽样方案
7标志
7.1输精管结扎用钳按YY/T1052的规定,应有下列标志:a)制造厂代号或商标;
b)材料标志。
7.2检验合格证上应有下列标志:a)制造厂名称或商标;
b)检验员代号
检验日期。
7.3袋(盒)上应有下列标志:
制造厂名称或商标、厂址:
产品名称:下载标准就来标准下载网
型式规格;
数量:
产品标准号:
产品注册号。
8包装、运输、贮存
输精管结扎用钳应装人袋(盒)内(多件应分隔包装),袋(盒)内应有检验合格证。若多件产品包装在一起,需用合适的材料隔开。V
YY/T0184—-2014
8.2运输
装箱后运输要求按订货合同的规定。8.3
包装箱上的字样和标志应保证不因历时较久而模糊不清。8.3.2
包装后的输精管结扎用钳应贮存在相对湿度不大于80%,无腐蚀气体和通风良好的室内。8.3.3
输精管结扎用钳经包装后,在遵守贮存规则的条件下,应保证2年内不生锈。6
YY/T0184-2014
打印日期:2014年9月26日F009A中华人民共和国医药
行业标准
输精管结扎用钳
YY/T0184--2014
中国标准出版社出版发行
北京市朝阳区和平里西街甲2号(100029)北京市西城区三里河北街16号(100045)网址spc.net.cn
3发行中心:((010)51780235
总编室:(010)64275323
读者服务部:(010)68523946
中国标准出版社秦皇岛印刷厂印刷各地新华书店经销
开本880X12301
2014年9月第一版
印张0.75
字数11千字
2014年9月第一次印刷
书号:155066·2-27281定价
如有印装差错
由本社发行中心调换
版权专有侵权必究
举报电话:(010)68510107
小提示:此标准内容仅展示完整标准里的部分截取内容,若需要完整标准请到上方自行免费下载完整标准文档。
标准图片预览:





- 其它标准
- 热门标准
- YY医药标准
- YY/T0729.2-2009 组织粘合剂粘接性能试验方法 第2部分:T-剥离拉伸承载强度
- YY0697-2008 电动牵引床
- YY/T0110-1993 医用超声压电陶瓷材料
- YY91006-1999 压力蒸汽消毒器技术条件手提式
- YY0128-1993 医用X射线防护装置及用具
- YY0326.3-2005 一次性使用离心式血浆分离器 第3部分:血浆袋
- YY0324-2008 红外乳腺检查仪
- YY/T0127.10-2001 口腔材料生物学评价 第2单元:口腔材料生物试验方法鼠伤寒沙门氏杆菌回复突变试验(Ames试验)
- YY0493-2011 牙科学 弹性体印模材料
- YY/T0729.4-2009 组织粘合剂粘接性能试验方法 第4部分:伤口闭合强度
- YY/T0745-2009 遥控透视X射线机专用技术条件
- YY0832.2-2015 X辐射放射治疗立体定向及计划系统 第2部分:体部X辐射放射治疗立体定向及计划系统
- YY/T1096-2007 温度生物反馈仪
- YY0168-1994 血液冷藏箱
- YY/T0642-2008 IEC 62359 : 2005 超声声场特性确定医用诊断超声场热和机械指数的试验方法
- 行业新闻
网站备案号:湘ICP备2025141790号-2