- 您的位置:
- 标准下载网 >>
- 标准分类 >>
- 机械行业标准(JB) >>
- JB/T 2800.3-2011 升降台铣床 第3部分:静刚度
标准号:
JB/T 2800.3-2011
标准名称:
升降台铣床 第3部分:静刚度
标准类别:
机械行业标准(JB)
标准状态:
现行出版语种:
简体中文下载格式:
.rar .pdf下载大小:
部分标准内容:
ICS25.080.20
备案号:31954—2011
中华人民共和国机械行业标准
JB/T2800.3—2011
代替JB/T9929—1999
升降台铣床
第3部分:静刚度
Milling machines withtable of variable heightPart 3:Static stiffness2011-05-18发布
2011-08-01实施
中华人民共和国工业和信息化部发布前言
规范性引用文件此内容来自标准下载网
一般要求..
试验条件.
静刚度的表示方法,
4试验方法.
5静刚度位移量公差,
+++++++++++++++++++++.
6试验中的一些具体规定
图1卧式铣床试验调整图
:立式铣床试验调整图。
TTKAN KACa
JB/T2800.3—2011
.I+++-++++++-+++-I++.t
JB/T2800.3—2011
JB/T2800《升降台铣床》已知发布了三个部分:第1部分:型式与参数;
第2部分:技术条件;
第3部分:静刚度。
本部分为JB/T2800的第3部分。
本部分按照GB/T1.1—2009给出的规则起草。本部分代替JB/T9929—1999《升降台铣床静刚度》,与JB/T9929—1999相比主要技术变化如下:编号和名称改为JB/T2800.3《升降台铣床第3部分:静刚度》;将第2章标题“引用标准”改为“规范性引用文件”,并按照有关规定对内容进行了编辑性修改;将第3章标题改为“一般要求”,将4.1调整为3.1“试验条件”,将“静刚度的表示方法”调整为3.2;
4.4a)、b)的文字表述做了编辑性修改;表1和表2的格式做了编辑性修改本部分由中国机械工业联合会提出。本部分由全国金属切削机床标准化技术委员会(SAC/TC22)归口。本部分起草单位:北京第一机床厂、安徽晶菱机床制造有限公司。本部分主要起草人:刘立婷、胡瑞琳、金志平。本部分所代替标准的历次版本发布情况为:-ZBnJ54016—1988:
JB/T9929—1999。
TTKANKACa
1范围
升降台铣床
第3部分:静刚度
JB/T2800的本部分规定了升降台铣床静刚度的试验方法及技术要求。本部分适用于工作台面宽度200mm~500mm的一般用途的升降台铣床。2规范性引用文件
JB/T2800.3—2011
下列文件对于本文件的应用是必不可少的。凡是注日期的引用文件,仅注日期的版本适用于本文件。凡是不注日期的引用文件,其最新版本(包括所有的修改单)适用于本文件。GB/T3933.2一2002升降台铣床检验条件精度检验第2部分:卧式铣床GB/T3933.3一2002升降台铣床检验条件精度检验第3部分:立式铣床3一般要求
3.1试验条件
被检机床应在按GB/T3933.2或GB/T3933.3检验合格的条件下处于正常工作状态。3.2静刚度的表示方法
静刚度是以本部分规定的试验方法施力于刀具模型,工作台相对于刀具模型沿横向所产生的位移量。
4试验方法
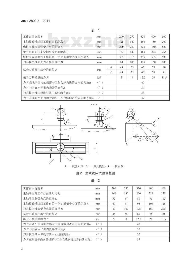
4.1施力装置、试验心轴、刀具模型和指示器的安装以及施力方向和着力点的调整应按图1、表1或图2、表2的规定。
试验心轴:2
刀具模型:3-
刀杆支架:4-
卧式铣床试验调整图
TTKAN KACa
指示器。
JB/T2800.3—2011
工作台面宽度B
主轴旋转轴线到工作台面的距离11床柱立导轨面到受力点的距离1
受力点到刀杆支架轴承端面的距离13床柱立导轨面到工作台第一个T形槽中心面的距离14刀具模型锥部受力点处的直径D
试验心轴圆柱部分的直径d
施于刀具模型的力F
力F在水平面内的投影与工作台纵向进给方向的夹角α力F与其在水平面内投影的夹角β刀具模型锥体母线与其中心线的夹角力F在垂直平面内的投影与工作台纵向进给方向的夹角无()
1—试验心轴:2—刀具模型:3——指示器。图2
工作台面宽度B
主轴端面到工作台面的距离15
主轴端面到受力点的距离16
立式铣床试验调整图
主轴旋转轴线到工作台第一个T形槽中心面的距离1刀具模型锥部受力点处的直径D
试验心轴圆柱部分的直径d
施于刀具模型的力F
力F在水平面内的投影与工作台纵向进给方向的夹角α力F与其在水平面内投影的夹角β刀具模型锥体母线与其中心线的夹角力F在垂直平面内的投影与工作台纵向进给方向的夹角入2
HTTKANKACa
4.2调整机床时应遵守下述方法:a)将带有刀具模型的心轴插入主轴锥孔中并拉紧:b)工作台由外向里移至试验位置;c)升降台由下向上移至试验位置:JB/T2800.3—2011
d)工作台沿纵向移至中间位置,移动方向应与施于刀具模型的力在纵向投影的方向相同(如图1或图2所示);
e)对卧式铣床,再将悬梁由里向外移至检验位置,悬梁上装刀杆支架以支承检验心轴,使悬梁和刀杆支架的外端面齐平;
f)对立式铣床,再将主轴箱(或主轴套简)位于上极限位置,如主轴箱(或主轴套筒)可回转时还应使主轴旋转轴线垂直于工作台面。4.3指示器的安装应符合下列要求:a)对卧式铣床,应使指示器测头位于轴向水平面内并触及刀具模型端面的边缘处;b)对立式铣床,应使指示器测头位于过轴线的横向垂直平面内并触及刀具模型圆柱面的母线上。4.4试验时所有夹紧部位均应夹紧。4.5试验时通过带测力计的施力装置缓慢向刀具模型施加力F,使其逐渐达到表3所规定的值4.6试验时先预试1次,不记取读数。然后再试验3次,分别计取指示器所示的位移量值。3次测量结果的算术平均值,即为静刚度的位移量。5静刚度位移量公差
5.1一般的卧式和立式升降台铣床试验时,施于刀具模型的力F和位移量公差s按表3中I的规定。5.2工作台可回转的卧式升降台铣床和主轴箱(或主轴套筒)可回转的立式升降台铣床试验时,施于刀具模型的力F和位移量公差8按表3中Ⅱ的规定。5.3
3轻型方能铣床试验时,施于刀具模型的力F和位移量充差。按表3中ⅢI的规定。表3
工作台面宽度B
6试验中的一些具体规定
施于刀具模型的力F
万能回转头铣床仅对基本主轴进行静刚度试验。6.2
试验时不应使用悬梁与升降台之间的辅助支架。Ⅲ
位移量公差S
6.3施于刀具模型上的力,应是一个不与任何坐标平行的空间力,其作用线应与试验心轴中心相交。3
HTTKAONT KAca
小提示:此标准内容仅展示完整标准里的部分截取内容,若需要完整标准请到上方自行免费下载完整标准文档。
备案号:31954—2011
中华人民共和国机械行业标准
JB/T2800.3—2011
代替JB/T9929—1999
升降台铣床
第3部分:静刚度
Milling machines withtable of variable heightPart 3:Static stiffness2011-05-18发布
2011-08-01实施
中华人民共和国工业和信息化部发布前言
规范性引用文件此内容来自标准下载网
一般要求..
试验条件.
静刚度的表示方法,
4试验方法.
5静刚度位移量公差,
+++++++++++++++++++++.
6试验中的一些具体规定
图1卧式铣床试验调整图
:立式铣床试验调整图。
TTKAN KACa
JB/T2800.3—2011
.I+++-++++++-+++-I++.t
JB/T2800.3—2011
JB/T2800《升降台铣床》已知发布了三个部分:第1部分:型式与参数;
第2部分:技术条件;
第3部分:静刚度。
本部分为JB/T2800的第3部分。
本部分按照GB/T1.1—2009给出的规则起草。本部分代替JB/T9929—1999《升降台铣床静刚度》,与JB/T9929—1999相比主要技术变化如下:编号和名称改为JB/T2800.3《升降台铣床第3部分:静刚度》;将第2章标题“引用标准”改为“规范性引用文件”,并按照有关规定对内容进行了编辑性修改;将第3章标题改为“一般要求”,将4.1调整为3.1“试验条件”,将“静刚度的表示方法”调整为3.2;
4.4a)、b)的文字表述做了编辑性修改;表1和表2的格式做了编辑性修改本部分由中国机械工业联合会提出。本部分由全国金属切削机床标准化技术委员会(SAC/TC22)归口。本部分起草单位:北京第一机床厂、安徽晶菱机床制造有限公司。本部分主要起草人:刘立婷、胡瑞琳、金志平。本部分所代替标准的历次版本发布情况为:-ZBnJ54016—1988:
JB/T9929—1999。
TTKANKACa
1范围
升降台铣床
第3部分:静刚度
JB/T2800的本部分规定了升降台铣床静刚度的试验方法及技术要求。本部分适用于工作台面宽度200mm~500mm的一般用途的升降台铣床。2规范性引用文件
JB/T2800.3—2011
下列文件对于本文件的应用是必不可少的。凡是注日期的引用文件,仅注日期的版本适用于本文件。凡是不注日期的引用文件,其最新版本(包括所有的修改单)适用于本文件。GB/T3933.2一2002升降台铣床检验条件精度检验第2部分:卧式铣床GB/T3933.3一2002升降台铣床检验条件精度检验第3部分:立式铣床3一般要求
3.1试验条件
被检机床应在按GB/T3933.2或GB/T3933.3检验合格的条件下处于正常工作状态。3.2静刚度的表示方法
静刚度是以本部分规定的试验方法施力于刀具模型,工作台相对于刀具模型沿横向所产生的位移量。
4试验方法
4.1施力装置、试验心轴、刀具模型和指示器的安装以及施力方向和着力点的调整应按图1、表1或图2、表2的规定。
试验心轴:2
刀具模型:3-
刀杆支架:4-
卧式铣床试验调整图
TTKAN KACa
指示器。
JB/T2800.3—2011
工作台面宽度B
主轴旋转轴线到工作台面的距离11床柱立导轨面到受力点的距离1
受力点到刀杆支架轴承端面的距离13床柱立导轨面到工作台第一个T形槽中心面的距离14刀具模型锥部受力点处的直径D
试验心轴圆柱部分的直径d
施于刀具模型的力F
力F在水平面内的投影与工作台纵向进给方向的夹角α力F与其在水平面内投影的夹角β刀具模型锥体母线与其中心线的夹角力F在垂直平面内的投影与工作台纵向进给方向的夹角无()
1—试验心轴:2—刀具模型:3——指示器。图2
工作台面宽度B
主轴端面到工作台面的距离15
主轴端面到受力点的距离16
立式铣床试验调整图
主轴旋转轴线到工作台第一个T形槽中心面的距离1刀具模型锥部受力点处的直径D
试验心轴圆柱部分的直径d
施于刀具模型的力F
力F在水平面内的投影与工作台纵向进给方向的夹角α力F与其在水平面内投影的夹角β刀具模型锥体母线与其中心线的夹角力F在垂直平面内的投影与工作台纵向进给方向的夹角入2
HTTKANKACa
4.2调整机床时应遵守下述方法:a)将带有刀具模型的心轴插入主轴锥孔中并拉紧:b)工作台由外向里移至试验位置;c)升降台由下向上移至试验位置:JB/T2800.3—2011
d)工作台沿纵向移至中间位置,移动方向应与施于刀具模型的力在纵向投影的方向相同(如图1或图2所示);
e)对卧式铣床,再将悬梁由里向外移至检验位置,悬梁上装刀杆支架以支承检验心轴,使悬梁和刀杆支架的外端面齐平;
f)对立式铣床,再将主轴箱(或主轴套简)位于上极限位置,如主轴箱(或主轴套筒)可回转时还应使主轴旋转轴线垂直于工作台面。4.3指示器的安装应符合下列要求:a)对卧式铣床,应使指示器测头位于轴向水平面内并触及刀具模型端面的边缘处;b)对立式铣床,应使指示器测头位于过轴线的横向垂直平面内并触及刀具模型圆柱面的母线上。4.4试验时所有夹紧部位均应夹紧。4.5试验时通过带测力计的施力装置缓慢向刀具模型施加力F,使其逐渐达到表3所规定的值4.6试验时先预试1次,不记取读数。然后再试验3次,分别计取指示器所示的位移量值。3次测量结果的算术平均值,即为静刚度的位移量。5静刚度位移量公差
5.1一般的卧式和立式升降台铣床试验时,施于刀具模型的力F和位移量公差s按表3中I的规定。5.2工作台可回转的卧式升降台铣床和主轴箱(或主轴套筒)可回转的立式升降台铣床试验时,施于刀具模型的力F和位移量公差8按表3中Ⅱ的规定。5.3
3轻型方能铣床试验时,施于刀具模型的力F和位移量充差。按表3中ⅢI的规定。表3
工作台面宽度B
6试验中的一些具体规定
施于刀具模型的力F
万能回转头铣床仅对基本主轴进行静刚度试验。6.2
试验时不应使用悬梁与升降台之间的辅助支架。Ⅲ
位移量公差S
6.3施于刀具模型上的力,应是一个不与任何坐标平行的空间力,其作用线应与试验心轴中心相交。3
HTTKAONT KAca
小提示:此标准内容仅展示完整标准里的部分截取内容,若需要完整标准请到上方自行免费下载完整标准文档。
标准图片预览:





- 其它标准
- 热门标准
- 行业标准
- JB/T9396-1999 环块磨损试验机 技术条件
- JB/T5348-1991 牵引用直流斩波器 基本技术条件
- JB/T450-1992 PN16.0~32.0MPa锻造角式高压阀门、管件、紧固件 技术条件
- JB/T6664.2-1993 自吸泵 技术条件
- JB/T7732.1-1995 地膜覆盖机 技术条件
- JB/T5389.1-1995 滚动轴承 轧机用四列圆柱滚子轴承
- JB/T7422.2-1999 立式内圆珩磨机 精度检验
- JB/T8022.1-1999 机床夹具零件及部件 内涨器
- JB/T9272-1999 氨压力表
- JB/T7273.8-1994 背面波纹手轮
- JB/T11340.3-2012 阀控式铅酸蓄电池安全阀 第3部分:橡胶帽、阀芯
- JB/T5338-1991 YB系列隔爆型(dII CT4)三相异步电动机(机座号80~315) 技术条件
- JB/T5414-1991 热水离心泵 技术条件
- JB/T5810-1991 电机磁极线圈及磁场绕组匝间绝缘试验规范
- JB/T6619.1-1999 轻型机械密封 技术条件
- 行业新闻
请牢记:“bzxz.net”即是“标准下载”四个汉字汉语拼音首字母与国际顶级域名“.net”的组合。 ©2025 标准下载网 www.bzxz.net 本站邮件:bzxznet@163.com
网站备案号:湘ICP备2025141790号-2
网站备案号:湘ICP备2025141790号-2