- 您的位置:
- 标准下载网 >>
- 标准分类 >>
- 医药行业标准(YY) >>
- YY/T 0162.1-2009 医用超声设备档次系列 第1部分:B型超声诊断设备
标准号:
YY/T 0162.1-2009
标准名称:
医用超声设备档次系列 第1部分:B型超声诊断设备
标准类别:
医药行业标准(YY)
标准状态:
现行-
发布日期:
2009-11-25 出版语种:
简体中文下载格式:
.rar .pdf下载大小:
2.79 MB
替代情况:
替代YY/T 0162.1-1994
部分标准内容:
ICS 11. 040. 55
中华人民共和国医药行业标准
YY/T0162.1—2009
代替YY/T0162.1--1994
医用超声设备档次系列
第1部分:B型超声诊断设备
Medical ultrasound equipment class series-Part 1:B mode ultrasound disgnostic equipment2009-11-15发布
国家食品药品监督管理局
2010-12-01实施
YY/T0162.1—2009
YY/T0162《医用超声设备档次系列》拟分成部分出版,各部分将按照不同的产品划分。目前计划发布如下部分:
-第1部分:B型超声诊断设备;
其他部分正在考虑中。
本部分为YY/T0162的第1部分。
本部分代替YY/T0162.1—1994《医用超声设备档次系列」第部分:B型超声诊断设备》。本部分与YY/T0162.1-1994相比主要变化如下:根据目前技术的发展,提高了一些技术要求的指标;将“功能要求”改为“应具备的条件”;增加了二个名词术语,即“全数字化(式)”和“动态范围”;增加了一个资料性附录,即“全数字化超声诊断设备”;重新划分了频率段。
本部分的附录A是资料性附录。
本部分由全国医用电器标准化技术委员会医用超声设备标准化分技术委员会(SAC/TC10/SC2)归口。
本部分起草单位:国家食品药品监督管理局湖北医疗器械质量监督检验中心。本部分主要起草人:蒋时霖、王志俭本部分于1994年5月首次发布。
1范围
医用超声设备档次系列
第1部分:B型超声诊断设备
YY/T0162.1—2009
YY/T0162的本部分规定了B型超声诊断设备档次划分的方法和各档次设备的性能指标及应具备的条件。
本部分适用于标称频率不超过15MHz范围内的B型超声诊断设备,作为此范围内B型超声诊断设备划分档次的参考依据。
本部分不适用于眼科专业超声诊断设备和血管内超声诊断设备。规范性引用文件
下列文件中的条款通过YY/T0162本部分的引用而成为本部分的条款。凡是注日期的引用文件,其随后所有的修改单(不包括勘误的内容)或修订版均不适用于本部分,然而,鼓励根据本部分达成协议的各方研究是否可使用这些文件的最新版本。凡是不注日期的引用文件,其最新版本适用于本部分。GB10152—2009B型超声诊断设备3术语和定义
下列术语和定义适用于YY/T0162的本部分。3.1
侧向分辨力
lateralresolution
在体模的规定深度处,扫描平面中垂直于超声波束轴的方向上,能够显示为两个清晰回波信号的两靶线之间的最小间距。
单位:毫米(mm)。
轴向分辨力axialresolution
在体模的规定深度处,沿超声波束轴能够显示为两个回波信号的两个靶线之间的最小间距。单位:毫米(mm)。
盲区deadzone
体模声窗表面与最近的、能明确成像的体模靶线之间的距离。单位:毫米(mm)。
探测深度
depthofpenetration
体模中能够明确成像的纵向线形靶群中最远靶线与声窗之间的距离。单位:毫米(mm)。
nominalfrequency
标称频率
设计者或制造商公布的系统超声工作频率。1
YY/T0162.1—2009
单位:兆赫(MHz)。
全数字化(式)fulldigital
·种技术方法,从波束形成到信号转化的全过程采用数字处理,即用计算机控制数字声束形成,与工作在射频下的高采集率A/D变换器及高速数字信号处理技术结合起来形成数字化的核心,在此基础上,实现数字图像的处理和传送,参见附录A。3.7
动态范围dunamicrange
被接收信号的动态变化幅度。动态范围越大,其信号应用区域就越广,而病灶的包容量就越大。单位:分贝(dB)。
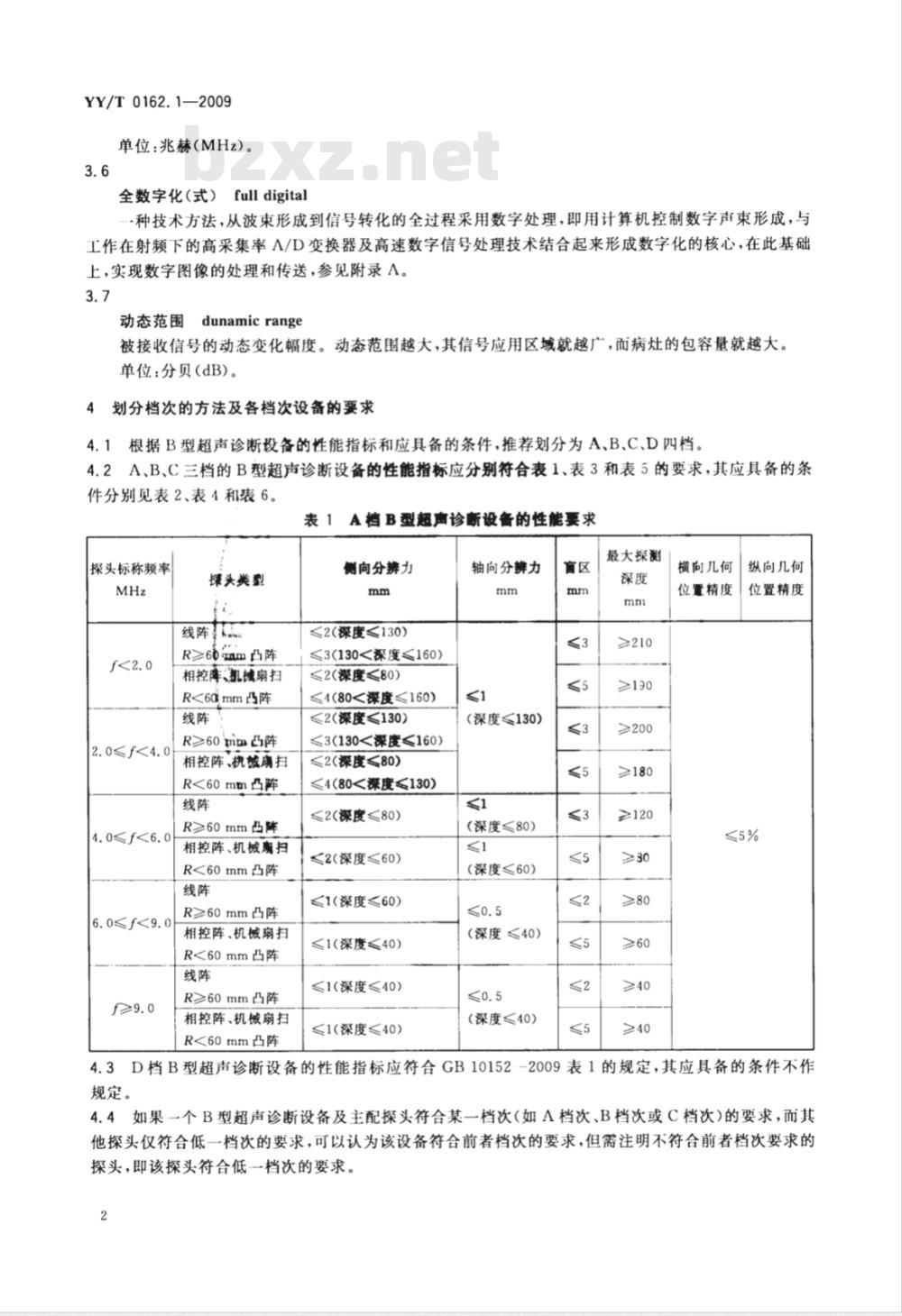
4划分档次的方法及各档次设备的要求4.1根据B型超声诊断设备的性能指标和应具备的条件,推荐划分为A、B、C、D四档。4.2A、B、C三档的B型超声诊断设备的性能指标应分别符合表1、表3和表5的要求,其应具备的条件分别见表2、表4和表6。
表1A档B型超声诊断设备的性能要求探头标称频率
2.0≤f<4.0
4.0≤f<6.0
6.0≤<9.0
操头类型
R≥66m凸阵
相控降、机械扇扫
R<6dmm凸阵
R≥60mm凸阵
相控阵、机械房扫
R<60mm凸阵
R≥60mm凸降
相控阵、机械扇扫
R<60nm凸阵
R≥60mm凸阵
相控阵、机械扇扫
R<60mm凸阵
R≥60mm凸阵
相控阵、机械扇扫
R<60mm凸阵
侧向分辨力
≤2(深度130)
≤3(130<深度≤160)
≤2(深度80)
《4(80<深度≤160)
《2(深度≤130)
《3(130<深度≤160)
《2(深度《80)
《4(80<深度《130)
《2(深度80)
≤2(深度≤60)
≤1(深度≤60)
≤1(深度≤40)
≤1(深度≤40)
≤1(深度≤40)
轴向分辨力
(深度≤130)
(深度≤80)
(深度≤60)
(深度≤40)
(深度≤40)
最大探测
≥210
≥190
≥200
≥180
≥120
横向几何
位置精度
纵向几何
位置精度
4.3D档B型超声诊断设备的性能指标应符合GB10152--2009表1的规定,其应具备的条件不作规定。
4.4如果个B型超声诊断设备及主配探头符合某一档次(如A档次、B档次或C档次)的要求,而其他探头仅符合低一档次的要求,可以认为该设备符合前者档次的要求,但需注明不符合前者档次要求的探头,即该探头符合低一档次的要求。2
5测试方法
5.1测试用体模的技术要求
参见GB10152--2009附录A。
5.2性能要求的试验方法
YY/T0162.1—2009
按GB10152—-2009的相关条款执行,GB10152--2009中没有规定的,企业标准宜给出试验或验证方法。
5.3关于应具备的条件
制造商应根据具体的设备,提出在技术上可行的方法(或通过其他有效的方法)以证明其设备符合应具备的条件。
表2A档B型超声诊断设备应具备的条件宽频带成像
最大阵元数
灰阶系数
接收信号动态范围
特殊探头
信号处理功能
声输出指数显示
DICOM接口
探头标称频率
2.0≤f<4.0
4.0≤f<6.0
6.0≤f<9.0
探头类型
R≥60mm凸阵
相控阵、机械扫
R<60mm凸阵
R≥60mm凸阵
相控阵、机械扇扫
R<60mm凸阵
R≥60mm凸阵
相控阵、机械扇扫
R<60mm凸阵
R≥60mm凸阵
相控阵、机械扇扫
R<60mm凸阵
R≥60mm凸阵
相控阵、机械扇扫
R<60mm凸阵
采用宽频带成像技术和变颊技术,同一探头的带宽系数大于或等于1,最高频率≥7.0MHz
≥128
≥256
≥90 dB
有腔内探头,容积探头(可选)
全数字化、实时全域动态骤焦,可变孔径,三维成像(可选)实时显示机械指数和热指数
有DICOM标准接口
表3B档B型超声诊断设备的性能要求侧向分辨力此内容来自标准下载网
《3(深度130)
≤4(130<深度《160)
3(深度80)
≤5(80<深度≤130)
《3(深度《130)
≤4(130<深度≤160)
《3(深度≤80)
≤4(80<深度≤130)
≤2(深度≤80)
≤2(深度≤60)
≤1(深度≤60)
≤1(深度≤40)
≤1(深度≤40)
<1(深度≤40)
轴向分辨力
(深度≤130)
(深度≤80)
(深度≤60)
(深度≤60)
(深度≤40)
(深度≤40)
最大探测
≥200
≥180
≥160
≥120
向几何
位置精度
纵向几何
位置精度
YY/T0162.1—2009
宽频带成像
最大阵元数
灰阶系数
接收信号动态范围
特殊探头
信号处理
声输出指数显示
DICOM接口
探头标称频率
2.0≤f<4.0
4.0≤f<6.0
6.0≤f<9.0
最大阵元数
灰阶系数
探头类型
R≥60mm凸阵
表4B档B型超声诊断设备应具备的条件采用宽频带成像技术和变频技术,同一探头的带宽系数大于或等于0.5,最高频率≥7.0MHz
≥256
≥80 dB
有腔内探头,容积探头(可选)全数字化,三维成像(可选)
实时显示机械指数和热指数
有DICOM标准接口
表5C档B型超声诊断设备的性能要求侧向分辨力
≤3(深度≤80)
≤4(80<深度≤130)
相控阵、机械扇扫
R<60mm凸阵
R≥60mm凸阵
相控阵、机械扇扫
R<60mm凸阵
R≥60mm凸阵
相控阵、机械扇扫
R<60mm凸阵
≤3(深度≤80)
≤4(80<深度≤130)
≤2(深度≤60)
≤2(深度≤40)
≤2(深度≤40)
<2(深度≤40)
轴向分辨力
(深度≤130)
(深度≤80)
(深度≤60)
(深度≤50)
(深度≤40)
最大探测
≥140
≥100
表6C档B型超声诊断设备应具备的条件≥64
≥256
接收信号动态范围
声输出指数显示
≥70 dB
实时显示机械指数和热指数(如适用)横向几何
位置精度
纵向几何
位置精度
附录A
(资料性附录)
全数字化超声诊断设备
YY/T 0162.1—2009
数字化技术的开发与应用伴随着现代超声诊断设备发展的整个进程。一般来说,可分为数字化后处理和数学化前(端)处理两个发展阶段。早在20世纪70年代中期,应用数学扫描转换(DSC)技术,将由换能器接收的组织界面回声信号经前置放大、射频放大、视频放大等模拟信号处理后,再经A/D转换变成数字信号进入图像存储器,接着按顿再经DSC转换变成图像进入图像存储器,接着按顿读出的图像数字信号再经D/A转换变成模拟信号进人显像管进行显示。显然DSC技术是种在回声模拟信号处理后进行的数字化后处理技术,由它带来超声诊断设备的一次重大的突破性进展,它实现了图像的存储、冻结、无闪烁和灰阶电视显示,随着高速器件的应用,逐步实现了实时动态显示,取得了临床应用的蓬勃发展。
20世纪80年代中期,国际上出现了将原来单一信号通道发展成同时发射和接收处理128路回声信号,并由计算机控制,由模、数混合运算,计算出符合声学理论计算的每个回波声束,由软件控制作动态聚焦、动态变迹、动态孔径和增强处理,这实际上是由软件控制实现回声信号的前端数字化处理,多通道同时处理提高了成像速度。随后,又出现了以全数学运算计算机控制的128通道回声信号进行前端数字处理的超声诊断设备。理论上,全数字声束成形技术能够进一步减少非线性衰减延迟的相关失真和信号传输损失,实现了按象素点聚焦声束。从电子技术的角度看,超声诊断设备中的波束形成器可以分为模拟式和数学式。数学式在接收的前段将回波信号转变成数字量,用数字电路来实现信号的延迟与叠加,这是两种技术的根本区别。目前采用全数字化技术已是超声诊断设备的发展趋势。在全数字化超声诊断设备中,每个换能器阵元所对应的接收通道都采用一个高速A/D转换器,直接对接收的射频回波信号进行采样和量化,并采用计算机控制的高性能数学式超声波束形成及控制系统。这种系统与工作在射频下的高采样率A/D变换器及高速数字信号处理技术结合起来,就形成全数字式超声诊断设备的核心。
超声诊断设备中的全数字化技术包含三个重要部分:即数字化声束形成技术;前端数字化或射频信号模数变换技术;宽频探头和宽频技术。宽频探头结合数字声束形成和射频数字化使现今的全数字化超声诊断设备能实现宽频技术,该技术可避免使用模拟式设备损失频带信息的弊端。所以宽频探头和宽频技术,不仅能解决分辨力和穿透力的矛盾,而且信息量丰富,有可能获取完整的组织结构反射的宽频信号。
全数字化技术还包括数字图像管理和存档(PACS)以及数字图像传输(DICOM)等系统。全数字式超声诊断设备采用数字波束形成技术,对发射和接收声波进行控制与处理,使合成波束具有精良的时间和空间特性,可以实现动态聚焦、动态孔径、动态变迹,从而获得分辩率高、动态范围大、旁瓣与噪声电平低、几何失真小的高质量超声图像,全数字化技术在一定程度解决了带宽、噪声、动态范围、暂态特性之间的矛盾,保证了超声诊断设备图像更清晰、更准确,分辨率更高,大大提高了超声诊断设备的整体质量和超声诊断的准确率。全数字式超声诊断设备通道部分框图如图A.1。它与常规模拟式超声诊断设备有两大重要区别:第一,在常规模拟式超声诊断设备中,延迟线采用多抽头的L-C模拟延迟线,靠电子开关控制,所以电路庞大,造价高,还会引起插入损耗、阻抗失配以及开关瞬态造成的假象,而且硬件系统不易调整延迟时间;而在全数字式超声诊断设备中,采用数字延线,延迟时间可用软件编程,在换用不同探头时,能自动配合或手动调整延迟时间至最佳状态。5
YY/T 0162.1—2009
第二,常规模拟式超声诊断设备在检波后才进行采样,采样率低。而在全数字式超声诊断设备中,为提高影像质量、降低模拟失真而直接对射频进行采样。此外,探头的每一个阵元都有单独的A/D转换和延迟与插补。
回波信号
回波信号
回波信号
深样A/L
采样A/D
数字延迟
数字延迟
图A.1全数字式超声诊断设备通道部分框图检液
YY/T 0162.1-2009
打印H期:2010年4月22HF009
中华人民共和国医药
行业标准
医用超声设备档次系列
第1部分:B型超声诊断设备
YY/T 0162.1--2009
中国标准出版社出版发行
北京复兴门外三里河北街16号
邮政编码:100045
网址www.spc.net.cn
电话:6852394668517548
中国标准出版社秦皇岛印刷厂印刷各地新华书店经销
开本880×12301/16
2010年3月第一版
印张0.75字数12千字
2010年3月第一次印刷
书号:155066·2-20361
1定价16.00元
由本社发行中心调换
如有印装差错
版权专有侵权必究
举报电话:(010)68533533
60021'2910 /
小提示:此标准内容仅展示完整标准里的部分截取内容,若需要完整标准请到上方自行免费下载完整标准文档。
中华人民共和国医药行业标准
YY/T0162.1—2009
代替YY/T0162.1--1994
医用超声设备档次系列
第1部分:B型超声诊断设备
Medical ultrasound equipment class series-Part 1:B mode ultrasound disgnostic equipment2009-11-15发布
国家食品药品监督管理局
2010-12-01实施
YY/T0162.1—2009
YY/T0162《医用超声设备档次系列》拟分成部分出版,各部分将按照不同的产品划分。目前计划发布如下部分:
-第1部分:B型超声诊断设备;
其他部分正在考虑中。
本部分为YY/T0162的第1部分。
本部分代替YY/T0162.1—1994《医用超声设备档次系列」第部分:B型超声诊断设备》。本部分与YY/T0162.1-1994相比主要变化如下:根据目前技术的发展,提高了一些技术要求的指标;将“功能要求”改为“应具备的条件”;增加了二个名词术语,即“全数字化(式)”和“动态范围”;增加了一个资料性附录,即“全数字化超声诊断设备”;重新划分了频率段。
本部分的附录A是资料性附录。
本部分由全国医用电器标准化技术委员会医用超声设备标准化分技术委员会(SAC/TC10/SC2)归口。
本部分起草单位:国家食品药品监督管理局湖北医疗器械质量监督检验中心。本部分主要起草人:蒋时霖、王志俭本部分于1994年5月首次发布。
1范围
医用超声设备档次系列
第1部分:B型超声诊断设备
YY/T0162.1—2009
YY/T0162的本部分规定了B型超声诊断设备档次划分的方法和各档次设备的性能指标及应具备的条件。
本部分适用于标称频率不超过15MHz范围内的B型超声诊断设备,作为此范围内B型超声诊断设备划分档次的参考依据。
本部分不适用于眼科专业超声诊断设备和血管内超声诊断设备。规范性引用文件
下列文件中的条款通过YY/T0162本部分的引用而成为本部分的条款。凡是注日期的引用文件,其随后所有的修改单(不包括勘误的内容)或修订版均不适用于本部分,然而,鼓励根据本部分达成协议的各方研究是否可使用这些文件的最新版本。凡是不注日期的引用文件,其最新版本适用于本部分。GB10152—2009B型超声诊断设备3术语和定义
下列术语和定义适用于YY/T0162的本部分。3.1
侧向分辨力
lateralresolution
在体模的规定深度处,扫描平面中垂直于超声波束轴的方向上,能够显示为两个清晰回波信号的两靶线之间的最小间距。
单位:毫米(mm)。
轴向分辨力axialresolution
在体模的规定深度处,沿超声波束轴能够显示为两个回波信号的两个靶线之间的最小间距。单位:毫米(mm)。
盲区deadzone
体模声窗表面与最近的、能明确成像的体模靶线之间的距离。单位:毫米(mm)。
探测深度
depthofpenetration
体模中能够明确成像的纵向线形靶群中最远靶线与声窗之间的距离。单位:毫米(mm)。
nominalfrequency
标称频率
设计者或制造商公布的系统超声工作频率。1
YY/T0162.1—2009
单位:兆赫(MHz)。
全数字化(式)fulldigital
·种技术方法,从波束形成到信号转化的全过程采用数字处理,即用计算机控制数字声束形成,与工作在射频下的高采集率A/D变换器及高速数字信号处理技术结合起来形成数字化的核心,在此基础上,实现数字图像的处理和传送,参见附录A。3.7
动态范围dunamicrange
被接收信号的动态变化幅度。动态范围越大,其信号应用区域就越广,而病灶的包容量就越大。单位:分贝(dB)。
4划分档次的方法及各档次设备的要求4.1根据B型超声诊断设备的性能指标和应具备的条件,推荐划分为A、B、C、D四档。4.2A、B、C三档的B型超声诊断设备的性能指标应分别符合表1、表3和表5的要求,其应具备的条件分别见表2、表4和表6。
表1A档B型超声诊断设备的性能要求探头标称频率
2.0≤f<4.0
4.0≤f<6.0
6.0≤<9.0
操头类型
R≥66m凸阵
相控降、机械扇扫
R<6dmm凸阵
R≥60mm凸阵
相控阵、机械房扫
R<60mm凸阵
R≥60mm凸降
相控阵、机械扇扫
R<60nm凸阵
R≥60mm凸阵
相控阵、机械扇扫
R<60mm凸阵
R≥60mm凸阵
相控阵、机械扇扫
R<60mm凸阵
侧向分辨力
≤2(深度130)
≤3(130<深度≤160)
≤2(深度80)
《4(80<深度≤160)
《2(深度≤130)
《3(130<深度≤160)
《2(深度《80)
《4(80<深度《130)
《2(深度80)
≤2(深度≤60)
≤1(深度≤60)
≤1(深度≤40)
≤1(深度≤40)
≤1(深度≤40)
轴向分辨力
(深度≤130)
(深度≤80)
(深度≤60)
(深度≤40)
(深度≤40)
最大探测
≥210
≥190
≥200
≥180
≥120
横向几何
位置精度
纵向几何
位置精度
4.3D档B型超声诊断设备的性能指标应符合GB10152--2009表1的规定,其应具备的条件不作规定。
4.4如果个B型超声诊断设备及主配探头符合某一档次(如A档次、B档次或C档次)的要求,而其他探头仅符合低一档次的要求,可以认为该设备符合前者档次的要求,但需注明不符合前者档次要求的探头,即该探头符合低一档次的要求。2
5测试方法
5.1测试用体模的技术要求
参见GB10152--2009附录A。
5.2性能要求的试验方法
YY/T0162.1—2009
按GB10152—-2009的相关条款执行,GB10152--2009中没有规定的,企业标准宜给出试验或验证方法。
5.3关于应具备的条件
制造商应根据具体的设备,提出在技术上可行的方法(或通过其他有效的方法)以证明其设备符合应具备的条件。
表2A档B型超声诊断设备应具备的条件宽频带成像
最大阵元数
灰阶系数
接收信号动态范围
特殊探头
信号处理功能
声输出指数显示
DICOM接口
探头标称频率
2.0≤f<4.0
4.0≤f<6.0
6.0≤f<9.0
探头类型
R≥60mm凸阵
相控阵、机械扫
R<60mm凸阵
R≥60mm凸阵
相控阵、机械扇扫
R<60mm凸阵
R≥60mm凸阵
相控阵、机械扇扫
R<60mm凸阵
R≥60mm凸阵
相控阵、机械扇扫
R<60mm凸阵
R≥60mm凸阵
相控阵、机械扇扫
R<60mm凸阵
采用宽频带成像技术和变颊技术,同一探头的带宽系数大于或等于1,最高频率≥7.0MHz
≥128
≥256
≥90 dB
有腔内探头,容积探头(可选)
全数字化、实时全域动态骤焦,可变孔径,三维成像(可选)实时显示机械指数和热指数
有DICOM标准接口
表3B档B型超声诊断设备的性能要求侧向分辨力此内容来自标准下载网
《3(深度130)
≤4(130<深度《160)
3(深度80)
≤5(80<深度≤130)
《3(深度《130)
≤4(130<深度≤160)
《3(深度≤80)
≤4(80<深度≤130)
≤2(深度≤80)
≤2(深度≤60)
≤1(深度≤60)
≤1(深度≤40)
≤1(深度≤40)
<1(深度≤40)
轴向分辨力
(深度≤130)
(深度≤80)
(深度≤60)
(深度≤60)
(深度≤40)
(深度≤40)
最大探测
≥200
≥180
≥160
≥120
向几何
位置精度
纵向几何
位置精度
YY/T0162.1—2009
宽频带成像
最大阵元数
灰阶系数
接收信号动态范围
特殊探头
信号处理
声输出指数显示
DICOM接口
探头标称频率
2.0≤f<4.0
4.0≤f<6.0
6.0≤f<9.0
最大阵元数
灰阶系数
探头类型
R≥60mm凸阵
表4B档B型超声诊断设备应具备的条件采用宽频带成像技术和变频技术,同一探头的带宽系数大于或等于0.5,最高频率≥7.0MHz
≥256
≥80 dB
有腔内探头,容积探头(可选)全数字化,三维成像(可选)
实时显示机械指数和热指数
有DICOM标准接口
表5C档B型超声诊断设备的性能要求侧向分辨力
≤3(深度≤80)
≤4(80<深度≤130)
相控阵、机械扇扫
R<60mm凸阵
R≥60mm凸阵
相控阵、机械扇扫
R<60mm凸阵
R≥60mm凸阵
相控阵、机械扇扫
R<60mm凸阵
≤3(深度≤80)
≤4(80<深度≤130)
≤2(深度≤60)
≤2(深度≤40)
≤2(深度≤40)
<2(深度≤40)
轴向分辨力
(深度≤130)
(深度≤80)
(深度≤60)
(深度≤50)
(深度≤40)
最大探测
≥140
≥100
表6C档B型超声诊断设备应具备的条件≥64
≥256
接收信号动态范围
声输出指数显示
≥70 dB
实时显示机械指数和热指数(如适用)横向几何
位置精度
纵向几何
位置精度
附录A
(资料性附录)
全数字化超声诊断设备
YY/T 0162.1—2009
数字化技术的开发与应用伴随着现代超声诊断设备发展的整个进程。一般来说,可分为数字化后处理和数学化前(端)处理两个发展阶段。早在20世纪70年代中期,应用数学扫描转换(DSC)技术,将由换能器接收的组织界面回声信号经前置放大、射频放大、视频放大等模拟信号处理后,再经A/D转换变成数字信号进入图像存储器,接着按顿再经DSC转换变成图像进入图像存储器,接着按顿读出的图像数字信号再经D/A转换变成模拟信号进人显像管进行显示。显然DSC技术是种在回声模拟信号处理后进行的数字化后处理技术,由它带来超声诊断设备的一次重大的突破性进展,它实现了图像的存储、冻结、无闪烁和灰阶电视显示,随着高速器件的应用,逐步实现了实时动态显示,取得了临床应用的蓬勃发展。
20世纪80年代中期,国际上出现了将原来单一信号通道发展成同时发射和接收处理128路回声信号,并由计算机控制,由模、数混合运算,计算出符合声学理论计算的每个回波声束,由软件控制作动态聚焦、动态变迹、动态孔径和增强处理,这实际上是由软件控制实现回声信号的前端数字化处理,多通道同时处理提高了成像速度。随后,又出现了以全数学运算计算机控制的128通道回声信号进行前端数字处理的超声诊断设备。理论上,全数字声束成形技术能够进一步减少非线性衰减延迟的相关失真和信号传输损失,实现了按象素点聚焦声束。从电子技术的角度看,超声诊断设备中的波束形成器可以分为模拟式和数学式。数学式在接收的前段将回波信号转变成数字量,用数字电路来实现信号的延迟与叠加,这是两种技术的根本区别。目前采用全数字化技术已是超声诊断设备的发展趋势。在全数字化超声诊断设备中,每个换能器阵元所对应的接收通道都采用一个高速A/D转换器,直接对接收的射频回波信号进行采样和量化,并采用计算机控制的高性能数学式超声波束形成及控制系统。这种系统与工作在射频下的高采样率A/D变换器及高速数字信号处理技术结合起来,就形成全数字式超声诊断设备的核心。
超声诊断设备中的全数字化技术包含三个重要部分:即数字化声束形成技术;前端数字化或射频信号模数变换技术;宽频探头和宽频技术。宽频探头结合数字声束形成和射频数字化使现今的全数字化超声诊断设备能实现宽频技术,该技术可避免使用模拟式设备损失频带信息的弊端。所以宽频探头和宽频技术,不仅能解决分辨力和穿透力的矛盾,而且信息量丰富,有可能获取完整的组织结构反射的宽频信号。
全数字化技术还包括数字图像管理和存档(PACS)以及数字图像传输(DICOM)等系统。全数字式超声诊断设备采用数字波束形成技术,对发射和接收声波进行控制与处理,使合成波束具有精良的时间和空间特性,可以实现动态聚焦、动态孔径、动态变迹,从而获得分辩率高、动态范围大、旁瓣与噪声电平低、几何失真小的高质量超声图像,全数字化技术在一定程度解决了带宽、噪声、动态范围、暂态特性之间的矛盾,保证了超声诊断设备图像更清晰、更准确,分辨率更高,大大提高了超声诊断设备的整体质量和超声诊断的准确率。全数字式超声诊断设备通道部分框图如图A.1。它与常规模拟式超声诊断设备有两大重要区别:第一,在常规模拟式超声诊断设备中,延迟线采用多抽头的L-C模拟延迟线,靠电子开关控制,所以电路庞大,造价高,还会引起插入损耗、阻抗失配以及开关瞬态造成的假象,而且硬件系统不易调整延迟时间;而在全数字式超声诊断设备中,采用数字延线,延迟时间可用软件编程,在换用不同探头时,能自动配合或手动调整延迟时间至最佳状态。5
YY/T 0162.1—2009
第二,常规模拟式超声诊断设备在检波后才进行采样,采样率低。而在全数字式超声诊断设备中,为提高影像质量、降低模拟失真而直接对射频进行采样。此外,探头的每一个阵元都有单独的A/D转换和延迟与插补。
回波信号
回波信号
回波信号
深样A/L
采样A/D
数字延迟
数字延迟
图A.1全数字式超声诊断设备通道部分框图检液
YY/T 0162.1-2009
打印H期:2010年4月22HF009
中华人民共和国医药
行业标准
医用超声设备档次系列
第1部分:B型超声诊断设备
YY/T 0162.1--2009
中国标准出版社出版发行
北京复兴门外三里河北街16号
邮政编码:100045
网址www.spc.net.cn
电话:6852394668517548
中国标准出版社秦皇岛印刷厂印刷各地新华书店经销
开本880×12301/16
2010年3月第一版
印张0.75字数12千字
2010年3月第一次印刷
书号:155066·2-20361
1定价16.00元
由本社发行中心调换
如有印装差错
版权专有侵权必究
举报电话:(010)68533533
60021'2910 /
小提示:此标准内容仅展示完整标准里的部分截取内容,若需要完整标准请到上方自行免费下载完整标准文档。
标准图片预览:





- 热门标准
- 医药行业标准(YY)
- YY/T1523-2017 二氧化碳测定试剂盒(PEPC酶法)
- YY/T0735.1-2009 ISO 9360-1 :2000 麻醉和呼吸设备湿化人体呼吸气体.的热湿交换器(HME) 第1部分:用于最小潮气量为250 mL的HME
- YY/T0652-2008 ISO 17853 :2003 植入物材料的磨损聚合物和金属材料磨屑分离、表征和定量分析方法
- YY/T1636-2018 组织工程医疗器械产品再生膝关节软骨的体内磁共振评价方法
- YY0762-2009 眼科光学囊袋张力环
- YY0004-1990 普通胸腔镊
- YY/T0703-2008 IEC 61390: 1996 超声实时脉冲回波系统性能试验方法
- YY/T0211-1995 药用中间体 青霉素钾
- YY/T0663-2008 无源外科植入物 心脏和血管植入物的特殊要求 动脉支架的专用要求
- YY/T0452-2003 止血钳
- YY0476-2004 眼内冲洗灌注液
- YY0781-2010 血压传感器
- YY/T0916.1-2014 医用液体和气体用小孔径连接件 第1部分:通用要求
- YY/T0182-2013 宫内节育器取出钩
- YY/T1268-2015 环氧乙烷灭菌的产品追加和过程等效
- 行业新闻
请牢记:“bzxz.net”即是“标准下载”四个汉字汉语拼音首字母与国际顶级域名“.net”的组合。 ©2025 标准下载网 www.bzxz.net 本站邮件:bzxznet@163.com
网站备案号:湘ICP备2025141790号-2
网站备案号:湘ICP备2025141790号-2