- 您的位置:
- 标准下载网 >>
- 标准分类 >>
- 机械行业标准(JB) >>
- JB/T 2776-2010 阀门零部件 高压透镜垫
标准号:
JB/T 2776-2010
标准名称:
阀门零部件 高压透镜垫
标准类别:
机械行业标准(JB)
标准状态:
现行-
发布日期:
2010-02-11 出版语种:
简体中文下载格式:
.rar .pdf下载大小:
1.34 MB

点击下载
标准简介:
标准下载解压密码:www.bzxz.net
本标准规定了法兰连接锻造角式高压阀门用有孔透镜垫、无孔透镜垫的形式、尺寸、材料和要求。本标准适用于公称压力PN160~PN320、公称尺寸DN3~DN200、使用温度为(-30~200)℃的有孔和无孔透镜垫。 JB/T 2776-2010 阀门零部件 高压透镜垫 JB/T2776-2010

部分标准内容:
ICS23.060
备案号:28591-2010
中华人民共和国机械行业标准
JB/T2776—2010
代替JB/T2776-—1992
JB/T 2777--1992
阀门零部件
高压透镜垫
Components of valves - High pressure lens gaskets2010-02-11发布
2010-07-01实施
中华人民共和国工业和信息化部发布前言
规范性引用文件
结构形式与尺寸
要求,
标记示例,
有孔透镜垫
无孔透镜垫
有孔透镜垫结构形式
无孔透镜垫结构形式
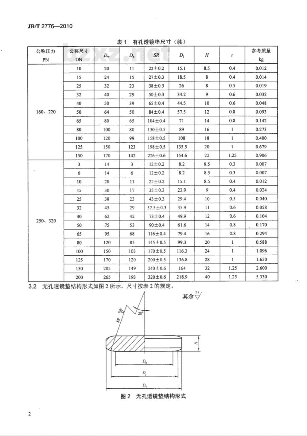
表1有孔透镜垫尺寸...
表2无孔透镜垫尺寸,
表3透镜垫材料.
表4材料硬度
JB/T2776—2010
JB/T2776——2010
本标准代替JB/T2776-1992《PN16.0~32.0MPa透镜垫》、JB/T2777—1992《PN16.0~32.0MPa无孔透镜垫》。
本标准与JB/T2776—1992和JB/T2777—1992相比,主要变化如下:-标准格式上有较大变化,将2项标准合并为一项;增加了标准的前言;免费标准下载网bzxz
一示意图全部按新制图标准进行了重新绘制。本标准由中国机械工业联合会提出。本标准由全国阀门标准化技术委员会(SAC/TC188)归口。本标准起草单位:保一集团有限公司、合肥通用机械研究院、安徽省屯溪高压阀门有限公司、江苏神通阀门有限公司、宁波埃美柯铜阀门有限公司、北京阀门总厂有限责任公司、浙江超达阀门股份有限公司、上海良工阀门厂有限公司。本标准主要起草人:张晓忠、刘晓春、王晓钧、曹耀华、张逸芳、郑雪珍、张清双、邱晓来、杨恒、王黎明。
本标准所代替标准的历次版本发布情况为:-JB2776—1975、JB/T2776—1992;-JB2777—1975、JB/T2777—1992。范围
阀门零部件高压透镜垫
JB/T2776-—2010
本标准规定了法兰连接锻造角式高压阀门用有孔透镜垫、无孔透镜垫的结构形式、尺寸、材料和要求。本标准适用于公称压力PN160~PN320、公称尺寸DN3~DN200、使用温度为-30℃~200℃的有孔和无孔透镜垫。
2规范性引用文件
下列文件中的条款通过本标准的引用而成为本标准的条款。凡是注日期的引用文件,其随后所有的修改单(不包括勘误的内容)或修订版均不适用于本标准,然而,鼓励根据本标准达成协议的各方研究是否可使用这些文件的最新版本。凡是不注日期的引用文件,其最新版本适用于本标准。GB/T699-1999优质碳素结构钢
GB/T1220—2007不锈钢棒
GB/T3620.1—2007钛及钛合金牌号和化学成分JB/T450锻造角式高压阀门技术条件3结构形式与尺寸
3.1有孔透镜垫结构形式如图1所示,尺寸按表1的规定。其余
图1有孔透镜垫结构形式
表1有孔透镜垫尺寸
单位:mm
公称压力
160、220
公称尺寸
参考质量
JB/T2776—2010
公称压力
160、220
250、320
公称尺寸
有孔透镜垫尺寸(续)
52.5±0.3
尺寸按表2的规定。
2无孔透镜垫结构形式如图2所示。3.2
图2无孔透镜垫结构形式
参考质量
公称压力
160、220
250、320
公称尺寸
无孔透镜垫尺寸
透镜垫应能承受的公称压力为PN160PN320。透镜垫材料按表3的规定。
材料牌号
52.5±0.3
透镜垫材料
0Cr18Ni9Ti、0Cr17Ni12Mo2、0Cr17Mn13Mo2N、00Cr17Ni14Mo2TA3、TC4
热处理后的硬度按表4的规定。
透镜垫材料经加工后应进行热处理,JB/T2776-2010
单位:mm
标准号
GB/T699
GB/T1220
GB/T3620.1
参考质量
JB/T2776—-2010
材料牌号
OCr18Ni9Ti
0Cr17Ni12Mo2
0Cr17Mn13Mo2N
00Cr17Ni14Mo2
TA3、TC4
4材料硬度
其他技术要求和检验规则应符合JB/T450的规定,标记示例
5.1有孔透镜垫
标记示例:
外径50mm,内径39mm的有孔透镜垫:有孔透镜垫
50×39JB/T2776
5.2无孔透镜垫
标记示例:
外径50mm,厚10mm的无孔透镜垫:50×10JB/T2776
无孔透镜垫
≤156
≤170
≤185
≤250
≤187
中华人民共和
机械行业标准
阀门零部件高压透镜垫
JB/T2776—2010
机械1\业出版社出版发行
北京市百万庄大街22号
邮政编码:100037
210mm×297mm·0.75印张·13千字2010年7月第1版第1次印刷
定价:12.00元
书号:15111·9711
网址:http://www.cmpbook.com编辑部电话:(010)88379778
直销中心电话:
(010)88379693
封面无防伪标均为盗版
版权专有
侵权必究
小提示:此标准内容仅展示完整标准里的部分截取内容,若需要完整标准请到上方自行免费下载完整标准文档。
备案号:28591-2010
中华人民共和国机械行业标准
JB/T2776—2010
代替JB/T2776-—1992
JB/T 2777--1992
阀门零部件
高压透镜垫
Components of valves - High pressure lens gaskets2010-02-11发布
2010-07-01实施
中华人民共和国工业和信息化部发布前言
规范性引用文件
结构形式与尺寸
要求,
标记示例,
有孔透镜垫
无孔透镜垫
有孔透镜垫结构形式
无孔透镜垫结构形式
表1有孔透镜垫尺寸...
表2无孔透镜垫尺寸,
表3透镜垫材料.
表4材料硬度
JB/T2776—2010
JB/T2776——2010
本标准代替JB/T2776-1992《PN16.0~32.0MPa透镜垫》、JB/T2777—1992《PN16.0~32.0MPa无孔透镜垫》。
本标准与JB/T2776—1992和JB/T2777—1992相比,主要变化如下:-标准格式上有较大变化,将2项标准合并为一项;增加了标准的前言;免费标准下载网bzxz
一示意图全部按新制图标准进行了重新绘制。本标准由中国机械工业联合会提出。本标准由全国阀门标准化技术委员会(SAC/TC188)归口。本标准起草单位:保一集团有限公司、合肥通用机械研究院、安徽省屯溪高压阀门有限公司、江苏神通阀门有限公司、宁波埃美柯铜阀门有限公司、北京阀门总厂有限责任公司、浙江超达阀门股份有限公司、上海良工阀门厂有限公司。本标准主要起草人:张晓忠、刘晓春、王晓钧、曹耀华、张逸芳、郑雪珍、张清双、邱晓来、杨恒、王黎明。
本标准所代替标准的历次版本发布情况为:-JB2776—1975、JB/T2776—1992;-JB2777—1975、JB/T2777—1992。范围
阀门零部件高压透镜垫
JB/T2776-—2010
本标准规定了法兰连接锻造角式高压阀门用有孔透镜垫、无孔透镜垫的结构形式、尺寸、材料和要求。本标准适用于公称压力PN160~PN320、公称尺寸DN3~DN200、使用温度为-30℃~200℃的有孔和无孔透镜垫。
2规范性引用文件
下列文件中的条款通过本标准的引用而成为本标准的条款。凡是注日期的引用文件,其随后所有的修改单(不包括勘误的内容)或修订版均不适用于本标准,然而,鼓励根据本标准达成协议的各方研究是否可使用这些文件的最新版本。凡是不注日期的引用文件,其最新版本适用于本标准。GB/T699-1999优质碳素结构钢
GB/T1220—2007不锈钢棒
GB/T3620.1—2007钛及钛合金牌号和化学成分JB/T450锻造角式高压阀门技术条件3结构形式与尺寸
3.1有孔透镜垫结构形式如图1所示,尺寸按表1的规定。其余
图1有孔透镜垫结构形式
表1有孔透镜垫尺寸
单位:mm
公称压力
160、220
公称尺寸
参考质量
JB/T2776—2010
公称压力
160、220
250、320
公称尺寸
有孔透镜垫尺寸(续)
52.5±0.3
尺寸按表2的规定。
2无孔透镜垫结构形式如图2所示。3.2
图2无孔透镜垫结构形式
参考质量
公称压力
160、220
250、320
公称尺寸
无孔透镜垫尺寸
透镜垫应能承受的公称压力为PN160PN320。透镜垫材料按表3的规定。
材料牌号
52.5±0.3
透镜垫材料
0Cr18Ni9Ti、0Cr17Ni12Mo2、0Cr17Mn13Mo2N、00Cr17Ni14Mo2TA3、TC4
热处理后的硬度按表4的规定。
透镜垫材料经加工后应进行热处理,JB/T2776-2010
单位:mm
标准号
GB/T699
GB/T1220
GB/T3620.1
参考质量
JB/T2776—-2010
材料牌号
OCr18Ni9Ti
0Cr17Ni12Mo2
0Cr17Mn13Mo2N
00Cr17Ni14Mo2
TA3、TC4
4材料硬度
其他技术要求和检验规则应符合JB/T450的规定,标记示例
5.1有孔透镜垫
标记示例:
外径50mm,内径39mm的有孔透镜垫:有孔透镜垫
50×39JB/T2776
5.2无孔透镜垫
标记示例:
外径50mm,厚10mm的无孔透镜垫:50×10JB/T2776
无孔透镜垫
≤156
≤170
≤185
≤250
≤187
中华人民共和
机械行业标准
阀门零部件高压透镜垫
JB/T2776—2010
机械1\业出版社出版发行
北京市百万庄大街22号
邮政编码:100037
210mm×297mm·0.75印张·13千字2010年7月第1版第1次印刷
定价:12.00元
书号:15111·9711
网址:http://www.cmpbook.com编辑部电话:(010)88379778
直销中心电话:
(010)88379693
封面无防伪标均为盗版
版权专有
侵权必究
小提示:此标准内容仅展示完整标准里的部分截取内容,若需要完整标准请到上方自行免费下载完整标准文档。

标准图片预览:





- 其它标准
- 热门标准
- 机械行业标准(JB)
- JB/T6882-2006 泵可靠性验证试验
- JB/T10398-2004 离网型风力发电系统售后技术服务规范
- JB/T9592.2-1999 全金属12角法兰面锁紧螺母 技术条件
- JB/T4718-1992 管壳式换热器用金属包垫片
- JB/T2436.1-1992 导线用铜压接端头 第一部分: 0.5~6.0mm2导线用铜压接端头
- JB8734.2-1998 额定电压 450/750V及以下聚氯乙烯绝缘电缆电线和软线第2部分: 固定布线用电缆电线
- JB/T10325-2002 锅炉除氧器 技术条件
- JB/T10187-2011 滚动轴承 深沟球轴承振动
- JB/T7991.4-2001 电镀超硬磨料制品 磨头
- JB2901-2020 汽轮机防锈技术条件
- JB/T8854.2-2001 GⅡCL型、GⅡCLZ型鼓形齿式联轴器
- JBJ10-1996 机械工厂采暖通风与空气调节设计规范
- JB/T2740-2008 工业机械电气设备 电气图、图解和表的绘制
- JB/T6313.2-1992 电工铜编织线 斜纹编织线
- JB/T10472-2005 光轮压路机
- 行业新闻
请牢记:“bzxz.net”即是“标准下载”四个汉字汉语拼音首字母与国际顶级域名“.net”的组合。 ©2009 标准下载网 www.bzxz.net 本站邮件:bzxznet@163.com
网站备案号:湘ICP备2023016450号-1
网站备案号:湘ICP备2023016450号-1