- 您的位置:
- 标准下载网 >>
- 标准分类 >>
- 机械行业标准(JB) >>
- JB/T 6369-1992 柔性石墨金属缠绕垫片 技术条件
标准号:
JB/T 6369-1992
标准名称:
柔性石墨金属缠绕垫片 技术条件
标准类别:
机械行业标准(JB)
英文名称:
Technical requirements for flexible graphite spiral wound gaskets标准状态:
已作废-
发布日期:
1992-07-15 -
实施日期:
1993-01-01 -
作废日期:
2006-02-01 出版语种:
简体中文下载格式:
.rar.pdf下载大小:
898.45 KB
替代情况:
被JB/T 6369-2005代替
部分标准内容:
中华人民共和国机械行业标准
JB/T 6369-1992
柔性石墨金属缠绕垫片技术条件1992-07-15发布
中华人民共和国机械电子工业部1993-01-01实施
中华人民共和国机械行业标准
柔性石墨金属缠绕垫片技术条件1主题内容与适用范围
JB/T6369-1992
本标准规定了柔性石墨金属缠绕垫片(以下简称垫片)的技术要求、检验方法和检验规则。本标准适用于法兰用柔性石墨金属缠绕垫片。2
引用标准
GB4239
GB12385
GB/T12621
GB/T12622
ZBJ22 019
技术要求
不锈钢冷轧钢带
管法兰用垫片密封性能试验方法管法兰用垫片应力松驰试验方法管法兰用垫片压缩率及回弹率试验方法金属缠绕垫用柔性石墨带技术条件垫片用金属带材,采用厚度为0.15~0.25mm的0Cr18Ni9冷轧钢带,也可选用0Cr13,1Cr13,1Cr18Ni9Ti,0Cr17Ni12Mo2Ti或根据用户要求的其他金属带材。所有材料应满足下列要求:材料的化学成分和尺寸偏差应符合GB4239的规定或用户要求;a.
b.不锈钢带硬度为140~160HB或按用户要求:金属带表面应光滑、洁净,不允许有粗糙不平、裂纹、划伤和锈斑等缺陷。c.
垫片用柔性石墨带的性能应符合表1的规定。表1
拉伸强度
硫含量
氯含量
热失量
450℃
600℃
≤100
垫片内外环材料为碳钢(用户有特殊要求者除外)。由碳钢制成的内外环应进行防锈处理。外观质量
3.2.1垫片本体表面不应有伤痕、凹凸不平、空隙、锈斑等缺陷。
垫片本体表面柔性石墨带应均匀突出金属带,且光洁平整。3.2.2
垫片由V型金属带和柔性石墨带相互重叠连续缠绕而成,金属带与柔性石墨带应紧密贴合,机械电子工业部1992-07-15批准1993-01-01实施
层次均匀,不应有皱折、空隙等缺陷。JB/T6369-1992
缠绕时,初绕和终绕一般各应有不少于3圈的金属带,其间不填入柔性石墨带。3.2.4
垫片外环在贮存和运输过程中不应与本体脱落垫片主体内、外侧点焊数应符合表2的规定。3.2.6
公称直径mm
100-300
350~500
≥650
内焊点数
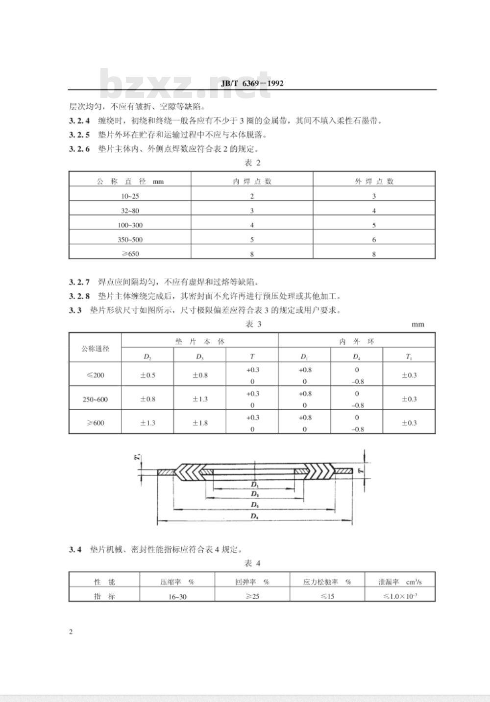
焊点应间隔均匀,不应有虚焊和过熔等缺陷。垫片主体缠绕完成后,其密封面不允许再进行预压处理或其他加工。垫片形状尺寸如图所示,
尺寸极限偏差应符合表3的规定或用户要求。表3
公称通径
≤200
250~600
≥600
垫片本体
密封性能指标应符合表4规定。
垫片机械、
压缩率%
回弹率
外焊点数
内外环
应力松驰率
泄漏率cm'/s
≤1.0×103
4检验方法
4.1尺寸测量
JB/T6369-1992
垫片的尺寸用精度为0.02mm的游标卡尺测量,精确到0.1mm。4.1.1
2本体内、外径应避开钢带焊点部位测量,取相互垂直的任意两处测量值的算术平均值,4.1.3内环内径和外环外径,取相互垂直的任意两处测量值的算术平均值。垫片本体厚度取沿圆周方向均匀排列的3点测量值的算术平均值。4.1.4
内、外环厚度取沿圆周方向均匀排列的3点测量值的算术平均值。4.2垫片应力松驰率的测试按GB/T12621进行。4.3垫片压缩率、回弹率的测试按GB/T12622进行。基本型、带内环型、带外环型垫片应放在样槽中测试,样槽的尺寸按样槽法兰的有关标准。4.4垫片密封性能的测试按GB12385进行。基本型、带内环型、带外环型垫片应放在相中测试,样槽的尺寸按样槽法兰的有关标准。垫片用柔性石墨带拉伸强度、热失量的测试按ZBJ22019中第4.2条执行。4.5
4.6垫片用柔性石墨带的硫、氯含量应符合有关标准的规定。4.7垫片的外观质量用目视检查。5检验规则
所有产品必须经过检验,检验合格才能出厂。5.2垫片的抽样方法为随机抽取
5.3出厂检验
出厂检验项目按本标准第3.2-3.3条规定或按用户要求进行。5.3.1
同一品种同一规格的垫片每100片为一批(不足100片视为一批)。每批抽取5片遂项进行检验,如有1片不符合本标准的规定,则加倍抽样进行复查,如还有1片不符合本标准的规定,则该批产品为不合格品。
5.4型式检验
5.4.1有下列情况之一时,应进行型式检验:a.产品转型;
b.产品结构、材料、工艺等有较大改变;c,连续生产时间满一年;
d.停产时间超过六个月;
e,出厂检验结果与上次型式检验有较大差异:f.上级质量监督机构要求进行型式检验。5.4.2型式检验的项目按本标准第3.1~3.4条规定执行。5.4.3
同一品种的垫片为一批,每批每个测试项目取3片试样遂片进行检验,如其中有1片不符合本标准规定,则加倍取样进行复查;如仍有1片不符合本标准规定,则该项目为不合格,该批产品为不合格品。
标志、包装、运输及贮存
垫片的包装箱上应注明:
a.产品名称:
b.制造厂名:
c、毛重、净重;
d.制造日期或生产批号。
JB/T 6369-1992
垫片的包装应保证其在贮存和运输过程中不致损坏或遗失。包装箱内应附有装箱单,其上注明:a.产品名称;
产品商标;
制造厂名:
产品数量;
制造日期。
包装箱内应附有产品合格证,其上注明:a.批号:
标准号:
c,检验员姓名或代号。
6.3运输及存
6.3.1垫片在运输过程中必须防止雨淋或受潮。6.3.2
垫片应贮存在清洁、干燥通风的仓库内。附加说明:
本标准由机械电子工业部合肥通用机械研究所提出并归口。本标准由合肥通用机械研究所负责起草。本标准主要起草人张维仁。
中华人民共和国
机械行业标准
柔性石墨金属缠绕垫片技术条件JB/T 63691992
机械科学研究院出版发行
机械科学研究院印剧
(北京首体南路2号
邮编100044)bzxz.net
字数8.000
开本880×1230
印张1/2
1993年10月第一版
1993年10月第一次印刷
印数1-500
定价6.00元
机械工业标准服务网:http=//www.JB.ac.cn261_6959
小提示:此标准内容仅展示完整标准里的部分截取内容,若需要完整标准请到上方自行免费下载完整标准文档。
JB/T 6369-1992
柔性石墨金属缠绕垫片技术条件1992-07-15发布
中华人民共和国机械电子工业部1993-01-01实施
中华人民共和国机械行业标准
柔性石墨金属缠绕垫片技术条件1主题内容与适用范围
JB/T6369-1992
本标准规定了柔性石墨金属缠绕垫片(以下简称垫片)的技术要求、检验方法和检验规则。本标准适用于法兰用柔性石墨金属缠绕垫片。2
引用标准
GB4239
GB12385
GB/T12621
GB/T12622
ZBJ22 019
技术要求
不锈钢冷轧钢带
管法兰用垫片密封性能试验方法管法兰用垫片应力松驰试验方法管法兰用垫片压缩率及回弹率试验方法金属缠绕垫用柔性石墨带技术条件垫片用金属带材,采用厚度为0.15~0.25mm的0Cr18Ni9冷轧钢带,也可选用0Cr13,1Cr13,1Cr18Ni9Ti,0Cr17Ni12Mo2Ti或根据用户要求的其他金属带材。所有材料应满足下列要求:材料的化学成分和尺寸偏差应符合GB4239的规定或用户要求;a.
b.不锈钢带硬度为140~160HB或按用户要求:金属带表面应光滑、洁净,不允许有粗糙不平、裂纹、划伤和锈斑等缺陷。c.
垫片用柔性石墨带的性能应符合表1的规定。表1
拉伸强度
硫含量
氯含量
热失量
450℃
600℃
≤100
垫片内外环材料为碳钢(用户有特殊要求者除外)。由碳钢制成的内外环应进行防锈处理。外观质量
3.2.1垫片本体表面不应有伤痕、凹凸不平、空隙、锈斑等缺陷。
垫片本体表面柔性石墨带应均匀突出金属带,且光洁平整。3.2.2
垫片由V型金属带和柔性石墨带相互重叠连续缠绕而成,金属带与柔性石墨带应紧密贴合,机械电子工业部1992-07-15批准1993-01-01实施
层次均匀,不应有皱折、空隙等缺陷。JB/T6369-1992
缠绕时,初绕和终绕一般各应有不少于3圈的金属带,其间不填入柔性石墨带。3.2.4
垫片外环在贮存和运输过程中不应与本体脱落垫片主体内、外侧点焊数应符合表2的规定。3.2.6
公称直径mm
100-300
350~500
≥650
内焊点数
焊点应间隔均匀,不应有虚焊和过熔等缺陷。垫片主体缠绕完成后,其密封面不允许再进行预压处理或其他加工。垫片形状尺寸如图所示,
尺寸极限偏差应符合表3的规定或用户要求。表3
公称通径
≤200
250~600
≥600
垫片本体
密封性能指标应符合表4规定。
垫片机械、
压缩率%
回弹率
外焊点数
内外环
应力松驰率
泄漏率cm'/s
≤1.0×103
4检验方法
4.1尺寸测量
JB/T6369-1992
垫片的尺寸用精度为0.02mm的游标卡尺测量,精确到0.1mm。4.1.1
2本体内、外径应避开钢带焊点部位测量,取相互垂直的任意两处测量值的算术平均值,4.1.3内环内径和外环外径,取相互垂直的任意两处测量值的算术平均值。垫片本体厚度取沿圆周方向均匀排列的3点测量值的算术平均值。4.1.4
内、外环厚度取沿圆周方向均匀排列的3点测量值的算术平均值。4.2垫片应力松驰率的测试按GB/T12621进行。4.3垫片压缩率、回弹率的测试按GB/T12622进行。基本型、带内环型、带外环型垫片应放在样槽中测试,样槽的尺寸按样槽法兰的有关标准。4.4垫片密封性能的测试按GB12385进行。基本型、带内环型、带外环型垫片应放在相中测试,样槽的尺寸按样槽法兰的有关标准。垫片用柔性石墨带拉伸强度、热失量的测试按ZBJ22019中第4.2条执行。4.5
4.6垫片用柔性石墨带的硫、氯含量应符合有关标准的规定。4.7垫片的外观质量用目视检查。5检验规则
所有产品必须经过检验,检验合格才能出厂。5.2垫片的抽样方法为随机抽取
5.3出厂检验
出厂检验项目按本标准第3.2-3.3条规定或按用户要求进行。5.3.1
同一品种同一规格的垫片每100片为一批(不足100片视为一批)。每批抽取5片遂项进行检验,如有1片不符合本标准的规定,则加倍抽样进行复查,如还有1片不符合本标准的规定,则该批产品为不合格品。
5.4型式检验
5.4.1有下列情况之一时,应进行型式检验:a.产品转型;
b.产品结构、材料、工艺等有较大改变;c,连续生产时间满一年;
d.停产时间超过六个月;
e,出厂检验结果与上次型式检验有较大差异:f.上级质量监督机构要求进行型式检验。5.4.2型式检验的项目按本标准第3.1~3.4条规定执行。5.4.3
同一品种的垫片为一批,每批每个测试项目取3片试样遂片进行检验,如其中有1片不符合本标准规定,则加倍取样进行复查;如仍有1片不符合本标准规定,则该项目为不合格,该批产品为不合格品。
标志、包装、运输及贮存
垫片的包装箱上应注明:
a.产品名称:
b.制造厂名:
c、毛重、净重;
d.制造日期或生产批号。
JB/T 6369-1992
垫片的包装应保证其在贮存和运输过程中不致损坏或遗失。包装箱内应附有装箱单,其上注明:a.产品名称;
产品商标;
制造厂名:
产品数量;
制造日期。
包装箱内应附有产品合格证,其上注明:a.批号:
标准号:
c,检验员姓名或代号。
6.3运输及存
6.3.1垫片在运输过程中必须防止雨淋或受潮。6.3.2
垫片应贮存在清洁、干燥通风的仓库内。附加说明:
本标准由机械电子工业部合肥通用机械研究所提出并归口。本标准由合肥通用机械研究所负责起草。本标准主要起草人张维仁。
中华人民共和国
机械行业标准
柔性石墨金属缠绕垫片技术条件JB/T 63691992
机械科学研究院出版发行
机械科学研究院印剧
(北京首体南路2号
邮编100044)bzxz.net
字数8.000
开本880×1230
印张1/2
1993年10月第一版
1993年10月第一次印刷
印数1-500
定价6.00元
机械工业标准服务网:http=//www.JB.ac.cn261_6959
小提示:此标准内容仅展示完整标准里的部分截取内容,若需要完整标准请到上方自行免费下载完整标准文档。
标准图片预览:





- 其它标准
- 热门标准
- 机械行业标准(JB)
- JB/T10738-2007 额定电压35kV及以下挤包绝缘电缆用半导电屏蔽料
- JB/T2161-2007 筒型外滤式真空过滤机
- JB2512-1978 组合机床通用部件 多边形中间底座名义尺寸、参数、互换尺寸
- JB/T2001.22-1999 水系统 压力表开关 型式与尺寸(PN=31.5MPa)
- JB/T3954.1-1999 弧齿锥齿轮磨齿机 精度检验
- JB/T4015.6-1999 电缆设备通用部件 收放线装置 第6部分:静盘放线装置
- JB3205-1983 轮胎气门芯扳手
- JB/DQ8193.3-1987 PND系列机用线盘 第3部分:钢板冲压卷边机用线盘
- JB/T11459-2013 印刷机械 卷筒料圆压圆烫印机
- JB/T6756.9-1993 电线电缆专用设备检测方法 第9部分:QH系列漆包设备
- JB/T7092-1993 银基复层电触头 基本性能测量方法
- JB/T2960-1999 巷道堆垛起重机 型式与基本参数
- JBN3989-1985 渐开线圆柱齿轮磨齿机 制造与验收技术要求
- JB/T7466-1994 实验室离心机 基本参数与型号编制方法
- JB/T54427-1994 碟形砂轮磨齿机产品质量分等
- 行业新闻
请牢记:“bzxz.net”即是“标准下载”四个汉字汉语拼音首字母与国际顶级域名“.net”的组合。 ©2025 标准下载网 www.bzxz.net 本站邮件:bzxznet@163.com
网站备案号:湘ICP备2025141790号-2
网站备案号:湘ICP备2025141790号-2