- 您的位置:
- 标准下载网 >>
- 标准分类 >>
- 机械行业标准(JB) >>
- JB/T 10869-2008 中大型高、低电压潜水泵电动机(机座号315~710)
标准号:
JB/T 10869-2008
标准名称:
中大型高、低电压潜水泵电动机(机座号315~710)
标准类别:
机械行业标准(JB)
标准状态:
现行-
发布日期:
2008-06-04 -
实施日期:
2008-11-01 出版语种:
简体中文下载格式:
.rar.pdf下载大小:
7.74 MB

点击下载
标准简介:
标准下载解压密码:www.bzxz.net
本标准规定了中大型高、低电压潜水泵电动机的型式、型号、基本参数与尺寸、技术要求、检验规则、标志、包装的要求。本标准适用于与中大型水泵连成一体,潜入水中抽、排、灌水(或类似用途),运行功率为110kW~1400kW的中大型高、低电压潜水泵三相异步电动机(机座号315~710)。 JB/T 10869-2008 中大型高、低电压潜水泵电动机(机座号315~710) JB/T10869-2008

部分标准内容:
ICS29.160.30
备案号:24535—2008
中华人民共和国机械行业标准
JB/T108692008
中大型高、低电压潜水泵电动机(机座号315~710)
Medium to large size, low and highVoltage submersible-pumps motor(Framefrom315710)
2008-06-04发布
2008-11-01实施
中华人民共和国国家发展和改革委员会发布前言.
范围、
规范性引用文件
3型式、基本参数与尺寸..
技术要求
检验规则,
标志、包装及保用期,
JB/T10868-2008
本标准由中国机械工业联合会提出。前言
本标准由全国旋转电机标准化技术委员会(SAC/TC26)归口。本标准负责起草单位:苏州世发通用泵业电机有限公司。JB/T10869—2008
本标准参加起草单位:上海电气集团上海电机厂有限公司、南通天风公司、无锡锡泵制泵有限公司、泰州泰丰泵业有限公司、镇江国泉泵业有限公司、江苏河海给排水成套设备有限公司、上海连成(集团)有限公司、南京蓝深制泵集团股份有限公司。本标准主要起草人:李云罡、陆水法、石朝龙本标准为首次发布。
1范围
中大型高、低电压潜水泵电动机(机座号315~710)
JB/T10869—2008
本标准规定了中大型高、低电压潜水泵三相异步电动机的型式、型号、基本参数与尺寸、技术要求、检验规则以及标志和包装的要求。本标准适用于与中大型水泵连成一体,潜人水中抽、排、灌水(或类似用途),运行功率为110kW~1400kW的中大型高、低电压潜水泵三相异步电动机(机座号315~710)(以下简称电动机)。2规范性引用文件
下列文件中的条款通过本标准的引用而成为本标准的条款。凡是注日期的引用文件,其随后所有的修改单(不包括勘误的内容)或修订版均不适用于本标准,然而,鼓励根据本标准达成协议的各方研究是否可使用这些文件的最新版本。凡是不注日期的引用文件,其最新版本适用于本标准。GB/T191—2000包装储运图示标志(eqvISO708:1997)GB755—2000旋转电机定额和性能(idtEC60034-1:1996)GB/T997—2003旋转电机结构及安装型式(IM代号)(IEC60034-7:1992,DT)GB/T1032—2005三相异步电动机试验方法GB/T1220—1992不锈钢棒
GB/T1348--1988球墨铸铁件
GB/T1993—1993
旋转电机冷却方法(idtIEC60034-6:1991)GB/T4772.1—1999
(idtIEC60072-1:1991)
GB/T4772.2--1999
旋转电机尺寸和输出功率等级第1部分:机座号56400和凸缘号551080旋转电机尺寸和输出功率等级第2部分:机座号3551000和凸缘号1180~2360(idtIEC60072-2:1990)
GB/T4942.1—2006旋转电机整体结构的防护等级(IP代码)分级(EC60034-5:2000,IDT)GB5013.4—1997
60245-4:1994)
GB/T9439—1988
GB100682000
60034-14:1996)
额定电压450/750V及以下橡皮绝缘电缆第4部分:软线和软电缆(idtIEC灰铸铁件
轴中心高为56mm及以上电机的机械振动振动的测量、评定及限值(idtIECGB/T10069.1—2006
1999,MOD)
旋转电机噪声测定方法及限值第1部分:旋转电机噪声测定方法(ISO1680:农林拖拉机及机具涂漆通用技术条件JB/T5673—1991
JB/T5811—2007
交流低压电机成型绕组匝间绝缘试验方法及限值JB/T6880.1--1993泵用灰铸铁件JB/T6880.2—1993
JB/T6880.3—1993
JB/T9615.1—2000
JB/T9615.2——2000
泵用铸钢件
泵用抗磨白口铸铁件
交流低压电机散嵌绕组匝间绝缘试验方法交流低压电机散嵌绕组匝间绝缘试验限值JB/T10869—2008
JB/T10098—2000交流电机定子成型线圈耐冲击电压水平(idtIEC60034-15:1995)3型式、型号基本参数与尺寸
3.1型式
3.1.1电动机为干式潜水三相异步电动机。3.1.2电动机的外壳防护等级为IP68,应符合GB/T4942.1一2006的规定。3.1.3电动机的冷却为水外冷却,电动机内部空气循环的方式符合IC6AIW8(见GB/T1993一1993)。3.1.4电动机结构及安装型式为IMV1(见GB/T997—2003)。3.1.5电动机的定额是以连续工作制(S1)为基准的连续定额。3.2型号
电动机型号由汉语拼音字母和阿拉伯数字构成,具体如下:YO
XXX/XXX-XX
机座号
额定功率(kW)
G高压(660V及以下电动机不标注)Y异步、Q潜水式
示例:200kW、6极、10kV、355机座号高压三相异步潜水电动机的表示方法为:YOG200/355-6
3.3基本参数
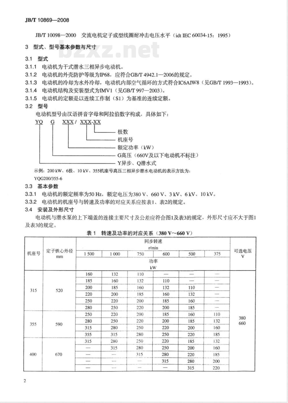
3.3.1电动机的额定频率为50Hz,额定电压为380V、660V、3kV、6kV、10kV。3.3.2电动机的机座号与转速及功率的对应关系应按表1、表2的规定。3.4安装及外形尺寸
电动机与潜水泵的上下端盖的连接主要尺寸及公差应符合图1及表3的规定,外形尺寸应不大于图1及表3的规定。
表1转速及功率的对应关系(380V~660V)同步转速
机座号
定子铁心外径
可选电压
机座号
定子铁心外径
4技术要求
表2转速及功率的对应关系(3kV~10kV)同步转速
电动机应符合本标准的要求,并按经规定程序批准的图样及技术文件制造4.1bzxZ.net
4.2在下列使用条件下,电动机应能连续额定运行。JB/T10869—2008
可选电压
4.2.1电动机完全潜人水中,以电动机轴伸端面为基准,其潜人水下深度不超过5m。4.2.2最高环境水温随季节变化,但环境水温度不超过十40℃。注:如电动机潜水温度高于40℃的条件下使用时,应按GB755一2000的规定执行4.2.3电动机为湿热型,具有防潮、防雾、防盐雾的功能kv
4.3电动机运行期间电源电压和频率与额定值的偏差应按GB755一2000的规定。4.4当电动机功率、电压(380V~660V、3kV~6kV、10kV)及频率为额定值时,其效率和功率因数的保证值应分别符合表4(380V~660V)、表5(3kV~6kV)和表6(10kV)的规定注:效率用间接法测定。在确定电动机的总损耗时,绕组的电阻损耗应换算到B级绝缘基准工作温度时的数值,杂散损耗按额定输人功率的0.5%计3
JB/T10869—2008
电机轴伸端面
JB/T10869-2008
(oto
2g)400
(S81
ro)2409
(s81)
(oto
0g)2000
rg)2012
2g)20
(890
(s81
(O00)8L60
(0L00于)8S0880
(OLO0于)SO80
(SS00于)8S.0090
(0)
(g)200s
(60℃
(80°
(8g)0
()0
()208
机座号
JB/T10869—2008
效率和功率因数的保证值(380V~660V)同步转速
效率和功率因数的保证值(3kV~6kV)同步转速
功率因数
功率因数
表5(续)
同步转速
效率和功率因数的保证值(10kV)表6
同步转速
15001000
JB/T10869—2008
功率因数
功率因数
电动机堵转转矩与额定转矩之比的保证值应符合表7的规定,在额定电压下,
JB/T10869—2008
机座号
315~450
630~710
表7堵转转矩与额定转矩之比的保证值同步转速
堵转转矩/额定转矩
在额定电压下,电动机起动过程中最小转矩的保证值不低于0.4倍堵转转矩的保证值(不计容差)。在额定电压下,电动机最大转矩对额定转矩之比的保证值为1.8倍,在额定电压下,电动机堵转电流对额定电流之比的保证值应符合表8的规定。表8堵转电流对额定电流之比的保证值同步转速
机座号
315~450
630~710
堵转电流/额定电流
注:计算堵转电流对额定电流之比时,所采用的额定电流应按额定功率、额定电压及效率和功率因数的保证值(不计及容差)求得。
电动机电气性能保证值的容差应符合表9的规定。表9电气性能保证值的容差
效率n
功率因数cosp
堵转转矩倍数
最小转矩倍数
最大转矩倍数
堵转电流倍数
0.10(1-n)
(1-cosp)/6最少为-0.02
保证值的-15%,+25%(经协议可超过+25%)保证值的-15%
保证值的-10%
保证值的+20%
)电动机采用F级绝缘,温升按B级考核。当环境水温度符合4.2的规定,在额定功率时,电动机定4.10
子绕组的温升限值(电阻法)应不超过80K,轴承的容许温度(温度计法或埋置检温计法),滚动轴承应不超过90℃。
4.11电动机在热状态和在逐渐增加转矩的情况下应能承受超过额定转矩60%过转矩、历时15s而不发生转速突变或停转及发生有害变形,此时电压和频率应维持在额定值。4.12电动机在热状态下应能承受150%额定电流而不损坏或变形,过电流时间对660V及以下者应不少于2min,过电流时间对660V以上者应不少于15s。4.13电动机在空载情况下,应能承受提高转速至其额定值的120%、历时2min而不发生有害变形4.14电动机定子绕组的绝缘电阻在热状态时或温升试验后对电压为660V及以上者应不低于1MQ2对电压为660V及以下者应不低于式(1)求得的值。电动机定子绕组对机壳的绝缘电阻在冷态时.对8
小提示:此标准内容仅展示完整标准里的部分截取内容,若需要完整标准请到上方自行免费下载完整标准文档。
备案号:24535—2008
中华人民共和国机械行业标准
JB/T108692008
中大型高、低电压潜水泵电动机(机座号315~710)
Medium to large size, low and highVoltage submersible-pumps motor(Framefrom315710)
2008-06-04发布
2008-11-01实施
中华人民共和国国家发展和改革委员会发布前言.
范围、
规范性引用文件
3型式、基本参数与尺寸..
技术要求
检验规则,
标志、包装及保用期,
JB/T10868-2008
本标准由中国机械工业联合会提出。前言
本标准由全国旋转电机标准化技术委员会(SAC/TC26)归口。本标准负责起草单位:苏州世发通用泵业电机有限公司。JB/T10869—2008
本标准参加起草单位:上海电气集团上海电机厂有限公司、南通天风公司、无锡锡泵制泵有限公司、泰州泰丰泵业有限公司、镇江国泉泵业有限公司、江苏河海给排水成套设备有限公司、上海连成(集团)有限公司、南京蓝深制泵集团股份有限公司。本标准主要起草人:李云罡、陆水法、石朝龙本标准为首次发布。
1范围
中大型高、低电压潜水泵电动机(机座号315~710)
JB/T10869—2008
本标准规定了中大型高、低电压潜水泵三相异步电动机的型式、型号、基本参数与尺寸、技术要求、检验规则以及标志和包装的要求。本标准适用于与中大型水泵连成一体,潜人水中抽、排、灌水(或类似用途),运行功率为110kW~1400kW的中大型高、低电压潜水泵三相异步电动机(机座号315~710)(以下简称电动机)。2规范性引用文件
下列文件中的条款通过本标准的引用而成为本标准的条款。凡是注日期的引用文件,其随后所有的修改单(不包括勘误的内容)或修订版均不适用于本标准,然而,鼓励根据本标准达成协议的各方研究是否可使用这些文件的最新版本。凡是不注日期的引用文件,其最新版本适用于本标准。GB/T191—2000包装储运图示标志(eqvISO708:1997)GB755—2000旋转电机定额和性能(idtEC60034-1:1996)GB/T997—2003旋转电机结构及安装型式(IM代号)(IEC60034-7:1992,DT)GB/T1032—2005三相异步电动机试验方法GB/T1220—1992不锈钢棒
GB/T1348--1988球墨铸铁件
GB/T1993—1993
旋转电机冷却方法(idtIEC60034-6:1991)GB/T4772.1—1999
(idtIEC60072-1:1991)
GB/T4772.2--1999
旋转电机尺寸和输出功率等级第1部分:机座号56400和凸缘号551080旋转电机尺寸和输出功率等级第2部分:机座号3551000和凸缘号1180~2360(idtIEC60072-2:1990)
GB/T4942.1—2006旋转电机整体结构的防护等级(IP代码)分级(EC60034-5:2000,IDT)GB5013.4—1997
60245-4:1994)
GB/T9439—1988
GB100682000
60034-14:1996)
额定电压450/750V及以下橡皮绝缘电缆第4部分:软线和软电缆(idtIEC灰铸铁件
轴中心高为56mm及以上电机的机械振动振动的测量、评定及限值(idtIECGB/T10069.1—2006
1999,MOD)
旋转电机噪声测定方法及限值第1部分:旋转电机噪声测定方法(ISO1680:农林拖拉机及机具涂漆通用技术条件JB/T5673—1991
JB/T5811—2007
交流低压电机成型绕组匝间绝缘试验方法及限值JB/T6880.1--1993泵用灰铸铁件JB/T6880.2—1993
JB/T6880.3—1993
JB/T9615.1—2000
JB/T9615.2——2000
泵用铸钢件
泵用抗磨白口铸铁件
交流低压电机散嵌绕组匝间绝缘试验方法交流低压电机散嵌绕组匝间绝缘试验限值JB/T10869—2008
JB/T10098—2000交流电机定子成型线圈耐冲击电压水平(idtIEC60034-15:1995)3型式、型号基本参数与尺寸
3.1型式
3.1.1电动机为干式潜水三相异步电动机。3.1.2电动机的外壳防护等级为IP68,应符合GB/T4942.1一2006的规定。3.1.3电动机的冷却为水外冷却,电动机内部空气循环的方式符合IC6AIW8(见GB/T1993一1993)。3.1.4电动机结构及安装型式为IMV1(见GB/T997—2003)。3.1.5电动机的定额是以连续工作制(S1)为基准的连续定额。3.2型号
电动机型号由汉语拼音字母和阿拉伯数字构成,具体如下:YO
XXX/XXX-XX
机座号
额定功率(kW)
G高压(660V及以下电动机不标注)Y异步、Q潜水式
示例:200kW、6极、10kV、355机座号高压三相异步潜水电动机的表示方法为:YOG200/355-6
3.3基本参数
3.3.1电动机的额定频率为50Hz,额定电压为380V、660V、3kV、6kV、10kV。3.3.2电动机的机座号与转速及功率的对应关系应按表1、表2的规定。3.4安装及外形尺寸
电动机与潜水泵的上下端盖的连接主要尺寸及公差应符合图1及表3的规定,外形尺寸应不大于图1及表3的规定。
表1转速及功率的对应关系(380V~660V)同步转速
机座号
定子铁心外径
可选电压
机座号
定子铁心外径
4技术要求
表2转速及功率的对应关系(3kV~10kV)同步转速
电动机应符合本标准的要求,并按经规定程序批准的图样及技术文件制造4.1bzxZ.net
4.2在下列使用条件下,电动机应能连续额定运行。JB/T10869—2008
可选电压
4.2.1电动机完全潜人水中,以电动机轴伸端面为基准,其潜人水下深度不超过5m。4.2.2最高环境水温随季节变化,但环境水温度不超过十40℃。注:如电动机潜水温度高于40℃的条件下使用时,应按GB755一2000的规定执行4.2.3电动机为湿热型,具有防潮、防雾、防盐雾的功能kv
4.3电动机运行期间电源电压和频率与额定值的偏差应按GB755一2000的规定。4.4当电动机功率、电压(380V~660V、3kV~6kV、10kV)及频率为额定值时,其效率和功率因数的保证值应分别符合表4(380V~660V)、表5(3kV~6kV)和表6(10kV)的规定注:效率用间接法测定。在确定电动机的总损耗时,绕组的电阻损耗应换算到B级绝缘基准工作温度时的数值,杂散损耗按额定输人功率的0.5%计3
JB/T10869—2008
电机轴伸端面
JB/T10869-2008
(oto
2g)400
(S81
ro)2409
(s81)
(oto
0g)2000
rg)2012
2g)20
(890
(s81
(O00)8L60
(0L00于)8S0880
(OLO0于)SO80
(SS00于)8S.0090
(0)
(g)200s
(60℃
(80°
(8g)0
()0
()208
机座号
JB/T10869—2008
效率和功率因数的保证值(380V~660V)同步转速
效率和功率因数的保证值(3kV~6kV)同步转速
功率因数
功率因数
表5(续)
同步转速
效率和功率因数的保证值(10kV)表6
同步转速
15001000
JB/T10869—2008
功率因数
功率因数
电动机堵转转矩与额定转矩之比的保证值应符合表7的规定,在额定电压下,
JB/T10869—2008
机座号
315~450
630~710
表7堵转转矩与额定转矩之比的保证值同步转速
堵转转矩/额定转矩
在额定电压下,电动机起动过程中最小转矩的保证值不低于0.4倍堵转转矩的保证值(不计容差)。在额定电压下,电动机最大转矩对额定转矩之比的保证值为1.8倍,在额定电压下,电动机堵转电流对额定电流之比的保证值应符合表8的规定。表8堵转电流对额定电流之比的保证值同步转速
机座号
315~450
630~710
堵转电流/额定电流
注:计算堵转电流对额定电流之比时,所采用的额定电流应按额定功率、额定电压及效率和功率因数的保证值(不计及容差)求得。
电动机电气性能保证值的容差应符合表9的规定。表9电气性能保证值的容差
效率n
功率因数cosp
堵转转矩倍数
最小转矩倍数
最大转矩倍数
堵转电流倍数
0.10(1-n)
(1-cosp)/6最少为-0.02
保证值的-15%,+25%(经协议可超过+25%)保证值的-15%
保证值的-10%
保证值的+20%
)电动机采用F级绝缘,温升按B级考核。当环境水温度符合4.2的规定,在额定功率时,电动机定4.10
子绕组的温升限值(电阻法)应不超过80K,轴承的容许温度(温度计法或埋置检温计法),滚动轴承应不超过90℃。
4.11电动机在热状态和在逐渐增加转矩的情况下应能承受超过额定转矩60%过转矩、历时15s而不发生转速突变或停转及发生有害变形,此时电压和频率应维持在额定值。4.12电动机在热状态下应能承受150%额定电流而不损坏或变形,过电流时间对660V及以下者应不少于2min,过电流时间对660V以上者应不少于15s。4.13电动机在空载情况下,应能承受提高转速至其额定值的120%、历时2min而不发生有害变形4.14电动机定子绕组的绝缘电阻在热状态时或温升试验后对电压为660V及以上者应不低于1MQ2对电压为660V及以下者应不低于式(1)求得的值。电动机定子绕组对机壳的绝缘电阻在冷态时.对8
小提示:此标准内容仅展示完整标准里的部分截取内容,若需要完整标准请到上方自行免费下载完整标准文档。

标准图片预览:





- 热门标准
- 机械行业标准(JB)
- JB/T6882-2006 泵可靠性验证试验
- JB/T10398-2004 离网型风力发电系统售后技术服务规范
- JB/T9592.2-1999 全金属12角法兰面锁紧螺母 技术条件
- JB/T4718-1992 管壳式换热器用金属包垫片
- JB/T2436.1-1992 导线用铜压接端头 第一部分: 0.5~6.0mm2导线用铜压接端头
- JB8734.2-1998 额定电压 450/750V及以下聚氯乙烯绝缘电缆电线和软线第2部分: 固定布线用电缆电线
- JB/T10325-2002 锅炉除氧器 技术条件
- JB/T10187-2011 滚动轴承 深沟球轴承振动
- JB/T7991.4-2001 电镀超硬磨料制品 磨头
- JB2901-2020 汽轮机防锈技术条件
- JB/T8854.2-2001 GⅡCL型、GⅡCLZ型鼓形齿式联轴器
- JBJ10-1996 机械工厂采暖通风与空气调节设计规范
- JB/T8103.7-2008 碟式分离机 第7部分:酵母分离机
- JB/T2740-2008 工业机械电气设备 电气图、图解和表的绘制
- JB/T6313.2-1992 电工铜编织线 斜纹编织线
- 行业新闻
请牢记:“bzxz.net”即是“标准下载”四个汉字汉语拼音首字母与国际顶级域名“.net”的组合。 ©2009 标准下载网 www.bzxz.net 本站邮件:bzxznet@163.com
网站备案号:湘ICP备2023016450号-1
网站备案号:湘ICP备2023016450号-1