- 您的位置:
- 标准下载网 >>
- 标准分类 >>
- 水产行业标准(SC) >>
- SC/T 3111-1996 冻扇贝柱
标准号:
SC/T 3111-1996
标准名称:
冻扇贝柱
标准类别:
水产行业标准(SC)
标准状态:
已作废-
发布日期:
1996-05-29 -
实施日期:
1996-12-01 -
作废日期:
2006-10-01 出版语种:
简体中文下载格式:
.rar.pdf下载大小:
196.86 KB
中标分类号:
农业、林业>>水产、渔业>>B51海水养殖与产品
替代情况:
被SC/T 3111-2006代替采标情况:
非等效(FDA)1994 CFR(Part 266)
起草单位:
全国水产标准化技术委员会水产品加工分技术委员会相关标签:
扇贝
部分标准内容:
SC/T3111-1996
本标准是在进行了大量调研和试验的基础上,参考了国外先进标准而编制的。这样将利于产品质量的提高,以适应国内冻扇贝柱生产和参与国际竞争的需要。本标准在编制过程中参考了美国联邦规范“冻生扇贝柱分级标准\CFR(Part266),水分含量采用了美国食品和药物管理局(FDA)1994年发布的冻生扇贝柱的规定。本标准由农业部渔业局提出。
本标准由全国水产标准化技术委员会水产品加工分技术委员会归口。本标准起草单位:中国水产科学研究院黄海水产研究所。本标准主要起草人:李晓川、陈远惠、王联珠、刘淇、温金利。85
1范围
中华人民共和国水产行业标准
SC/T 3111--1996
本标准规定了冻扇贝柱的规格、要求、抽样、试验方法和标志、标签、包装要求。本标准适用于以栉孔扇贝(Chlamys farreri)、海湾扇贝(Argopecten irradians)和虾夷扇贝(Pati nopecten yessoensis)的闭壳肌为原料经水洗、冷冻制成的扇贝柱。2引用标准
下列标准所包含的条文,通过在本标准中引用而构成为本标准的条文。本标准出版时,所示版本均为有效。所有标准都会被修订,使用本标准的各方应探讨使用下列标准最新版本的可能性。GB2760—86食品添加剂使用卫生标准GB2762-81食品中汞允许量标准
GB4789.2—94食品卫生微生物学检验菌落总数的测定GB4789.4-94食品卫生微生物学检验沙门氏菌检验GB4811一84海产食品中无机碑允许量标准GB/T5009.17-—1996食品中总汞的测定方法GB/T5009.45--1996水产品卫生标准的分析方法GB5749—85生活饮用水卫生标准GB7718--94食品标签通用标准
3要求
3.1产品规格
产品按单位质量所含粒数分为7个规格,见表1。表1
粒/500g
3.2原料和加工要求
3.2.1应选用洁净的、无污染的活扇贝为原料。3.2.2同一批原料只能是同一品种的扇贝。规
40~60,61~~80.81~100.101~-120121~~150,151~200.201~300
3.2.3剥取的扇贝柱应用符合GB5749规定的饮用水洗净并及时冷冻加工,3.2.4加工中使用的添加剂必须是磷酸盐类食品添加剂,并须在包装上标明添加剂名称。添加剂名称及使用量应符合GB2760规定。
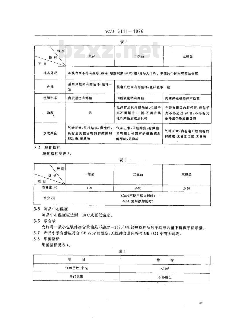
3.3感官指标
感官指标见表2。
中华人民共和国农业部1996-05-29批准86
1996-12-01实施
冻品外观
组织形态
水煮试验
3.4理化指标
一级品
SC/T 3111--1996
二级品
兰级品
冻块表面不得有变形、破碎、融解现象,冰衣(被)良好无干耗。单冻的个体间应容易分离垦扇贝柱固有的色泽,色泽一
肉质紧密有弹性
气味正常,贝柱结实,弹性好,具有扇贝柱固有的鲜嫩感和
鲜甜味,无异味
理化指标见表3。
一级品
完整率,%
水分,%
3.5冻品中心温度
冻品中心温度应达到—18C或更低温度。3.6净含载
呈扇贝柱固有的色泽,色泽基本一致肉质紧密稍有弹性
允许有扇贝内脏残留,但每干
克不得超过 10 例,不得有其
他外来杂质或扇贝壳
气味正常,贝柱结实,有弹性,尚有扇贝柱固有的鲜嫩感和
鲜甜味,无异味
二级品
≤80(不使用添加剂时)
≤84(使用添加剂时)
肉质弹性稍差但不松散
允许有扇贝内脏残留,但每干
克不得超过20例,不得有其
他外来杂质或扇贝壳
气味正常,尚有贝柱有的
鲜嫩感,无异常口感,无异味
三级品
允许每-最小包装件净含量偏差不超过一3%,但全部被检样品的平均净含量不得低于标示量。3.7产品中汞含量应符合GB2762的规定,无机砷含量应符合GB4811中有关规定。3.8细菌指标
细菌指标见表4。
细菌总数,个/g
沙门氏菌
≤105
不得检出
4抽样
4.1批的组成
SC/T3111—1996
以同-产地原料,同---条件下加工的品种和规格相同的产品为-检验批。4.2抽样方法
4.2.1感官、规格、完整率的正常检验、放宽检验、加严检验抽样方法分别按表5、表6、表7进行。表5正常检验抽样方法
S-2水平
批量范围
24~1200
箱(件)
箱(件)
≤12kg/箱>12kg/箱
2~100
2~99
抽样次数
第一次
[1 201~35 000|101~~2 917100~2 916F第二次
批量范围
241200
第一次
2917以上2916以上
第二次
抽样数量,kg
规格、完整率
最低开箱
(件)数
累计抽样量,kg
规格、完整率
(件)数
规格完整率
AQI,=2. 5%|AQL=4. 0%
注:AQL为合格质量水平;A。为合格判定数;R。为不合格判定数。表6放宽检验抽样方法
箱(件)
箱(件)
<12kg/箱>12kg/箱
2~100
抽样次数
第一次
1201~35000101~2917100~2916
第二次
批量范围
24~1 200
[2 917 以上|2 916 以上
抽样数量,kg
规格、完整率
第二次
最低开箱
(件)数
累计抽样量,kg
规格、完整率
加严检验抽样方法
箱(件)
箱(件)
≤12kg/箱>12kg/箱
2~100
抽样次数
第一次
1 201~~ 35 000|101 ~2 917/100~2 916第二次
2917以上2916以上
冻品中心温度、净含量
第一次
第二次
抽样数量,kg
规格、完整率
最低开箱
(件)数
最低开
箱(件)
累计抽样量,kg
规格、完整率
最低开wwW.bzxz.Net
箱(件)
S-2水平
规格完整率
S-2水平
规格完整率
AQL=2.5%AQL=4. 0%
SC/T 3111-1996
在同一受检批中随机抽取3箱,从每箱中随机抽取2个最小包装单位,分别进行冻品中心温度试验和净含量试验。对单冻大包装的冻扇贝柱,随机抽取2箱,每箱测温度和净含量。4.2.3细菌
在同-~受检批中随机抽取2箱,从每箱中随机抽取1个最小包装单位或250g。4.2.4水分、汞、无机砷
从检验规格后的样品中随机抽取300g,剪碎,混匀后立即装入磨口瓶中备用。4.3判定规则
a)水分、汞、无机砷、细菌试验结果不符合本标准要求,判为批不合格,不得复验;感官、完整率、规格各项的合格判定数按表5、表6、表7执行;b)
应检项目全部符合本标准要求的判为批合格;c)
理化、细菌试验结果采用修约值比较法。d)
4.4加严、放宽转换规则
无特殊要求,一般开始采用正常检验抽样;a)
当正常检验抽样连续5批中有2批不合格时,应及时转入加严检验抽样;b)
加严检验抽样连续5批合格后可转为放宽检验抽样;当正常检验抽样连续10批合格后可转为放宽检验抽样;d)
当放宽检验抽样有1批不合格时转为正常检验抽样。5试验方法
5.1检验分类和检验项目
5.1.1检验分类
产品检验分为出厂检验和型式检验,产品出厂必须经过检验并附有检验合格证。有下列情况之一时,应进行型式检验:
a)产品长期停产后,恢复生产时;b)更换原料产地,或原料产地海区状况有变化时,c)
国家质量监督机构提出进行型式检验要求时。5.1.2出厂检验项目
进行3.1、3.3~3.6规定的项目检验。5.1.3型式检验项目
除出厂检验项目外,还应按3.7和3.8的规定项目进行检验。5.2冻品外观
将试样放在白瓷盘内观察冻块是否平整、清洁、冰衣(被)是否均勾,有无干耗,单冻的个体间是否容易分离。
5.3冻品中心温度
将被抽样品置于低温场所,用钻头钻至冻块几何中心,取出钻头立即插入温度计,待指示温度不再下降时读数。单冻品测包装件中心温度,5.4净含量
5.4.1解冻
将抽取的样品拆除包装,放入不渗漏的尼龙袋内捆扎封口,置于解冻容器内,以常流水解冻至表面冰层融化,个体能分离为止。
5.4.2称重
将解冻后的样品倒入网箱(筐)中倾斜放置3min后,用分度值为1g的衡器称重。干冻品直接称重,不需解冻。
5.4.3偏差计算
式中:m。-试样标示质量,g;
试样净含量,g。
5.5完整率
SC/T 3111—1996
m - mo × 100
净含量偏差(%)一
(1)
将净含量试验后的样品放入洁净的盘子中,检出不足贝柱3/4的破碎粒后,将完整的贝柱称量(称准至1g),完整率按式(2)计算。完整率(%)
式中:m1—试样净含量,g;
5.6规格
一完整贝柱的质量,g。
将5.5中完整的贝柱数粒,按式(3)计算规格。m2×100
规格(粒/500g)
式中:D—-完整贝柱的粒数,粒;m2
5.7杂质
完整贝柱的质量,g。
(3)
将样品解冻后置于洁净的白盘内,仔细检查是否有扇贝壳和外来杂质,对样品中混入的扇贝内脏和带有内脏的贝柱进行计数。
5.8色泽、组织状态
在测杂质同时仔细观察扇贝柱是否为其固有色泽,色泽是否一致,肉质是否紧密有弹性。5.9水煮试验
在洁净的容器中加饮用水约1L,加热至沸腾,取解冻后样品约250g,放入沸水中,盖上盖子煮沸,揭开盖子,再煮1min,同时膜其蒸汽气味,然后仔细品尝贝柱肌肉是否结实,有无弹性,是否具有扇贝柱所固有的鲜嫩感和鲜甜味,有无涩味、威味、腐败味等异味,口感是否异常。5.10水分
5.10.1操作步骤
取测完整率后的贝柱,将其剪碎,装入磨口瓶中,然后用已恒重的 30mm×50mm称量瓶,称取样品约10g,精确至0.001g在103℃士2℃温度下干燥5h,取出,放入干燥器中冷却至室温,称重,精确至0.001g。
5.10.2结果计算
水分(%)=㎡二㎡× 100
式中:m3--103℃士2℃于燥前试样及称量瓶质量,g;—103℃±2℃干燥后试样及称量瓶质量,g;m4
干燥前试样质量,g。
5.10.3重复性
取两个平行样进行测定,结果以其算术平均值计。90
(4)
SC/T3111—1996
两个平行样相差(绝对值)不得大于0.5,否则重做5.11汞、无机砷
汞、无机砷分别按GB/T5009.17和GB/T5009.45中2.5执行。5.12细菌
将试样拆除包装,放入经灭菌处理的食品用塑料袋中,封口或扎紧袋口,如5.4.1解冻。注意解冻水勿流入袋中。细菌试验采用已解冻的试样。细菌总数、沙门氏菌测定分别按GB4789.2和GB4789.4规定执行。6标志、标签、包装
6.1标志、标签
标签应符合GB7718的规定,使用食品添加剂的应注明添加剂名称及用量,商标、规格、净含量等应标示清楚,位置适当。
6.2包装
6.2.1外箱采用牢固、耐水耐油的瓦楞纸箱,内包装采用透明的食品用塑料袋。6.2.2外箱用封箱带或用塑料打包带扎紧。6.2.3包装件存
产品贮存于清洁卫生、无异味的冷藏库中,库温应在一18℃以下,贮存期不得超过一年。91
小提示:此标准内容仅展示完整标准里的部分截取内容,若需要完整标准请到上方自行免费下载完整标准文档。
本标准是在进行了大量调研和试验的基础上,参考了国外先进标准而编制的。这样将利于产品质量的提高,以适应国内冻扇贝柱生产和参与国际竞争的需要。本标准在编制过程中参考了美国联邦规范“冻生扇贝柱分级标准\CFR(Part266),水分含量采用了美国食品和药物管理局(FDA)1994年发布的冻生扇贝柱的规定。本标准由农业部渔业局提出。
本标准由全国水产标准化技术委员会水产品加工分技术委员会归口。本标准起草单位:中国水产科学研究院黄海水产研究所。本标准主要起草人:李晓川、陈远惠、王联珠、刘淇、温金利。85
1范围
中华人民共和国水产行业标准
SC/T 3111--1996
本标准规定了冻扇贝柱的规格、要求、抽样、试验方法和标志、标签、包装要求。本标准适用于以栉孔扇贝(Chlamys farreri)、海湾扇贝(Argopecten irradians)和虾夷扇贝(Pati nopecten yessoensis)的闭壳肌为原料经水洗、冷冻制成的扇贝柱。2引用标准
下列标准所包含的条文,通过在本标准中引用而构成为本标准的条文。本标准出版时,所示版本均为有效。所有标准都会被修订,使用本标准的各方应探讨使用下列标准最新版本的可能性。GB2760—86食品添加剂使用卫生标准GB2762-81食品中汞允许量标准
GB4789.2—94食品卫生微生物学检验菌落总数的测定GB4789.4-94食品卫生微生物学检验沙门氏菌检验GB4811一84海产食品中无机碑允许量标准GB/T5009.17-—1996食品中总汞的测定方法GB/T5009.45--1996水产品卫生标准的分析方法GB5749—85生活饮用水卫生标准GB7718--94食品标签通用标准
3要求
3.1产品规格
产品按单位质量所含粒数分为7个规格,见表1。表1
粒/500g
3.2原料和加工要求
3.2.1应选用洁净的、无污染的活扇贝为原料。3.2.2同一批原料只能是同一品种的扇贝。规
40~60,61~~80.81~100.101~-120121~~150,151~200.201~300
3.2.3剥取的扇贝柱应用符合GB5749规定的饮用水洗净并及时冷冻加工,3.2.4加工中使用的添加剂必须是磷酸盐类食品添加剂,并须在包装上标明添加剂名称。添加剂名称及使用量应符合GB2760规定。
3.3感官指标
感官指标见表2。
中华人民共和国农业部1996-05-29批准86
1996-12-01实施
冻品外观
组织形态
水煮试验
3.4理化指标
一级品
SC/T 3111--1996
二级品
兰级品
冻块表面不得有变形、破碎、融解现象,冰衣(被)良好无干耗。单冻的个体间应容易分离垦扇贝柱固有的色泽,色泽一
肉质紧密有弹性
气味正常,贝柱结实,弹性好,具有扇贝柱固有的鲜嫩感和
鲜甜味,无异味
理化指标见表3。
一级品
完整率,%
水分,%
3.5冻品中心温度
冻品中心温度应达到—18C或更低温度。3.6净含载
呈扇贝柱固有的色泽,色泽基本一致肉质紧密稍有弹性
允许有扇贝内脏残留,但每干
克不得超过 10 例,不得有其
他外来杂质或扇贝壳
气味正常,贝柱结实,有弹性,尚有扇贝柱固有的鲜嫩感和
鲜甜味,无异味
二级品
≤80(不使用添加剂时)
≤84(使用添加剂时)
肉质弹性稍差但不松散
允许有扇贝内脏残留,但每干
克不得超过20例,不得有其
他外来杂质或扇贝壳
气味正常,尚有贝柱有的
鲜嫩感,无异常口感,无异味
三级品
允许每-最小包装件净含量偏差不超过一3%,但全部被检样品的平均净含量不得低于标示量。3.7产品中汞含量应符合GB2762的规定,无机砷含量应符合GB4811中有关规定。3.8细菌指标
细菌指标见表4。
细菌总数,个/g
沙门氏菌
≤105
不得检出
4抽样
4.1批的组成
SC/T3111—1996
以同-产地原料,同---条件下加工的品种和规格相同的产品为-检验批。4.2抽样方法
4.2.1感官、规格、完整率的正常检验、放宽检验、加严检验抽样方法分别按表5、表6、表7进行。表5正常检验抽样方法
S-2水平
批量范围
24~1200
箱(件)
箱(件)
≤12kg/箱>12kg/箱
2~100
2~99
抽样次数
第一次
[1 201~35 000|101~~2 917100~2 916F第二次
批量范围
241200
第一次
2917以上2916以上
第二次
抽样数量,kg
规格、完整率
最低开箱
(件)数
累计抽样量,kg
规格、完整率
(件)数
规格完整率
AQI,=2. 5%|AQL=4. 0%
注:AQL为合格质量水平;A。为合格判定数;R。为不合格判定数。表6放宽检验抽样方法
箱(件)
箱(件)
<12kg/箱>12kg/箱
2~100
抽样次数
第一次
1201~35000101~2917100~2916
第二次
批量范围
24~1 200
[2 917 以上|2 916 以上
抽样数量,kg
规格、完整率
第二次
最低开箱
(件)数
累计抽样量,kg
规格、完整率
加严检验抽样方法
箱(件)
箱(件)
≤12kg/箱>12kg/箱
2~100
抽样次数
第一次
1 201~~ 35 000|101 ~2 917/100~2 916第二次
2917以上2916以上
冻品中心温度、净含量
第一次
第二次
抽样数量,kg
规格、完整率
最低开箱
(件)数
最低开
箱(件)
累计抽样量,kg
规格、完整率
最低开wwW.bzxz.Net
箱(件)
S-2水平
规格完整率
S-2水平
规格完整率
AQL=2.5%AQL=4. 0%
SC/T 3111-1996
在同一受检批中随机抽取3箱,从每箱中随机抽取2个最小包装单位,分别进行冻品中心温度试验和净含量试验。对单冻大包装的冻扇贝柱,随机抽取2箱,每箱测温度和净含量。4.2.3细菌
在同-~受检批中随机抽取2箱,从每箱中随机抽取1个最小包装单位或250g。4.2.4水分、汞、无机砷
从检验规格后的样品中随机抽取300g,剪碎,混匀后立即装入磨口瓶中备用。4.3判定规则
a)水分、汞、无机砷、细菌试验结果不符合本标准要求,判为批不合格,不得复验;感官、完整率、规格各项的合格判定数按表5、表6、表7执行;b)
应检项目全部符合本标准要求的判为批合格;c)
理化、细菌试验结果采用修约值比较法。d)
4.4加严、放宽转换规则
无特殊要求,一般开始采用正常检验抽样;a)
当正常检验抽样连续5批中有2批不合格时,应及时转入加严检验抽样;b)
加严检验抽样连续5批合格后可转为放宽检验抽样;当正常检验抽样连续10批合格后可转为放宽检验抽样;d)
当放宽检验抽样有1批不合格时转为正常检验抽样。5试验方法
5.1检验分类和检验项目
5.1.1检验分类
产品检验分为出厂检验和型式检验,产品出厂必须经过检验并附有检验合格证。有下列情况之一时,应进行型式检验:
a)产品长期停产后,恢复生产时;b)更换原料产地,或原料产地海区状况有变化时,c)
国家质量监督机构提出进行型式检验要求时。5.1.2出厂检验项目
进行3.1、3.3~3.6规定的项目检验。5.1.3型式检验项目
除出厂检验项目外,还应按3.7和3.8的规定项目进行检验。5.2冻品外观
将试样放在白瓷盘内观察冻块是否平整、清洁、冰衣(被)是否均勾,有无干耗,单冻的个体间是否容易分离。
5.3冻品中心温度
将被抽样品置于低温场所,用钻头钻至冻块几何中心,取出钻头立即插入温度计,待指示温度不再下降时读数。单冻品测包装件中心温度,5.4净含量
5.4.1解冻
将抽取的样品拆除包装,放入不渗漏的尼龙袋内捆扎封口,置于解冻容器内,以常流水解冻至表面冰层融化,个体能分离为止。
5.4.2称重
将解冻后的样品倒入网箱(筐)中倾斜放置3min后,用分度值为1g的衡器称重。干冻品直接称重,不需解冻。
5.4.3偏差计算
式中:m。-试样标示质量,g;
试样净含量,g。
5.5完整率
SC/T 3111—1996
m - mo × 100
净含量偏差(%)一
(1)
将净含量试验后的样品放入洁净的盘子中,检出不足贝柱3/4的破碎粒后,将完整的贝柱称量(称准至1g),完整率按式(2)计算。完整率(%)
式中:m1—试样净含量,g;
5.6规格
一完整贝柱的质量,g。
将5.5中完整的贝柱数粒,按式(3)计算规格。m2×100
规格(粒/500g)
式中:D—-完整贝柱的粒数,粒;m2
5.7杂质
完整贝柱的质量,g。
(3)
将样品解冻后置于洁净的白盘内,仔细检查是否有扇贝壳和外来杂质,对样品中混入的扇贝内脏和带有内脏的贝柱进行计数。
5.8色泽、组织状态
在测杂质同时仔细观察扇贝柱是否为其固有色泽,色泽是否一致,肉质是否紧密有弹性。5.9水煮试验
在洁净的容器中加饮用水约1L,加热至沸腾,取解冻后样品约250g,放入沸水中,盖上盖子煮沸,揭开盖子,再煮1min,同时膜其蒸汽气味,然后仔细品尝贝柱肌肉是否结实,有无弹性,是否具有扇贝柱所固有的鲜嫩感和鲜甜味,有无涩味、威味、腐败味等异味,口感是否异常。5.10水分
5.10.1操作步骤
取测完整率后的贝柱,将其剪碎,装入磨口瓶中,然后用已恒重的 30mm×50mm称量瓶,称取样品约10g,精确至0.001g在103℃士2℃温度下干燥5h,取出,放入干燥器中冷却至室温,称重,精确至0.001g。
5.10.2结果计算
水分(%)=㎡二㎡× 100
式中:m3--103℃士2℃于燥前试样及称量瓶质量,g;—103℃±2℃干燥后试样及称量瓶质量,g;m4
干燥前试样质量,g。
5.10.3重复性
取两个平行样进行测定,结果以其算术平均值计。90
(4)
SC/T3111—1996
两个平行样相差(绝对值)不得大于0.5,否则重做5.11汞、无机砷
汞、无机砷分别按GB/T5009.17和GB/T5009.45中2.5执行。5.12细菌
将试样拆除包装,放入经灭菌处理的食品用塑料袋中,封口或扎紧袋口,如5.4.1解冻。注意解冻水勿流入袋中。细菌试验采用已解冻的试样。细菌总数、沙门氏菌测定分别按GB4789.2和GB4789.4规定执行。6标志、标签、包装
6.1标志、标签
标签应符合GB7718的规定,使用食品添加剂的应注明添加剂名称及用量,商标、规格、净含量等应标示清楚,位置适当。
6.2包装
6.2.1外箱采用牢固、耐水耐油的瓦楞纸箱,内包装采用透明的食品用塑料袋。6.2.2外箱用封箱带或用塑料打包带扎紧。6.2.3包装件存
产品贮存于清洁卫生、无异味的冷藏库中,库温应在一18℃以下,贮存期不得超过一年。91
小提示:此标准内容仅展示完整标准里的部分截取内容,若需要完整标准请到上方自行免费下载完整标准文档。
标准图片预览:





- 其它标准
- 热门标准
- 水产行业标准(SC)
- SC/T7219.4-2015 三代虫病诊断规程 第4部分:中型三代虫病
- SC/T8090-1994 渔船液压舵机安装技术要求
- SC/T7205.2-2007 牡蛎包纳米虫病诊断规程 第2部分:组织病理学诊断法
- SC/T2047-2006 水产养殖用海洋微藻保种操作技术规范
- SC/T9011.4-2006 冻结装置试验方法 第4部分:流态冻结装置试验方法
- SC/T7016.11-2012 鱼类细胞系 第11部分虹鳟肝细胞系(R1)
- SC/T2036-2006 文蛤养殖技术规范
- SC2035-2006 文蛤
- SC/T8033-1994 渔船电动式起锚机修理技术条件
- SC/T8035-1997 渔船平板冻结机安装调试技术要求
- SC/T8040-1994 渔船100Nm、45Nm单片离合器修理技术要求
- SC/T3105-1988 鲜鳓鱼
- SC1039-2000 南方鲇
- SC/T6011-2001 平模颗粒饲料压制机 技术条件
- SC/T6007-2001 鲤鱼用带式输送机型式基本参数与技术要求
- 行业新闻
请牢记:“bzxz.net”即是“标准下载”四个汉字汉语拼音首字母与国际顶级域名“.net”的组合。 ©2025 标准下载网 www.bzxz.net 本站邮件:bzxznet@163.com
网站备案号:湘ICP备2025141790号-2
网站备案号:湘ICP备2025141790号-2