- 您的位置:
- 标准下载网 >>
- 标准分类 >>
- 国家标准(GB) >>
- GB/T 2861.11-1990 冲模导向装置 圆柱螺旋压缩弹簧
标准号:
GB/T 2861.11-1990
标准名称:
冲模导向装置 圆柱螺旋压缩弹簧
标准类别:
国家标准(GB)
英文名称:
Die guide cylindrical helical compression spring标准状态:
已作废-
发布日期:
1990-07-23 -
实施日期:
1991-05-01 -
作废日期:
2008-10-01 出版语种:
简体中文下载格式:
.rar.pdf下载大小:
39.26 KB
部分标准内容:
中华人民共和国国家标准
冲模导向装置
圆柱螺旋压缩弹簧
Guide unit for press toolswwW.bzxz.Net
Cylidrical coil compression spring主题内容与适用范围
GB/T 2861.11—90
代替GB2861.11-81
本标准规定了冲模导向装置圆柱螺旋压缩弹簧的材料、热处理、技术条件、结构型式和规格。本标准适用于冲模滚动导向模架。2引用标准
GB/T12446冲模模架零件技术条件GB1222弹簧钢
3弹簧的材料、热处理、技术条件、结构型式和规格3.1 材料: 65MnGB 1222。
3.2热处理:硬度HRC44~50。
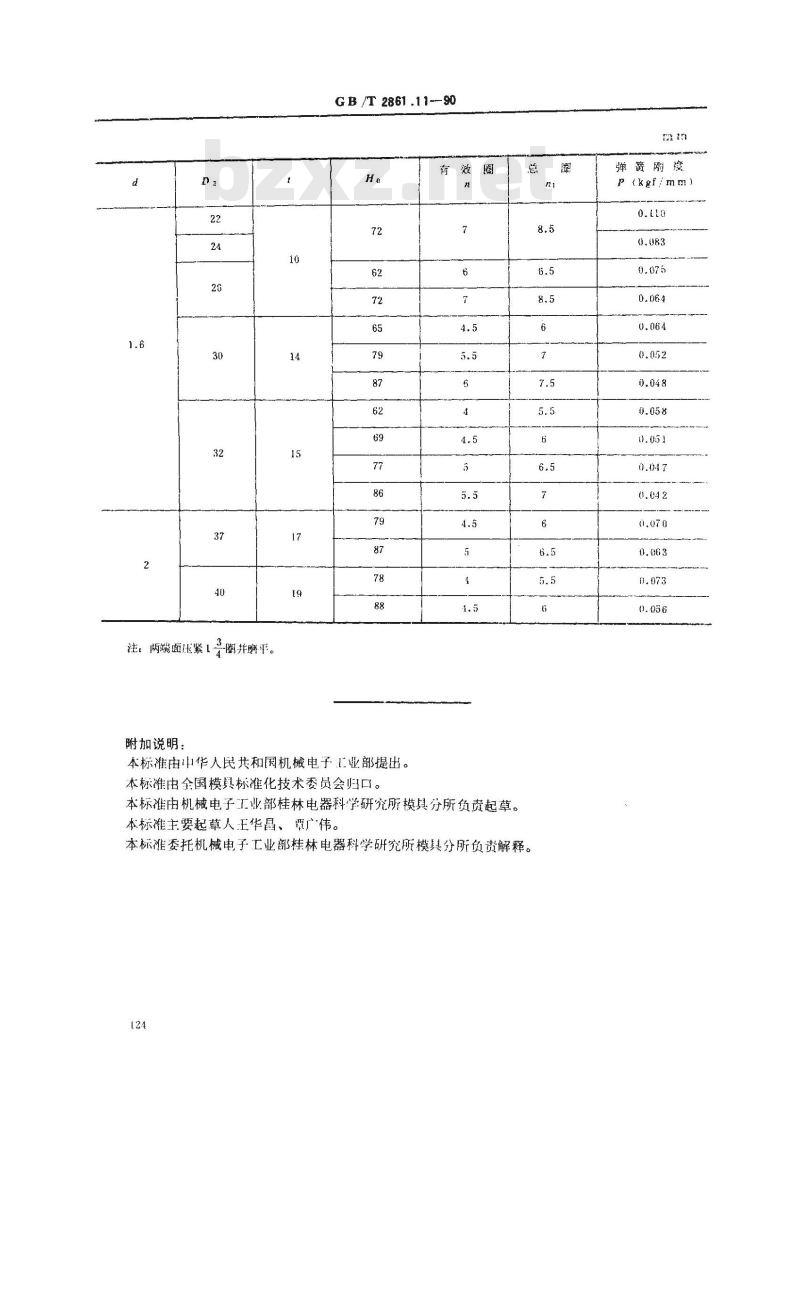
3.3技术条件按GB/T12446的规定。3.4结构型式和规格如图见表。
3.5标记示例:
钢丝直径d=1.6mm、中径D,=22mm、长度H。=72mm的圆柱螺旋压缩弹簧:弹簧1.6×22×72GB/T2861.11
国家技术监督局1990-07-23批准1991 - 05- 01实施
注。两端面紧1一圈并膀平。
附加说明:
GB/T 2861 .11~-90
本标准由中华人民共和国机械电子正业部提出。本标准由全国模具标准化技术委员会归口。效
本标准由机械电子工业部桂林电器科学研究所模具分所负责起草。本标准主要起草人王华晶、覃广伟。总
本标准委托机械电子工业部桂林电器科学研究所模具分所负责解释。124
弹刚度
p(kgf/mm)
小提示:此标准内容仅展示完整标准里的部分截取内容,若需要完整标准请到上方自行免费下载完整标准文档。
冲模导向装置
圆柱螺旋压缩弹簧
Guide unit for press toolswwW.bzxz.Net
Cylidrical coil compression spring主题内容与适用范围
GB/T 2861.11—90
代替GB2861.11-81
本标准规定了冲模导向装置圆柱螺旋压缩弹簧的材料、热处理、技术条件、结构型式和规格。本标准适用于冲模滚动导向模架。2引用标准
GB/T12446冲模模架零件技术条件GB1222弹簧钢
3弹簧的材料、热处理、技术条件、结构型式和规格3.1 材料: 65MnGB 1222。
3.2热处理:硬度HRC44~50。
3.3技术条件按GB/T12446的规定。3.4结构型式和规格如图见表。
3.5标记示例:
钢丝直径d=1.6mm、中径D,=22mm、长度H。=72mm的圆柱螺旋压缩弹簧:弹簧1.6×22×72GB/T2861.11
国家技术监督局1990-07-23批准1991 - 05- 01实施
注。两端面紧1一圈并膀平。
附加说明:
GB/T 2861 .11~-90
本标准由中华人民共和国机械电子正业部提出。本标准由全国模具标准化技术委员会归口。效
本标准由机械电子工业部桂林电器科学研究所模具分所负责起草。本标准主要起草人王华晶、覃广伟。总
本标准委托机械电子工业部桂林电器科学研究所模具分所负责解释。124
弹刚度
p(kgf/mm)
小提示:此标准内容仅展示完整标准里的部分截取内容,若需要完整标准请到上方自行免费下载完整标准文档。
标准图片预览:


- 其它标准
- 热门标准
- 国家标准(GB)
- GB5585.3-1985 电工用铜、铝及其合金母线 第3部分:铝母线
- GB9287-1988 颜料易分散程度的比较 振荡法
- GB∕T33370-2016 铜及铜合金软化温度的测定方法
- GB/T283-2007 滚动轴承圆柱滚子轴承外形尺寸
- GB/T12500-1990 信息处理系统 开放系统互连 面向连接的运输协议规范
- GB/T19673.2-2013 滚动轴承 套筒型直线球轴承附件第2部分:5系列外形尺寸和公差
- GB/T25172-2020 猪常温精液生产与保存技术规范
- GB/T13536-1992 飞机地面供电连接器
- GB20951-2020 油品运输大气污染物排放标准
- GB/T41660-2022 制冷试验装置能源利用监测评价方法
- GB9290-1988 表面活性剂 工业乙氧基化脂肪胺分析方法
- GB/T21242-2019 烟花爆竹 禁限用物质定性检测方法
- GB/T39088-2020 船舶和海上技术 声响接收系统
- GB/T2901-1982 文献目录信息交换用磁带格式
- GB9026-1988 指点信标性能要求
- 行业新闻
请牢记:“bzxz.net”即是“标准下载”四个汉字汉语拼音首字母与国际顶级域名“.net”的组合。 ©2025 标准下载网 www.bzxz.net 本站邮件:bzxznet@163.com
网站备案号:湘ICP备2025141790号-2
网站备案号:湘ICP备2025141790号-2