- 您的位置:
- 标准下载网 >>
- 标准分类 >>
- 机械行业标准(JB) >>
- JB/T 5814.7-1991 电线电缆专用设备 基本参数 第7部分:编织设备
- 标准号: - JB/T 5814.7-1991
- 标准名称: - 电线电缆专用设备 基本参数 第7部分:编织设备
- 标准类别: - 机械行业标准(JB)
- 英文名称: Basic parameters of special equipment for wires and cables Part 7: Braiding equipment
- 标准状态: 已作废
- 
          	发布日期: 1991-10-17
- 
		 实施日期: 1992-10-01
- 
          	作废日期: 2008-11-01
- 出版语种: 简体中文
- 下载格式: .rar.pdf
- 下载大小: 1,020.17 KB
- 中标分类号: 电工>>电工生产设备>>K91电工材料生产设备
 标准简介/下载
标准简介/下载点击下载
标准简介:
										 标准下载解压密码:www.bzxz.net
					 					 
						 
	        
	      本标准规定了电线电缆编织设备的系列及其本参数。 本标准适用于编织电线电缆金属和非金属的屏蔽层或护层,以及编织空心的铅编织套的编织机。 本标准适用于编织机也可用于编织各种非金属的圆形或扁形线、带及绳等。 JB/T 5814.7-1991 电线电缆专用设备 基本参数 第7部分:编织设备 JB/T5814.7-1991
 标准内容
标准内容部分标准内容:
					
					中华人民共和国机械行业标准
电线电缆专用设备基本参数
第7部份
编织设备
1主题内容与适用范围
本标准规定了电线电缆编织设备的系列及基本参数。JB/T5814.791
本标准适用于编织电线电缆金属和非金属的屏蔽层或护层,以及编织空心的铜编织套的编织机。本标准适用的编织机也可用于编织各种非金属的圆形或扁形线、带及绳等。2型号
编织机的系列型号如表1。
编织机的产品标记应在其型式尺寸标准中规定。2.2
系列型号
基本参数
8字式编织机系列
拨杆式编织机系列
回归式编织机系列
PB系列编织机的基本参数应符合表2规定。3.1
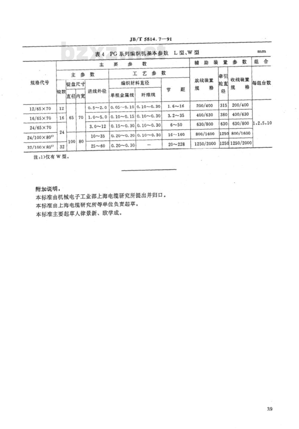
FH系列编织机的基本参数应符合表3规定。3.3PG系列编织机的基本参数应符合表4规定。主要用途
低速编织
高速编织
低速编织
表2PB系列编织机基本参数L型、W型主
规格代号
12/35×80
16/35×80
16/45×80
16/63×120
24/35×80
24/45×80
24/63×120m
24/80×120
主参数
锭盘尺寸
直径内宽
进线直径
工艺参数
编织材料直径
单根金属线
0.05~0.10
2.0~10.00.07~0.15
纤维线
0.10~0.30
2.24~22.4
12012.0~25.00.20~0.30
0.10~0.40
3.0~12.0/0.05~0.15
5.0~20.00.100.30
10.0~30.0
15.0~35.0
机械电子工业部199110—17批准0.20~0.30
0.10~0.30
0.10~0.40
012.5~112.5
0.20~0.50
辅助装置
放线装置
200/400
400/500
500/630
630/800
500/630
630/800
800/1250
收线装置
200/400
400/500
500/630
630/800
500/630
630/800
800/1250
每组台数
1,2,5,10
1992—10—01实施
规格代号
32/35×80
36/45×80
36/63×120m
36/80×120
40/35×80
48/35×80
48/45×80
48/80×120
56/35×80
64/35×80
72/35×80
规格代号
3/35×80
3/45×80
9/35×80
13/35×80
17/35×80
21/35×80
25/35×80
29/35×80
33/35×80
47/35×80
JB/T5814.7—91
续表2PB系列编织机基本参数·L型、W型主
主参数
锭盘尺寸
进线直径
直径内宽
机参数
工艺参数
编织材料直径
纤维线
单根金属线
6.0~16.00.05~0.15
10.0~35.0
0.10~0.30
25.0~40.0
25.0~70.00.20~0.30
10.0~25.0
0.05~0.15
0.10~0.40
0.20~0.50
0.10~0.30
20.0~50.00.15~0.30
8012040.0~70.0.20~0.300.20~0.5020.0~40.0
30.0~50.d0.05~0.15
0.10~0.30
40.0~70.0
含L型和W型,其他均为L型。
16~160www.bzxz.net
22~200
28~270
25~225
32~270
45~360
26~235
30~315
45~400
表3PH系列编织机基本参数
主参数
锭盘尺寸
编织材料直径
直径内宽单根金属线
0.05~0.10
0.05~0.15
纤维线
出线尺寸宽度
15~135
放线装置
630/800
800/1250
1250/2000
800/1250
1000/1600
1250/2000
800/1250
1000/1600
1250/2000
收线装置
630/800
800/1250
12501250/2000
800/1250
10001000/1600
125d1250/2000
800/1250
1000/1600
1250/2000
放线装置
收线装置
每组台数
1,2,5,10
每组台数
1,2,5,10
规格代号
12/65×70
16/65×70
24/65×70
24/100×80)
32/100×80
主参数
锭盘尺寸
直径内宽
注:1)仅有W型。
进线外径
JB/T5814.7--91
PG系列编织机基本参数
工艺参数
编织材料直径
单根金属线
纤维线
0.05~0.10
0.10~0.30
0.100.150.10~0.30
0.15~0.300.10~0.30
0.20~0.30
0.10~0.30
0.20~0.30
附加说明:
本标准由机械电子工业部上海电缆研究所提出并归口。本标准由上海电缆研究所等单位负责起草。本标准主要起草人律景新、欧学成。节
L型、W型
放线装置
20~228
200/400
400/630
630/800
800/1600
1250/2000
收线装置
200/400
400/630
每组台数
630/800
1,2,5,10
800/1600
125d1250/2000
小提示:此标准内容仅展示完整标准里的部分截取内容,若需要完整标准请到上方自行免费下载完整标准文档。
	 
	        
	      电线电缆专用设备基本参数
第7部份
编织设备
1主题内容与适用范围
本标准规定了电线电缆编织设备的系列及基本参数。JB/T5814.791
本标准适用于编织电线电缆金属和非金属的屏蔽层或护层,以及编织空心的铜编织套的编织机。本标准适用的编织机也可用于编织各种非金属的圆形或扁形线、带及绳等。2型号
编织机的系列型号如表1。
编织机的产品标记应在其型式尺寸标准中规定。2.2
系列型号
基本参数
8字式编织机系列
拨杆式编织机系列
回归式编织机系列
PB系列编织机的基本参数应符合表2规定。3.1
FH系列编织机的基本参数应符合表3规定。3.3PG系列编织机的基本参数应符合表4规定。主要用途
低速编织
高速编织
低速编织
表2PB系列编织机基本参数L型、W型主
规格代号
12/35×80
16/35×80
16/45×80
16/63×120
24/35×80
24/45×80
24/63×120m
24/80×120
主参数
锭盘尺寸
直径内宽
进线直径
工艺参数
编织材料直径
单根金属线
0.05~0.10
2.0~10.00.07~0.15
纤维线
0.10~0.30
2.24~22.4
12012.0~25.00.20~0.30
0.10~0.40
3.0~12.0/0.05~0.15
5.0~20.00.100.30
10.0~30.0
15.0~35.0
机械电子工业部199110—17批准0.20~0.30
0.10~0.30
0.10~0.40
012.5~112.5
0.20~0.50
辅助装置
放线装置
200/400
400/500
500/630
630/800
500/630
630/800
800/1250
收线装置
200/400
400/500
500/630
630/800
500/630
630/800
800/1250
每组台数
1,2,5,10
1992—10—01实施
规格代号
32/35×80
36/45×80
36/63×120m
36/80×120
40/35×80
48/35×80
48/45×80
48/80×120
56/35×80
64/35×80
72/35×80
规格代号
3/35×80
3/45×80
9/35×80
13/35×80
17/35×80
21/35×80
25/35×80
29/35×80
33/35×80
47/35×80
JB/T5814.7—91
续表2PB系列编织机基本参数·L型、W型主
主参数
锭盘尺寸
进线直径
直径内宽
机参数
工艺参数
编织材料直径
纤维线
单根金属线
6.0~16.00.05~0.15
10.0~35.0
0.10~0.30
25.0~40.0
25.0~70.00.20~0.30
10.0~25.0
0.05~0.15
0.10~0.40
0.20~0.50
0.10~0.30
20.0~50.00.15~0.30
8012040.0~70.0.20~0.300.20~0.5020.0~40.0
30.0~50.d0.05~0.15
0.10~0.30
40.0~70.0
含L型和W型,其他均为L型。
16~160www.bzxz.net
22~200
28~270
25~225
32~270
45~360
26~235
30~315
45~400
表3PH系列编织机基本参数
主参数
锭盘尺寸
编织材料直径
直径内宽单根金属线
0.05~0.10
0.05~0.15
纤维线
出线尺寸宽度
15~135
放线装置
630/800
800/1250
1250/2000
800/1250
1000/1600
1250/2000
800/1250
1000/1600
1250/2000
收线装置
630/800
800/1250
12501250/2000
800/1250
10001000/1600
125d1250/2000
800/1250
1000/1600
1250/2000
放线装置
收线装置
每组台数
1,2,5,10
每组台数
1,2,5,10
规格代号
12/65×70
16/65×70
24/65×70
24/100×80)
32/100×80
主参数
锭盘尺寸
直径内宽
注:1)仅有W型。
进线外径
JB/T5814.7--91
PG系列编织机基本参数
工艺参数
编织材料直径
单根金属线
纤维线
0.05~0.10
0.10~0.30
0.100.150.10~0.30
0.15~0.300.10~0.30
0.20~0.30
0.10~0.30
0.20~0.30
附加说明:
本标准由机械电子工业部上海电缆研究所提出并归口。本标准由上海电缆研究所等单位负责起草。本标准主要起草人律景新、欧学成。节
L型、W型
放线装置
20~228
200/400
400/630
630/800
800/1600
1250/2000
收线装置
200/400
400/630
每组台数
630/800
1,2,5,10
800/1600
125d1250/2000
小提示:此标准内容仅展示完整标准里的部分截取内容,若需要完整标准请到上方自行免费下载完整标准文档。
 标准图片预览
标准图片预览 标准图片预览:



- 热门标准
- 机械行业标准(JB)
- JB/T7895-2008 永磁筒式磁选机
- JB/T10930-2010 200级耐电晕漆包铜圆线
- JB/T10288-2001 连栋温室结构
- JB/T3411.50-1999 两爪顶拔器 尺寸
- JB/T10056-1999 直流电流互感器 技术条件
- JB/T2756-2006 无轨电车用炭滑块
- JB/T7140.1-1993 牲畜药浴机械 型式与基本参数
- JB/T9933.2-1999 小模数齿轮滚齿机 精度检验
- JB/T20086-2006 药用容器 料斗
- JB/T5934-1991 工程机械门锁 技术条件
- JB/T8108.2-1999 起重用短环链 用于葫芦的其他起重设备的T(8)级校准链条
- JB/T8528-1997 普通型阀门电动装置 技术条件
- JB/T9768-1999 内燃机 气缸套平台珩磨网纹 技术规范及检测方法
- JB/T5000.14-2007 重型机械通用技术条件 第14部分:铸钢件无损探伤
- JB∕T12618-2016 家用和类似用途电器的触摸开关
- 行业新闻
请牢记:“bzxz.net”即是“标准下载”四个汉字汉语拼音首字母与国际顶级域名“.net”的组合。 ©2025 标准下载网 www.bzxz.net 本站邮件:bzxznet@163.com
网站备案号:湘ICP备2025141790号-2
网站备案号:湘ICP备2025141790号-2
