- 您的位置:
- 标准下载网 >>
- 标准分类 >>
- 电子行业标准(SJ) >>
- SJ 20409-1994 数据传输设备检验规则
标准号:
SJ 20409-1994
标准名称:
数据传输设备检验规则
标准类别:
电子行业标准(SJ)
标准状态:
现行-
发布日期:
1994-09-30 -
实施日期:
1994-12-01 出版语种:
简体中文下载格式:
.rar.pdf下载大小:
368.41 KB
部分标准内容:
中华人民共和国电子行业军用标准FL5805
SJ20409-94
数据传输设备检验规则
Inspectionrules forthedata
transmission equipments
1994-09-30发布
1994-12-01实施
中华人民共和国电子工业部
中华人民共和国电子行业军用标准数据传输设备检验规则
Inspection rules for the datatransmission equipments
1范围
1.1主题内容
本标准规定了数据传输设备的检验规则。1.2适用范围
本标准适用于数据传输设备中话带调制解调器和时分复用设备。2引用文件
GJB179--86计数抽样检查程序及表3定义
本标准中所用术语的定义均按GJB179中第1章的规定。4般要求
本章无条文。
5详细要求
5.1检验责任
SJ20409-94
除合同或订单中另有规定外,承制方应负完成本标准规定的所有检验。必要时,订购方或上级鉴定机构有权对本标准所述的任一检验项目进行检查。5.1.1合格责任
所有产品应必须符合产品规范第3章和第5章规定的所有要求,本标准中规定的检验应成为承制方整个检验体系或质量大纲的一个组成部分。若合同中含有本标准中未规定的检验要求时,承制方还应保证所提交验收的产品要符合合同的要求。质量一致性的抽样不允许提交明知有缺陷的产品。
5.2检验分类
本标准所规定的检验分为:
a。鉴定检验;
b.质量一致性检验。
中华人民共和国电子工业部1994-09-30发布1994-12-01实施
5.3检验条件
SJ20409—94
除另有规定,所有检验应在产品规范中规定的环境条件下进行。氢。4缺陷分类
产品的致命缺陷,严重缺陷,轻缺陷的具体划分在产品规范中规定,或由承制方和订购方另行商定。
5.5鉴定检验
鉴定检验系指对新产品的若干样品进行一系列完整检验,以确定承制方是否有能力生产符合有关规范要求的产品。
5.5.1样品大小
承制方至少应提供2台单位产品进行鉴定检验。5.5.2检验项目及顺序
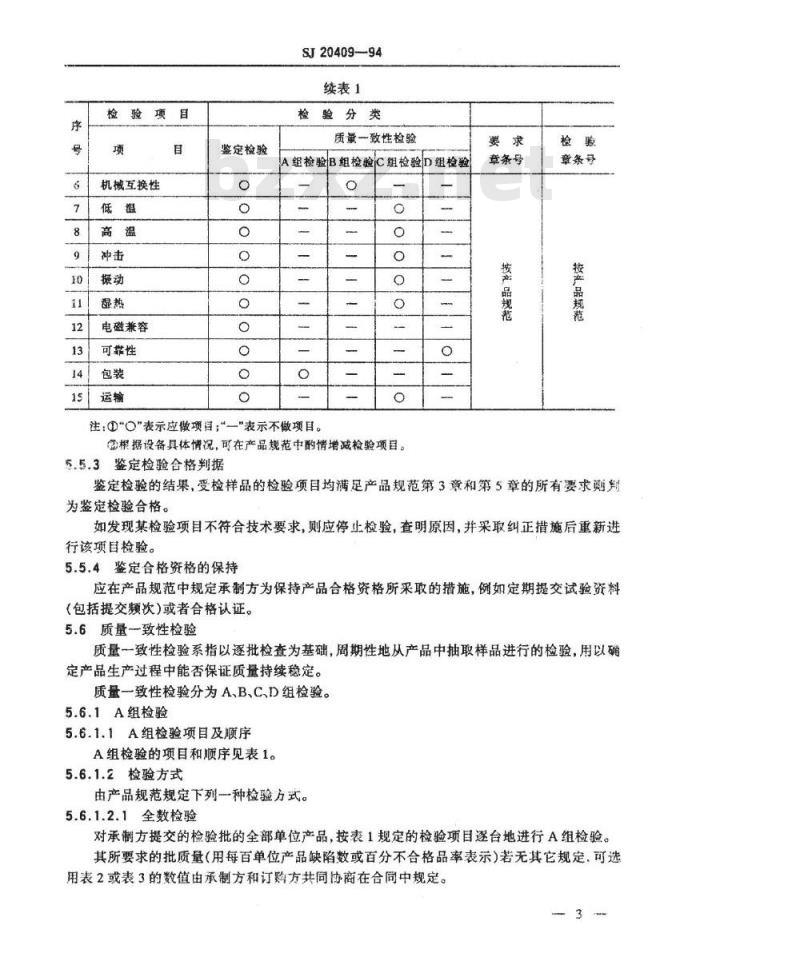
鉴定检验的项目和顺序见表1。
验项目
外观质量
产品标志和代号
对地泄漏电流
抗电强度
话带调制解调器
数据信号速率
发送数据信电平
阻抗特性
接口电路性能
环路测试
线路特性模拟测试
时分复用设备
集合载体通道速率
信息载体通道速率
接口电气性能
误码特性
有效瞬间
时简失真
厨分复角设备
在传输系统中
的实际测试
电源适应能力
鉴定检验
检验分类
质量一致性检验
A组检验B组检验C组检验D组检验o
章条号
按产品规范
按产品规范
章条号
按产品规范
按产品规范
检验项目
机械互换性
电磁兼容
可靠性
鉴定检验
SJ20409-94Www.bzxZ.net
续表1
检验分类
质量一致性检验
A组检验B组检验C组检验D组检验o
注:①\○\表示应做项目“\表示不做项目。根据设备具体情况,可在产品规范中酌情增减检验项目。5.5.3鉴定检验合格判据
章条号
品规范
章条号
按产品规范
鉴定检验的结果,受检样品的检验项目均满足产品规范第3章和第5章的所有要求则知为鉴定检验合格。
如发现某检验项目不符合技术要求,则应停止检验,查明原因,并采取纠正措施后重新进行该项目检验。
5.5.4鉴定合格资格的保持
应在产品规范中规定承制方为保持产品合格资格所采取的措施,例如定期提交试验资料(包括提交频次)或者合格认证。5.6质量致性检验
质量一致性检验系指以逐批检查为基础,周期性地从产品中抽取样品进行的检验,用以确定产品生产过程中能否保证质量持续稳定。质量一致性检验分为A、B、C、D组检验。5.6.1A组检验
5.6.1.1A组检验项目及顺序
A组检验的项目和顺序见表1。
5.6.1.2检验方式
由产品规范规定下列一种检验方式。5.6.1.2.1全数检验
对承制方提交的检验批的全部单位产品,按表1规定的检验项目逐台地进行A组检验。其所要求的批质量(用每百单位产品缺陷数或百分不合格品率表示)若无其它规定,可选用表2或表3的数值由承制方和订购方共同协商在合同中规定。3
缺陷种类
严重缺陷
轻缺陷
不合格品种类
严量不合格品
轻不合格品
5.6.1.2.1.1合格判据
SJ2040994
可接收质量水平AQL值
可接收质量水平AQL值
根据检验结果,累计缺陷数或不合格品数,按GJB179中1.14或1.13条中公式计算每百单位产品的缺陷数或百分不合格品率,如该值等于小于规定值则该批判为A组检验合格。A组检验不允许有致命缺陷,若发现致命缺陷则该检查批及可能存在此类致命缺陷的批均被拒收。
5.6.1.2.1.2重新检验
A组检验不合格的批,承制方应对其进行分析,找出缺陷原因并采取纠正措施后可重新提交检验。重新提交批与新提交批应分开,并清楚地标以重新检验批的标志,重新检验应采用加严检验。
如果重新检验仍不合格,则将该批作拒收处理,退回承制方返工。5.6.1.2.2抽样检验
5.6.1.2.2.1抽样方案
除非另有规定,A组抽样检验的检查程序及检查的实施应按GJB179的规定,但不能使用放宽检验,一般情况下采用检查水平Ⅱ的一次正常检查抽样方案,检验的批合格质量水平(AQL)由产品规范规定。若无其它规定,合格质量水平(AQL)建议选用表2或表3中给出的值。A组检验的抽样方案按表4和表5检索出。表4样本大小字码
批量范围
151~280
特殊检
查水平
批量范围
281~500
501~1200
1201~3200
3201~10000
10001~35000
35001~150000
150001500000
500001以上
SJ20409-94
续表4
查水平
一次正常检查抽样方案(主表)表5
可接收质量水平(正常检查)
一用箭头下面的第一个抽样方案,如果样本大小等于或超过批量,进行百分之百的检查。注:-
②一用能头上面的第一个抽样方案。AC=接收判定数。Re=拒收判定数。5.6.1.2.2.2合格判据
根据样本检查的结果,若在样本中发现的缺陷数或不合格品率小于或等于合格判定数,则5
SJ20409-94
该批判为A组检验合格,若在样本中发现的缺陷数或不合格品率大于或等于不合格判定数,则该批判为A组检验不合格。
5.6.1.2.2.3重新检验
A组检验不合格的批,按5.6.1.2.1.2条处理后,可重新提交检验。重新检验的批应采取加严检查,加严检查采用表6的加严检查一次抽样方案,检查水平选用一般检验水平Ⅱ(见表4)。
重新检验仍不合格时,应将该批产品按拒收处理退回承制方全部返工。表6一次加严检查抽样方案(主表)样本
可接收质量水平(加严检查)
注:①一用箭头下面的第一个抽样方案,如果样本大小等于或超过批量,进行百分之百的检查。②一一用箭头上面的第一个抽样方案。Ac=接收判定数。Re=拒收判定数。5.6.2B组检验
5.6.2.1检验项目及顺序
B组检验项目及顺序见表1。
5.6.2.2抽样方案
B组检验应在经过A组检验合格的产品上进行,除另有规定外,B组抽样检验的程序及检查的实施应按GJB179的规定,一般采用特殊检查水平S-2(见表4)的一次正常检查抽样方案(见表5)。批可接收质量水平(AQL)由产品规范规定,若无其它规定,可接收质量水平建议6
选表4中给出的值。
5.6.2.3合格判据
SJ20409—94
根据样本检查的结果,若在样本中发现的缺陷数小于或等于合格判定数组,则判该B组检验合格,否则判该B组检验不合格。5.6.2.4重新检验
如果B组检验不合格,则承制方应进行分析,找出缺陷原因并采取纠正措施修复之后重新提交检验,重新检验时应采用加严检查一次抽样方案(见表6),检验水平选用S一2(见表4),重新检验仍不合格,则该批产品按拒收处理,退回承制方返工。5.6.3C组检验
5.6.3.1C组检验项目及顺序
除非另有规定,C组检验的项目及顺序一般按表1。C组检验是在已通过A组和B组检验的样本上进行。
5.6.3.2抽样方案
除非另有规定,C组检验的抽样方案应按GJB179的规定,采用特殊检查水平S-2的一次正常检查方案。
5.6.3.3合格判据
根据样本检验结果,若在样本中发现的缺陷数小于或等于合格判定数,则该批产品判为C组检验合格,若在样本中发现的缺陷数大于或等于不合格判定数,则该批产品C组检验不合格。
5.6.3.4重新检验
如果样品C组检验不合格,则应停止产品的验收和交付。承制方应将不合格情况通知合格鉴定单位,在采取纠正措施后,应根据合格鉴定单位的意见,重新进行全部试验或检验,或只对不合格的项目进行试验或检验。若试验仍不合格,则应将不合格情况通知合格鉴定单位。5.6.3.5检验周期
除非另有规定外,C组检验每年至少进行一次,如果产品结构、材料有较大改变,可能影响性能时,也应进行C组检验。
5.6.3.6样品处理
经受过C组检验的样品一般不能作为合格品交付订购方使用,特殊情况下,如果承制方能将所有已发现的或潜在的损伤修复,并重新经受且通过A组检验,在得到订购方认可后按合同或订货单交付。但必须注明该产品已进行过C组检验。5.6.4D组检验
5.6.4.1D组检验项目
D组检验项目见表1。
5.6.4.2抽样方案
D组检验应在已通过A组检验的产品上进行。D组检验的试验等级,试验方案和程序及抽样样品数由产品规范规定。
5.6.4.3检验周期
除非另有规定,只要求在鉴定检验时才作D组检验。但当设计、工艺、元器件及材料的变动并且如果无法确定这些变动对D组检验项目没有不利影响时,也应进行D组检验。对连续生产的批量较大的产品,由承制方和订购方协商可定期进行D组检验。7
5.6.4.4D组检验的判据和处理
SJ20409-94
D组检验的判定和处理由产品规范或合同规定。5.6.4.5样品处理
除非另有规定,只有在所有故障修复和更换有寿命要求的元器件后,重新经受D组检验的样品才能按合同接收。
5.6.5不合格
如果样品未通过C组或D组检验,则应停止产品的验收和交付。承制方应将不合格品情况通知合格鉴定单位。在采取纠正措施之后,应根据合格鉴定单位的意见,重新进行全部试验或检验,或只对不合格的项目进行试验或检验。若试验仍不合格,则应将不合格的情况通知合格鉴定单位。
附加说明:
本标准中华人民共和国电子工业部提出。本标准由中国电子技术标准化研究所归口。本标准由电子技术标准化研究所、天津无线电五厂起草。本标准主要起草人:邱国群、冯费平。计划项目代号:B03021。
小提示:此标准内容仅展示完整标准里的部分截取内容,若需要完整标准请到上方自行免费下载完整标准文档。
SJ20409-94
数据传输设备检验规则
Inspectionrules forthedata
transmission equipments
1994-09-30发布
1994-12-01实施
中华人民共和国电子工业部
中华人民共和国电子行业军用标准数据传输设备检验规则
Inspection rules for the datatransmission equipments
1范围
1.1主题内容
本标准规定了数据传输设备的检验规则。1.2适用范围
本标准适用于数据传输设备中话带调制解调器和时分复用设备。2引用文件
GJB179--86计数抽样检查程序及表3定义
本标准中所用术语的定义均按GJB179中第1章的规定。4般要求
本章无条文。
5详细要求
5.1检验责任
SJ20409-94
除合同或订单中另有规定外,承制方应负完成本标准规定的所有检验。必要时,订购方或上级鉴定机构有权对本标准所述的任一检验项目进行检查。5.1.1合格责任
所有产品应必须符合产品规范第3章和第5章规定的所有要求,本标准中规定的检验应成为承制方整个检验体系或质量大纲的一个组成部分。若合同中含有本标准中未规定的检验要求时,承制方还应保证所提交验收的产品要符合合同的要求。质量一致性的抽样不允许提交明知有缺陷的产品。
5.2检验分类
本标准所规定的检验分为:
a。鉴定检验;
b.质量一致性检验。
中华人民共和国电子工业部1994-09-30发布1994-12-01实施
5.3检验条件
SJ20409—94
除另有规定,所有检验应在产品规范中规定的环境条件下进行。氢。4缺陷分类
产品的致命缺陷,严重缺陷,轻缺陷的具体划分在产品规范中规定,或由承制方和订购方另行商定。
5.5鉴定检验
鉴定检验系指对新产品的若干样品进行一系列完整检验,以确定承制方是否有能力生产符合有关规范要求的产品。
5.5.1样品大小
承制方至少应提供2台单位产品进行鉴定检验。5.5.2检验项目及顺序
鉴定检验的项目和顺序见表1。
验项目
外观质量
产品标志和代号
对地泄漏电流
抗电强度
话带调制解调器
数据信号速率
发送数据信电平
阻抗特性
接口电路性能
环路测试
线路特性模拟测试
时分复用设备
集合载体通道速率
信息载体通道速率
接口电气性能
误码特性
有效瞬间
时简失真
厨分复角设备
在传输系统中
的实际测试
电源适应能力
鉴定检验
检验分类
质量一致性检验
A组检验B组检验C组检验D组检验o
章条号
按产品规范
按产品规范
章条号
按产品规范
按产品规范
检验项目
机械互换性
电磁兼容
可靠性
鉴定检验
SJ20409-94Www.bzxZ.net
续表1
检验分类
质量一致性检验
A组检验B组检验C组检验D组检验o
注:①\○\表示应做项目“\表示不做项目。根据设备具体情况,可在产品规范中酌情增减检验项目。5.5.3鉴定检验合格判据
章条号
品规范
章条号
按产品规范
鉴定检验的结果,受检样品的检验项目均满足产品规范第3章和第5章的所有要求则知为鉴定检验合格。
如发现某检验项目不符合技术要求,则应停止检验,查明原因,并采取纠正措施后重新进行该项目检验。
5.5.4鉴定合格资格的保持
应在产品规范中规定承制方为保持产品合格资格所采取的措施,例如定期提交试验资料(包括提交频次)或者合格认证。5.6质量致性检验
质量一致性检验系指以逐批检查为基础,周期性地从产品中抽取样品进行的检验,用以确定产品生产过程中能否保证质量持续稳定。质量一致性检验分为A、B、C、D组检验。5.6.1A组检验
5.6.1.1A组检验项目及顺序
A组检验的项目和顺序见表1。
5.6.1.2检验方式
由产品规范规定下列一种检验方式。5.6.1.2.1全数检验
对承制方提交的检验批的全部单位产品,按表1规定的检验项目逐台地进行A组检验。其所要求的批质量(用每百单位产品缺陷数或百分不合格品率表示)若无其它规定,可选用表2或表3的数值由承制方和订购方共同协商在合同中规定。3
缺陷种类
严重缺陷
轻缺陷
不合格品种类
严量不合格品
轻不合格品
5.6.1.2.1.1合格判据
SJ2040994
可接收质量水平AQL值
可接收质量水平AQL值
根据检验结果,累计缺陷数或不合格品数,按GJB179中1.14或1.13条中公式计算每百单位产品的缺陷数或百分不合格品率,如该值等于小于规定值则该批判为A组检验合格。A组检验不允许有致命缺陷,若发现致命缺陷则该检查批及可能存在此类致命缺陷的批均被拒收。
5.6.1.2.1.2重新检验
A组检验不合格的批,承制方应对其进行分析,找出缺陷原因并采取纠正措施后可重新提交检验。重新提交批与新提交批应分开,并清楚地标以重新检验批的标志,重新检验应采用加严检验。
如果重新检验仍不合格,则将该批作拒收处理,退回承制方返工。5.6.1.2.2抽样检验
5.6.1.2.2.1抽样方案
除非另有规定,A组抽样检验的检查程序及检查的实施应按GJB179的规定,但不能使用放宽检验,一般情况下采用检查水平Ⅱ的一次正常检查抽样方案,检验的批合格质量水平(AQL)由产品规范规定。若无其它规定,合格质量水平(AQL)建议选用表2或表3中给出的值。A组检验的抽样方案按表4和表5检索出。表4样本大小字码
批量范围
151~280
特殊检
查水平
批量范围
281~500
501~1200
1201~3200
3201~10000
10001~35000
35001~150000
150001500000
500001以上
SJ20409-94
续表4
查水平
一次正常检查抽样方案(主表)表5
可接收质量水平(正常检查)
一用箭头下面的第一个抽样方案,如果样本大小等于或超过批量,进行百分之百的检查。注:-
②一用能头上面的第一个抽样方案。AC=接收判定数。Re=拒收判定数。5.6.1.2.2.2合格判据
根据样本检查的结果,若在样本中发现的缺陷数或不合格品率小于或等于合格判定数,则5
SJ20409-94
该批判为A组检验合格,若在样本中发现的缺陷数或不合格品率大于或等于不合格判定数,则该批判为A组检验不合格。
5.6.1.2.2.3重新检验
A组检验不合格的批,按5.6.1.2.1.2条处理后,可重新提交检验。重新检验的批应采取加严检查,加严检查采用表6的加严检查一次抽样方案,检查水平选用一般检验水平Ⅱ(见表4)。
重新检验仍不合格时,应将该批产品按拒收处理退回承制方全部返工。表6一次加严检查抽样方案(主表)样本
可接收质量水平(加严检查)
注:①一用箭头下面的第一个抽样方案,如果样本大小等于或超过批量,进行百分之百的检查。②一一用箭头上面的第一个抽样方案。Ac=接收判定数。Re=拒收判定数。5.6.2B组检验
5.6.2.1检验项目及顺序
B组检验项目及顺序见表1。
5.6.2.2抽样方案
B组检验应在经过A组检验合格的产品上进行,除另有规定外,B组抽样检验的程序及检查的实施应按GJB179的规定,一般采用特殊检查水平S-2(见表4)的一次正常检查抽样方案(见表5)。批可接收质量水平(AQL)由产品规范规定,若无其它规定,可接收质量水平建议6
选表4中给出的值。
5.6.2.3合格判据
SJ20409—94
根据样本检查的结果,若在样本中发现的缺陷数小于或等于合格判定数组,则判该B组检验合格,否则判该B组检验不合格。5.6.2.4重新检验
如果B组检验不合格,则承制方应进行分析,找出缺陷原因并采取纠正措施修复之后重新提交检验,重新检验时应采用加严检查一次抽样方案(见表6),检验水平选用S一2(见表4),重新检验仍不合格,则该批产品按拒收处理,退回承制方返工。5.6.3C组检验
5.6.3.1C组检验项目及顺序
除非另有规定,C组检验的项目及顺序一般按表1。C组检验是在已通过A组和B组检验的样本上进行。
5.6.3.2抽样方案
除非另有规定,C组检验的抽样方案应按GJB179的规定,采用特殊检查水平S-2的一次正常检查方案。
5.6.3.3合格判据
根据样本检验结果,若在样本中发现的缺陷数小于或等于合格判定数,则该批产品判为C组检验合格,若在样本中发现的缺陷数大于或等于不合格判定数,则该批产品C组检验不合格。
5.6.3.4重新检验
如果样品C组检验不合格,则应停止产品的验收和交付。承制方应将不合格情况通知合格鉴定单位,在采取纠正措施后,应根据合格鉴定单位的意见,重新进行全部试验或检验,或只对不合格的项目进行试验或检验。若试验仍不合格,则应将不合格情况通知合格鉴定单位。5.6.3.5检验周期
除非另有规定外,C组检验每年至少进行一次,如果产品结构、材料有较大改变,可能影响性能时,也应进行C组检验。
5.6.3.6样品处理
经受过C组检验的样品一般不能作为合格品交付订购方使用,特殊情况下,如果承制方能将所有已发现的或潜在的损伤修复,并重新经受且通过A组检验,在得到订购方认可后按合同或订货单交付。但必须注明该产品已进行过C组检验。5.6.4D组检验
5.6.4.1D组检验项目
D组检验项目见表1。
5.6.4.2抽样方案
D组检验应在已通过A组检验的产品上进行。D组检验的试验等级,试验方案和程序及抽样样品数由产品规范规定。
5.6.4.3检验周期
除非另有规定,只要求在鉴定检验时才作D组检验。但当设计、工艺、元器件及材料的变动并且如果无法确定这些变动对D组检验项目没有不利影响时,也应进行D组检验。对连续生产的批量较大的产品,由承制方和订购方协商可定期进行D组检验。7
5.6.4.4D组检验的判据和处理
SJ20409-94
D组检验的判定和处理由产品规范或合同规定。5.6.4.5样品处理
除非另有规定,只有在所有故障修复和更换有寿命要求的元器件后,重新经受D组检验的样品才能按合同接收。
5.6.5不合格
如果样品未通过C组或D组检验,则应停止产品的验收和交付。承制方应将不合格品情况通知合格鉴定单位。在采取纠正措施之后,应根据合格鉴定单位的意见,重新进行全部试验或检验,或只对不合格的项目进行试验或检验。若试验仍不合格,则应将不合格的情况通知合格鉴定单位。
附加说明:
本标准中华人民共和国电子工业部提出。本标准由中国电子技术标准化研究所归口。本标准由电子技术标准化研究所、天津无线电五厂起草。本标准主要起草人:邱国群、冯费平。计划项目代号:B03021。
小提示:此标准内容仅展示完整标准里的部分截取内容,若需要完整标准请到上方自行免费下载完整标准文档。
标准图片预览:





- 其它标准
- 热门标准
- 电子行业标准(SJ)
- SJ3166-1988 GZS12-4-3型彩色显像管插座
- SJ783-1974 3DG101型NPN硅外延平面高频小功率三极管
- SJ2857.2-1988 温差电致冷材料性能的测试方法 电导率的测试方法
- SJ2879-1988 彩色电视接收机用色纯静会聚磁体组合件总规范
- SJ/T9546-1993 无金属化孔单、双面印制板的质量分等标准
- SJ/T31441-1994 离心式制冷机组完好要求和检查评定方法
- SJ20837-2002 仪表着陆系统选址要求
- SJ/T10669-1995 表面组装器件可焊性试验
- SJ/Z3206.2-1989 发射光谱分析用激发源及其性能要求
- SJ/Z3206.5-1989 光谱化学分析用感光板和胶片的照相处理方法
- SJ/Z9010.27-1987 电子管电性能的测试 第27部分:发射管中相互调制分量的测试方法
- SJ/T10253-1991 电子器件详细规范 半导体集成电路CC4046型CMOS数字锁相环详细规范
- SJ1558-1980 MF41型和MF44型旁热型负温度系数热敏电阻器
- SJ2168-1982 涂覆用环氧粉末
- SJ2488-1984 电子设备用变压器、阻流圈和铁芯噪声测试方法
- 行业新闻
请牢记:“bzxz.net”即是“标准下载”四个汉字汉语拼音首字母与国际顶级域名“.net”的组合。 ©2025 标准下载网 www.bzxz.net 本站邮件:bzxznet@163.com
网站备案号:湘ICP备2025141790号-2
网站备案号:湘ICP备2025141790号-2