- 您的位置:
- 标准下载网 >>
- 标准分类 >>
- 电子行业标准(SJ) >>
- SJ 20407-1994 UHF数字接力设备通用规范
标准号:
SJ 20407-1994
标准名称:
UHF数字接力设备通用规范
标准类别:
电子行业标准(SJ)
标准状态:
现行-
发布日期:
1994-09-30 -
实施日期:
1994-12-01 出版语种:
简体中文下载格式:
.rar.pdf下载大小:
714.64 KB
部分标准内容:
中华人民共和国电子行业军用标准FL5820
SJ20407-94
UHF数字接力设备通用规范
Generic specification for
UHF digital radio relay equipments1994-09-30发布
1994-12-01实施
中华人民共和国电子工业部批准中华人民共和国电子行业军用标准UHF数字接力设备通用规范
Generic specification for
UHF digital radio relay equipments1范围
1.1主题内容
SJ20407-94
本规范规定了UHF频段(300~3000MHz)军用战术数字接力通信设备的通用要求、质量保证规定及交货准备。
1.2适用范围
本规范适用于UHF数字接力通信设备的研制、生产和交收。其它频段的军用战术数字接力通信设备可以参照执行。
1.3分类
1.3.1接频段分类
a.400~600MHz;
b.610~960MHz;
c.1350~185MHz。
1.3.2按适用的环境条件分类
参照GJB367.2的401、402中地面通信设备的高、低温工作温度严酷等级的一般要求档次分类,见表1。
特殊要求可在合同或订单中规定。2
引用文件
GB191-85
GB11014-89
包装储运图示标志
平衡电压数字接口的电气特性
GB/T13429-92增量调制终端设备技术要求中华人民共和国电子工业部1994-09-30发布工作温度C
-40~55
-25~55
-10~55
1994-12-01实施
GJB151.4-86
GJB152--86
GJB 367.2-87
GJB367.3-87
GJB 367.4 -87
GJB 367.5 - 87
GJB368.5-87
GJB663-89
GJB664.2-89
SJ20408—94
3要求
3.1合格鉴定
SJ20407-94
车用设备和分系统电磁发射和敏感度要求地面装置(固定的和移动的,包括履带式和轮式车辆)内的设备分系统的要求(A3类)
军用设备和分系统电磁发射和敏感度测量军用通信设备通用技术条件环境试验方法军用通信设备通用技术条件可靠性鉴定试验和验收试验方法军用通信设备通用技术条件验收规则军用通信设备通用技术条件包装、运输及贮存装备维修性通用规范维修性的试验与评定军用通信设备及系统安全要求
数字通信子群系统数字设备的数字接口UHF数字接力设备电性能测量方法按本规范提交的产品应是经鉴定合格或定型批准的产品。3.2可靠性
平均无故障工作时间(MTBF)不小于2400h。3.3结构
应根据产品规范中规定的产品所承受环境条件的应力要求,在产品规范中列出具体的结构要求。
3.4维修性
3.4.1预定的维修水平
设备的维修分三个级别,最高级别是基地级维修,其次是中继级维修,最低级别是基层级维修。
基层级维修是通过简单地更换模块进行修理。基层级维修的平均维修时间(MTTR)小于15min。3.4.2维修可达性
设备组装密度适当,应使得所有元器件、零件、部件和整件以及接线柱、连接线等在检香、测试、调整、折卸和安装时,应能接近,并且不应妨碍其它零件和连线。尽量少便用专用工具。3.4.3自测试程度
设备应尽可能设置机内测试设备。合理采用故障指示,故障指示达单元级。3.4.4结构保证
设备的结构应便于维修和能迅速更换备用件。应优先采用模块式结构。3.5运输性
a。设备可作为货物进行空运、海运和公路、铁路运输;b.设备应能装车使用,随安装的车辆运输;c.设备能承受载重汽车在三级公路上以2540km/h的速度行驶240km的运输。3.6性能特性
3.6.1整机特性
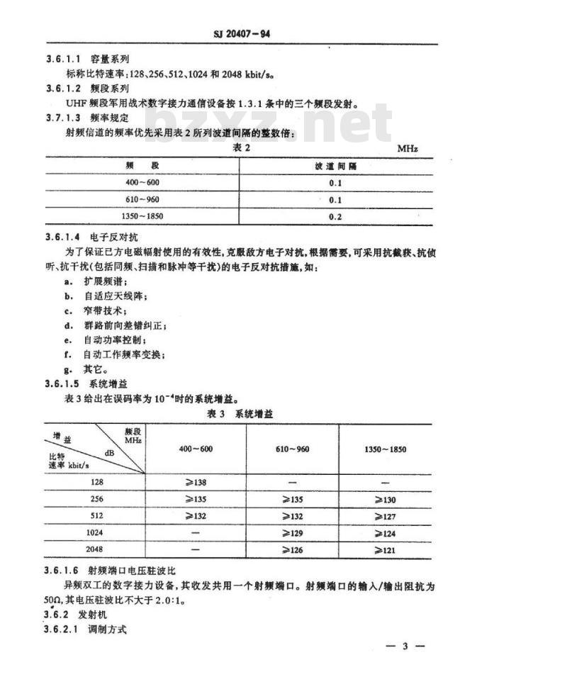
3.6.1.1容量系列
SJ20407-94
标称比特速率:128、256、512、1024和2048kbit/sa3.6.1.2频段系列
UHF频段军用战术数字接力通信设备按1.3.1条中的三个段发射。3.7.1.3频率规定
射频信道的频率优先采用表2所列波道间隔的整数倍:表2
400~600
610~960
1350~1850
电子反对抗
波道间隔
为了保证已方电磁幅射使用的有效性,克服敌方电子对抗,根据需要,可采用抗截获、抗侦听、抗干扰(包括同频、扫描和脉冲等干扰)的电子反对抗措施,如:a.
扩展频谱;
自适应天线阵;
窄带技术;
d.群路前向差错纠正;
自动功率控制;
自动工作频率变换:
g.其它。
3.6.1.5系统增益免费标准bzxz.net
表3给出在误码率为10-*时的系统增益。表3系统增益
速率kbit/s
400~600
≥138
≥135
≥132
3.6.1.6射频端口电压驻波比
610~960
≥135
≥129
1350~1850
≥130
≥127
≥124
≥121
异频双工的数字接力设备,其收发共用一个射频端口。射频端口的输入/输出阻抗为500,其电压驻波比不大于2.0:1。3.6.2发射机
3.6.2.1调制方式
优先采取二进制调频。
SJ20407-94
调频调制度要求在产品规范中给出。3.6.2.2发射功率
发射的功率指已调制功率,在设备射频端口测量。具体要求在产品规范中给出。
3.6.2.3载频频率准确度
±2×10-5。
3.6.2.4载频频率稳定度
具体要求在产品规范中给出。
3.6.2.5杂散信号抑制
杂散信号抑制不小于55dB。
3.6.2.6谐波抑制
谐波抑制不小于70dB。
3.6.3.接收机
3.6.3.1噪声系数
噪声系数不大于7dB。
3.6.3.2本振频率准确度
±2×10-5。
3.6.3.3本振频率稳定度
具体要求在产品规范中给出。
3.6.3.4自动增益控制(AGC)
自动增益控制(AGC)不小于45dB。3.6.3.5选择性
选择性指接收机在通频带以外对各种干扰的抑制能力,尤其是对邻近波道干扰、镜频干扰和本机收发之间干扰的抑制。
具体要求在产品规范中给出。
3.6.4基带系统
3.6.4.1接口点的选择
接口点的选择应参照图1进行。
图1接口点
BB-接力设备的基带系统;D一群路接口;H话音工程勤务接口;S一数据勤务接口。3.6.4.2群路接口D
群路接口D包含4种信号,其接口见图2。电气参数为:
SJ20407-94
图2D接口
线路1一接力设备输出群路信息;线路2一与线路1有关的时钟;线路3一接力设备输入群路信息;线路4一与线路3有关的时钟。a。输入和输出的每对信息信号和时钟信号的输入和输出采用平衡线对,并不以地为参考。双极性信号和时钟信号的形式及它们的相位关系如图3所示。1
图3接口信号
双极性信号
时钟信号
b。128、256、512、1024和2048kbit/s比特速率的信息输入和输出采用双极性码(AMI码),相应的时钟输和输出则为128、256、512、1024和2048kHz频率的不归零(MRZ)码。信息信号和相应的时钟信号的相位关系如图4所示。c。信息和时钟的输入和输出阻抗为130Q。在相应时钟频率的5%~60%范围内,相对于130Q负载电阻上测量时,信息输入和输出的回波损耗应大于或等于16dB。在时钟频率上相对于130Q负载电阻上测量时,时钟输入和输出的回波损耗应大于或等于16dB。d当在130α负载上测量信息信号和时钟信号的脉冲沿斜率时,在任一处都不应大于4X107V/s。
e.当在130Q负载电阻上测试时,在128、256、512、1024和2048kbit/s信息及时钟输出端的脉冲形状和辐度应符合图4所示的模板。图4也给出了实际时钟脉冲和信息信号的模板框架之间的关系。其正负脉冲的辐度比应为1±0.05。
时钟信号
SJ20407-94
童-峰
判决电平
电平判决时间点
图4信息信号和相应时钟信号的脉冲模板及相位关系f,在时钟的输出端,正信号应由一对中电位比“b\引线上电位高的“a”引线上的电位来表示,见图5。
图5互连线
引线:
引线b
信息和时钟输出的信号(其值按图4规定)应能在电缆的末端被正确地检测,该电缆g.
的长度为50m,且在时钟频率处的信号衰减不大于2dB。3.6.4.3话音工程勤务接口H
接口H应具有下列特性:
SJ20407-94
a。H点的输入和输出端口应是平衡的;b,这些端口可以以地为参考;
c。H点上的编码为CDP码(条件二相码),其信息比特率为16kbit/s。CDP码的产生和检测按GJB664.2附录B(补充件)的规定;d,H点的输出在负载电阻1300两端测量出的电压峰-峰值应是2V±20%。在130s2负载电阻两端测量时,输出信号的脉冲波形和振幅应符合图6的模板;1.4V
图6接口点H上输出信号脉冲模板正负脉冲振幅比应为1±0.05;
f.在H点的输入的标称阻抗应是1302.频率4~20kHz范围内,在130α上测量,不论对端的负载是多少,其回波损耗应优于16dB。3.6.4.4数据勤务接口S
数据勤务接口为平衡电压数字接口,用于链路控制设备(FC)与数据勤务终接设备(即UHF接力设备的控制部分)之间审行二进制信号的点对点互连。数据信号异步传输速率为2400bit/s。
数据勤务接口S符合GB11014平衡电压数字接口的电气特性。3.6.4.5定时抖动
a.设备容许的输入定时抖动:不大于0.06U.I;b。设备输出的定时抖动:不大于0.06U.I。3.6.4.6扰码和去扰
为了提高设备的通信透明度,设备必须设置对群路信号进行自同步的扰码和去扰功能。该功能应在设计中保证,并在系统级别上进行测试。3.6.4.7话音工程勤务
3.6.4.7.1通信方式
使用半双工话音通信设施与其它UHF接力设备的工程勤务单元或其它相同体制的a.
工程勤务终端进行勤务话音通信,但在任何时刻,只能有一个勤务线终端发话;b采取数字再生转接方式实现信令或话音在勤务电路中的传送;c。勤务终端,不论它被叫与否,都可以在勤务电路空闲时,包括半双工通信在改变方向的那一空闲时间接入勤务电路。7
3.6.4.7.2用户呼叫
SJ20407-94
。勤务终端可以用“通呼\信令同时呼叫其它勤务终端;b。勤务线电路上所有中间勤务线终端(TEOW)能应用“呼叫终接勤务线终端”(“呼叫TEOW\)信令分别对任一方向的终接勤务线终端发起呼叫;c中间勤务线终端应能打断正在进行的勤务联络对任一方向发出“紧急呼叫终接勤务线终端\(“紧急呼叫TEOW”)的申请。d。任何勤务线终端可以对同一勤务线电路上的勤务线终端进行“选呼”。3.6.4.7.3勤务线终端的定时
一个发送勤务线终端应使用自已的时钟,必要时它应能与群路的时钟同步;a.
b。勤务线终端的自主时钟的准确度应优于其标称频率的1X10-*;c.工作时间的定时:
发送:当要在-个正忙的电路上传送“紧急呼叫终接勤务线终端”时,时钟可以从信号或正在进行联络的时钟源中提取。
接收:接收的勤务线终端边,时钟必须从进入的信号中提取。3.6.4.7.4综合要求
以半双工方式提供16kbit/s的数字话务通信;a.
b,在勤务线上传输话音信号的模/数变换及勤务话音质量应符合GB/T13429第11章的要求;
勤务线应能独立于业务群路信号之外工作;c.
具备有双向的独立勤务信道:
应附有密码功能块提供勤务话保密;在无线电传输地段,在最坏的情况下,勤务线路的工作极限为随机误码率10-1。f.
3.6.4.7.5信令
信令不加密:
信令码以16kbit/s的比特率传输;b.
除了选呼地址信令外,其它勤务信令采用表4规定的3bit循环排列码字(CPC):d.CPC码字按表4所示的以16组反码和不反码的码组为单元发送,这种反码转换由4bit的相移码字(PSC)来控制,信令发送的开始应该由非反码的码组作为信令头;表4
呼叫TEOW
紧急呼叫TEOW
按钮发键按下
CPC码字
11100100
11100110
11101100
10101010
注:1)N=CPC码字正码码组。
2)【=CPC码字反码码组。
发送的码组序列
NININININININININ/I
N/IINNIINNIINNIINNI
N/NNNNNNNNNNNNNN/N
PSC码字
3)发送的码组序列中从N到I的变换或从I到N.的变换相当于PSC码字的\1\,无变换相当于\0\。接收信令的有效判据是:检测到6个连续无差错的CPC码字,或检测到连续2个无e.
差错PSC码字;
SJ20407-94
CPC码字的发送顺序是:CPC码字的最左边的码应先发送;码组序列的发送应至少持续300ms;h.“紧急呼叫TEOW\在Ss内不能发送多于一次;i
选呼码采用Gold(戈德)码序列作为地址码,最大地址数为33个,地址用n级(n=5)移位寄存器构成的m序列M。和M1(优选对,即地址号31和32)以及相对移1,2....2n一1位后逐比特模二和而得到。选呼地址码见表5。选呼信令码持续时间不小于300ms。选呼信
令接收的有效判据是检测到6个无差错选呼码。表5选呼地址码型
地址号
3.7安全性
SJ20407-94
续表5
设备在设计安全性要求时,应根据产品特点或合同规定,按GJB663中的有关规定执行。在产品规范中至少应有以下要求:安全标志;
b.绝缘;
c.接触。
3.8环境要求
3.8.1气候条件
3.8.1.1试验的标准大气条件
度:15~35℃;
相对湿度:20%~80%;
压:86~106kPao
工作温度及存放温度
依产品用途,按GJB367.2的401和402中地面通信设备规定,在产品规范中按1.3.2条的分类,作具体规定。
3.8.1.3湿热
度:30-60℃;
相对湿度:95%。
3.8.2冲击
设备能承受脉冲峰值加速度196m/s2(20g)脉冲宽度(持续时间)11ms,冲击次数18次的冲击。
3.8.3振动
振动要求见表6。
颊率范围
位移幅值(双振幅)
加速度
3.8.4特殊环境条件要求
SJ20407-94
低气压、漫溃、淋雨、砂尘、赛菌、盐雾等其它特殊环境条件要求依产品用途,按GJB367.2的规定,在产品规范中作具体规定。3.9供电及耗能要求
交流供电:220V+10%,频率50Hz±5%;-15%
b.直流供电:24V+20%(负接地);-15%
电源功耗在产品规范中作具体规定。3.10电磁兼容性要求
传导发射
规定;
CE0125Hz~15kHz电源线和互连线的传导发射应符合GJB151.4中第2章的有关CE0315kHz~50MHz互连传导发射应符合GJB151.4中第3章的规定:CE0610kHz~26GHz天线端子的传导发射应符合GJB151.4中第4章的规定。3.10.2
传导敏感度
CS0125Hz~50kHz电源线的传导敏感度应符合GJB151.4中第6章的规定;b.
CS06电源线尖峰信号的传导敏感度应符合GJB151.4中第11章的规定。3.10.3辐射发射
RE02电场辐射发射应符合GJB151.4中第15章的规定。3.10.4辐射敏感度
RS03电场辐射敏感度应符合GJB151.4中第19章的规定。3.11外观质量
产品表面不允许有腐蚀及影响质量的伤痕、毛刺、气泡,涂覆层应均匀、无凝结、无脱落,无漆模、龟裂及磨损等现象。
4质量保证规定
4.1检验责任
除合同或订单中另有规定外,承制方应负责完成产品规范规定的所有检验。必要时,订购方或上级鉴定机构有权对产品规范规定的任一检验项目进行检查。4.1.1合格责任
所有产品必须符合规范第3章和第5章的所有要求。本规范中规定的检验应成为承制方整个检验体系或质量大纲的一个组成部分。若合同中包括本规范未规定的检验要求,承制方还应保证所提交换验收的产品符合合同要求。质量一致性抽样不允许提交明知有缺陷的产品,也不能要求订购方接收有缺陷的产品。4.2检验分类
规范规定的检验分为:
a。鉴定检验;
b.质量致性检验。
4.3环境条件
小提示:此标准内容仅展示完整标准里的部分截取内容,若需要完整标准请到上方自行免费下载完整标准文档。
SJ20407-94
UHF数字接力设备通用规范
Generic specification for
UHF digital radio relay equipments1994-09-30发布
1994-12-01实施
中华人民共和国电子工业部批准中华人民共和国电子行业军用标准UHF数字接力设备通用规范
Generic specification for
UHF digital radio relay equipments1范围
1.1主题内容
SJ20407-94
本规范规定了UHF频段(300~3000MHz)军用战术数字接力通信设备的通用要求、质量保证规定及交货准备。
1.2适用范围
本规范适用于UHF数字接力通信设备的研制、生产和交收。其它频段的军用战术数字接力通信设备可以参照执行。
1.3分类
1.3.1接频段分类
a.400~600MHz;
b.610~960MHz;
c.1350~185MHz。
1.3.2按适用的环境条件分类
参照GJB367.2的401、402中地面通信设备的高、低温工作温度严酷等级的一般要求档次分类,见表1。
特殊要求可在合同或订单中规定。2
引用文件
GB191-85
GB11014-89
包装储运图示标志
平衡电压数字接口的电气特性
GB/T13429-92增量调制终端设备技术要求中华人民共和国电子工业部1994-09-30发布工作温度C
-40~55
-25~55
-10~55
1994-12-01实施
GJB151.4-86
GJB152--86
GJB 367.2-87
GJB367.3-87
GJB 367.4 -87
GJB 367.5 - 87
GJB368.5-87
GJB663-89
GJB664.2-89
SJ20408—94
3要求
3.1合格鉴定
SJ20407-94
车用设备和分系统电磁发射和敏感度要求地面装置(固定的和移动的,包括履带式和轮式车辆)内的设备分系统的要求(A3类)
军用设备和分系统电磁发射和敏感度测量军用通信设备通用技术条件环境试验方法军用通信设备通用技术条件可靠性鉴定试验和验收试验方法军用通信设备通用技术条件验收规则军用通信设备通用技术条件包装、运输及贮存装备维修性通用规范维修性的试验与评定军用通信设备及系统安全要求
数字通信子群系统数字设备的数字接口UHF数字接力设备电性能测量方法按本规范提交的产品应是经鉴定合格或定型批准的产品。3.2可靠性
平均无故障工作时间(MTBF)不小于2400h。3.3结构
应根据产品规范中规定的产品所承受环境条件的应力要求,在产品规范中列出具体的结构要求。
3.4维修性
3.4.1预定的维修水平
设备的维修分三个级别,最高级别是基地级维修,其次是中继级维修,最低级别是基层级维修。
基层级维修是通过简单地更换模块进行修理。基层级维修的平均维修时间(MTTR)小于15min。3.4.2维修可达性
设备组装密度适当,应使得所有元器件、零件、部件和整件以及接线柱、连接线等在检香、测试、调整、折卸和安装时,应能接近,并且不应妨碍其它零件和连线。尽量少便用专用工具。3.4.3自测试程度
设备应尽可能设置机内测试设备。合理采用故障指示,故障指示达单元级。3.4.4结构保证
设备的结构应便于维修和能迅速更换备用件。应优先采用模块式结构。3.5运输性
a。设备可作为货物进行空运、海运和公路、铁路运输;b.设备应能装车使用,随安装的车辆运输;c.设备能承受载重汽车在三级公路上以2540km/h的速度行驶240km的运输。3.6性能特性
3.6.1整机特性
3.6.1.1容量系列
SJ20407-94
标称比特速率:128、256、512、1024和2048kbit/sa3.6.1.2频段系列
UHF频段军用战术数字接力通信设备按1.3.1条中的三个段发射。3.7.1.3频率规定
射频信道的频率优先采用表2所列波道间隔的整数倍:表2
400~600
610~960
1350~1850
电子反对抗
波道间隔
为了保证已方电磁幅射使用的有效性,克服敌方电子对抗,根据需要,可采用抗截获、抗侦听、抗干扰(包括同频、扫描和脉冲等干扰)的电子反对抗措施,如:a.
扩展频谱;
自适应天线阵;
窄带技术;
d.群路前向差错纠正;
自动功率控制;
自动工作频率变换:
g.其它。
3.6.1.5系统增益免费标准bzxz.net
表3给出在误码率为10-*时的系统增益。表3系统增益
速率kbit/s
400~600
≥138
≥135
≥132
3.6.1.6射频端口电压驻波比
610~960
≥135
≥129
1350~1850
≥130
≥127
≥124
≥121
异频双工的数字接力设备,其收发共用一个射频端口。射频端口的输入/输出阻抗为500,其电压驻波比不大于2.0:1。3.6.2发射机
3.6.2.1调制方式
优先采取二进制调频。
SJ20407-94
调频调制度要求在产品规范中给出。3.6.2.2发射功率
发射的功率指已调制功率,在设备射频端口测量。具体要求在产品规范中给出。
3.6.2.3载频频率准确度
±2×10-5。
3.6.2.4载频频率稳定度
具体要求在产品规范中给出。
3.6.2.5杂散信号抑制
杂散信号抑制不小于55dB。
3.6.2.6谐波抑制
谐波抑制不小于70dB。
3.6.3.接收机
3.6.3.1噪声系数
噪声系数不大于7dB。
3.6.3.2本振频率准确度
±2×10-5。
3.6.3.3本振频率稳定度
具体要求在产品规范中给出。
3.6.3.4自动增益控制(AGC)
自动增益控制(AGC)不小于45dB。3.6.3.5选择性
选择性指接收机在通频带以外对各种干扰的抑制能力,尤其是对邻近波道干扰、镜频干扰和本机收发之间干扰的抑制。
具体要求在产品规范中给出。
3.6.4基带系统
3.6.4.1接口点的选择
接口点的选择应参照图1进行。
图1接口点
BB-接力设备的基带系统;D一群路接口;H话音工程勤务接口;S一数据勤务接口。3.6.4.2群路接口D
群路接口D包含4种信号,其接口见图2。电气参数为:
SJ20407-94
图2D接口
线路1一接力设备输出群路信息;线路2一与线路1有关的时钟;线路3一接力设备输入群路信息;线路4一与线路3有关的时钟。a。输入和输出的每对信息信号和时钟信号的输入和输出采用平衡线对,并不以地为参考。双极性信号和时钟信号的形式及它们的相位关系如图3所示。1
图3接口信号
双极性信号
时钟信号
b。128、256、512、1024和2048kbit/s比特速率的信息输入和输出采用双极性码(AMI码),相应的时钟输和输出则为128、256、512、1024和2048kHz频率的不归零(MRZ)码。信息信号和相应的时钟信号的相位关系如图4所示。c。信息和时钟的输入和输出阻抗为130Q。在相应时钟频率的5%~60%范围内,相对于130Q负载电阻上测量时,信息输入和输出的回波损耗应大于或等于16dB。在时钟频率上相对于130Q负载电阻上测量时,时钟输入和输出的回波损耗应大于或等于16dB。d当在130α负载上测量信息信号和时钟信号的脉冲沿斜率时,在任一处都不应大于4X107V/s。
e.当在130Q负载电阻上测试时,在128、256、512、1024和2048kbit/s信息及时钟输出端的脉冲形状和辐度应符合图4所示的模板。图4也给出了实际时钟脉冲和信息信号的模板框架之间的关系。其正负脉冲的辐度比应为1±0.05。
时钟信号
SJ20407-94
童-峰
判决电平
电平判决时间点
图4信息信号和相应时钟信号的脉冲模板及相位关系f,在时钟的输出端,正信号应由一对中电位比“b\引线上电位高的“a”引线上的电位来表示,见图5。
图5互连线
引线:
引线b
信息和时钟输出的信号(其值按图4规定)应能在电缆的末端被正确地检测,该电缆g.
的长度为50m,且在时钟频率处的信号衰减不大于2dB。3.6.4.3话音工程勤务接口H
接口H应具有下列特性:
SJ20407-94
a。H点的输入和输出端口应是平衡的;b,这些端口可以以地为参考;
c。H点上的编码为CDP码(条件二相码),其信息比特率为16kbit/s。CDP码的产生和检测按GJB664.2附录B(补充件)的规定;d,H点的输出在负载电阻1300两端测量出的电压峰-峰值应是2V±20%。在130s2负载电阻两端测量时,输出信号的脉冲波形和振幅应符合图6的模板;1.4V
图6接口点H上输出信号脉冲模板正负脉冲振幅比应为1±0.05;
f.在H点的输入的标称阻抗应是1302.频率4~20kHz范围内,在130α上测量,不论对端的负载是多少,其回波损耗应优于16dB。3.6.4.4数据勤务接口S
数据勤务接口为平衡电压数字接口,用于链路控制设备(FC)与数据勤务终接设备(即UHF接力设备的控制部分)之间审行二进制信号的点对点互连。数据信号异步传输速率为2400bit/s。
数据勤务接口S符合GB11014平衡电压数字接口的电气特性。3.6.4.5定时抖动
a.设备容许的输入定时抖动:不大于0.06U.I;b。设备输出的定时抖动:不大于0.06U.I。3.6.4.6扰码和去扰
为了提高设备的通信透明度,设备必须设置对群路信号进行自同步的扰码和去扰功能。该功能应在设计中保证,并在系统级别上进行测试。3.6.4.7话音工程勤务
3.6.4.7.1通信方式
使用半双工话音通信设施与其它UHF接力设备的工程勤务单元或其它相同体制的a.
工程勤务终端进行勤务话音通信,但在任何时刻,只能有一个勤务线终端发话;b采取数字再生转接方式实现信令或话音在勤务电路中的传送;c。勤务终端,不论它被叫与否,都可以在勤务电路空闲时,包括半双工通信在改变方向的那一空闲时间接入勤务电路。7
3.6.4.7.2用户呼叫
SJ20407-94
。勤务终端可以用“通呼\信令同时呼叫其它勤务终端;b。勤务线电路上所有中间勤务线终端(TEOW)能应用“呼叫终接勤务线终端”(“呼叫TEOW\)信令分别对任一方向的终接勤务线终端发起呼叫;c中间勤务线终端应能打断正在进行的勤务联络对任一方向发出“紧急呼叫终接勤务线终端\(“紧急呼叫TEOW”)的申请。d。任何勤务线终端可以对同一勤务线电路上的勤务线终端进行“选呼”。3.6.4.7.3勤务线终端的定时
一个发送勤务线终端应使用自已的时钟,必要时它应能与群路的时钟同步;a.
b。勤务线终端的自主时钟的准确度应优于其标称频率的1X10-*;c.工作时间的定时:
发送:当要在-个正忙的电路上传送“紧急呼叫终接勤务线终端”时,时钟可以从信号或正在进行联络的时钟源中提取。
接收:接收的勤务线终端边,时钟必须从进入的信号中提取。3.6.4.7.4综合要求
以半双工方式提供16kbit/s的数字话务通信;a.
b,在勤务线上传输话音信号的模/数变换及勤务话音质量应符合GB/T13429第11章的要求;
勤务线应能独立于业务群路信号之外工作;c.
具备有双向的独立勤务信道:
应附有密码功能块提供勤务话保密;在无线电传输地段,在最坏的情况下,勤务线路的工作极限为随机误码率10-1。f.
3.6.4.7.5信令
信令不加密:
信令码以16kbit/s的比特率传输;b.
除了选呼地址信令外,其它勤务信令采用表4规定的3bit循环排列码字(CPC):d.CPC码字按表4所示的以16组反码和不反码的码组为单元发送,这种反码转换由4bit的相移码字(PSC)来控制,信令发送的开始应该由非反码的码组作为信令头;表4
呼叫TEOW
紧急呼叫TEOW
按钮发键按下
CPC码字
11100100
11100110
11101100
10101010
注:1)N=CPC码字正码码组。
2)【=CPC码字反码码组。
发送的码组序列
NININININININININ/I
N/IINNIINNIINNIINNI
N/NNNNNNNNNNNNNN/N
PSC码字
3)发送的码组序列中从N到I的变换或从I到N.的变换相当于PSC码字的\1\,无变换相当于\0\。接收信令的有效判据是:检测到6个连续无差错的CPC码字,或检测到连续2个无e.
差错PSC码字;
SJ20407-94
CPC码字的发送顺序是:CPC码字的最左边的码应先发送;码组序列的发送应至少持续300ms;h.“紧急呼叫TEOW\在Ss内不能发送多于一次;i
选呼码采用Gold(戈德)码序列作为地址码,最大地址数为33个,地址用n级(n=5)移位寄存器构成的m序列M。和M1(优选对,即地址号31和32)以及相对移1,2....2n一1位后逐比特模二和而得到。选呼地址码见表5。选呼信令码持续时间不小于300ms。选呼信
令接收的有效判据是检测到6个无差错选呼码。表5选呼地址码型
地址号
3.7安全性
SJ20407-94
续表5
设备在设计安全性要求时,应根据产品特点或合同规定,按GJB663中的有关规定执行。在产品规范中至少应有以下要求:安全标志;
b.绝缘;
c.接触。
3.8环境要求
3.8.1气候条件
3.8.1.1试验的标准大气条件
度:15~35℃;
相对湿度:20%~80%;
压:86~106kPao
工作温度及存放温度
依产品用途,按GJB367.2的401和402中地面通信设备规定,在产品规范中按1.3.2条的分类,作具体规定。
3.8.1.3湿热
度:30-60℃;
相对湿度:95%。
3.8.2冲击
设备能承受脉冲峰值加速度196m/s2(20g)脉冲宽度(持续时间)11ms,冲击次数18次的冲击。
3.8.3振动
振动要求见表6。
颊率范围
位移幅值(双振幅)
加速度
3.8.4特殊环境条件要求
SJ20407-94
低气压、漫溃、淋雨、砂尘、赛菌、盐雾等其它特殊环境条件要求依产品用途,按GJB367.2的规定,在产品规范中作具体规定。3.9供电及耗能要求
交流供电:220V+10%,频率50Hz±5%;-15%
b.直流供电:24V+20%(负接地);-15%
电源功耗在产品规范中作具体规定。3.10电磁兼容性要求
传导发射
规定;
CE0125Hz~15kHz电源线和互连线的传导发射应符合GJB151.4中第2章的有关CE0315kHz~50MHz互连传导发射应符合GJB151.4中第3章的规定:CE0610kHz~26GHz天线端子的传导发射应符合GJB151.4中第4章的规定。3.10.2
传导敏感度
CS0125Hz~50kHz电源线的传导敏感度应符合GJB151.4中第6章的规定;b.
CS06电源线尖峰信号的传导敏感度应符合GJB151.4中第11章的规定。3.10.3辐射发射
RE02电场辐射发射应符合GJB151.4中第15章的规定。3.10.4辐射敏感度
RS03电场辐射敏感度应符合GJB151.4中第19章的规定。3.11外观质量
产品表面不允许有腐蚀及影响质量的伤痕、毛刺、气泡,涂覆层应均匀、无凝结、无脱落,无漆模、龟裂及磨损等现象。
4质量保证规定
4.1检验责任
除合同或订单中另有规定外,承制方应负责完成产品规范规定的所有检验。必要时,订购方或上级鉴定机构有权对产品规范规定的任一检验项目进行检查。4.1.1合格责任
所有产品必须符合规范第3章和第5章的所有要求。本规范中规定的检验应成为承制方整个检验体系或质量大纲的一个组成部分。若合同中包括本规范未规定的检验要求,承制方还应保证所提交换验收的产品符合合同要求。质量一致性抽样不允许提交明知有缺陷的产品,也不能要求订购方接收有缺陷的产品。4.2检验分类
规范规定的检验分为:
a。鉴定检验;
b.质量致性检验。
4.3环境条件
小提示:此标准内容仅展示完整标准里的部分截取内容,若需要完整标准请到上方自行免费下载完整标准文档。
标准图片预览:





- 其它标准
- 热门标准
- 电子行业标准(SJ)
- SJ3166-1988 GZS12-4-3型彩色显像管插座
- SJ783-1974 3DG101型NPN硅外延平面高频小功率三极管
- SJ2857.2-1988 温差电致冷材料性能的测试方法 电导率的测试方法
- SJ2879-1988 彩色电视接收机用色纯静会聚磁体组合件总规范
- SJ/T9546-1993 无金属化孔单、双面印制板的质量分等标准
- SJ/T31441-1994 离心式制冷机组完好要求和检查评定方法
- SJ20837-2002 仪表着陆系统选址要求
- SJ/Z3206.2-1989 发射光谱分析用激发源及其性能要求
- SJ/Z3206.5-1989 光谱化学分析用感光板和胶片的照相处理方法
- SJ/Z9010.27-1987 电子管电性能的测试 第27部分:发射管中相互调制分量的测试方法
- SJ/T10253-1991 电子器件详细规范 半导体集成电路CC4046型CMOS数字锁相环详细规范
- SJ1558-1980 MF41型和MF44型旁热型负温度系数热敏电阻器
- SJ2168-1982 涂覆用环氧粉末
- SJ2488-1984 电子设备用变压器、阻流圈和铁芯噪声测试方法
- SJ3000.1-1988 组合冲模 上剪切刃口
- 行业新闻
请牢记:“bzxz.net”即是“标准下载”四个汉字汉语拼音首字母与国际顶级域名“.net”的组合。 ©2025 标准下载网 www.bzxz.net 本站邮件:bzxznet@163.com
网站备案号:湘ICP备2025141790号-2
网站备案号:湘ICP备2025141790号-2