- 您的位置:
- 标准下载网 >>
- 标准分类 >>
- 机械行业标准(JB) >>
- JB/T 5512-1991 多角形橡胶联轴器
标准号:
JB/T 5512-1991
标准名称:
多角形橡胶联轴器
标准类别:
机械行业标准(JB)
英文名称:
Polygonal rubber coupling标准状态:
现行-
发布日期:
1991-07-10 -
实施日期:
1992-07-01 出版语种:
简体中文下载格式:
.rar.pdf下载大小:
160.51 KB
中标分类号:
机械>>通用零部件>>J19联轴器、制动器与变速器
点击下载
标准简介:
标准下载解压密码:www.bzxz.net
本标准规定了LD多角形橡胶联轴器的型式、基本参数、主要尺寸和技术要求等。 本标准适用于联接两同轴线的传动轴系,并具有一定的补偿两轴相对位移的性能。工作环境温度为-30~60℃,传递公称转矩为50~8000N·m。 JB/T 5512-1991 多角形橡胶联轴器 JB/T5512-1991
部分标准内容:
中华人民共和国机械行业标准
多角形橡胶联轴器
主题内容与适用范围
JB/T 5512-1991
本标准规定了LD多角形橡胶联轴器(以下简称联轴器)的型式、基本参数、主要尺寸和技术要求等。
本标准适用于联接两同轴线的传动轴系,并具有一定的补偿两轴相对位移的性能。工作环境温度为-30℃C60℃,传递公称转矩为50N·m~8000N·m。2引用标准
机械式联轴器公称扭矩系列
GB3507
GB3852联轴器轴孔和键槽型式及尺寸GB3931机械式联轴器名词术语
JB/ZQ4000通用技术条件
JB/ZQ4286包装通用技术条件
3型式、基本参数和主要尺寸
联轴器的型式、基本参数和主要尺寸应符合图1和表1规定,标志
Y型轴孔
血型轴孔
机械电子工业部1991-07-10批准Z型轴扎
1992-07-01实施
LD2!
ID4280
LD5560
1D71250
许用转速
充许扭
转角度
JB/T5512—1991
轴孔长度
轴孔直径
16,18,19
20,22,24
20,22,24
20,22,24
30,32,35,38
30,32,35,38
40,42,45,48,
30,32,35,38
40,42,45,48,
50,55,56
60,63,65,70,71
30,32.35,38
40,42,45,48,
50,55,56
60, 63, 65, 70,
40,42,45,48,
60,63,65,70.
Y型JZ型
1421 68
3. 90. 003 1
8.00.008 9
31.40.095
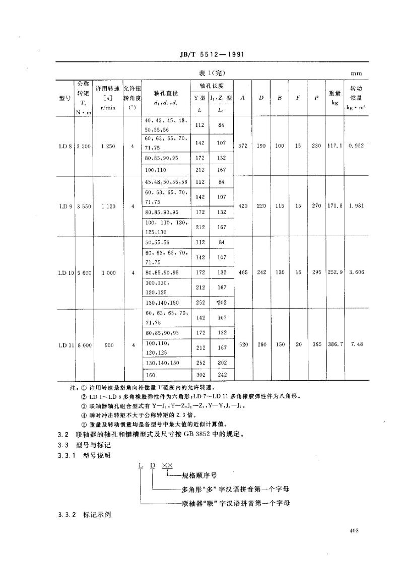
LD82500
LD93550
1.D 105 600
ID 118 000
许用转速允许扭
转角度
轴孔直径
di,d2+d,
JB/T5512-1991
表1(完)
轴孔长度
Y型|J.Z、型
40,42,45,48,
50,55,56
60, 63, 65, 70,
80,85,90,95
100,110
45,48,50,55,56
60,63,65,70,
80,85,90,95
100,110,120,
125,130
50,55,56
60, 63, 65, 70,
80,85,90.95
100,110
120125
130,140,150
60,63,65,70,
80,85,90,95
100,110
120,125
130,140,150
1901100
注:①许用转速是指角向补偿量1°范围内的允许转速。②LD1~LD6多角橡胶弹性件为六角形LD7LD11多角橡胶弹性件为八角形。③联轴器轴孔组合型式有Y—J,Y—Z,J—Z,Y—Y,J—J①瞬时冲击转矩不大于公称转矩的2.3倍。重量及转动惯量均是各型号中最大值的近似计算值。3.2联轴器的轴孔和键槽型式及尺寸按GB3852中的规定。3.3型号与标记
3.3.1型号说明
规格顺序号
多角形“多”字汉语拼音第一个字母联轴器“联”字汉语拼音第一个字母3.3.2标记示例
kg· m2
171.81.981
例1:D2型多角形橡胶联轴器
JB/T5512—1991
主动端:Y型轴孔,A型键槽,d,=20mm,L=52mm;从动端:Y型轴孔,A型键槽,d2一20mm,L=52mm;ILD2联轴器20×.52JB5512
例2:I.D5型多角形橡胶联轴器
主动端:Z,型轴孔,C型键槽,d,一50mm,L,=84mm;从动端:J,型轴孔,B,型键槽,dz=50mm,L,=84mm;LD5联轴器
技术要求
Z C50 X 84
JB,50X84
JB5512
联轴器应符合本标准的要求,并按经规定程序批准的图样和技术文件制造。4.2Www.bzxZ.net
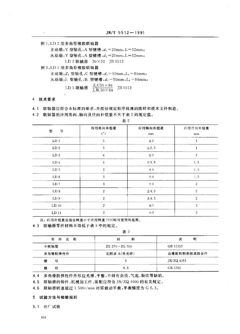
联轴器的许用角向、轴向及径向补偿量不大于表2的规定值。表2
许用角向补偿量
许用轴向补偿量
注:许用补偿量是指在转速小于许用转速70%时可使用的范围。4.3联轴器零件材料不得低于表3中的规定。表3
零件名称
半联轴器
多角橡胶弹性件
ZG 270 ~ZG 500
见附录A(补充件)
多角橡胶弹性件外形应光滑、平整,不得有杂质、气泡、裂纹等缺陷。4.4
联轴器的铸件、机械加工件,装配应符合JB/ZQ4000的有关规定。4.6联轴器转速超过1500r/min时需做动平衡,平衡精度为G6.3。5试验方法与检验规则
出厂试验
GB11352
许用径向补偿量
由橡胶和钢座组成组合件
JB/ZQ4351
GB5782
JB/T 5512—1991
联轴器出厂前必须进行试装,各联接件之间应装配良好、拆卸方便。5.2型式试验
联轴器生产厂应进行至少一种规格的型式试验,其试验项目如下:传动效率达98%以上;
b,在2.3倍瞬时过载转矩作用下,联轴器零件无损坏现象;在许用转速下检查公称转矩是否符合规定值。c
5.3联轴器制造厂的检验部门,应按JB/ZQ4000.1的要求、本标准的规定和生产图样进行检查和验收,并应附有产品合格证。
5.4用户可按有关技术要求复检产品质量。抽检数量不多于每批交货数量的2%,但不少于5套,抽检结果应全部合格。如有不合格时,则重新抽取加倍数量产品复检;如仍有不合格时,即可判定该批产品全部不合格。
6标志、包装、贮存
6.1半联轴器应在外端非工作面打印产品型号标志。6.2多角橡胶弹性件专业生产厂在弹性件非工作表面应有弹性件产品代号标志。6.3联轴器应按JB/ZQ4286的规定进行包装,并附有产品合格证。包装标志包括以下内容:
制造厂名称;
产品名称及型号;
标准号;
重量;
商标及制造日期。
6.4多角橡胶弹性件在装有专用卡环下常温保存,保存期为2年。6.5联轴器应存放在干燥的环境中,避免日晒、雨淋,避免与水、酸、碱及有机溶剂接触。405
JB/T5512—1991
附录A
多角橡胶弹性件的材料
(补充件)
ILD联轴器弹性件材料选用橡胶的物理机械性能应符合表A1的规定。A1
表A1橡胶物理机械性能
性能名称
硬度(邵尔A型)
扯断强度
扯断伸长率
定伸强力(300%)
老化硬度变化
100℃空气,72h
压缩永久变形率
100℃,24h
耐油体积变化率
30号机械油,100℃,72h
≥1800
≥300
试验方法
GB531《橡胶邵尔A型硬度试验
方法》
GB528《硫化橡胶拉伸性能的
测定》
GB3512《橡胶热空气老化试
验方法》
GB1683《硫化橡胶恒定形变
压缩永久变形的测定方法》
GB1690(硫化橡胶耐液体试
验方法》
JB/T5512—1991
附录B
LD联轴器选用说明
(参考件)
联轴器是根据负荷情况、计算转矩、轴端直径和工作转速来选择。B1
B2计算转矩由式(B1)求出:
T.=TK×95501
式中:T-
理论转矩,N·m;
公称转矩,N·m;
计算转矩,N·m;
一驱动功率,kW;
-工作转速,r/min;
K---工况系数(见表B1)。
工况系数K
电动机
内燃机(4缸以上)
内燃机(3缸以上)
B3工作机分类
I、转矩变化小的机械:如发电机、皮带运输机、小型工作母机、小型风机、小型起重机(60r/min以下)。
Ⅱ.转矩变化较小的机械:如链式运输机、通风机、中型工作母机、船用螺旋浆、回转式泵、木材加工机械、起重机(120r/min以下)、电梯、吊车、鼓风机。Ⅲ.转矩变化中等的机械:如旋转式压缩机、柱塞式泵、砂轮机、筛子、轧钢机轨道、卷扬机。IV.转矩变化较大的机械:如往复式压缩机、各种轧机、起重机(600r/min以上)、破碎机、大型锻压机械。
附加说明:
本标准由机电子工业部西安重型机械研究所提出并归口。本标推由机械电子工业部西安重型机械研究所负责起草。本标准主要起草人王佐栋、潘权、阎建武。407
小提示:此标准内容仅展示完整标准里的部分截取内容,若需要完整标准请到上方自行免费下载完整标准文档。
多角形橡胶联轴器
主题内容与适用范围
JB/T 5512-1991
本标准规定了LD多角形橡胶联轴器(以下简称联轴器)的型式、基本参数、主要尺寸和技术要求等。
本标准适用于联接两同轴线的传动轴系,并具有一定的补偿两轴相对位移的性能。工作环境温度为-30℃C60℃,传递公称转矩为50N·m~8000N·m。2引用标准
机械式联轴器公称扭矩系列
GB3507
GB3852联轴器轴孔和键槽型式及尺寸GB3931机械式联轴器名词术语
JB/ZQ4000通用技术条件
JB/ZQ4286包装通用技术条件
3型式、基本参数和主要尺寸
联轴器的型式、基本参数和主要尺寸应符合图1和表1规定,标志
Y型轴孔
血型轴孔
机械电子工业部1991-07-10批准Z型轴扎
1992-07-01实施
LD2!
ID4280
LD5560
1D71250
许用转速
充许扭
转角度
JB/T5512—1991
轴孔长度
轴孔直径
16,18,19
20,22,24
20,22,24
20,22,24
30,32,35,38
30,32,35,38
40,42,45,48,
30,32,35,38
40,42,45,48,
50,55,56
60,63,65,70,71
30,32.35,38
40,42,45,48,
50,55,56
60, 63, 65, 70,
40,42,45,48,
60,63,65,70.
Y型JZ型
1421 68
3. 90. 003 1
8.00.008 9
31.40.095
LD82500
LD93550
1.D 105 600
ID 118 000
许用转速允许扭
转角度
轴孔直径
di,d2+d,
JB/T5512-1991
表1(完)
轴孔长度
Y型|J.Z、型
40,42,45,48,
50,55,56
60, 63, 65, 70,
80,85,90,95
100,110
45,48,50,55,56
60,63,65,70,
80,85,90,95
100,110,120,
125,130
50,55,56
60, 63, 65, 70,
80,85,90.95
100,110
120125
130,140,150
60,63,65,70,
80,85,90,95
100,110
120,125
130,140,150
1901100
注:①许用转速是指角向补偿量1°范围内的允许转速。②LD1~LD6多角橡胶弹性件为六角形LD7LD11多角橡胶弹性件为八角形。③联轴器轴孔组合型式有Y—J,Y—Z,J—Z,Y—Y,J—J①瞬时冲击转矩不大于公称转矩的2.3倍。重量及转动惯量均是各型号中最大值的近似计算值。3.2联轴器的轴孔和键槽型式及尺寸按GB3852中的规定。3.3型号与标记
3.3.1型号说明
规格顺序号
多角形“多”字汉语拼音第一个字母联轴器“联”字汉语拼音第一个字母3.3.2标记示例
kg· m2
171.81.981
例1:D2型多角形橡胶联轴器
JB/T5512—1991
主动端:Y型轴孔,A型键槽,d,=20mm,L=52mm;从动端:Y型轴孔,A型键槽,d2一20mm,L=52mm;ILD2联轴器20×.52JB5512
例2:I.D5型多角形橡胶联轴器
主动端:Z,型轴孔,C型键槽,d,一50mm,L,=84mm;从动端:J,型轴孔,B,型键槽,dz=50mm,L,=84mm;LD5联轴器
技术要求
Z C50 X 84
JB,50X84
JB5512
联轴器应符合本标准的要求,并按经规定程序批准的图样和技术文件制造。4.2Www.bzxZ.net
联轴器的许用角向、轴向及径向补偿量不大于表2的规定值。表2
许用角向补偿量
许用轴向补偿量
注:许用补偿量是指在转速小于许用转速70%时可使用的范围。4.3联轴器零件材料不得低于表3中的规定。表3
零件名称
半联轴器
多角橡胶弹性件
ZG 270 ~ZG 500
见附录A(补充件)
多角橡胶弹性件外形应光滑、平整,不得有杂质、气泡、裂纹等缺陷。4.4
联轴器的铸件、机械加工件,装配应符合JB/ZQ4000的有关规定。4.6联轴器转速超过1500r/min时需做动平衡,平衡精度为G6.3。5试验方法与检验规则
出厂试验
GB11352
许用径向补偿量
由橡胶和钢座组成组合件
JB/ZQ4351
GB5782
JB/T 5512—1991
联轴器出厂前必须进行试装,各联接件之间应装配良好、拆卸方便。5.2型式试验
联轴器生产厂应进行至少一种规格的型式试验,其试验项目如下:传动效率达98%以上;
b,在2.3倍瞬时过载转矩作用下,联轴器零件无损坏现象;在许用转速下检查公称转矩是否符合规定值。c
5.3联轴器制造厂的检验部门,应按JB/ZQ4000.1的要求、本标准的规定和生产图样进行检查和验收,并应附有产品合格证。
5.4用户可按有关技术要求复检产品质量。抽检数量不多于每批交货数量的2%,但不少于5套,抽检结果应全部合格。如有不合格时,则重新抽取加倍数量产品复检;如仍有不合格时,即可判定该批产品全部不合格。
6标志、包装、贮存
6.1半联轴器应在外端非工作面打印产品型号标志。6.2多角橡胶弹性件专业生产厂在弹性件非工作表面应有弹性件产品代号标志。6.3联轴器应按JB/ZQ4286的规定进行包装,并附有产品合格证。包装标志包括以下内容:
制造厂名称;
产品名称及型号;
标准号;
重量;
商标及制造日期。
6.4多角橡胶弹性件在装有专用卡环下常温保存,保存期为2年。6.5联轴器应存放在干燥的环境中,避免日晒、雨淋,避免与水、酸、碱及有机溶剂接触。405
JB/T5512—1991
附录A
多角橡胶弹性件的材料
(补充件)
ILD联轴器弹性件材料选用橡胶的物理机械性能应符合表A1的规定。A1
表A1橡胶物理机械性能
性能名称
硬度(邵尔A型)
扯断强度
扯断伸长率
定伸强力(300%)
老化硬度变化
100℃空气,72h
压缩永久变形率
100℃,24h
耐油体积变化率
30号机械油,100℃,72h
≥1800
≥300
试验方法
GB531《橡胶邵尔A型硬度试验
方法》
GB528《硫化橡胶拉伸性能的
测定》
GB3512《橡胶热空气老化试
验方法》
GB1683《硫化橡胶恒定形变
压缩永久变形的测定方法》
GB1690(硫化橡胶耐液体试
验方法》
JB/T5512—1991
附录B
LD联轴器选用说明
(参考件)
联轴器是根据负荷情况、计算转矩、轴端直径和工作转速来选择。B1
B2计算转矩由式(B1)求出:
T.=TK×95501
式中:T-
理论转矩,N·m;
公称转矩,N·m;
计算转矩,N·m;
一驱动功率,kW;
-工作转速,r/min;
K---工况系数(见表B1)。
工况系数K
电动机
内燃机(4缸以上)
内燃机(3缸以上)
B3工作机分类
I、转矩变化小的机械:如发电机、皮带运输机、小型工作母机、小型风机、小型起重机(60r/min以下)。
Ⅱ.转矩变化较小的机械:如链式运输机、通风机、中型工作母机、船用螺旋浆、回转式泵、木材加工机械、起重机(120r/min以下)、电梯、吊车、鼓风机。Ⅲ.转矩变化中等的机械:如旋转式压缩机、柱塞式泵、砂轮机、筛子、轧钢机轨道、卷扬机。IV.转矩变化较大的机械:如往复式压缩机、各种轧机、起重机(600r/min以上)、破碎机、大型锻压机械。
附加说明:
本标准由机电子工业部西安重型机械研究所提出并归口。本标推由机械电子工业部西安重型机械研究所负责起草。本标准主要起草人王佐栋、潘权、阎建武。407
小提示:此标准内容仅展示完整标准里的部分截取内容,若需要完整标准请到上方自行免费下载完整标准文档。
标准图片预览:





- 其它标准
- 热门标准
- 机械行业标准(JB)
- JB/T2756-2006 无轨电车用炭滑块
- JB/T10056-1999 直流电流互感器 技术条件
- JB/T8679-2008 炭弧气刨炭棒 物理及使用性能试验方法
- JB/T8840-2013 电热器具用电源开关
- JB/T7895-2008 永磁筒式磁选机
- JB/T11340.3-2012 阀控式铅酸蓄电池安全阀 第3部分:橡胶帽、阀芯
- JB/T6316-2006 Z4系列直流电动机技术条件(机座号100~450)
- JB/T4328.10-1999 电工专用设备 球墨铸铁件通用技术条件
- JB/T9713-1999 工程机械 湿式铜基摩擦件 技术条件
- JB/T10930-2010 200级耐电晕漆包铜圆线
- JB∕T12675-2016 拖拉机液压系统清洁度限值及测量方法
- JB/T10677-2006 投影机 光源
- JB/T10573-2006 工具显微镜
- JB∕T12848-2016 拖拉机性能试验用跑道要求
- JB3704-1984 特种调压器用碳电阻片柱电气机械性能试验方法
- 行业新闻
请牢记:“bzxz.net”即是“标准下载”四个汉字汉语拼音首字母与国际顶级域名“.net”的组合。 ©2025 标准下载网 www.bzxz.net 本站邮件:bzxznet@163.com
网站备案号:湘ICP备2025141790号-2
网站备案号:湘ICP备2025141790号-2