- 您的位置:
- 标准下载网 >>
- 标准分类 >>
- 机械行业标准(JB) >>
- JB/T 5348-1991 牵引用直流斩波器 基本技术条件
标准号:
JB/T 5348-1991
标准名称:
牵引用直流斩波器 基本技术条件
标准类别:
机械行业标准(JB)
英文名称:
Basic technical requirements for DC choppers for traction标准状态:
现行-
发布日期:
1991-06-28 -
实施日期:
1992-07-01 出版语种:
简体中文下载格式:
.rar.pdf下载大小:
2.41 MB
点击下载
标准简介:
标准下载解压密码:www.bzxz.net
本标准规定了牵引用直流斩波器的技术参数和试验方法。本标准适用于牵引车辆上用于主电路的直流斩波器(以下简称斩波器)。也可适用于这些车辆上作为辅助电源用的斩波器。对于多电源制车辆,本标准适用于由直流供电的该部分电气装置。本标准不适用于于由蓄电池供电的电动工业车辆及电动汽车用斩波器。 JB/T 5348-1991 牵引用直流斩波器 基本技术条件 JB/T5348-1991
部分标准内容:
中华人民共和国机械行业标准
JB/T 5348-1991
牵引用直流斩波器基本技术条件1991-06-28发布
中华人民共和国机械电子工业部1992-07-01实施
中华人民共和国机械行业标准
牵引用直流斩波器基本技术条件本标准参照采用IEC411-4《车辆用直接直变换辑(1986版)。主题内容与适用范围
本标准规定了牵引用直流新波器的主要技术参数和试验方法。JB/T5348-1991
本标准适用于牵引车辆上用于主电路的直流新波器(以下简称新波器),也可适用于这些车辆上作为辅助电源用的暂波器。对于多电源制车辆,本标准适用于出直流供电的该部分电气装置。本标推不适用于由蓄电池供电的电动工业车辆及电动汽车用新波器。2
引用标准
GB3859
ZB K63 002
ZBK63003
JB4398
使用条件
正常使用条件
A为:
半导体电力变流器
电工名词术语
变流器
电工电于产品基本环境试验规程牵引电器基本技术条件
牵引电器基本试验方法
牵引车辆电子设备规则
海拨高度不超过1200m。
试验Db:交变湿热试验方法
环境温度为-25~+40,且年平均温度不超过+25。最程月的月平均量最大相对湿度为90%(间时该月月平均最能温度不大于+25℃)。相应于机车、动车的需向、横向和缴向具有率(为1至50H2的正获据动,其拆幅不大于A,A..
3.1.5最大冲击加度:
一佩间(车辆行进方向)
“插直方询
当为110Hz时
mm。当f为10至50Hz时
30m/sz
20m/ss
3.1.6有防雨、防雪、防激的保护装置(车体外无法加保护装置的电器,应具有抗雨、抗雪、抗风沙的能力)。
空气中无足以腐蚀金属和破环绝禁的气体及导电尘块。3.1.7无爆炸危险的场所,
再电网供电,则其输入电压被形为三相交流正弦波经6脉波整流雨得,与此波形不同时,由供3.1.8
需双方协商而定。
机械电子工业部1991-06-28批准1992-07-01实施
JB/T5348-1991
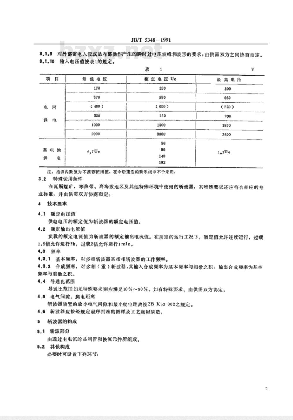
3.1.9对外部雷电入侵或是内部操作产生的麟时过电压波峰和波形的要求,由供需双方之间协商而定。3.1.10
输入电压值按表1的规定。
蓄电池
最低电压
(400)
额定电压Ue
注,括弧内数值为不推荐使用值。在今后建造的新系绕中不予采用。3.2
特殊使用条件
最高电压
(720)
在瓦斯煤矿、寒热带、离海拔地区及其他特殊环境中使用的斩波器,其特殊要求还应符合相应的专业标准,并由供需双方协商而定。4
技术要求
额定电压值
供电电压的额定值为斩波器的额定电压值。额定输出电流值
负载的额定电流值为新波器的额定输出电流值。在规定的运行工况下,额定值允许连续运行,过载1.5倍允许运行2h,过载2倍允许运行1min。4.3频率
4.3.1基本频率,对多相斩波器系指相新波器的工作频率。4.3.2合成频率,对多相(重)斩波器,其输入合成频率为基本额率与相数之积;输出合成题率为基本频率与重数之积。
4.4导通比范围
导通比范国如无特殊要求则应满足10%~90%。如有特殊要求、由供需双方协定。4.5
电气间隙、爬电距离
斩波器装置的最小电气间隙和最小爬电距离按ZBK63002之规定。新波器应按经规定程序批准的图样及工艺规程制造。斩波器的构成
斩波部分
由通过主电流的晶闻管和换流元件所组成。5.2
其他构成
必要时可设置下列环节:
续流环节。
阻断二极管。
主平波电抗器。
输人滤波器。
6.1轻载试验
JB/T 53481991
本试验用于验证新波器装置连接是否正确,静态控制特性是否满足规定要求。试验期间电源电压在整个范围内变化,测量其输出电压,检验信号传递和控制信号是否正确。输出电压的变化应平稳无突变。选用的负载应能提供不低于0.1倍额定输出的电流值。6.2导通比试验
本试验用指定的负载,在表2所列条件下进行。输出电流的最小、最大值,由产品技术条件规定。表
导通比a
输入电压
最高电压
最低电压
式中,T。.—-波部分电流流通的时间,mS。T
输出电流(平均值)
-新波部分的周期时间,ms。
注:对斩波器工作额率在200~300Hz以下其导通比,允许用输出电压(平均值)与输入电压的比值代替。6.3重合闸试验
本试验在额定工况下,试验在规定的最短时间间隔重合闸5次。如果装暨不能重新接通则要视作故障。最短时间间隔由产品技术条件规定(试验时应接入相应的保护环节)。6.4网压短时中断试验
对由电网供电的斩波器和触发装置,需做此项试验。试验时斩波器处在额定工况下的任意工作位置,如果斩波器部件无损坏且能再起动,则认为试验合格(试验时应接入相应保护环节),中断时间由产品技术条件规定。
换流能力试验
本试验应在最低输入电压、最大输出电流的条件下进行。其中最大输出电流应考脉动率为最大时的峰值电流。持续试验10s。
对GTO或GTR等电力电子器件,本项试验其他特殊条件由产品技术条件规定。6.6输出电流、输入电压脉动试验6.6.1输出电流脉动试验
输出电流的脉动程度用额定输入电压、额定负载下的极值脉流率来规定。它是输出电流平均值和导通比的函数,脉流率的最大值由供需双方协商而定。iRMH-i
iRMH+iRML
式中:-
电流极值脉流率,%
×100-
·(2)
inMH负载电流高峰值,A
ismL负载电流谷峰值,A
6.6.2输入电压脉动试验
JB/T53481991
由电网供电,其输入电压脉动程度用额定输入电压、额定负载下的脉动率来规定。脉动率的最大值不应大于20%。
UMH-UL
URMN+URAL
式中,μ—电压脉动率,%
URMH-—-电网电压高峰值,V
UeML—电网电压谷峰值,V
6.7电源电压波动试验
新波器在第3.1.10条表1的电压变化范围内,均应可靠起动并能正常工作。(3)
对城市交通车辆用斩波器,其音频噪声级应不超过80dB,对工矿电机车用斩波器用户如有要求,则按供需双方协议进行。除非另有协议,斩波器所传播的音频噪声应在离斩波器外壳水平距离1m处进行测定。
3干扰试验
6.8.1车辆上所有接触器、继电器按顺序操作,对斩波器触发装置及主电路不应产生误动作和损坏。如果存在其他干扰源,供需双方应按GB3859第4.5.4.5条的规定协商确定。6.8.2波器在实际运行中所产生的电磁干扰电流不应影响通讯和信号回路,本试验细节由供需双方共同商定。
6.9温升试验
本试验用额定负载在规定的等效运行工况下进行。在周围气温为十40的情况下,各部分允许的温升极限见表3。
零部件名称
用爆钉或钾钉连接的电接触面
单层电流线圈
软连接
绝缘线圈及与绝缘材料接触的导电金属零部件
黄铜或紫铜
黄铜或紫铜(接触处镀银)
黄铜或紫铜(接触处镀锅)
紫铜和铝
紫铜(接触处有镀层)
A级绝缘
E级绝缘
B级绝缘
F级绝缘
H级绝缘
温升极限
零部件名称
与半导体器件相连接的销母线的螺钉属定处
铜母线之远离连接处
铝母线之返离莲接处
电阻元件
与率导体器件相接的塑料绝缘导线、橡皮、绝缘导线、漆布绝缘导线JB/T5348-1991
续表3
锡或铝镀层
糖镀顺
距外表30mm处的空气
Q.= Q, Pavs (Rje + Res + R) 40式中Q元件结温,℃。
Pavs-元件的平均功率损耗,W。Re—元件的结壳热阻,c/W。
Re—-元件的接触热阻,℃/W。
R,散热器热阻,℃/W。
Q散热器处极限温升,K。
6.10控制特性试验
温升极限
本试验要和牵引电动机组合起来进行。由于采用新波器的牵引电动机控制系统有各种型式,且其控制特性也随之而异,所以本条试验,应根据产品本身特点比照下述试验项目进行试验。6.10.1如为恒流起动斩波器应做恒流起动试验。斩波器能按预定的恒流值工作则认为试验合格。6.10.2如电制动为恒转矩(或恒功率)控制,斩波器则应做恒转矩(或恒功率)试验。在有效制动速度范围内能按预定的恒值工作,则认为试验合格。6.10.3如有再生制动,应做再生负载波动试验。当负载发生波动时,新波器的工作不应出现异常现象。
6.10.4当再生负载没有或不足时,新波器应能有效地限压,不应产生危及电器产品的过电压。6.10.5新波器工作中如发生异常情况,如;过压、欠压、过流、换流失败等,其保护环节应能可靠动作。必要时,还应具有报警和显示装置。故障排除后,应能重新起动。6.11高温试验
新波器在正常運电情况下,置于高温箱内,使温度由环境温度逐渐上升到+40±2℃,升温时间不小于0.5h,并在+40±2℃时保持6h,在该期终了时进行性能试验,应能满足第6.1、6.5条要求。6.12低温试验
新波器不施加任何电压下将其放置在试验箱内,使箱内温度逐渐地降低到-25土2℃,降温时间不小于0.5h,并在~25±2℃时保持2h之后接通电源,新波器应能符合第6.1、6.5条要求。6.13振动冲击试验
斩波器在第3.1.4、第3.1.5条规定的报动、冲击条件下,不应产生机截损伤、紧固件松脱及工作异常等现象。
6.14短路试验
JB/T53481991
输入电压为110%额定电压,接入等效负载,其流过的电流为规定的最大值、斩波器通电1min后闭合与负载并联的短路接触器,保护环节应能清除故障电流,新波器不应损坏,短路排除后应能重新起动。
耐潮试验
新波器按GB2423,4,试验严醋程度规定为:高温40C,试验周期为6d,降温阶段相对湿度下限值不低于95%(对呼吸效应不明显的产品,允许不低于85%)试后产品的绝缘性能应满足下列要求。6.15.1新波器的绝缘电阻,其合格标准由产品技术条件规定。6.15.2斩波器的耐压,应能承受第6.17条表4规定值的85%,应无击穿或闪络现象。6.16绝缘耐压试验
新波器的绝缘应能承受表4所规定的交流正弦50Hz试验电压(有效值)1min,应无击穿或闪络现象。
额定电压Ue
31~300
301~660
661~3000
在电压大于600V的主电路中对
地电压不大于500V的保护用电
器及分控制线路相关部分
施加电压的
相互绝缘的替电部分之间及对地相互绝缘的带电部分之间及对地相互绝缘的带电部分之间及对地相互绝的带电部分之间及对地
带电部分对地
本标准未做具体规定的试验方法按ZBK63003之规定进行。6.17
试验验收规则
7.1新波器的试验分为型式试验和检查试验。7.2在下列情况,应进行型式试验。7.2.1新产品试制时。
试验电压U
2.5Ue+2000
2.5Ue+2000
7.2.2产品的结构、工艺或材料的改进足以影响斩波器的某些性能时,则应进行部分或全部型式试验。7.2.3经常批量生产的产品,应3~5年进行型式试验或部分型式试验,试验项目由产品技术条件规定。7.3进行第7.2.1、7.2.2条型式试验时,每个试验项目的被试产品原则上不少于2台,每项型式试验项目都应合格。
进行第7.2.3条型式试验时,被试产品应从检查试验合格产品中抽出,至少2台。试验中如有某项要求2台产品都不合格,则该批作不合格论。如果有一台的某一项不合格,则应取加倍数量的产品对此项进行复试,若仍有一台不合格,则该批作不合格论。7.4每台出厂的产品,应由制造厂进行检查试验合格。用户可以摘查出厂的产品是否满足技术条件的要求。若有一项不满足技术条件要求,则视为不合格品。7.5型式试验和检查试验的项目见表5。6
一般检查
轻载试验
导通比试验
董合调试验
网压短时中断试验
换流能力试验
输出电流、输入电压脉动试验
电源电压波动试验
声传播试验
干扰试验
温升试验
控制特性试验
高退试验
低温试验
振动冲击试验
短路试验
耐潮试验
绝缘耐压试验
JB/T5348-1991
型式试验
4.5、4.6
6,6,1、6,6.2
6,9,1、6,9,2
6,11,1~6,11,5
检查试验
4,5、4,6
6.11.1~6.11.5
由于试验条件的限制,型式试验的某些项目经制造厂和用户协商,可按产品技术条件规定的要求进行装车试验考核。
标志、包装、运输和保管
产品应在明显的地方标明:
名称,
型号:
额定参数;
出厂序导:
标准编号,
重量;
制造厂名:
制造年月。
如因产品尺寸的限制,可仅标明产品的型号和参数。产品的包装,应能防止产品在运输期间受潮或损坏。8.2
每个产品出厂时须附有合格证,对每个用户至少提供使用说明书一份。JB/T5348-1991
4在用户遵守产品的保管和使用方法的条件下,从制造厂发运日起的一年内,产品因制造质量不良8.4
而损坏或不能正常工作时,制造厂应免费为用户及时修理或更换部件。附加说明:
本标准由机械电子工业部湘潭牵引电气设备研究所提出并归口。本标准由湘潭牵引电气设备研究所负资起草。本标准主要起草人易兰劳、李根良。oo
中华人民共和国
机械行业标准
牵引用直流新波器基本技术条件JB/T53481991
机械科学研究院出版发行
机械科学研究院印刷
(北京首体南路2号
邮编100044)此内容来自标准下载网
字数XXX,XXX
开本880×1230
印张X/X
19XX年XX月第X版
19XX年XX月第X印刷
印数1-XXX
定价XXX.XX元
XX-XXX
机械工业标准服务网:http://www.JB.ac.cn1661_8
小提示:此标准内容仅展示完整标准里的部分截取内容,若需要完整标准请到上方自行免费下载完整标准文档。
JB/T 5348-1991
牵引用直流斩波器基本技术条件1991-06-28发布
中华人民共和国机械电子工业部1992-07-01实施
中华人民共和国机械行业标准
牵引用直流斩波器基本技术条件本标准参照采用IEC411-4《车辆用直接直变换辑(1986版)。主题内容与适用范围
本标准规定了牵引用直流新波器的主要技术参数和试验方法。JB/T5348-1991
本标准适用于牵引车辆上用于主电路的直流新波器(以下简称新波器),也可适用于这些车辆上作为辅助电源用的暂波器。对于多电源制车辆,本标准适用于出直流供电的该部分电气装置。本标推不适用于由蓄电池供电的电动工业车辆及电动汽车用新波器。2
引用标准
GB3859
ZB K63 002
ZBK63003
JB4398
使用条件
正常使用条件
A为:
半导体电力变流器
电工名词术语
变流器
电工电于产品基本环境试验规程牵引电器基本技术条件
牵引电器基本试验方法
牵引车辆电子设备规则
海拨高度不超过1200m。
试验Db:交变湿热试验方法
环境温度为-25~+40,且年平均温度不超过+25。最程月的月平均量最大相对湿度为90%(间时该月月平均最能温度不大于+25℃)。相应于机车、动车的需向、横向和缴向具有率(为1至50H2的正获据动,其拆幅不大于A,A..
3.1.5最大冲击加度:
一佩间(车辆行进方向)
“插直方询
当为110Hz时
mm。当f为10至50Hz时
30m/sz
20m/ss
3.1.6有防雨、防雪、防激的保护装置(车体外无法加保护装置的电器,应具有抗雨、抗雪、抗风沙的能力)。
空气中无足以腐蚀金属和破环绝禁的气体及导电尘块。3.1.7无爆炸危险的场所,
再电网供电,则其输入电压被形为三相交流正弦波经6脉波整流雨得,与此波形不同时,由供3.1.8
需双方协商而定。
机械电子工业部1991-06-28批准1992-07-01实施
JB/T5348-1991
3.1.9对外部雷电入侵或是内部操作产生的麟时过电压波峰和波形的要求,由供需双方之间协商而定。3.1.10
输入电压值按表1的规定。
蓄电池
最低电压
(400)
额定电压Ue
注,括弧内数值为不推荐使用值。在今后建造的新系绕中不予采用。3.2
特殊使用条件
最高电压
(720)
在瓦斯煤矿、寒热带、离海拔地区及其他特殊环境中使用的斩波器,其特殊要求还应符合相应的专业标准,并由供需双方协商而定。4
技术要求
额定电压值
供电电压的额定值为斩波器的额定电压值。额定输出电流值
负载的额定电流值为新波器的额定输出电流值。在规定的运行工况下,额定值允许连续运行,过载1.5倍允许运行2h,过载2倍允许运行1min。4.3频率
4.3.1基本频率,对多相斩波器系指相新波器的工作频率。4.3.2合成频率,对多相(重)斩波器,其输入合成频率为基本额率与相数之积;输出合成题率为基本频率与重数之积。
4.4导通比范围
导通比范国如无特殊要求则应满足10%~90%。如有特殊要求、由供需双方协定。4.5
电气间隙、爬电距离
斩波器装置的最小电气间隙和最小爬电距离按ZBK63002之规定。新波器应按经规定程序批准的图样及工艺规程制造。斩波器的构成
斩波部分
由通过主电流的晶闻管和换流元件所组成。5.2
其他构成
必要时可设置下列环节:
续流环节。
阻断二极管。
主平波电抗器。
输人滤波器。
6.1轻载试验
JB/T 53481991
本试验用于验证新波器装置连接是否正确,静态控制特性是否满足规定要求。试验期间电源电压在整个范围内变化,测量其输出电压,检验信号传递和控制信号是否正确。输出电压的变化应平稳无突变。选用的负载应能提供不低于0.1倍额定输出的电流值。6.2导通比试验
本试验用指定的负载,在表2所列条件下进行。输出电流的最小、最大值,由产品技术条件规定。表
导通比a
输入电压
最高电压
最低电压
式中,T。.—-波部分电流流通的时间,mS。T
输出电流(平均值)
-新波部分的周期时间,ms。
注:对斩波器工作额率在200~300Hz以下其导通比,允许用输出电压(平均值)与输入电压的比值代替。6.3重合闸试验
本试验在额定工况下,试验在规定的最短时间间隔重合闸5次。如果装暨不能重新接通则要视作故障。最短时间间隔由产品技术条件规定(试验时应接入相应的保护环节)。6.4网压短时中断试验
对由电网供电的斩波器和触发装置,需做此项试验。试验时斩波器处在额定工况下的任意工作位置,如果斩波器部件无损坏且能再起动,则认为试验合格(试验时应接入相应保护环节),中断时间由产品技术条件规定。
换流能力试验
本试验应在最低输入电压、最大输出电流的条件下进行。其中最大输出电流应考脉动率为最大时的峰值电流。持续试验10s。
对GTO或GTR等电力电子器件,本项试验其他特殊条件由产品技术条件规定。6.6输出电流、输入电压脉动试验6.6.1输出电流脉动试验
输出电流的脉动程度用额定输入电压、额定负载下的极值脉流率来规定。它是输出电流平均值和导通比的函数,脉流率的最大值由供需双方协商而定。iRMH-i
iRMH+iRML
式中:-
电流极值脉流率,%
×100-
·(2)
inMH负载电流高峰值,A
ismL负载电流谷峰值,A
6.6.2输入电压脉动试验
JB/T53481991
由电网供电,其输入电压脉动程度用额定输入电压、额定负载下的脉动率来规定。脉动率的最大值不应大于20%。
UMH-UL
URMN+URAL
式中,μ—电压脉动率,%
URMH-—-电网电压高峰值,V
UeML—电网电压谷峰值,V
6.7电源电压波动试验
新波器在第3.1.10条表1的电压变化范围内,均应可靠起动并能正常工作。(3)
对城市交通车辆用斩波器,其音频噪声级应不超过80dB,对工矿电机车用斩波器用户如有要求,则按供需双方协议进行。除非另有协议,斩波器所传播的音频噪声应在离斩波器外壳水平距离1m处进行测定。
3干扰试验
6.8.1车辆上所有接触器、继电器按顺序操作,对斩波器触发装置及主电路不应产生误动作和损坏。如果存在其他干扰源,供需双方应按GB3859第4.5.4.5条的规定协商确定。6.8.2波器在实际运行中所产生的电磁干扰电流不应影响通讯和信号回路,本试验细节由供需双方共同商定。
6.9温升试验
本试验用额定负载在规定的等效运行工况下进行。在周围气温为十40的情况下,各部分允许的温升极限见表3。
零部件名称
用爆钉或钾钉连接的电接触面
单层电流线圈
软连接
绝缘线圈及与绝缘材料接触的导电金属零部件
黄铜或紫铜
黄铜或紫铜(接触处镀银)
黄铜或紫铜(接触处镀锅)
紫铜和铝
紫铜(接触处有镀层)
A级绝缘
E级绝缘
B级绝缘
F级绝缘
H级绝缘
温升极限
零部件名称
与半导体器件相连接的销母线的螺钉属定处
铜母线之远离连接处
铝母线之返离莲接处
电阻元件
与率导体器件相接的塑料绝缘导线、橡皮、绝缘导线、漆布绝缘导线JB/T5348-1991
续表3
锡或铝镀层
糖镀顺
距外表30mm处的空气
Q.= Q, Pavs (Rje + Res + R) 40式中Q元件结温,℃。
Pavs-元件的平均功率损耗,W。Re—元件的结壳热阻,c/W。
Re—-元件的接触热阻,℃/W。
R,散热器热阻,℃/W。
Q散热器处极限温升,K。
6.10控制特性试验
温升极限
本试验要和牵引电动机组合起来进行。由于采用新波器的牵引电动机控制系统有各种型式,且其控制特性也随之而异,所以本条试验,应根据产品本身特点比照下述试验项目进行试验。6.10.1如为恒流起动斩波器应做恒流起动试验。斩波器能按预定的恒流值工作则认为试验合格。6.10.2如电制动为恒转矩(或恒功率)控制,斩波器则应做恒转矩(或恒功率)试验。在有效制动速度范围内能按预定的恒值工作,则认为试验合格。6.10.3如有再生制动,应做再生负载波动试验。当负载发生波动时,新波器的工作不应出现异常现象。
6.10.4当再生负载没有或不足时,新波器应能有效地限压,不应产生危及电器产品的过电压。6.10.5新波器工作中如发生异常情况,如;过压、欠压、过流、换流失败等,其保护环节应能可靠动作。必要时,还应具有报警和显示装置。故障排除后,应能重新起动。6.11高温试验
新波器在正常運电情况下,置于高温箱内,使温度由环境温度逐渐上升到+40±2℃,升温时间不小于0.5h,并在+40±2℃时保持6h,在该期终了时进行性能试验,应能满足第6.1、6.5条要求。6.12低温试验
新波器不施加任何电压下将其放置在试验箱内,使箱内温度逐渐地降低到-25土2℃,降温时间不小于0.5h,并在~25±2℃时保持2h之后接通电源,新波器应能符合第6.1、6.5条要求。6.13振动冲击试验
斩波器在第3.1.4、第3.1.5条规定的报动、冲击条件下,不应产生机截损伤、紧固件松脱及工作异常等现象。
6.14短路试验
JB/T53481991
输入电压为110%额定电压,接入等效负载,其流过的电流为规定的最大值、斩波器通电1min后闭合与负载并联的短路接触器,保护环节应能清除故障电流,新波器不应损坏,短路排除后应能重新起动。
耐潮试验
新波器按GB2423,4,试验严醋程度规定为:高温40C,试验周期为6d,降温阶段相对湿度下限值不低于95%(对呼吸效应不明显的产品,允许不低于85%)试后产品的绝缘性能应满足下列要求。6.15.1新波器的绝缘电阻,其合格标准由产品技术条件规定。6.15.2斩波器的耐压,应能承受第6.17条表4规定值的85%,应无击穿或闪络现象。6.16绝缘耐压试验
新波器的绝缘应能承受表4所规定的交流正弦50Hz试验电压(有效值)1min,应无击穿或闪络现象。
额定电压Ue
31~300
301~660
661~3000
在电压大于600V的主电路中对
地电压不大于500V的保护用电
器及分控制线路相关部分
施加电压的
相互绝缘的替电部分之间及对地相互绝缘的带电部分之间及对地相互绝缘的带电部分之间及对地相互绝的带电部分之间及对地
带电部分对地
本标准未做具体规定的试验方法按ZBK63003之规定进行。6.17
试验验收规则
7.1新波器的试验分为型式试验和检查试验。7.2在下列情况,应进行型式试验。7.2.1新产品试制时。
试验电压U
2.5Ue+2000
2.5Ue+2000
7.2.2产品的结构、工艺或材料的改进足以影响斩波器的某些性能时,则应进行部分或全部型式试验。7.2.3经常批量生产的产品,应3~5年进行型式试验或部分型式试验,试验项目由产品技术条件规定。7.3进行第7.2.1、7.2.2条型式试验时,每个试验项目的被试产品原则上不少于2台,每项型式试验项目都应合格。
进行第7.2.3条型式试验时,被试产品应从检查试验合格产品中抽出,至少2台。试验中如有某项要求2台产品都不合格,则该批作不合格论。如果有一台的某一项不合格,则应取加倍数量的产品对此项进行复试,若仍有一台不合格,则该批作不合格论。7.4每台出厂的产品,应由制造厂进行检查试验合格。用户可以摘查出厂的产品是否满足技术条件的要求。若有一项不满足技术条件要求,则视为不合格品。7.5型式试验和检查试验的项目见表5。6
一般检查
轻载试验
导通比试验
董合调试验
网压短时中断试验
换流能力试验
输出电流、输入电压脉动试验
电源电压波动试验
声传播试验
干扰试验
温升试验
控制特性试验
高退试验
低温试验
振动冲击试验
短路试验
耐潮试验
绝缘耐压试验
JB/T5348-1991
型式试验
4.5、4.6
6,6,1、6,6.2
6,9,1、6,9,2
6,11,1~6,11,5
检查试验
4,5、4,6
6.11.1~6.11.5
由于试验条件的限制,型式试验的某些项目经制造厂和用户协商,可按产品技术条件规定的要求进行装车试验考核。
标志、包装、运输和保管
产品应在明显的地方标明:
名称,
型号:
额定参数;
出厂序导:
标准编号,
重量;
制造厂名:
制造年月。
如因产品尺寸的限制,可仅标明产品的型号和参数。产品的包装,应能防止产品在运输期间受潮或损坏。8.2
每个产品出厂时须附有合格证,对每个用户至少提供使用说明书一份。JB/T5348-1991
4在用户遵守产品的保管和使用方法的条件下,从制造厂发运日起的一年内,产品因制造质量不良8.4
而损坏或不能正常工作时,制造厂应免费为用户及时修理或更换部件。附加说明:
本标准由机械电子工业部湘潭牵引电气设备研究所提出并归口。本标准由湘潭牵引电气设备研究所负资起草。本标准主要起草人易兰劳、李根良。oo
中华人民共和国
机械行业标准
牵引用直流新波器基本技术条件JB/T53481991
机械科学研究院出版发行
机械科学研究院印刷
(北京首体南路2号
邮编100044)此内容来自标准下载网
字数XXX,XXX
开本880×1230
印张X/X
19XX年XX月第X版
19XX年XX月第X印刷
印数1-XXX
定价XXX.XX元
XX-XXX
机械工业标准服务网:http://www.JB.ac.cn1661_8
小提示:此标准内容仅展示完整标准里的部分截取内容,若需要完整标准请到上方自行免费下载完整标准文档。
标准图片预览:





- 其它标准
- 热门标准
- 机械行业标准(JB)
- JB/T2756-2006 无轨电车用炭滑块
- JB/T10056-1999 直流电流互感器 技术条件
- JB/T11340.3-2012 阀控式铅酸蓄电池安全阀 第3部分:橡胶帽、阀芯
- JB/T8679-2008 炭弧气刨炭棒 物理及使用性能试验方法
- JB/T7895-2008 永磁筒式磁选机
- JB/T6316-2006 Z4系列直流电动机技术条件(机座号100~450)
- JB/T9713-1999 工程机械 湿式铜基摩擦件 技术条件
- JB/T10930-2010 200级耐电晕漆包铜圆线
- JB∕T12675-2016 拖拉机液压系统清洁度限值及测量方法
- JB/T10573-2006 工具显微镜
- JB3704-1984 特种调压器用碳电阻片柱电气机械性能试验方法
- JB2664-1980 自动电压调整器用碳电阻片柱
- JB/T8674-2007 YB2系列高压隔爆型三相异步电动机 技术条件(机座号355~560)
- JB/T8511-2011 空气绝缘母线干线系统(空气绝缘母线槽)
- JB/T5425-2013 印刷机械 真空压力复合气泵
- 行业新闻
请牢记:“bzxz.net”即是“标准下载”四个汉字汉语拼音首字母与国际顶级域名“.net”的组合。 ©2025 标准下载网 www.bzxz.net 本站邮件:bzxznet@163.com
网站备案号:湘ICP备2025141790号-2
网站备案号:湘ICP备2025141790号-2