- 您的位置:
- 标准下载网 >>
- 标准分类 >>
- 水产行业标准(SC) >>
- SC/T 8032-1997 渔船防火分隔结构型式
标准号:
SC/T 8032-1997
标准名称:
渔船防火分隔结构型式
标准类别:
水产行业标准(SC)
标准状态:
现行-
发布日期:
1997-12-19 -
实施日期:
1998-05-01 出版语种:
简体中文下载格式:
.rar.pdf下载大小:
257.85 KB
点击下载
标准简介:
标准下载解压密码:www.bzxz.net
本标准规定了渔船防火分隔(包括甲板和舱壁)的结构型式和材料。本标准适用于船长为24m至75m的钢质海洋渔船和渔业辅助船的防火分隔。 SC/T 8032-1997 渔船防火分隔结构型式 SC/T8032-1997
部分标准内容:
SC/T 8032—1997
为了提高渔船的安全性,在渔船甲板和舱壁上使用不燃材料构成隔热防火分隔,使火灾控制在一定区域内而不致同时蔓延,在一定时间内达到阻火的目的,给及时扑灭火灾提供有利条件,本标准提供了典型防火分隔结构型式。
本标准采用材料和防火分筛典型结构型式均经过耐火试验并经船检验局认可,具有最新有效期的证书。
本标准的附录A是标准的附录。
本标准由全国渔船标准化技术委员会提出并归口。本标准起草单位:中国水产科学研究院。本标推主要起草人:周崇庆。
中华人民共和国水产行业标准
渔船防火分隔结构型式
Division structure type for firefighting of fishing vessel本标准规定了渔船防火分隔(包括甲板和舱壁)的结构型式和材料。SC/T 8032—1997
本标准适用于船长为24m至75m的钢质海洋渔船和渔业辅助船的防火分隔。2型号构成和分类
2.1型号构成
XXX-XX
表示构成型式
表示防火等级
表示分隔部位,甲板DK、舱壁BHD2.2
防火分隔结构型式的分类(见表1)表1
B级·
3A级防火分隔
3.1A-60甲板.
耐火等级
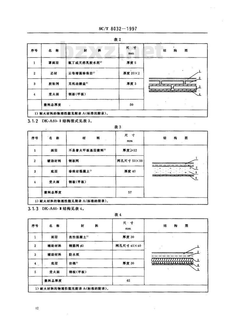
3.1.1DK-A60-I结构型式见表2。中华人民共和国农业部1997-12-19批准型
DK-A60-1
DK-A60- I
DK-A60-1
DK-A30
BHD-A60
BHD-A30- [
BHD-A30-1
BHD-B15- 1
BHD-B15- I
适用部位
1998-0501实施
胶粘剂
受火面
敷料总厚流
SC/T 8032-1997
戴丁或天然乳胶求说D
云母增强珍珠器1
无机硅酸盐》
铜板(辣板)
1) 葡炎材料的物理性能见术录A(标体的附录)。3. 1.2
DK-A60I结构型式见表3
糖助材料
受火面
兼料总厚度
不歇著火甲极基层敷料”
铜极网
珍球岩混凝土》
钢板(申板》
1) 耐火材料的物理性龄见附录 A(标准的附录)。3.1.3DK-A60冀结构见表4。
辅助材料
辅助材料
受火面
激料总厚度
改丝糖凝土1
翻解网43
防水斌
岩糖》
钢板(甲板)
1)开火材料的物理性龙见录A(标推的附录)。12
璞度5
厚度20×2
厚度3
美养生系
厚度≥12
网我尺寸50×50
理度40
厚度30
两孔尺寸40×40
#度30
康获荐
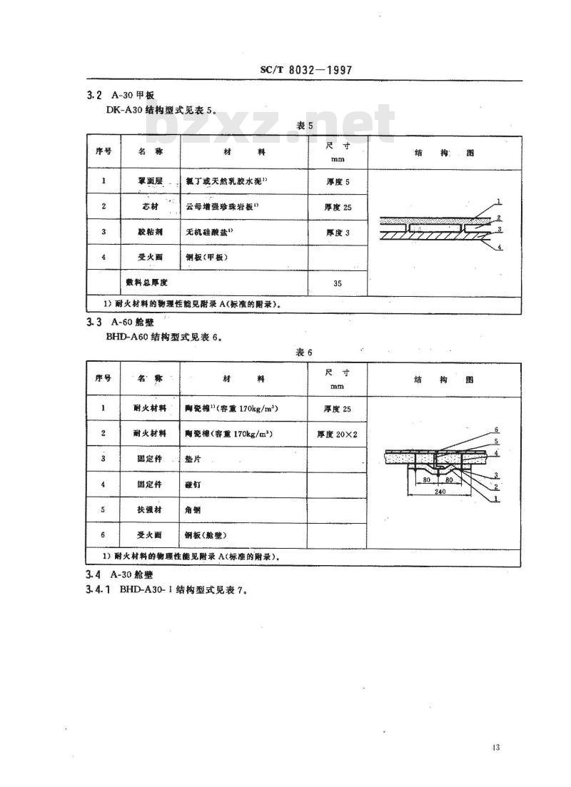
3.2A-30甲板
DK-A30结构型免表5。
爆面层
爱火面
数料总厚度
SC/T 8032-1997
摄丁或天然乳胶水凝3
云母增强珍珠岩板”
无机硅酸盐”
钢板(甲摄)
1) 耐火材料的物理性能附录 A(标准的阴录)。3. 3A-60 舱壁
BHD-A0结构型式免表 6免费标准bzxz.net
酵火材料
耐火材料
断定件
获疆材
受火面
陶瓷棉1\(容重170kg/m\)
期瓷棉(容重 170k-/r*)
板(舱壁)
1) 耐火材料的物理性酯见附录 A(标准的附录)。3.4 A-30敲壁
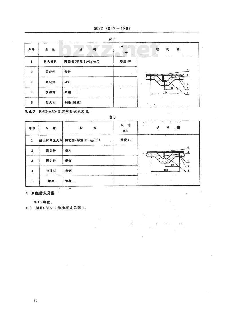
3.4.1BHDA30-1结构型式免表7。6
厚度5
厚度25
东家茗生業
厚度25
厚度20×2
酸火材料
橱定件
圖定件
没火面
SC/T8032-1997
海瓷棉(容重110kg/m)
板(舱壁)
BHD-A30-I结构型式见表8。
耐火材料受火面
固定件
翻定件
扶强材
B级防火分厢
B-15 舱壁。
陶瓷棉(容重110kz/ml)
4.1BHD-B15-1结构型式见图1。
厚度60
摩度20
SC/T 8032--1997
1—甲板2—吊挂;3—螺栓+4-螺母;5垫图?6嵌条;7-舱壁板8—包角板:9—自攻螺钉:10—甲板数料;11元甲板:12底型材,13—顶型材+14—天花板
4.1.1耐火材料:复合岩棉板(见附录A)。a)面板:复塑钢板或镀锌钢板,厚度0.7mm;b)芯材:岩棉(容重150kg/m2);c)复合岩棉板总厚度:50mm。
4.1.2接头型式和安装接点见图2。14
4.2B-ID-B15-结构型式见图3.
SC/T8032-1997
1--触壁板:2—适配件
1弹板:2—主村档:3扇期14型材?5—般墅8瑞解:7板:8——甲板料;9-脏脚糖;10]脚板;11硅酸钙衬板;12-龙角条13-自攻螺钉:14—硅酸钙板(天花板);15—挠摊件:16—联接村档图3
4.2.1耐火材料(见附录A)
塑料贴面硅酸钙板
SCyT 8032-1997
a)芯板:云母增强硅酸钙板,厚度19mmb)贴面:三聚氯胺柔光贴面板,厚度1.2mm4.2.2板间拼接方式
键槽连接见图4。
硅酸钙舱壁板32—扁钢
5技术要求
5.1A0级防火分隔结构可用厚度大于4mm锅板或其他等效材料制造,要求不得有烟火通过。5.2A级防火分隔的隔热层在交接点和终止点处为防止导热:将满热层沿水平或垂直面至少延伸为380mm(见图5)。
5.3较高等级防火结构在设计中可代替较低等级的防火结构5.4防火分隔结构应经耐火试验合格,并经船检验部门认可。对已超过认可证书期限的结构,在使用时应重新认证。
A1 硅酸铝
SC/T80321997
附录鑫
(标推的附录)
醉火材料
硅酸诺纤维根据其生产方法有干法和湿法薄种主要物理性能、规格尺寸见表A1。A2硅酸钙板
以硅酸钙为主体,以云母为增强材料所组成的硅酸钙板,根据不同的使用要求有芯材和复合板两种,主要物理性能和规格见装A2。A3岩棉板
鑫3.1稀板主要物理性能和规格见表A3A3.2复合岩棉板由两层0.7mm镀锌钢板中间衬以定厚度岩棉用粘接剂和辨钉压制而成组合板材。板材表面(单面或双面)可贴PVC薄膜,其芯材性同岩棉板。4耐火甲板敷料
差4.1乳胶:天然乳胶,氧丁乳胶和丁苯乳胶等的物理性能见表A4。A4.2
水混:硅酸盐水滤标号为425或林525。A4.3
骨料主要骨料物性能见表A5。
火芯材:耐火芯材物理性能见表A6。面层敷料:面层敷料物理性能见表A?。表A1
纤维平均直径
道球含量
残留水分
加热线收缩率
增水率
防激剂含量
不燃性
kg/mna
硅酸铝
60~220
1150℃.6h
按1M0游大270罐履)决设测
导热系数
含水率
抗折激度
螺钉拔出力
布氏额度
受热继收缩
纤维直經
工作激度
软化綫度
酸度系数
w/(m·K)
SC/T 8032--1997
表A1(完)
1000X500
Ta 700'℃
1000×500
15~~75
T s 25 ℃
表A2硅酸钙板
骼壁板
640±80
915X2440
915X2135
6~25
天花板
875±80
915×2440
915X2135
表A3磐棉板
美会板
舱壁板
915×2440
915X2135
拨术指标
80~200
-268700
900~1000
天花板
915X2440
915X2135
800℃,3h
股温率
增水率
树脂含量
受热线收缩率
导热系数
总固量,%
黏度,CP
比重,D
表面张力,Pa
氮含量,%
机械稳定性,S
SC/T 8032—1997
表A3(完)
W/(m *K)
天然乳胶
0. 65~0. 75
≥400
白色乳状疫
表A4乳胶
氮丁乳胶
白色乳状液
技术指标
1000~3000
630-910
0. 0303~~0. 0408
丁苯乳
0.95~1.05
白色乳状液
DLE乳胶
白色乳状液
容重,kg /m2
粒度、目
含水率,%
含视率,%
烧失率,%
有机物含量,%
容重,kg/m2
平均纤径·μm
渣球含量,%
含湿率,%
防水率,%
重烧线收缩。%
导热系数,W/(m·K)
抗折强度,MPa
抗压强度,MPa
石英砂
15001600
SC/T 8032-1997
表A5骨料
.15001600
比色祛不深于标准色比色法不深于标准色表A6耐火芯材
岩棉板
150~160
陶瓷棉毡
150~200
0. 044~~ 0. 047
700~1000
比色法不深于标准色
膨账珍珠岩板
650~750
影账珍珠岩
40~200
比色法不探于标准色
硅酸隽板
600~1000
小提示:此标准内容仅展示完整标准里的部分截取内容,若需要完整标准请到上方自行免费下载完整标准文档。
为了提高渔船的安全性,在渔船甲板和舱壁上使用不燃材料构成隔热防火分隔,使火灾控制在一定区域内而不致同时蔓延,在一定时间内达到阻火的目的,给及时扑灭火灾提供有利条件,本标准提供了典型防火分隔结构型式。
本标准采用材料和防火分筛典型结构型式均经过耐火试验并经船检验局认可,具有最新有效期的证书。
本标准的附录A是标准的附录。
本标准由全国渔船标准化技术委员会提出并归口。本标准起草单位:中国水产科学研究院。本标推主要起草人:周崇庆。
中华人民共和国水产行业标准
渔船防火分隔结构型式
Division structure type for firefighting of fishing vessel本标准规定了渔船防火分隔(包括甲板和舱壁)的结构型式和材料。SC/T 8032—1997
本标准适用于船长为24m至75m的钢质海洋渔船和渔业辅助船的防火分隔。2型号构成和分类
2.1型号构成
XXX-XX
表示构成型式
表示防火等级
表示分隔部位,甲板DK、舱壁BHD2.2
防火分隔结构型式的分类(见表1)表1
B级·
3A级防火分隔
3.1A-60甲板.
耐火等级
3.1.1DK-A60-I结构型式见表2。中华人民共和国农业部1997-12-19批准型
DK-A60-1
DK-A60- I
DK-A60-1
DK-A30
BHD-A60
BHD-A30- [
BHD-A30-1
BHD-B15- 1
BHD-B15- I
适用部位
1998-0501实施
胶粘剂
受火面
敷料总厚流
SC/T 8032-1997
戴丁或天然乳胶求说D
云母增强珍珠器1
无机硅酸盐》
铜板(辣板)
1) 葡炎材料的物理性能见术录A(标体的附录)。3. 1.2
DK-A60I结构型式见表3
糖助材料
受火面
兼料总厚度
不歇著火甲极基层敷料”
铜极网
珍球岩混凝土》
钢板(申板》
1) 耐火材料的物理性龄见附录 A(标准的附录)。3.1.3DK-A60冀结构见表4。
辅助材料
辅助材料
受火面
激料总厚度
改丝糖凝土1
翻解网43
防水斌
岩糖》
钢板(甲板)
1)开火材料的物理性龙见录A(标推的附录)。12
璞度5
厚度20×2
厚度3
美养生系
厚度≥12
网我尺寸50×50
理度40
厚度30
两孔尺寸40×40
#度30
康获荐
3.2A-30甲板
DK-A30结构型免表5。
爆面层
爱火面
数料总厚度
SC/T 8032-1997
摄丁或天然乳胶水凝3
云母增强珍珠岩板”
无机硅酸盐”
钢板(甲摄)
1) 耐火材料的物理性能附录 A(标准的阴录)。3. 3A-60 舱壁
BHD-A0结构型式免表 6免费标准bzxz.net
酵火材料
耐火材料
断定件
获疆材
受火面
陶瓷棉1\(容重170kg/m\)
期瓷棉(容重 170k-/r*)
板(舱壁)
1) 耐火材料的物理性酯见附录 A(标准的附录)。3.4 A-30敲壁
3.4.1BHDA30-1结构型式免表7。6
厚度5
厚度25
东家茗生業
厚度25
厚度20×2
酸火材料
橱定件
圖定件
没火面
SC/T8032-1997
海瓷棉(容重110kg/m)
板(舱壁)
BHD-A30-I结构型式见表8。
耐火材料受火面
固定件
翻定件
扶强材
B级防火分厢
B-15 舱壁。
陶瓷棉(容重110kz/ml)
4.1BHD-B15-1结构型式见图1。
厚度60
摩度20
SC/T 8032--1997
1—甲板2—吊挂;3—螺栓+4-螺母;5垫图?6嵌条;7-舱壁板8—包角板:9—自攻螺钉:10—甲板数料;11元甲板:12底型材,13—顶型材+14—天花板
4.1.1耐火材料:复合岩棉板(见附录A)。a)面板:复塑钢板或镀锌钢板,厚度0.7mm;b)芯材:岩棉(容重150kg/m2);c)复合岩棉板总厚度:50mm。
4.1.2接头型式和安装接点见图2。14
4.2B-ID-B15-结构型式见图3.
SC/T8032-1997
1--触壁板:2—适配件
1弹板:2—主村档:3扇期14型材?5—般墅8瑞解:7板:8——甲板料;9-脏脚糖;10]脚板;11硅酸钙衬板;12-龙角条13-自攻螺钉:14—硅酸钙板(天花板);15—挠摊件:16—联接村档图3
4.2.1耐火材料(见附录A)
塑料贴面硅酸钙板
SCyT 8032-1997
a)芯板:云母增强硅酸钙板,厚度19mmb)贴面:三聚氯胺柔光贴面板,厚度1.2mm4.2.2板间拼接方式
键槽连接见图4。
硅酸钙舱壁板32—扁钢
5技术要求
5.1A0级防火分隔结构可用厚度大于4mm锅板或其他等效材料制造,要求不得有烟火通过。5.2A级防火分隔的隔热层在交接点和终止点处为防止导热:将满热层沿水平或垂直面至少延伸为380mm(见图5)。
5.3较高等级防火结构在设计中可代替较低等级的防火结构5.4防火分隔结构应经耐火试验合格,并经船检验部门认可。对已超过认可证书期限的结构,在使用时应重新认证。
A1 硅酸铝
SC/T80321997
附录鑫
(标推的附录)
醉火材料
硅酸诺纤维根据其生产方法有干法和湿法薄种主要物理性能、规格尺寸见表A1。A2硅酸钙板
以硅酸钙为主体,以云母为增强材料所组成的硅酸钙板,根据不同的使用要求有芯材和复合板两种,主要物理性能和规格见装A2。A3岩棉板
鑫3.1稀板主要物理性能和规格见表A3A3.2复合岩棉板由两层0.7mm镀锌钢板中间衬以定厚度岩棉用粘接剂和辨钉压制而成组合板材。板材表面(单面或双面)可贴PVC薄膜,其芯材性同岩棉板。4耐火甲板敷料
差4.1乳胶:天然乳胶,氧丁乳胶和丁苯乳胶等的物理性能见表A4。A4.2
水混:硅酸盐水滤标号为425或林525。A4.3
骨料主要骨料物性能见表A5。
火芯材:耐火芯材物理性能见表A6。面层敷料:面层敷料物理性能见表A?。表A1
纤维平均直径
道球含量
残留水分
加热线收缩率
增水率
防激剂含量
不燃性
kg/mna
硅酸铝
60~220
1150℃.6h
按1M0游大270罐履)决设测
导热系数
含水率
抗折激度
螺钉拔出力
布氏额度
受热继收缩
纤维直經
工作激度
软化綫度
酸度系数
w/(m·K)
SC/T 8032--1997
表A1(完)
1000X500
Ta 700'℃
1000×500
15~~75
T s 25 ℃
表A2硅酸钙板
骼壁板
640±80
915X2440
915X2135
6~25
天花板
875±80
915×2440
915X2135
表A3磐棉板
美会板
舱壁板
915×2440
915X2135
拨术指标
80~200
-268700
900~1000
天花板
915X2440
915X2135
800℃,3h
股温率
增水率
树脂含量
受热线收缩率
导热系数
总固量,%
黏度,CP
比重,D
表面张力,Pa
氮含量,%
机械稳定性,S
SC/T 8032—1997
表A3(完)
W/(m *K)
天然乳胶
0. 65~0. 75
≥400
白色乳状疫
表A4乳胶
氮丁乳胶
白色乳状液
技术指标
1000~3000
630-910
0. 0303~~0. 0408
丁苯乳
0.95~1.05
白色乳状液
DLE乳胶
白色乳状液
容重,kg /m2
粒度、目
含水率,%
含视率,%
烧失率,%
有机物含量,%
容重,kg/m2
平均纤径·μm
渣球含量,%
含湿率,%
防水率,%
重烧线收缩。%
导热系数,W/(m·K)
抗折强度,MPa
抗压强度,MPa
石英砂
15001600
SC/T 8032-1997
表A5骨料
.15001600
比色祛不深于标准色比色法不深于标准色表A6耐火芯材
岩棉板
150~160
陶瓷棉毡
150~200
0. 044~~ 0. 047
700~1000
比色法不深于标准色
膨账珍珠岩板
650~750
影账珍珠岩
40~200
比色法不探于标准色
硅酸隽板
600~1000
小提示:此标准内容仅展示完整标准里的部分截取内容,若需要完整标准请到上方自行免费下载完整标准文档。
标准图片预览:





- 其它标准
- 热门标准
- 水产行业标准(SC)
- SC/T8080-1994 渔船柴油主机安装技术要求
- SC/T7205.2-2007 牡蛎包纳米虫病诊断规程 第2部分:组织病理学诊断法
- SC/T2047-2006 水产养殖用海洋微藻保种操作技术规范
- SC/T9011.4-2006 冻结装置试验方法 第4部分:流态冻结装置试验方法
- SC2035-2006 文蛤
- SC/T8033-1994 渔船电动式起锚机修理技术条件
- SC/T8035-1997 渔船平板冻结机安装调试技术要求
- SC/T8040-1994 渔船100Nm、45Nm单片离合器修理技术要求
- SC/T3210-1986 盐渍海蛰皮和盐渍海蛰头
- SC/T3105-1988 鲜鳓鱼
- SC1039-2000 南方鲇
- SC/T6011-2001 平模颗粒饲料压制机 技术条件
- SC/T6007-2001 鲤鱼用带式输送机型式基本参数与技术要求
- SC/T8009-2000 两爪锚
- SC/T7205.3-2007 牡蛎包纳米虫病诊断规程 第3部分:透射电镜诊断法
- 行业新闻
请牢记:“bzxz.net”即是“标准下载”四个汉字汉语拼音首字母与国际顶级域名“.net”的组合。 ©2025 标准下载网 www.bzxz.net 本站邮件:bzxznet@163.com
网站备案号:湘ICP备2025141790号-2
网站备案号:湘ICP备2025141790号-2