- 您的位置:
- 标准下载网 >>
- 标准分类 >>
- 水产行业标准(SC) >>
- SC/T 8028-1994 渔船2105型柴油机修理技术要求
标准号:
SC/T 8028-1994
标准名称:
渔船2105型柴油机修理技术要求
标准类别:
水产行业标准(SC)
标准状态:
现行-
发布日期:
1994-11-01 -
实施日期:
1996-10-01 出版语种:
简体中文下载格式:
.rar.pdf下载大小:
239.05 KB
替代情况:
替代SC 28-79
点击下载
标准简介:
标准下载解压密码:www.bzxz.net
本标准规定了2105型柴油机的修理技术要求,试验规则等。本标准适用于2105型柴油机修理后的质量验收。 SC/T 8028-1994 渔船2105型柴油机修理技术要求 SC/T8028-1994
部分标准内容:
中华人民共和国水产行业标准
渔船2105型柴油机修理技术要求1主题内容与适用范围
本标准规定了2105型柴油机的修理技术要求,试验规则等。本标准适用于2105型柴油机修理后的质量验收。2
引用标准
SC/T 8028—94
代替 SC 28--79
CB3255船用柴油机功率、燃油消耗和滑油消耗的标定及非标准环境状况下的修正ZBH21002柴油机动力海洋渔船系泊航行捕捞试验通则3标准环境状况及功率修正
3.1标准环境状况:
环境温度:t=25℃,
环境压力po=0.1MPa,
环境相对湿度:g=30%。
3.2若试验时环境状况与标准状况不符时,应按CB*3255的规定进行修正。3.3柴油机大修后,持续功率允许降低到原来的95%验收转速、温度、压力等保持不变,同时不作超负荷试验。
柴油机主要零件的新装,修换及使用极限值4
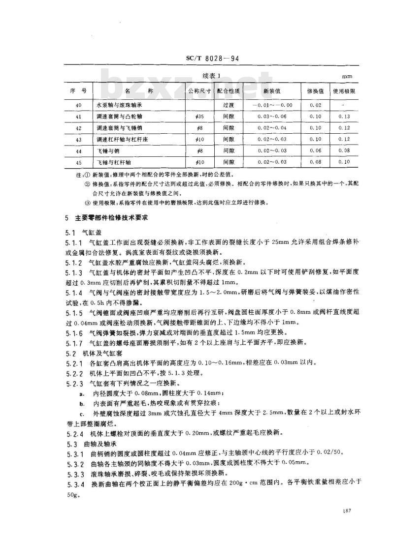
柴油机主要零件的新装,修换及使用极限见表1。表1
气缸套外径与机体上定位孔
气缸套外径与机体下定位孔
活塞裙部与气缸套孔
曲轴主轴颈与滚珠轴承
曲柄销与连杆大蝴轴承
曲轴滚珠轴承与轴承盖
连杆大端轴承与连杆大孔
活塞销轴衬与连杆小端孔
活塞销与活塞销座孔
活塞销与活塞销轴衬
公称尺寸「
配合性质
中华人民共和国农业部1994-11-01批准间隙
新装值
0. 03~0. 07
0. 04~~0. 08
0.16~0.20
0. 00~0.01
0.08~0.12
0.00~0.02
0.05~~0.01
0.05~~0.02
0. 02~0. 00
0. 04 ~-0. 06
修换值
使用极限
1995-01-01实施
连杆大端与曲柄销开档
连杆小端在活塞销座间
第一道气环
第二、三道气环
第一道气环与环槽平面
第二、三道气环与环槽平面
油环与环槽平面
凸轮轴与滚珠轴承
曲轴与过油圈
气阀导管与气缸盖
进气阀与气阀导管
排气阀与气阀导管
涡流室外平面与气缸盖底面
起动减压轴与阀杆间
排气阀座与气缸盖
气阀摇臂轴与轴承
各种正时齿轮和各传动齿轮
机油泵齿轮与泵体泵盖
轴与泵体泵盖孔
机油泵齿轮与泵体内圆
被动齿轮与轴
主动齿轮与轴
主动齿轮与被动齿轮
叶轮与水泵壳体
叶轮与水泵尧和之间
水泵叶轮与盖的端面
叶轮外圆与泵体导流块
水泵轴与叶轮
SC/T 8028-94
续表1
公称尺寸
配合性质
轴向间隙
闭合间隙
轴向间隙
齿侧隙
轴向间隙
齿侧隙
轴向间隙
轴向间隙
轴向间隙
新装值
0. 35~0.60
3.00~3.30
0.35~0.50
0.25~0. 45
0. 35~0.40
0. 04~~0.08
0. 04 ~0. 07
0.02~0.08
- 0. 01~~0. 00
0. 035~~0. 070
- 0. 05 ~- 0. 04
0.05~0.10
0. 07~0. 12
0. 05 ~~0. 20
0. 50~1. 00
-0. 06 ~ --- 0. 03
0. 03~~0. 06
0.12~~0.25
0. 05~~0. 15
0. 02~0. 04
0.04~0.10
0. 02~~0. 04
0. 02 ~ —0. 01
0.10~~0.20
0. 10~0. 14
0.22~0.30
0. 10~~0. 15
0. 06~0. 12
0.01~0.03
修换值
使用极限
水泵轴与滚珠轴承
调速套简与凸轮轴bzxz.net
调速套简与飞链销
调速杠杆轴与杠杆座
飞锤与销
飞锤与杠杆轴
SC/T8028-94
续表1
公称尺寸(配合性质
新装值
0. 03 ~-0. 06
0. 02~-0. 04
0. 02~-0. 03
0. 02~0. 03
0.02~~0.03
修换值
使用极限
注:①新装值:修理中两个相配合的零件全部换新,时的公差值。②修换值:系指零件的配合尺寸达到或超过此值,必须修换。相配合的零件修换时,如果只换其中的一个,其配合尺寸允许在新装值与修换值之间。③使用极限:系指零件在使用中的磨损极限,达到此值时应立即进行修换。5主要要部件检修技术要求
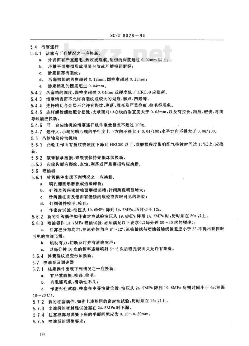
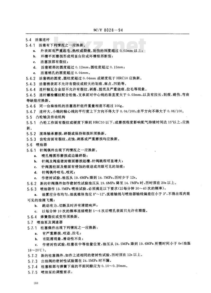
5.1气缸盖
5.1.1气缸盖工作面出现裂缝必须换新,非工作表面的裂缝长度小于25mm允许采用组合焊条修补或金属扣合法修复。涡流室表面有裂纹或烧损须换新。5.1.2气缸盖水腔严重腐蚀应换新,气缸盖闷头腐烂,须换新。5.1.3气缸盖与机体的密封平面如产生凹凸不平,深度在0.2mm以下时可使用铲刮修复,如平面度超过0.3mm应切削后再铲刮,其累积切削量不得超过1mm。5.1.4气阀与气阀座的密封接触带宽度应为1.5~~2.0mm,研磨后将气阀与弹簧装妥,以煤油作密性试验,在0.5h内不得渗漏。
5.1.5气阀锥面或阀座凹痕严重均应磨削后再行互研,阀盘圆柱面厚度小于0.8mm或阀杆直线度超过0.04mm或阀座松动须换新,气阀接触带距锥面的上、下边缘均不得小于1mm。5.1.6气阀弹簧如裂损,弹力衰减或对端面的垂直度超过1.5mm均应更换。5.1.7气缸盖的螺母座面磨损须削平,如有2个以上座肩与上平面齐平,即应换新。5.2机体及气缸套
5.2.1各缸套凸肩高出机体平面的高度应为0.10~0.16mm,相差应在0.03mm以内。机体上平面如凹凸不平,按5.1.3处理。5.2.2
气缸套有下列情况之一应换新。5.2.3
内径圆度大于0.08mm,圆柱度大于0.14mm;内表面有严重起毛,热咬现象或有贯穿拉痕;b.
外壁腐蚀深度超过3mm或穴蚀孔直径大于4mm深度大于2.5mm,数量在2个以上或封水环c.
带上部整圜腐烂。
5.2.4机体上螺栓对面的垂直度大于0.20mm,或螺纹严重起毛应换新。5.3曲轴及轴承
5.3.1曲柄销的圆度或圆柱度超过0.04mm应修正,与主轴颈中心线的平行度应小于0.02/50。5.3.2曲轴各主轴颈的同轴度不得大于0.03mm,圆度或圆柱度不得大于0.05mm。5.3.3滚珠轴承磨损、碎裂、咬毛或保持架损坏须换新。5.3.4换新曲轴在两个校正面上的静平衡偏差均应在200g·cm范围内。各平衡铁重量相差应小于50g。
5.4活塞连杆
5.4.1活塞有下列情况之一应换新。SC/T 8028--- 94
外表面有严重起毛、热咬或裂痕、刮伤的深度超过0.02mm以上;a.
b。环槽平面磨损形成明显台阶或环槽根部断裂;活塞顶部有裂纹;
d。活塞裙部的圆度超过0.12mm,圆柱度超过0.15mm;e.活塞销孔的圆度超过0.04mm。5.4.2活塞销的圆度、圆柱度超过0.04mm或硬度低于HRC50应换新。5.4.3活塞销表面不允许有裂纹或较大的划痕、麻点、凹陷等。5.4.4连杆轴瓦合金层不允许有裂纹、剥落、脱壳及严重烧痕、拉毛等现象。5.4.5连杆螺栓螺纹配合松驰,支承面对中心线的垂直度大于0.03mm,以及有拉长,刮痕、碰伤、弯曲等缺陷应换新。
5.4.6同一台柴油机的活塞连杆组件重量相差不超过100g。5.4.7连杆大、小端的轴心线的平行度上下方向不得大于0.04/100;水平方向不得大于0.06/100。5.5凸轮轴及传动机构
5.5.1凸轮工作面有裂纹或硬度下降到HRC50以下,或磨损程度影响配气持续时间达15°以上,应换新。
5.5.2滚珠轴承磨损,碎裂或保持架损坏须换新。5.5.3齿轮齿面有裂纹、点蚀、剥落或严重磨损均应换新。5.6喷油器
5.6.1针阀偶件出现下列情况之一应换新。a.
喷孔椭圆形磨损或边缘碎裂,
针阀及阀座密封锥面磨损起槽,针阀跳程明显增大;b.
针阀圆柱面及锥面有侵蚀的痕迹或肉眼可见的划痕;针阀偶件咬毛、咬死,
作密封试验,油压从19.6MPa降到14.7MPa,历时少于12s。e.
5.6.2新的针阀偶件如作密封性试验油压从19.6MPa降至14.7MPa时,历时须在20s以上。5.6.3喷油器作13.7MPa喷油试验,必须满足以下要求(以每分钟30~40次的频率):a.油雾应分布均匀,油流锥体角应8°~12°,流锥轴线与喷油器轴线偏差应小于3°,不得出现肉眼可见的油滴飞溅,
b.跳动有力,切断及时并有清脆响声;以每分钟10次的频率连续喷射5~6次后喷孔表面只允许有潮湿。C
5.6.4弹簧裂纹或变形须换新。
5.7喷油泵及调速器
5.7.1柱塞偶件出现下列情况之一应换新:a.有严重磨损、咬迹、拉毛;
b、有阻滞现象,滑动性不良;
作密封性试验:柱塞在中等油量位置,油压从24.5MPa降到19.6MPa所需时间小于6s(油温c
18~20℃)。
5.7.2新的柱塞偶件,如作上述相同的密封性试验,历时须在12s以上。5.7.3出油阀的密封性试验需在24.5MPa时不漏。5.7.4柱塞根部与弹簧下座的平面间隙应为0.10~0.20mm。5.7.5喷油泵的调整要求:
SC/T 8028-94
二个油泵开始供油时间的相隔角度偏差不应超过1°;调整后柱塞顶面与出油阀体平面的间隙应为 0.4~1.0mm;b.
各泵在标定转速下的最大供油量差别不得大于3%在低转速时最小供油量差别不得超过喷油泵装配完毕,在凸轮任意转角位置时,拉动调节杆,应轻便灵活;旋紧出油阀体的扭矩为40~60N·m。5.7.6
调速器下杠杆的球形接头与套简槽壁间隙不得超过0.5mm。5.7.7
调速器每对飞锤的质量允差为5g。5. 7.8
调速器装配过程中,应检查下述各作用件之状态:飞锤应能摆动自如,张合量须严格一致;飞锤座架应灵活自如;
紧急停车手柄必须灵活有效。
5.8润滑油泵
5.8.1齿轮外圆与泵体内圆明显咬毛应成副换新。5.8.2装妥后用手转动轴应灵活自如,不得有卡住现象。5.9冷却水泵
5.9.1壳体磨损严重应换新,换新的壳体水腔及水道之内表面应涂138醇酸底漆。5.9.2叶轮腐蚀或严重磨损应换新,换新的叶轮对轴线的端面跳动和径向跳动应小于0.06mm。5.9.3轴腐蚀严重或直线度超过0.10mm,应换新。5.10其他
5.10.1滑油调压阀及旁通阀密封件磨摄应修换,弹簧变形或弹力衰减应换新。气阀摇臂套简端部和摇臂间隙如超过0.5mm,应换新垫圈,调整到间隙为0.05~0.25mm。5. 10. 2
6主要装配技术要求
6.1活塞连杆
6.1.1油环的开口位置应远离活塞销两端面的位置,活塞环的开口应依次交错120°。6.1.2曲柄销轴承装妥后,两端面与曲柄臂之间均应保持不少于0.10mm的间隙,用钢杆拨动,必须自由,无迅速弹回现象。
6.2飞轮装配后端面跳动应小于0.15mm,转动应轻快,并无轴向窜动。6.3起动电机齿轮与飞轮的端面距离应保持2.5~5mm。7系泊航行试验
具体项目参照ZBH21002有关规定进行。189
A1柴油机规格(见表AI)。
气缸数
SC/T 8028--94
附录A
柴油机主要技术数据及附件规格(参考件)
气缸直径×活塞行程,mm
压缩比
12 小时功率,kW(Ps)
持续功率,kW(Ps)
活塞总排量,L
标定转速,r/min
12小时功率时燃油消耗量,g/kW·h(g/Ps·h)12小时功率时滑油消耗量,g/kW·h(g/Ps·h)平均有效压力,MPa
活塞平均速度,m/s
最大扭矩,N·m
曲轴旋转方向(从飞轮蝴着)
起动方式
主要附件规格
A2.1机油泵
型式:齿轮式;
转速:1500r/min
流量:≥11.6L/min,
油压:0.15~0.30MPa。
2水泵
型式:涡流式,
转速:1100r/min;
流量:1000L/h,
扬程:>5m;
吸水高度:>2.5m。
喷油泵
型式:单体柱塞式;
柱塞直径:6.5mm。
调速器
立式四冲程双缸涡流式燃烧室
105×130
16.7~18,2
≤140(190)
≤9.5(7)
逆时针
手摇或电动
型式:全程离心式
A2.5喷油器
型式:轴针式;
喷油压力:13.72士0.5MPa。
A2.6起动电机
型式:串激直流电动机;
型号:ST62;
电压:12V
最大输出功率:2.94kW。
充电发电机
型号:F-33B:
电压:12V;
额定功率:220W。
A2.8继电调节器
型号:JT81-18/12ZN/1。
A2.9蓄电池
型式:铅板式6-Q-108,
SC/T 8028—94
额定容量(10小时放电率):108A·h;额定电压:12V。
A3主要技术数据
A3.1配气正时
进气阀
开启始点:上死点前10°±1;
关闭终点:下死点后29°+!\;气阀与播臂间隙(冷车):0.20~~0.45mm。排气阀
开启始点:下死点前32°±9;
关闭终点:上死点后7°+1\;
气阀与摇臂间隙(冷车)0.25~0.50mm。A3.2喷油提前角:上死点前17°~24°A3.3标定工况下的各种温度
排气温度:≤410℃;
滑油温度:≤80℃;
冷却水出水温度(海水冷却):≤60℃,冷却水出水温度(淡水循环):70~85℃;冷却水进出口温度差:≤20℃;连杆上端轴承温度:≤90℃;
连杆下端轴承温度:≤85℃;
主轴承温度:≤85℃。
A3.4润滑油压力范围
标定转速时:0.15~0.30MPa;
最低怠转速时:≥0.05MPa;
滑油限压阀开启压力:0.44MPa。191
A3.5压缩压力:3.6~3.9MPa。
A3.6最高燃烧压力:≤6.4MPa。A3.7油底壳滑油容量:约7L。
A3.8螺栓扭矩:
气缸盖螺栓:200~220N·m,
连杆螺栓:80~100N·m,
飞轮螺栓:140~160N·m。
A3.9压缩余隙:1.8~2.0mm。
A3.10主要零件液压试验标准见表A2。试验项目
气缸盖水腔
气缸盖与机体水腔
曲轴油道
附加说明:
SC/T 8028-94
试验要求
压力,MPa
本标准由全国渔船标准化技术委员会提出。本标准由上海渔轮厂研究所负责起草。本标准主要起草人张连登、戎中杰、杨永刚。192
时间,min
必要时水可加热到80~90℃
小提示:此标准内容仅展示完整标准里的部分截取内容,若需要完整标准请到上方自行免费下载完整标准文档。
渔船2105型柴油机修理技术要求1主题内容与适用范围
本标准规定了2105型柴油机的修理技术要求,试验规则等。本标准适用于2105型柴油机修理后的质量验收。2
引用标准
SC/T 8028—94
代替 SC 28--79
CB3255船用柴油机功率、燃油消耗和滑油消耗的标定及非标准环境状况下的修正ZBH21002柴油机动力海洋渔船系泊航行捕捞试验通则3标准环境状况及功率修正
3.1标准环境状况:
环境温度:t=25℃,
环境压力po=0.1MPa,
环境相对湿度:g=30%。
3.2若试验时环境状况与标准状况不符时,应按CB*3255的规定进行修正。3.3柴油机大修后,持续功率允许降低到原来的95%验收转速、温度、压力等保持不变,同时不作超负荷试验。
柴油机主要零件的新装,修换及使用极限值4
柴油机主要零件的新装,修换及使用极限见表1。表1
气缸套外径与机体上定位孔
气缸套外径与机体下定位孔
活塞裙部与气缸套孔
曲轴主轴颈与滚珠轴承
曲柄销与连杆大蝴轴承
曲轴滚珠轴承与轴承盖
连杆大端轴承与连杆大孔
活塞销轴衬与连杆小端孔
活塞销与活塞销座孔
活塞销与活塞销轴衬
公称尺寸「
配合性质
中华人民共和国农业部1994-11-01批准间隙
新装值
0. 03~0. 07
0. 04~~0. 08
0.16~0.20
0. 00~0.01
0.08~0.12
0.00~0.02
0.05~~0.01
0.05~~0.02
0. 02~0. 00
0. 04 ~-0. 06
修换值
使用极限
1995-01-01实施
连杆大端与曲柄销开档
连杆小端在活塞销座间
第一道气环
第二、三道气环
第一道气环与环槽平面
第二、三道气环与环槽平面
油环与环槽平面
凸轮轴与滚珠轴承
曲轴与过油圈
气阀导管与气缸盖
进气阀与气阀导管
排气阀与气阀导管
涡流室外平面与气缸盖底面
起动减压轴与阀杆间
排气阀座与气缸盖
气阀摇臂轴与轴承
各种正时齿轮和各传动齿轮
机油泵齿轮与泵体泵盖
轴与泵体泵盖孔
机油泵齿轮与泵体内圆
被动齿轮与轴
主动齿轮与轴
主动齿轮与被动齿轮
叶轮与水泵壳体
叶轮与水泵尧和之间
水泵叶轮与盖的端面
叶轮外圆与泵体导流块
水泵轴与叶轮
SC/T 8028-94
续表1
公称尺寸
配合性质
轴向间隙
闭合间隙
轴向间隙
齿侧隙
轴向间隙
齿侧隙
轴向间隙
轴向间隙
轴向间隙
新装值
0. 35~0.60
3.00~3.30
0.35~0.50
0.25~0. 45
0. 35~0.40
0. 04~~0.08
0. 04 ~0. 07
0.02~0.08
- 0. 01~~0. 00
0. 035~~0. 070
- 0. 05 ~- 0. 04
0.05~0.10
0. 07~0. 12
0. 05 ~~0. 20
0. 50~1. 00
-0. 06 ~ --- 0. 03
0. 03~~0. 06
0.12~~0.25
0. 05~~0. 15
0. 02~0. 04
0.04~0.10
0. 02~~0. 04
0. 02 ~ —0. 01
0.10~~0.20
0. 10~0. 14
0.22~0.30
0. 10~~0. 15
0. 06~0. 12
0.01~0.03
修换值
使用极限
水泵轴与滚珠轴承
调速套简与凸轮轴bzxz.net
调速套简与飞链销
调速杠杆轴与杠杆座
飞锤与销
飞锤与杠杆轴
SC/T8028-94
续表1
公称尺寸(配合性质
新装值
0. 03 ~-0. 06
0. 02~-0. 04
0. 02~-0. 03
0. 02~0. 03
0.02~~0.03
修换值
使用极限
注:①新装值:修理中两个相配合的零件全部换新,时的公差值。②修换值:系指零件的配合尺寸达到或超过此值,必须修换。相配合的零件修换时,如果只换其中的一个,其配合尺寸允许在新装值与修换值之间。③使用极限:系指零件在使用中的磨损极限,达到此值时应立即进行修换。5主要要部件检修技术要求
5.1气缸盖
5.1.1气缸盖工作面出现裂缝必须换新,非工作表面的裂缝长度小于25mm允许采用组合焊条修补或金属扣合法修复。涡流室表面有裂纹或烧损须换新。5.1.2气缸盖水腔严重腐蚀应换新,气缸盖闷头腐烂,须换新。5.1.3气缸盖与机体的密封平面如产生凹凸不平,深度在0.2mm以下时可使用铲刮修复,如平面度超过0.3mm应切削后再铲刮,其累积切削量不得超过1mm。5.1.4气阀与气阀座的密封接触带宽度应为1.5~~2.0mm,研磨后将气阀与弹簧装妥,以煤油作密性试验,在0.5h内不得渗漏。
5.1.5气阀锥面或阀座凹痕严重均应磨削后再行互研,阀盘圆柱面厚度小于0.8mm或阀杆直线度超过0.04mm或阀座松动须换新,气阀接触带距锥面的上、下边缘均不得小于1mm。5.1.6气阀弹簧如裂损,弹力衰减或对端面的垂直度超过1.5mm均应更换。5.1.7气缸盖的螺母座面磨损须削平,如有2个以上座肩与上平面齐平,即应换新。5.2机体及气缸套
5.2.1各缸套凸肩高出机体平面的高度应为0.10~0.16mm,相差应在0.03mm以内。机体上平面如凹凸不平,按5.1.3处理。5.2.2
气缸套有下列情况之一应换新。5.2.3
内径圆度大于0.08mm,圆柱度大于0.14mm;内表面有严重起毛,热咬现象或有贯穿拉痕;b.
外壁腐蚀深度超过3mm或穴蚀孔直径大于4mm深度大于2.5mm,数量在2个以上或封水环c.
带上部整圜腐烂。
5.2.4机体上螺栓对面的垂直度大于0.20mm,或螺纹严重起毛应换新。5.3曲轴及轴承
5.3.1曲柄销的圆度或圆柱度超过0.04mm应修正,与主轴颈中心线的平行度应小于0.02/50。5.3.2曲轴各主轴颈的同轴度不得大于0.03mm,圆度或圆柱度不得大于0.05mm。5.3.3滚珠轴承磨损、碎裂、咬毛或保持架损坏须换新。5.3.4换新曲轴在两个校正面上的静平衡偏差均应在200g·cm范围内。各平衡铁重量相差应小于50g。
5.4活塞连杆
5.4.1活塞有下列情况之一应换新。SC/T 8028--- 94
外表面有严重起毛、热咬或裂痕、刮伤的深度超过0.02mm以上;a.
b。环槽平面磨损形成明显台阶或环槽根部断裂;活塞顶部有裂纹;
d。活塞裙部的圆度超过0.12mm,圆柱度超过0.15mm;e.活塞销孔的圆度超过0.04mm。5.4.2活塞销的圆度、圆柱度超过0.04mm或硬度低于HRC50应换新。5.4.3活塞销表面不允许有裂纹或较大的划痕、麻点、凹陷等。5.4.4连杆轴瓦合金层不允许有裂纹、剥落、脱壳及严重烧痕、拉毛等现象。5.4.5连杆螺栓螺纹配合松驰,支承面对中心线的垂直度大于0.03mm,以及有拉长,刮痕、碰伤、弯曲等缺陷应换新。
5.4.6同一台柴油机的活塞连杆组件重量相差不超过100g。5.4.7连杆大、小端的轴心线的平行度上下方向不得大于0.04/100;水平方向不得大于0.06/100。5.5凸轮轴及传动机构
5.5.1凸轮工作面有裂纹或硬度下降到HRC50以下,或磨损程度影响配气持续时间达15°以上,应换新。
5.5.2滚珠轴承磨损,碎裂或保持架损坏须换新。5.5.3齿轮齿面有裂纹、点蚀、剥落或严重磨损均应换新。5.6喷油器
5.6.1针阀偶件出现下列情况之一应换新。a.
喷孔椭圆形磨损或边缘碎裂,
针阀及阀座密封锥面磨损起槽,针阀跳程明显增大;b.
针阀圆柱面及锥面有侵蚀的痕迹或肉眼可见的划痕;针阀偶件咬毛、咬死,
作密封试验,油压从19.6MPa降到14.7MPa,历时少于12s。e.
5.6.2新的针阀偶件如作密封性试验油压从19.6MPa降至14.7MPa时,历时须在20s以上。5.6.3喷油器作13.7MPa喷油试验,必须满足以下要求(以每分钟30~40次的频率):a.油雾应分布均匀,油流锥体角应8°~12°,流锥轴线与喷油器轴线偏差应小于3°,不得出现肉眼可见的油滴飞溅,
b.跳动有力,切断及时并有清脆响声;以每分钟10次的频率连续喷射5~6次后喷孔表面只允许有潮湿。C
5.6.4弹簧裂纹或变形须换新。
5.7喷油泵及调速器
5.7.1柱塞偶件出现下列情况之一应换新:a.有严重磨损、咬迹、拉毛;
b、有阻滞现象,滑动性不良;
作密封性试验:柱塞在中等油量位置,油压从24.5MPa降到19.6MPa所需时间小于6s(油温c
18~20℃)。
5.7.2新的柱塞偶件,如作上述相同的密封性试验,历时须在12s以上。5.7.3出油阀的密封性试验需在24.5MPa时不漏。5.7.4柱塞根部与弹簧下座的平面间隙应为0.10~0.20mm。5.7.5喷油泵的调整要求:
SC/T 8028-94
二个油泵开始供油时间的相隔角度偏差不应超过1°;调整后柱塞顶面与出油阀体平面的间隙应为 0.4~1.0mm;b.
各泵在标定转速下的最大供油量差别不得大于3%在低转速时最小供油量差别不得超过喷油泵装配完毕,在凸轮任意转角位置时,拉动调节杆,应轻便灵活;旋紧出油阀体的扭矩为40~60N·m。5.7.6
调速器下杠杆的球形接头与套简槽壁间隙不得超过0.5mm。5.7.7
调速器每对飞锤的质量允差为5g。5. 7.8
调速器装配过程中,应检查下述各作用件之状态:飞锤应能摆动自如,张合量须严格一致;飞锤座架应灵活自如;
紧急停车手柄必须灵活有效。
5.8润滑油泵
5.8.1齿轮外圆与泵体内圆明显咬毛应成副换新。5.8.2装妥后用手转动轴应灵活自如,不得有卡住现象。5.9冷却水泵
5.9.1壳体磨损严重应换新,换新的壳体水腔及水道之内表面应涂138醇酸底漆。5.9.2叶轮腐蚀或严重磨损应换新,换新的叶轮对轴线的端面跳动和径向跳动应小于0.06mm。5.9.3轴腐蚀严重或直线度超过0.10mm,应换新。5.10其他
5.10.1滑油调压阀及旁通阀密封件磨摄应修换,弹簧变形或弹力衰减应换新。气阀摇臂套简端部和摇臂间隙如超过0.5mm,应换新垫圈,调整到间隙为0.05~0.25mm。5. 10. 2
6主要装配技术要求
6.1活塞连杆
6.1.1油环的开口位置应远离活塞销两端面的位置,活塞环的开口应依次交错120°。6.1.2曲柄销轴承装妥后,两端面与曲柄臂之间均应保持不少于0.10mm的间隙,用钢杆拨动,必须自由,无迅速弹回现象。
6.2飞轮装配后端面跳动应小于0.15mm,转动应轻快,并无轴向窜动。6.3起动电机齿轮与飞轮的端面距离应保持2.5~5mm。7系泊航行试验
具体项目参照ZBH21002有关规定进行。189
A1柴油机规格(见表AI)。
气缸数
SC/T 8028--94
附录A
柴油机主要技术数据及附件规格(参考件)
气缸直径×活塞行程,mm
压缩比
12 小时功率,kW(Ps)
持续功率,kW(Ps)
活塞总排量,L
标定转速,r/min
12小时功率时燃油消耗量,g/kW·h(g/Ps·h)12小时功率时滑油消耗量,g/kW·h(g/Ps·h)平均有效压力,MPa
活塞平均速度,m/s
最大扭矩,N·m
曲轴旋转方向(从飞轮蝴着)
起动方式
主要附件规格
A2.1机油泵
型式:齿轮式;
转速:1500r/min
流量:≥11.6L/min,
油压:0.15~0.30MPa。
2水泵
型式:涡流式,
转速:1100r/min;
流量:1000L/h,
扬程:>5m;
吸水高度:>2.5m。
喷油泵
型式:单体柱塞式;
柱塞直径:6.5mm。
调速器
立式四冲程双缸涡流式燃烧室
105×130
16.7~18,2
≤140(190)
≤9.5(7)
逆时针
手摇或电动
型式:全程离心式
A2.5喷油器
型式:轴针式;
喷油压力:13.72士0.5MPa。
A2.6起动电机
型式:串激直流电动机;
型号:ST62;
电压:12V
最大输出功率:2.94kW。
充电发电机
型号:F-33B:
电压:12V;
额定功率:220W。
A2.8继电调节器
型号:JT81-18/12ZN/1。
A2.9蓄电池
型式:铅板式6-Q-108,
SC/T 8028—94
额定容量(10小时放电率):108A·h;额定电压:12V。
A3主要技术数据
A3.1配气正时
进气阀
开启始点:上死点前10°±1;
关闭终点:下死点后29°+!\;气阀与播臂间隙(冷车):0.20~~0.45mm。排气阀
开启始点:下死点前32°±9;
关闭终点:上死点后7°+1\;
气阀与摇臂间隙(冷车)0.25~0.50mm。A3.2喷油提前角:上死点前17°~24°A3.3标定工况下的各种温度
排气温度:≤410℃;
滑油温度:≤80℃;
冷却水出水温度(海水冷却):≤60℃,冷却水出水温度(淡水循环):70~85℃;冷却水进出口温度差:≤20℃;连杆上端轴承温度:≤90℃;
连杆下端轴承温度:≤85℃;
主轴承温度:≤85℃。
A3.4润滑油压力范围
标定转速时:0.15~0.30MPa;
最低怠转速时:≥0.05MPa;
滑油限压阀开启压力:0.44MPa。191
A3.5压缩压力:3.6~3.9MPa。
A3.6最高燃烧压力:≤6.4MPa。A3.7油底壳滑油容量:约7L。
A3.8螺栓扭矩:
气缸盖螺栓:200~220N·m,
连杆螺栓:80~100N·m,
飞轮螺栓:140~160N·m。
A3.9压缩余隙:1.8~2.0mm。
A3.10主要零件液压试验标准见表A2。试验项目
气缸盖水腔
气缸盖与机体水腔
曲轴油道
附加说明:
SC/T 8028-94
试验要求
压力,MPa
本标准由全国渔船标准化技术委员会提出。本标准由上海渔轮厂研究所负责起草。本标准主要起草人张连登、戎中杰、杨永刚。192
时间,min
必要时水可加热到80~90℃
小提示:此标准内容仅展示完整标准里的部分截取内容,若需要完整标准请到上方自行免费下载完整标准文档。
标准图片预览:





- 其它标准
- 热门标准
- 水产行业标准(SC)
- SC/T7219.4-2015 三代虫病诊断规程 第4部分:中型三代虫病
- SC/T8080-1994 渔船柴油主机安装技术要求
- SC/T7205.2-2007 牡蛎包纳米虫病诊断规程 第2部分:组织病理学诊断法
- SC/T2047-2006 水产养殖用海洋微藻保种操作技术规范
- SC/T9011.4-2006 冻结装置试验方法 第4部分:流态冻结装置试验方法
- SC2035-2006 文蛤
- SC/T8033-1994 渔船电动式起锚机修理技术条件
- SC/T8035-1997 渔船平板冻结机安装调试技术要求
- SC/T8040-1994 渔船100Nm、45Nm单片离合器修理技术要求
- SC/T3210-1986 盐渍海蛰皮和盐渍海蛰头
- SC/T3105-1988 鲜鳓鱼
- SC1039-2000 南方鲇
- SC/T6011-2001 平模颗粒饲料压制机 技术条件
- SC/T6007-2001 鲤鱼用带式输送机型式基本参数与技术要求
- SC/T8009-2000 两爪锚
- 行业新闻
请牢记:“bzxz.net”即是“标准下载”四个汉字汉语拼音首字母与国际顶级域名“.net”的组合。 ©2025 标准下载网 www.bzxz.net 本站邮件:bzxznet@163.com
网站备案号:湘ICP备2025141790号-2
网站备案号:湘ICP备2025141790号-2