- 您的位置:
- 标准下载网 >>
- 标准分类 >>
- 机械行业标准(JB) >>
- JB/T 5110.7-1992 螺旋压力机锻模 压圈
标准号:
JB/T 5110.7-1992
标准名称:
螺旋压力机锻模 压圈
标准类别:
机械行业标准(JB)
标准状态:
现行-
发布日期:
1992-05-05 -
实施日期:
1993-07-01 出版语种:
简体中文下载格式:
.rar.pdf下载大小:
35.57 KB

点击下载
标准简介:
标准下载解压密码:www.bzxz.net
本标准规定了螺旋压力机锻模圆形模块用压圈的结构、尺寸、材料、热处理及标记。本标准适用于螺旋压力机锻模1B/T 5110.1-91中的B型和C型模块用压圈。 JB/T 5110.7-1992 螺旋压力机锻模 压圈 JB/T5110.7-1992

部分标准内容:
中华人民共和国机械行业标准
螺旋压力机锻模
主题内容与适用范围
JB/T5110.7--92
本标准规定了螺旋压力机锻模圆形模块用压圈的结构、尺寸、材料、热处理及标记。本标准适用于螺旋压力机锻模JB/T5110.1一91中的B型和C型模块用压圈。2
引用标准
技术条件
GB 699
优质碳素结构钢
JB/T5110.1螺旋压力机圆形模块结构与尺寸JB/T6060.4锤锻模零件
技术条件
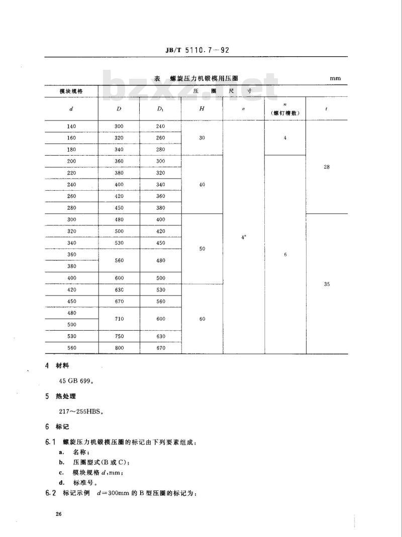
3结构与尺寸
结构见图,尺寸见表。B型用于B型圆模块,C型用于C型圆模块。D
图压圈
中华人民共和国机械电子工业部1992-05-05批准D
1993-07-01实施
模块规格
4材料
45GB699。
5热处理
217-~255HBS.
6标记
JB/T5110.7-92
螺旋压力机锻模用压圈
6.1螺旋压力机锻模压圈的标记由下列要素组成:a.
名称;
压圈型式(B或C);
模块规格d,mm;
标准号。
6.2标记示例d=300mm的B型压圈的标记为:26
(螺钉槽数)www.bzxz.net
压圈B300
JB/T 5110.7
附加说明:
JB/T 5110.7--92
本标准由机械电子工业部北京机电研究所提出并归口。本标准由机械电子工业部北京机电研究所负责起草,参加单位有第一汽车制造厂,第二汽车制造本标准主要起草人武榕、张蕾、汤耀明、黄春。27
小提示:此标准内容仅展示完整标准里的部分截取内容,若需要完整标准请到上方自行免费下载完整标准文档。
螺旋压力机锻模
主题内容与适用范围
JB/T5110.7--92
本标准规定了螺旋压力机锻模圆形模块用压圈的结构、尺寸、材料、热处理及标记。本标准适用于螺旋压力机锻模JB/T5110.1一91中的B型和C型模块用压圈。2
引用标准
技术条件
GB 699
优质碳素结构钢
JB/T5110.1螺旋压力机圆形模块结构与尺寸JB/T6060.4锤锻模零件
技术条件
3结构与尺寸
结构见图,尺寸见表。B型用于B型圆模块,C型用于C型圆模块。D
图压圈
中华人民共和国机械电子工业部1992-05-05批准D
1993-07-01实施
模块规格
4材料
45GB699。
5热处理
217-~255HBS.
6标记
JB/T5110.7-92
螺旋压力机锻模用压圈
6.1螺旋压力机锻模压圈的标记由下列要素组成:a.
名称;
压圈型式(B或C);
模块规格d,mm;
标准号。
6.2标记示例d=300mm的B型压圈的标记为:26
(螺钉槽数)www.bzxz.net
压圈B300
JB/T 5110.7
附加说明:
JB/T 5110.7--92
本标准由机械电子工业部北京机电研究所提出并归口。本标准由机械电子工业部北京机电研究所负责起草,参加单位有第一汽车制造厂,第二汽车制造本标准主要起草人武榕、张蕾、汤耀明、黄春。27
小提示:此标准内容仅展示完整标准里的部分截取内容,若需要完整标准请到上方自行免费下载完整标准文档。

标准图片预览:



- 其它标准
- 热门标准
- 机械行业标准(JB)
- JB/T6882-2006 泵可靠性验证试验
- JB/T7991.4-2001 电镀超硬磨料制品 磨头
- JB/T8725-1998 旋转接头
- JB/T10325-2002 锅炉除氧器 技术条件
- JB/T8528-1997 普通型阀门电动装置 技术条件
- JBJ10-1996 机械工厂采暖通风与空气调节设计规范
- JB/T2740-2008 工业机械电气设备 电气图、图解和表的绘制
- JB/T6313.2-1992 电工铜编织线 斜纹编织线
- JB/T5917-2006 袋式除尘器用滤袋框架
- JB/T10187-2011 滚动轴承 深沟球轴承振动
- JB/T9768-1999 内燃机 气缸套平台珩磨网纹 技术规范及检测方法
- JB/T8746.5-2008 塑料异型材挤出模零件 第5部分:定型块
- JB/T4701-2000 甲型平焊法兰
- JB/T5934-1991 工程机械门锁 技术条件
- JB/T6504-1992 汽轮机油漆 典型工艺
- 行业新闻
请牢记:“bzxz.net”即是“标准下载”四个汉字汉语拼音首字母与国际顶级域名“.net”的组合。 ©2009 标准下载网 www.bzxz.net 本站邮件:bzxznet@163.com
网站备案号:湘ICP备2023016450号-1
网站备案号:湘ICP备2023016450号-1