- 您的位置:
- 标准下载网 >>
- 标准分类 >>
- 农业行业标准(NY) >>
- NY/T 230-2006 椰子油
标准号:
NY/T 230-2006
标准名称:
椰子油
标准类别:
农业行业标准(NY)
标准状态:
现行-
发布日期:
2006-01-26 -
实施日期:
2006-04-01 出版语种:
简体中文下载格式:
.rar.pdf下载大小:
499.04 KB
标准ICS号:
食品技术>>67.200食用油和脂肪、含油种子中标分类号:
食品>>食品加工与制品>>X14油脂加工与制品
点击下载
标准简介:
标准下载解压密码:www.bzxz.net
本标准规定了椰子油的定义、分类、质量要求、试验方法、检验规则及标签、包装、贮存和运输。本标准适用于以椰肉为原料生产的椰子油,不适用于其他原料生产的椰子油。 NY/T 230-2006 椰子油 NY/T230-2006
部分标准内容:
ICS67.200
中华人民共和国农业行业标准
NY/T230-2006
代替NY/T230—1994,NY/T231-1994椰子油
Coconut oil
2006-01-26发布
2006-04-01实施
中华人民共和国农业部
NY/T230—2006
本标准是对NY/T230-1994(椰油由食用椰子油》、NY/T231—1994《油工业用椰子油的
修订与合并。
本标准与NY/T230—1994NY/T231—1994的主要差异:本标准的结构、技术要素及表述规则按GB/T1.1一2000《标准化工作导则第一部分:标准
的结构和编写规则》进行修改:一对椰子油进行分类;
一对质量要求中的项目进行了调整;一对部分指标进行了修订;
重新制定了椰子油的检验规则;本标准参照国际食品法典委员会的标准,修改了有关指标。食用椰子油》、NY/T231-1994《椰油本标准自实施之日起,代替NYT230一1994(椰油工
业用椰子油》
本标准由中华人民共和国农业部提出。本标准由农业部热带作物及制品标准化技术委员会归口。本标准起草单位:中国热带农业科学院椰子研究所、农业部食品质量监督检验测试中心(湛江)。本标准主要起草人:赵松林、陈成海、陈华、张木炎、李新菊。本标准所代替标准历次版本发布情况为:NY/T230—1994、NY/T231—1994。1范围
椰子油
NY/T230—2006
本标准规定了椰子油的定义分类、质量要求试验方法检验规则及标签、包装,存和运输。本标准适用于以椰肉为原料生产的椰子油,不适用于其他原料生产的子油。2规范性引用文件
下列文件中的条款通过本标准的引用而成为本标准的条款。凡是注日期的引用文件,其随后所有的修改单(不包括勘误的内容)或修订版均不适用于本标准,然而,鼓励根据本标准达成协议的各方研究是否可使用这些文件的最新版本。凡是不注日期的引用文件,其最新版本适用于本标准。食用植物油卫生标准
GB2716
GB2760食品添加剂使用卫生标准GB/T5009.37食用植物油卫生标准的分析方法GB/T5524
GB/T5525
GB/T5526
GB/T5527
GB/T5528
GB/T5529
GB/T5530
GB/T5532
GB/T5534
GB/T5535
GB/T5538
植物油脂检验扦样、分样法
植物油脂检验透明度、色泽、气味、滋味鉴定法植物油脂检验
比重测定法
植物油脂检验折光指数测定法
植物油脂水分及挥发物含量测定法植物油脂检验杂质测定法
植物油脂检验
酸价和酸度测定
植物油碘价测定
动植物油脂卓化值的测定
植物油脂检验不皂化物测定
油脂过氧化值测定
GB7718
食品标签通用标准
GB/T17376
GB/T17377
3术语和定义
动植物油脂
动植物油脂
脂肪酸甲酯制备
脂肪酸甲酯的气相色谱分析
下列术语和定义适用于标准。
crudecoconutoil
椰子原油
以椰肉为原料,经压榨或浸出工艺制取的油。3.2
精炼椰子油refined coconutoil椰子原油经过脱胶、脱酸、脱色、脱臭等精炼工艺处理制取的椰子油。4分类
椰子油分为棉子原油和精炼椰子油两类1
NY/T230—2006
5技术质量要求
5.1特征指标
折光指数n40:
相对密度d:
碘值(D)/(g/100g):
皂化值(KOH)/(mg/g):
不皂化物/(g/kg):
脂肪酸组成/(%):
月桂酸
豆蔻酸
棕榈酸
棕榈烯酸
十七烷酸
十七碳一烯酸
硬脂酸
亚油酸
亚麻酸
花生酸
花生一烯酸
花生二烯酸
山箭酸
二十二碳二烯酸
木焦油酸
二十二碳二烯酸
1.4480~1.4500
0.9080.921
250~264
注1:上列指标与国际食品法典委员会标准CodexStan210:1999《指定的植物油法典标准》的指标一致。注2:ND表示未检出,定义为0.05%。5.2质量指标
子油的质量指标见表1。
椰子油质量指标bZxz.net
气味、滋味
(罗维朋比色槽25.4mm)
(罗维朋比色槽133.4mm)
椰子原油
黄50红15
质量指标
精炼子油
黄30红3
具有椰子油固有的气味和滋
味,无异味
具有帮子油固有的气味和
滋味,溢味正常,无异味
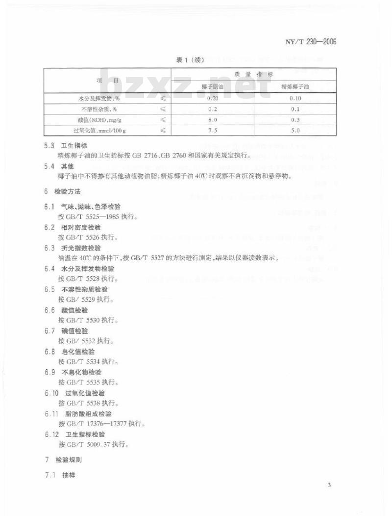
水分及挥发物,%
不溶性杂质,%
酸值(KOH),mg/g
过氧化值,mmol/100g
5.3卫生指标
表1 (续)
椰子原油
质量指标
精炼椰子油的卫生指标按GB2716、GB2760和国家有关规定执行。5.4其他
NY/T230—2006
精炼椰子油
椰子油中不得掺有其他动植物油脂:精炼椰子油40℃时观察不含沉淀物和悬浮物。6检验方法
6.1气味,滋味、色泽检验
按GB/T5525—1985执行
2相对密度检验
按GB/T5526执行。
3折光指数检验
油温在40℃的条件下,按GB/T5527的方法进行测定,结果以仪器读数表示。6.4水分及挥发物检验
按GB/T5528执行。
5不溶性杂质检验
按GB/5529执行。
酸值检验
按GB/T5530执行。
6.7碘值检验
按GB/5532执行。
3粤化值检验
按GB/T5534执行。
不皂化物检验
按GB/T5535执行。
6.10过氧化值检验
按GB/T5538执行。
6.11脂肪酸组成检验
按GB/T17376—17377执行。
6.12卫生指标检验
按GB/T5009.37执行。
7检验规则
7.1抽样
NY/T230—2006
子油的抽样方法按照GB/T5524的要求执行。7.2出厂检验
7.2.1应逐批检验,并出具检验报告。7.2.2按照5.2规定的项目进行检验。7.3型式检验
7.3.1当原料、设备、工艺有较大的变化或质量监督部门提出要求时,均应进行型式检验。7.3.2按照第5章的规定检验。
7.4判定规则
7.4.1产品未标注椰子油类别时,按不合格判定。7.4.2检验结果中有1项指标不符合第5章的要求时,即判定该类产品不合格。7.4.3如对检验结果有争议,可加倍抽样复验一次,如仍不合格,则判该类产品不合格。8标签
需要进行标示的椰子油应符合GB7718的要求。包装、贮存和运输
9.1包装
椰子油包装容器的类型、规格尺寸、外观要求由供需双方商定。9.2
椰子油应贮存于阴凉、干燥及避光处。不得与有害、有毒物品一同存放。9.3运输
运输过程中应注意安全,防止日晒,雨淋,渗透、污染和标签脱落。4
小提示:此标准内容仅展示完整标准里的部分截取内容,若需要完整标准请到上方自行免费下载完整标准文档。
中华人民共和国农业行业标准
NY/T230-2006
代替NY/T230—1994,NY/T231-1994椰子油
Coconut oil
2006-01-26发布
2006-04-01实施
中华人民共和国农业部
NY/T230—2006
本标准是对NY/T230-1994(椰油由食用椰子油》、NY/T231—1994《油工业用椰子油的
修订与合并。
本标准与NY/T230—1994NY/T231—1994的主要差异:本标准的结构、技术要素及表述规则按GB/T1.1一2000《标准化工作导则第一部分:标准
的结构和编写规则》进行修改:一对椰子油进行分类;
一对质量要求中的项目进行了调整;一对部分指标进行了修订;
重新制定了椰子油的检验规则;本标准参照国际食品法典委员会的标准,修改了有关指标。食用椰子油》、NY/T231-1994《椰油本标准自实施之日起,代替NYT230一1994(椰油工
业用椰子油》
本标准由中华人民共和国农业部提出。本标准由农业部热带作物及制品标准化技术委员会归口。本标准起草单位:中国热带农业科学院椰子研究所、农业部食品质量监督检验测试中心(湛江)。本标准主要起草人:赵松林、陈成海、陈华、张木炎、李新菊。本标准所代替标准历次版本发布情况为:NY/T230—1994、NY/T231—1994。1范围
椰子油
NY/T230—2006
本标准规定了椰子油的定义分类、质量要求试验方法检验规则及标签、包装,存和运输。本标准适用于以椰肉为原料生产的椰子油,不适用于其他原料生产的子油。2规范性引用文件
下列文件中的条款通过本标准的引用而成为本标准的条款。凡是注日期的引用文件,其随后所有的修改单(不包括勘误的内容)或修订版均不适用于本标准,然而,鼓励根据本标准达成协议的各方研究是否可使用这些文件的最新版本。凡是不注日期的引用文件,其最新版本适用于本标准。食用植物油卫生标准
GB2716
GB2760食品添加剂使用卫生标准GB/T5009.37食用植物油卫生标准的分析方法GB/T5524
GB/T5525
GB/T5526
GB/T5527
GB/T5528
GB/T5529
GB/T5530
GB/T5532
GB/T5534
GB/T5535
GB/T5538
植物油脂检验扦样、分样法
植物油脂检验透明度、色泽、气味、滋味鉴定法植物油脂检验
比重测定法
植物油脂检验折光指数测定法
植物油脂水分及挥发物含量测定法植物油脂检验杂质测定法
植物油脂检验
酸价和酸度测定
植物油碘价测定
动植物油脂卓化值的测定
植物油脂检验不皂化物测定
油脂过氧化值测定
GB7718
食品标签通用标准
GB/T17376
GB/T17377
3术语和定义
动植物油脂
动植物油脂
脂肪酸甲酯制备
脂肪酸甲酯的气相色谱分析
下列术语和定义适用于标准。
crudecoconutoil
椰子原油
以椰肉为原料,经压榨或浸出工艺制取的油。3.2
精炼椰子油refined coconutoil椰子原油经过脱胶、脱酸、脱色、脱臭等精炼工艺处理制取的椰子油。4分类
椰子油分为棉子原油和精炼椰子油两类1
NY/T230—2006
5技术质量要求
5.1特征指标
折光指数n40:
相对密度d:
碘值(D)/(g/100g):
皂化值(KOH)/(mg/g):
不皂化物/(g/kg):
脂肪酸组成/(%):
月桂酸
豆蔻酸
棕榈酸
棕榈烯酸
十七烷酸
十七碳一烯酸
硬脂酸
亚油酸
亚麻酸
花生酸
花生一烯酸
花生二烯酸
山箭酸
二十二碳二烯酸
木焦油酸
二十二碳二烯酸
1.4480~1.4500
0.9080.921
250~264
注1:上列指标与国际食品法典委员会标准CodexStan210:1999《指定的植物油法典标准》的指标一致。注2:ND表示未检出,定义为0.05%。5.2质量指标
子油的质量指标见表1。
椰子油质量指标bZxz.net
气味、滋味
(罗维朋比色槽25.4mm)
(罗维朋比色槽133.4mm)
椰子原油
黄50红15
质量指标
精炼子油
黄30红3
具有椰子油固有的气味和滋
味,无异味
具有帮子油固有的气味和
滋味,溢味正常,无异味
水分及挥发物,%
不溶性杂质,%
酸值(KOH),mg/g
过氧化值,mmol/100g
5.3卫生指标
表1 (续)
椰子原油
质量指标
精炼椰子油的卫生指标按GB2716、GB2760和国家有关规定执行。5.4其他
NY/T230—2006
精炼椰子油
椰子油中不得掺有其他动植物油脂:精炼椰子油40℃时观察不含沉淀物和悬浮物。6检验方法
6.1气味,滋味、色泽检验
按GB/T5525—1985执行
2相对密度检验
按GB/T5526执行。
3折光指数检验
油温在40℃的条件下,按GB/T5527的方法进行测定,结果以仪器读数表示。6.4水分及挥发物检验
按GB/T5528执行。
5不溶性杂质检验
按GB/5529执行。
酸值检验
按GB/T5530执行。
6.7碘值检验
按GB/5532执行。
3粤化值检验
按GB/T5534执行。
不皂化物检验
按GB/T5535执行。
6.10过氧化值检验
按GB/T5538执行。
6.11脂肪酸组成检验
按GB/T17376—17377执行。
6.12卫生指标检验
按GB/T5009.37执行。
7检验规则
7.1抽样
NY/T230—2006
子油的抽样方法按照GB/T5524的要求执行。7.2出厂检验
7.2.1应逐批检验,并出具检验报告。7.2.2按照5.2规定的项目进行检验。7.3型式检验
7.3.1当原料、设备、工艺有较大的变化或质量监督部门提出要求时,均应进行型式检验。7.3.2按照第5章的规定检验。
7.4判定规则
7.4.1产品未标注椰子油类别时,按不合格判定。7.4.2检验结果中有1项指标不符合第5章的要求时,即判定该类产品不合格。7.4.3如对检验结果有争议,可加倍抽样复验一次,如仍不合格,则判该类产品不合格。8标签
需要进行标示的椰子油应符合GB7718的要求。包装、贮存和运输
9.1包装
椰子油包装容器的类型、规格尺寸、外观要求由供需双方商定。9.2
椰子油应贮存于阴凉、干燥及避光处。不得与有害、有毒物品一同存放。9.3运输
运输过程中应注意安全,防止日晒,雨淋,渗透、污染和标签脱落。4
小提示:此标准内容仅展示完整标准里的部分截取内容,若需要完整标准请到上方自行免费下载完整标准文档。
标准图片预览:





- 其它标准
- 热门标准
- 农业行业标准(NY)
- NY/T5295-2004 无公害食品 产地环境评价准则
- NY/T2669-2014 热带作物品种审定规范 木薯
- NY/T598-2002 食用绿豆
- NY5086-2002 无公害食品 鲜食葡萄
- NY/T797-2004 硅肥
- NY/T1858.2-2010 番茄主要病害抗病性鉴定技术规程 第2部分:番茄抗叶霉病鉴定技术规程
- NY/T1153.4-2013 农药登记用白蚁防治剂药效试验方法及评价 第4部分农药木材处理预防白蚁
- NY469-2001 葡萄苗木
- NY/T456-2001 茉莉花茶
- NY5187-2002 无公害食品 罐装金针菇
- NY/T749-2003 绿色食品 食用菌
- NY/T889-2004 土壤速效钾和缓效钾含量的测定
- NY/T1378-2007 土壤氯离子含量的测定
- NY/T1364-2007 温室齿条开窗机
- NY/T1159-2006 中华蜜蜂种蜂王
- 行业新闻
请牢记:“bzxz.net”即是“标准下载”四个汉字汉语拼音首字母与国际顶级域名“.net”的组合。 ©2025 标准下载网 www.bzxz.net 本站邮件:bzxznet@163.com
网站备案号:湘ICP备2025141790号-2
网站备案号:湘ICP备2025141790号-2