- 您的位置:
- 标准下载网 >>
- 标准分类 >>
- 国家标准(GB) >>
- GB/T 12529.4-1990 粮油工业用图形符号,代号 油脂工业
标准号:
GB/T 12529.4-1990
标准名称:
粮油工业用图形符号,代号 油脂工业
标准类别:
国家标准(GB)
标准状态:
已作废-
发布日期:
1990-01-02 -
实施日期:
1991-09-01 -
作废日期:
2009-01-20 出版语种:
简体中文下载格式:
.rar.pdf下载大小:
591.88 KB
标准ICS号:
食品技术>>67.040食品综合中标分类号:
食品>>食品综合>>X04基础标准与通用方法
替代情况:
被GB/T 12529.4-2008代替
点击下载
标准简介:
标准下载解压密码:www.bzxz.net
本标准规定了制粉工业工艺流程图用的图形符号和代号。本标准适用于生产、科研、设计、教学及其他有关领域。本标准不规定工艺流程图中一般不作表达的项目以及已列入GBl2529.1的项目。 GB/T 12529.4-1990 粮油工业用图形符号,代号 油脂工业 GB/T12529.4-1990
部分标准内容:
中华人民共和国国家标准
粮油工业用图形符号、代号油脂工业Graphic symbols and codes for grain and oil industryOil and fat industry
1主题内容与适用范围
本标准规定了制粉工业工艺流程图用的图形符号和代号。本标准适用于生产、科研、设计、教学及其他有关领域。GB 12529.4-90
本标准不规定工艺流程图中一般不作表达的项目以及已列入GB12529.1的项目。2引用标准
GB4270热工图形符号与文字代号GB4457.4机械制图图线
GB4728电气图用图形符号
GB6567.1~6567.5管路系统的图形符号GB8873油脂工业名词术语
GB12529.1粮油工业用图形符号、代号通用部分3一般规定
3.1本标准规定的图形符号及代号涉及整个油脂生产线的各个环节。3.2本标准规定的图形符号在工艺流程图中应用时,可根据实际需要适当缩小或放大。3.3本标准规定的图形,允许反方向绘制。3.4图形符号的图线,执行GB4457.4的有关规定。3.5本标准及GB12529.1均未规定的符号、代号,按有关的国家标准或专业标准执行;国家标准及专业标准未作规定时,可遵循简单明了、反映实物主要特征的原则,自行绘制。3.6油脂工业用管路管件等的图形符号,除本标准规定者外,执行GB6567.1~6567.5的有关规定。油脂工业图形符号、代号的分类4
剥壳分离破碎:Y101~Y114;
轧胚蒸炒:Y201~Y207;
榨油:Y301~Y305;
棕油:Y401~Y410;
浸出:Y501~Y525;
精炼:Y601~Y636;
其他:Y701~Y702;
管路管件:Y801Y828
国家技术监督局1990-12-07批准68
1991-09-01实施
i.代号:Y901~Y932。
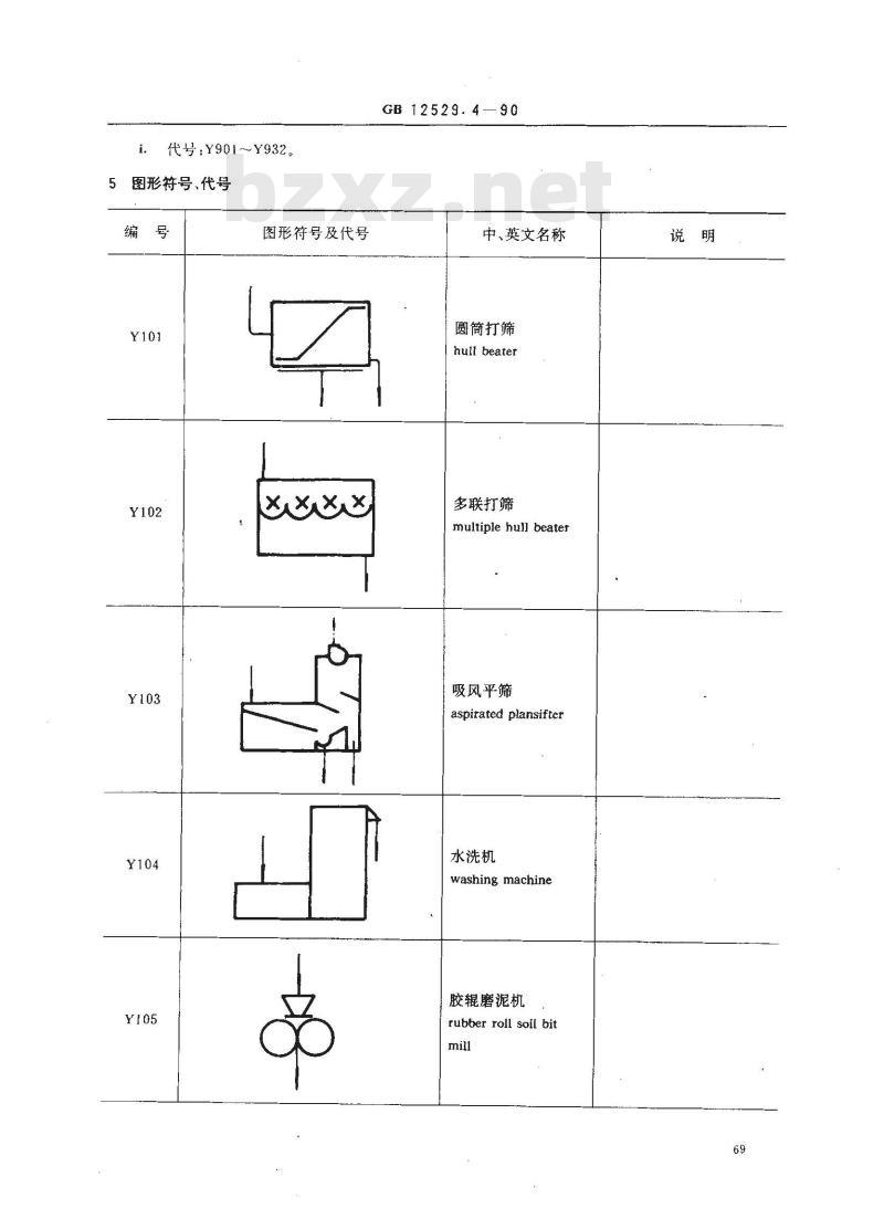
5图形符号、代号
图形符号及代号
GB 12529.4
中、英文名称
圆简打筛
hull beater
多联打筛
multiple hull beater
吸风平筛
aspirated plansifter
水洗机
washing machine
胶辊磨泥机
rubber roll soil bit
图形符号及代号
GB12529.4—90
中、英文名称
离心打泥机
centrifugal soil bit
impactor
圆盘剥壳机
disc huler
刀板剥壳机
bar nuller
离心剥壳机
centrifugal decorticator
刀笼剥壳机
bar-cage decorticator
图形符号及代号
GB 12529.4—90
中、英文名称
籽壳分离机
hull and seed aspirator
对辊齿辊破碎机
toothed cracking roll
(one pair)
双对辊齿辊破碎机
toothed cracking roll
(two pairs)
锤式破碎机
hammer cracker
对辊轧胚机
flaking roll
图形符号及代号
GB 12529.4--90
中、英文名称
双对辑轧胚机
two pair flaking roll
三辑轧胚机
triple flaking roll
软化锅
conditioner
立式蒸炒锅(有边夹
vertical stack cooker
(with jacket)
立式蒸炒锅(无边夹
vertical stack cooker
(without jacket)
图形符号及代号
GB 12529. 4m~ 90
中、英文名称
平底炒锅
flat bottom cookerWww.bzxZ.net
液压榨油机
hydraulic press
小型螺旋榨油机
minitype serew press
螺旋榨油机
serew press
刮板澄油箱
Clarifying tank
图形符号及代号
GB 12529.490
中、英文名称
振动式油渣分离器
vibratory oil
residue
separator
立式油棕果房杀酵罐
vertical sterilizer
卧式油棕果房杀酵罐
horizontal sterilizer
棕果脱果机
thresher
棕果捣碎
crasher
图形符号及代号
GB 12529. 4 --- 90
中、英文名称
棕油离心机
palm oil centrifuge
核渣分离筛
paim nut screen
核渣分离机
palm nut separator
棕核壳仁分级圆筛
husk kernel reel
转子式棕核壳仁泥水
分离机
rotor type husk kernel
separator
图形符号及代号
GB 12529.4—90
中、英文名称
刮板式棕核壳仁泥水
分离机
chain conveying
husk kernel separator
浸出罐
batch extractor
平转浸出器
rotary exiractor
履带浸出器
beit type extractor
环形浸出器
loop type extractor
图形符号及代号
GB 12529.4 -90
中、英文名称
封闭绞龙
sealed auger
卧式蒸烘机
horizontal desolventiz-
立式蒸烘机
vertical desolventizer
DT蒸烘机
DT desolventizer
toaster
高料层蒸脱机
deep bed desolventizer-
toaster
图形符号及代号
GB 12529.4--90
中、英文名称
长管蒸发器
raising film evapora
long tube evaporator
汽液分离器
vapor separator
管式汽提塔
tubular stripping
column
层碟式汽提塔
disc stripping column
立式列管冷凝器
vertical pipe bundle
condenser
图形符号及代号
GB 12529.490
中、英文名称
卧式列管冷凝器
horizontal pipe bundle
condenser
喷淋式冷凝器
spraying condenser
大气冷凝器
atmospheric condenser
分水器
solvent separator
旋液分离器
liquid cyclone
小提示:此标准内容仅展示完整标准里的部分截取内容,若需要完整标准请到上方自行免费下载完整标准文档。
粮油工业用图形符号、代号油脂工业Graphic symbols and codes for grain and oil industryOil and fat industry
1主题内容与适用范围
本标准规定了制粉工业工艺流程图用的图形符号和代号。本标准适用于生产、科研、设计、教学及其他有关领域。GB 12529.4-90
本标准不规定工艺流程图中一般不作表达的项目以及已列入GB12529.1的项目。2引用标准
GB4270热工图形符号与文字代号GB4457.4机械制图图线
GB4728电气图用图形符号
GB6567.1~6567.5管路系统的图形符号GB8873油脂工业名词术语
GB12529.1粮油工业用图形符号、代号通用部分3一般规定
3.1本标准规定的图形符号及代号涉及整个油脂生产线的各个环节。3.2本标准规定的图形符号在工艺流程图中应用时,可根据实际需要适当缩小或放大。3.3本标准规定的图形,允许反方向绘制。3.4图形符号的图线,执行GB4457.4的有关规定。3.5本标准及GB12529.1均未规定的符号、代号,按有关的国家标准或专业标准执行;国家标准及专业标准未作规定时,可遵循简单明了、反映实物主要特征的原则,自行绘制。3.6油脂工业用管路管件等的图形符号,除本标准规定者外,执行GB6567.1~6567.5的有关规定。油脂工业图形符号、代号的分类4
剥壳分离破碎:Y101~Y114;
轧胚蒸炒:Y201~Y207;
榨油:Y301~Y305;
棕油:Y401~Y410;
浸出:Y501~Y525;
精炼:Y601~Y636;
其他:Y701~Y702;
管路管件:Y801Y828
国家技术监督局1990-12-07批准68
1991-09-01实施
i.代号:Y901~Y932。
5图形符号、代号
图形符号及代号
GB 12529.4
中、英文名称
圆简打筛
hull beater
多联打筛
multiple hull beater
吸风平筛
aspirated plansifter
水洗机
washing machine
胶辊磨泥机
rubber roll soil bit
图形符号及代号
GB12529.4—90
中、英文名称
离心打泥机
centrifugal soil bit
impactor
圆盘剥壳机
disc huler
刀板剥壳机
bar nuller
离心剥壳机
centrifugal decorticator
刀笼剥壳机
bar-cage decorticator
图形符号及代号
GB 12529.4—90
中、英文名称
籽壳分离机
hull and seed aspirator
对辊齿辊破碎机
toothed cracking roll
(one pair)
双对辊齿辊破碎机
toothed cracking roll
(two pairs)
锤式破碎机
hammer cracker
对辊轧胚机
flaking roll
图形符号及代号
GB 12529.4--90
中、英文名称
双对辑轧胚机
two pair flaking roll
三辑轧胚机
triple flaking roll
软化锅
conditioner
立式蒸炒锅(有边夹
vertical stack cooker
(with jacket)
立式蒸炒锅(无边夹
vertical stack cooker
(without jacket)
图形符号及代号
GB 12529. 4m~ 90
中、英文名称
平底炒锅
flat bottom cookerWww.bzxZ.net
液压榨油机
hydraulic press
小型螺旋榨油机
minitype serew press
螺旋榨油机
serew press
刮板澄油箱
Clarifying tank
图形符号及代号
GB 12529.490
中、英文名称
振动式油渣分离器
vibratory oil
residue
separator
立式油棕果房杀酵罐
vertical sterilizer
卧式油棕果房杀酵罐
horizontal sterilizer
棕果脱果机
thresher
棕果捣碎
crasher
图形符号及代号
GB 12529. 4 --- 90
中、英文名称
棕油离心机
palm oil centrifuge
核渣分离筛
paim nut screen
核渣分离机
palm nut separator
棕核壳仁分级圆筛
husk kernel reel
转子式棕核壳仁泥水
分离机
rotor type husk kernel
separator
图形符号及代号
GB 12529.4—90
中、英文名称
刮板式棕核壳仁泥水
分离机
chain conveying
husk kernel separator
浸出罐
batch extractor
平转浸出器
rotary exiractor
履带浸出器
beit type extractor
环形浸出器
loop type extractor
图形符号及代号
GB 12529.4 -90
中、英文名称
封闭绞龙
sealed auger
卧式蒸烘机
horizontal desolventiz-
立式蒸烘机
vertical desolventizer
DT蒸烘机
DT desolventizer
toaster
高料层蒸脱机
deep bed desolventizer-
toaster
图形符号及代号
GB 12529.4--90
中、英文名称
长管蒸发器
raising film evapora
long tube evaporator
汽液分离器
vapor separator
管式汽提塔
tubular stripping
column
层碟式汽提塔
disc stripping column
立式列管冷凝器
vertical pipe bundle
condenser
图形符号及代号
GB 12529.490
中、英文名称
卧式列管冷凝器
horizontal pipe bundle
condenser
喷淋式冷凝器
spraying condenser
大气冷凝器
atmospheric condenser
分水器
solvent separator
旋液分离器
liquid cyclone
小提示:此标准内容仅展示完整标准里的部分截取内容,若需要完整标准请到上方自行免费下载完整标准文档。
标准图片预览:





- 热门标准
- 国家标准(GB)
- GB/T2828.1-2012 计数抽样检验程序 第1部分:按接收质量限(AQL)检索的逐批检验抽样计划
- GB/T29863-2023 服装制图
- GB/T228.1-2021 金属材料 拉伸试验 第1部分:室温试验方法
- GB50367-2013 混凝土结构加固设计规范
- GB5009.225-2023 食品安全国家标准 酒和食用酒精中乙醇浓度的测定
- GB/T18204.4-2000 公共场所毛巾、床上卧具微生物检验方法细菌总数测定
- GB/T23892.3-2009 滑动轴承 稳态条件下流体动压可倾瓦块止推轴承 第3部分:可倾瓦块止推轴承计算的许用值
- GB/T9145-2003 普通螺纹 中等精度、优选系列的极限尺寸
- GB/T11839-1989 二氧化铀芯块中硼的测定 姜黄素萃取光度法
- GB50209-2002 建筑地面工程施工质量验收规范
- GB/T7433-1987 对称电缆载波通信系统抗无线电广播和通信干扰的指标
- GB/T12053-1989 光学识别用字母数字字符集 第一部分:OCR-A字符集印刷图象的形状和尺寸
- GB5725-2009 安全网
- GB/T9239-1988 刚性转子平衡品质 许用不平衡的确定
- GB/T15917.3-1995 金属镝及氧化镝化学分析方法 对氯苯基荧光酮--溴化十六烷基三甲基胺分光光度法测定钽量
- 行业新闻
请牢记:“bzxz.net”即是“标准下载”四个汉字汉语拼音首字母与国际顶级域名“.net”的组合。 ©2025 标准下载网 www.bzxz.net 本站邮件:bzxznet@163.com
网站备案号:湘ICP备2025141790号-2
网站备案号:湘ICP备2025141790号-2