- 您的位置:
- 标准下载网 >>
- 标准分类 >>
- 国家标准(GB) >>
- GB/T 12147-1989 锅炉用水和冷却水分析方法 纯水电导率的测定
标准号:
GB/T 12147-1989
标准名称:
锅炉用水和冷却水分析方法 纯水电导率的测定
标准类别:
国家标准(GB)
标准状态:
已作废-
发布日期:
1989-01-02 -
实施日期:
1990-01-01 -
作废日期:
2008-09-01 出版语种:
简体中文下载格式:
.rar.pdf下载大小:
227.68 KB
标准ICS号:
能源和热传导工程>>燃烧器、锅炉>>27.060.30锅炉和热交换器中标分类号:
机械>>活塞式内燃机与其他动力设备>>J98锅炉及其辅助设备
替代情况:
被GB/T 6908-2008代替
部分标准内容:
中华人民共和国国家标准
锅炉用水和冷却水分析方法
纯水电导率的测定
Anaiysis of water used In boiler andcooling system--Determi nati on of electricalconductt vity of pure water
主题内容与适用范围
GB 12147-—89
本标准规定了锅炉给水、除盐水、蒸汽、凝结水、试剂水等纯水电导率的测定方法。本标准适用于锅炉用水分析,电导率小于31S/cm的水样电导率测定。2引用标准
GB6903锅炉用水和冷却水分析方法通则GB6907锅炉用水和冷却水分析方祛水样的采集方法3方法概要
纯水电导率是用电导池测定纯水的电来确定的,电导率与电阻的关系为X=L*K
式中:X-电导率,μs/cm,
L电导,胜S,
K—电导池常数,cm1
电阻,
纯水电导率值与水中离子种类、含量、水样温度及水样在电导池中的流速有关。在一定瀛度和
0.05m/s恒定流速下,测试水样的电导率可确定水的纯净程度。为了避免环境的污染,采用封闭流通式电导池和严格的清洗措施,在测试中还要注意消除电极和电路产生的电容对电导率测定的影响。本标准包括精密测量(A法)和普通测量(B法)两种方法。4试剂
4.1试剂水:本祛使用I级试剂水,并便之在空气中电导率值稳定后使用。4.2氯化钾(优级纯)在105℃干燥2h备用。4.3氯化钾标准溶液A:将0.7440g氯化钾(空气中称量)溶于试剂水中,在20±2C稀释至1L。氯化钾标准溶液B:在20±2C将100mL标准溶液A稀释至1L,毒
4.5氯化钾标准溶液C:在20±2℃将10mL标准溶液A稀释至1L。4.6氯化钾标准溶液D:在20±2℃将10mL标准溶液B稀释至1L1.7氯化钾标准溶液E:在20土2℃将100mL标准溶液D稀释至11其中DE标准溶液用于精密测量。注:每标准燃化钾溶液的电学率值在表1中列出,包括20C链升氯化钾溶被中戴化钾重量(在空气中机对黄国家技术监警局1989-12-29批准776
示供舍:
多节出美
1990-11-01实施
GE 12147—89
重量)的校正。假定氟化钾密度为1.98毫多/mL,黄铜密度为8.4g/mL,空气密度为0.00118%/mL,在20C0.010mol/L氯化钾密度为0.99871g/mL,其值是由国际制定表数据内插而来。配制好的标准溶液用聚苯乙烯或煮洗过的硬质玻璃容器隔绝空气低温存。表1标准氯化钾电导率值
标准溶液
制备方法
20T称0.7440gKC1配成1L溶液
取100mLA稀释至1L
取10mLA稀释至1L
取10 m L,B稀释至 1 L
取100mLD稀释至1L
温度,℃
电导率,μs/cm
1. 4985 × 10 - 1
注:表中来考虑制备溶液的水的电导率,表列电导率值以国际单位制表示,使用测盘仪以绝对单位制校核时,用0.999505乘以表列值。
5仪器
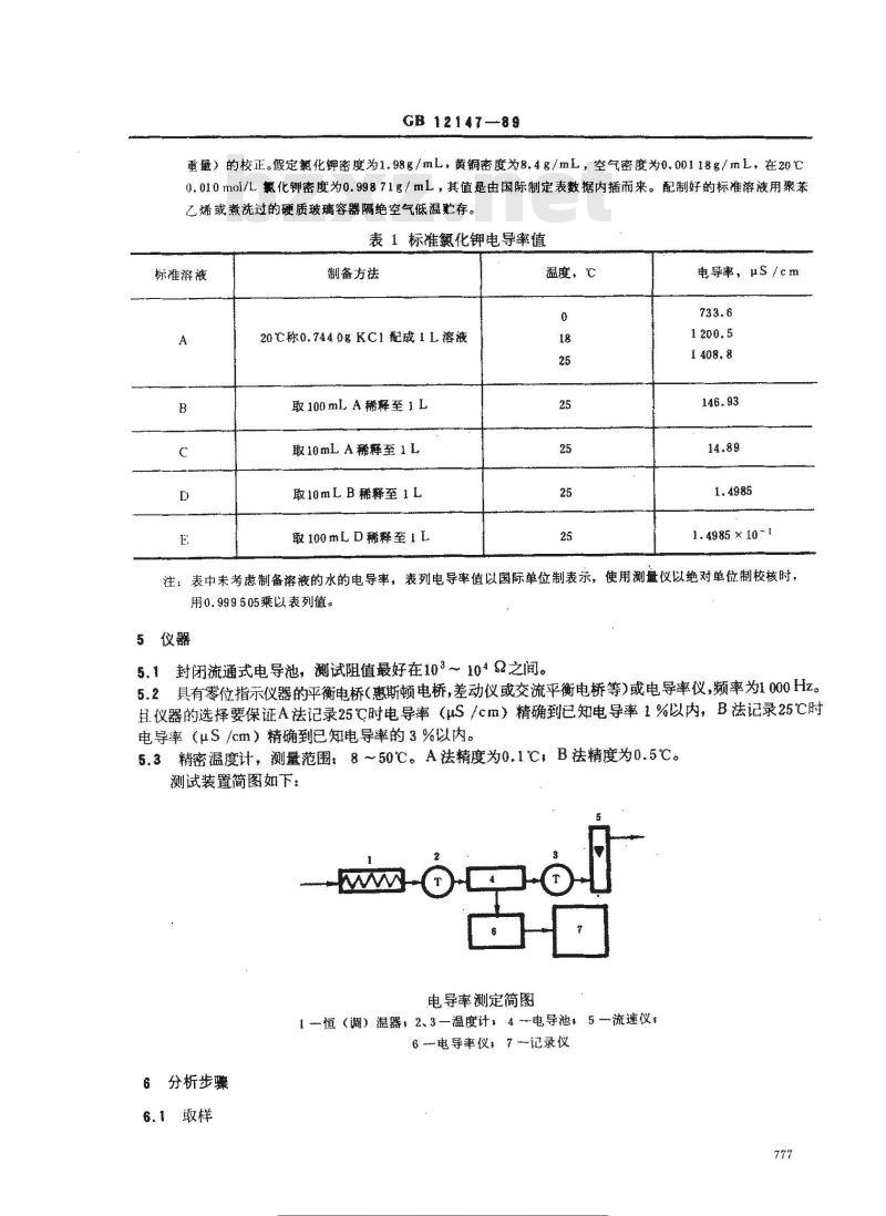
5.1封闭流通式电导池,潮试阻值最好在1031042之间。5.2具有零位指示仪器的平衡电桥(惠斯顿电桥,差动仪或交流平衡电桥等)或电导率仪,频率为1000Hz。且仪器的选择要保证A法记录25C时电导率(uS/cm)精确到已知电导率1%以内,B法记录25℃时电导率(uS/cm)精确到已知电导率的3%以内。5.3精密激度计,测量范围:8~50℃。A法精度为0.1C,B法精度为0.5℃。测试装置简图如下:
电导率测定简图
1盘()温器:23—温度计,4电导池5流速仪6 导率仅,?记录仪
分析步骤
6.1取样
标准搜零肉
际行带需
GB12147--89
6.1.1需要收集水样时,按GB6907水样的采集方法进行。6.1.2要严格避免水样暴露空气,特别是不能立即测试时,要保持水样不致获得或失去溶解的气体。6.1.3贮存样品容器的处理。为完成可靠的水样分析,容器预处理可采用将样瓶内一半充以1.5uS/cm左右的水,塞上塞子,摇动,将水倒去。如此重复三次。然后将采样容器全部充满水,塞上塞子,浸泡12h。重复冲洗和充水,再浸泡12h。这样样品瓶就可以认为已经洁净,可供采样用。采样前,连瓶带塞用水样再淋洗3次。常采取双份样品,用一份分析,份备用。样品瓶应只用一次。6.2电极清洗
经常使用的电极至少半年用氯化钾标准溶液校正一次电导池常数,如电导池常数变化较大,就需对电导池和电极进行清洗。电导池和电极的清洗可遵照电导池制造厂的说明进行,也可用0.1%盐酸溶液浸泡后,用自来水充分冲洗,再用超纯水(0.1uS/cm以下)浸洗三次以上,然后装人流通池通样1min左右即可。电导池用后应用超纯水冲洗浸泡。6.3校核
6.3.1测量仪器应用标准交流电阻箱或厂方提供的标准电阻箱校准。校准方法按厂方规定或常规标准方法进行,并且在使用过程中要定期检查校准测量仪器,保证测量值的谁确性。要注意测量时消除线路或电极产生的电容的影响。
6.3.2电导池常数可用已知电导池常数的比电极或氯化钾标准溶液校准,在校准时要注意参比电极或氯化钾标准溶液规定的温度。而且在使用电导池过程中至少半年校核次电导池常数。6.4精密测量(A法)
当要求测量精密度和准确度比现场和普遵实验室方法高时,应用本方法测量水的电导率。6.4.1在25℃测量电导率,避免使用温度校正,以消除因此带来的误差。6.4.2为保证精密测量,使用电导池常数的误差在土1%以内。如果操作前未检查电导池常数,应由制造厂或在实验室重新检查测定。电导池常数是用电导池测定已知电导率的标准溶液的电导来确定。测定前,要用纯水冲洗若干次,然后用标准溶液冲洗三次以上,反复测量,直到测试误差不超过规定误差为止。所用标溶液应尽量接近实测水的电导率。
根据所测标准溶液的电导率值,按式(2)计算电导池常数:K10-8(X*+XKC1)/L
6.4.3在确定无腐蚀和污荣的条件下,调节电导池和被测水样的温度在25土0.1C,控制水样流速0.05m/s进行测量,测试时要避免电极吸附气泡。6.4.4根据试样电导率范围,选用合适的电导批常数的电导池进行测量。电导率范围与电导池常数的对应关系列于表2。
表2电导率变化范围与电导池带数电等率范围,us/cm
0.1以下
6.5普通测量(B法)—现场测量或普通实验室测量6.5.1电导池常数的测定同6.4.2。电导池常数,cm-1
6.5.2在确认无腐蚀和污染时,调整水样温度尽可能接近25℃,控制流速0.05m/s进行测量。如测试778
GB1214789
仪器具有温度补偿装置,则调至水样摄度值。如装有手动补偿装置,要注意使温度测试元件有充分时间与水样温度达到平衡。
6.5.3电导率的温度系数与水中溶解的电解质性质、组成、浓度及流速有关,在这些条件确定时,温度系数还随温度的不同而有明显改变。为了避免校正,可将水样和电导池温度保持在25土0.5℃进行测量。
6.5.4如无法实现25土0.5℃的测量条件,就必须确定温度系数,进行温度校正。校正方法要求测出试样电导率随温度变化的一系列数据,并作出温度系数α”随温度变化的标准曲线,然后按此曲线把恒定温度下测得水样电导率折算成25℃电导率值。温度控制在25土15℃范围内。如无条件作出校正曲线,可采用式(3)确定温度系数进行计算。25
式中:25
X强一X理
X样(25-t)
一相对于25℃时的电导率温度系数,X
——25C理论纯水的电导率值
X理-tC理论纯水的电导率值:
X样——C时测得水样的电导率值;1 温度。
式(3)也可作为仪器温度补偿公式,试样电导率越接近纯水时,此公式越准确。(3)
6.5,5对于带有温度补偿的仪器(自动或手动),要检查其温度补偿值是否符合6.5.4所述校正曲线或校正公式,如不符合则不能使用温度补偿。X理值和理论纯水的温度系数α2与温度t关系列于表3,供参考。
表3理论纯水电导率,温度系数与温度关系t,℃
X理,μS/cm
16.6×103
22.9 ×103免费标准下载网bzxz
41.8 ×103
55.0×103
α,%
6.5.6理论纯水电导率是根据下式(4)求得的。标低提
标化资数费下线
X'理,μS/cm
71.4 × 10-3
91.1×10-3
114.6×10-3
1 42.3 ×10~3
175.7 ×10-3
式中:M-物质的基浓度,
。-—极限摩尔电导。
7计算
7.1水样电导率按式(5)计算:符号意义及单位同式(1)。
7.2水样电导按式(6)计算:
符号意义及单位同式(1)
GB12147—89
X = 10-3M 1
X样=L样·K
(6)
7.3需要进行温度校正的水样电导率的计算,先按6.5.4得到温度系数α2值,然后按式(7)折算成25℃时电导率值。
X群-X样[1+a25(25-t)
符号意义及单位同式(1)。
附加说明:
本标准由中华人民共和国水利电力部提出。本标准由水利电力部西安热工研究所技术归口。本标准由东北电力学院负贵起草。本标准主要起草人李长久。
正代活装
小提示:此标准内容仅展示完整标准里的部分截取内容,若需要完整标准请到上方自行免费下载完整标准文档。
锅炉用水和冷却水分析方法
纯水电导率的测定
Anaiysis of water used In boiler andcooling system--Determi nati on of electricalconductt vity of pure water
主题内容与适用范围
GB 12147-—89
本标准规定了锅炉给水、除盐水、蒸汽、凝结水、试剂水等纯水电导率的测定方法。本标准适用于锅炉用水分析,电导率小于31S/cm的水样电导率测定。2引用标准
GB6903锅炉用水和冷却水分析方法通则GB6907锅炉用水和冷却水分析方祛水样的采集方法3方法概要
纯水电导率是用电导池测定纯水的电来确定的,电导率与电阻的关系为X=L*K
式中:X-电导率,μs/cm,
L电导,胜S,
K—电导池常数,cm1
电阻,
纯水电导率值与水中离子种类、含量、水样温度及水样在电导池中的流速有关。在一定瀛度和
0.05m/s恒定流速下,测试水样的电导率可确定水的纯净程度。为了避免环境的污染,采用封闭流通式电导池和严格的清洗措施,在测试中还要注意消除电极和电路产生的电容对电导率测定的影响。本标准包括精密测量(A法)和普通测量(B法)两种方法。4试剂
4.1试剂水:本祛使用I级试剂水,并便之在空气中电导率值稳定后使用。4.2氯化钾(优级纯)在105℃干燥2h备用。4.3氯化钾标准溶液A:将0.7440g氯化钾(空气中称量)溶于试剂水中,在20±2C稀释至1L。氯化钾标准溶液B:在20±2C将100mL标准溶液A稀释至1L,毒
4.5氯化钾标准溶液C:在20±2℃将10mL标准溶液A稀释至1L。4.6氯化钾标准溶液D:在20±2℃将10mL标准溶液B稀释至1L1.7氯化钾标准溶液E:在20土2℃将100mL标准溶液D稀释至11其中DE标准溶液用于精密测量。注:每标准燃化钾溶液的电学率值在表1中列出,包括20C链升氯化钾溶被中戴化钾重量(在空气中机对黄国家技术监警局1989-12-29批准776
示供舍:
多节出美
1990-11-01实施
GE 12147—89
重量)的校正。假定氟化钾密度为1.98毫多/mL,黄铜密度为8.4g/mL,空气密度为0.00118%/mL,在20C0.010mol/L氯化钾密度为0.99871g/mL,其值是由国际制定表数据内插而来。配制好的标准溶液用聚苯乙烯或煮洗过的硬质玻璃容器隔绝空气低温存。表1标准氯化钾电导率值
标准溶液
制备方法
20T称0.7440gKC1配成1L溶液
取100mLA稀释至1L
取10mLA稀释至1L
取10 m L,B稀释至 1 L
取100mLD稀释至1L
温度,℃
电导率,μs/cm
1. 4985 × 10 - 1
注:表中来考虑制备溶液的水的电导率,表列电导率值以国际单位制表示,使用测盘仪以绝对单位制校核时,用0.999505乘以表列值。
5仪器
5.1封闭流通式电导池,潮试阻值最好在1031042之间。5.2具有零位指示仪器的平衡电桥(惠斯顿电桥,差动仪或交流平衡电桥等)或电导率仪,频率为1000Hz。且仪器的选择要保证A法记录25C时电导率(uS/cm)精确到已知电导率1%以内,B法记录25℃时电导率(uS/cm)精确到已知电导率的3%以内。5.3精密激度计,测量范围:8~50℃。A法精度为0.1C,B法精度为0.5℃。测试装置简图如下:
电导率测定简图
1盘()温器:23—温度计,4电导池5流速仪6 导率仅,?记录仪
分析步骤
6.1取样
标准搜零肉
际行带需
GB12147--89
6.1.1需要收集水样时,按GB6907水样的采集方法进行。6.1.2要严格避免水样暴露空气,特别是不能立即测试时,要保持水样不致获得或失去溶解的气体。6.1.3贮存样品容器的处理。为完成可靠的水样分析,容器预处理可采用将样瓶内一半充以1.5uS/cm左右的水,塞上塞子,摇动,将水倒去。如此重复三次。然后将采样容器全部充满水,塞上塞子,浸泡12h。重复冲洗和充水,再浸泡12h。这样样品瓶就可以认为已经洁净,可供采样用。采样前,连瓶带塞用水样再淋洗3次。常采取双份样品,用一份分析,份备用。样品瓶应只用一次。6.2电极清洗
经常使用的电极至少半年用氯化钾标准溶液校正一次电导池常数,如电导池常数变化较大,就需对电导池和电极进行清洗。电导池和电极的清洗可遵照电导池制造厂的说明进行,也可用0.1%盐酸溶液浸泡后,用自来水充分冲洗,再用超纯水(0.1uS/cm以下)浸洗三次以上,然后装人流通池通样1min左右即可。电导池用后应用超纯水冲洗浸泡。6.3校核
6.3.1测量仪器应用标准交流电阻箱或厂方提供的标准电阻箱校准。校准方法按厂方规定或常规标准方法进行,并且在使用过程中要定期检查校准测量仪器,保证测量值的谁确性。要注意测量时消除线路或电极产生的电容的影响。
6.3.2电导池常数可用已知电导池常数的比电极或氯化钾标准溶液校准,在校准时要注意参比电极或氯化钾标准溶液规定的温度。而且在使用电导池过程中至少半年校核次电导池常数。6.4精密测量(A法)
当要求测量精密度和准确度比现场和普遵实验室方法高时,应用本方法测量水的电导率。6.4.1在25℃测量电导率,避免使用温度校正,以消除因此带来的误差。6.4.2为保证精密测量,使用电导池常数的误差在土1%以内。如果操作前未检查电导池常数,应由制造厂或在实验室重新检查测定。电导池常数是用电导池测定已知电导率的标准溶液的电导来确定。测定前,要用纯水冲洗若干次,然后用标准溶液冲洗三次以上,反复测量,直到测试误差不超过规定误差为止。所用标溶液应尽量接近实测水的电导率。
根据所测标准溶液的电导率值,按式(2)计算电导池常数:K10-8(X*+XKC1)/L
6.4.3在确定无腐蚀和污荣的条件下,调节电导池和被测水样的温度在25土0.1C,控制水样流速0.05m/s进行测量,测试时要避免电极吸附气泡。6.4.4根据试样电导率范围,选用合适的电导批常数的电导池进行测量。电导率范围与电导池常数的对应关系列于表2。
表2电导率变化范围与电导池带数电等率范围,us/cm
0.1以下
6.5普通测量(B法)—现场测量或普通实验室测量6.5.1电导池常数的测定同6.4.2。电导池常数,cm-1
6.5.2在确认无腐蚀和污染时,调整水样温度尽可能接近25℃,控制流速0.05m/s进行测量。如测试778
GB1214789
仪器具有温度补偿装置,则调至水样摄度值。如装有手动补偿装置,要注意使温度测试元件有充分时间与水样温度达到平衡。
6.5.3电导率的温度系数与水中溶解的电解质性质、组成、浓度及流速有关,在这些条件确定时,温度系数还随温度的不同而有明显改变。为了避免校正,可将水样和电导池温度保持在25土0.5℃进行测量。
6.5.4如无法实现25土0.5℃的测量条件,就必须确定温度系数,进行温度校正。校正方法要求测出试样电导率随温度变化的一系列数据,并作出温度系数α”随温度变化的标准曲线,然后按此曲线把恒定温度下测得水样电导率折算成25℃电导率值。温度控制在25土15℃范围内。如无条件作出校正曲线,可采用式(3)确定温度系数进行计算。25
式中:25
X强一X理
X样(25-t)
一相对于25℃时的电导率温度系数,X
——25C理论纯水的电导率值
X理-tC理论纯水的电导率值:
X样——C时测得水样的电导率值;1 温度。
式(3)也可作为仪器温度补偿公式,试样电导率越接近纯水时,此公式越准确。(3)
6.5,5对于带有温度补偿的仪器(自动或手动),要检查其温度补偿值是否符合6.5.4所述校正曲线或校正公式,如不符合则不能使用温度补偿。X理值和理论纯水的温度系数α2与温度t关系列于表3,供参考。
表3理论纯水电导率,温度系数与温度关系t,℃
X理,μS/cm
16.6×103
22.9 ×103免费标准下载网bzxz
41.8 ×103
55.0×103
α,%
6.5.6理论纯水电导率是根据下式(4)求得的。标低提
标化资数费下线
X'理,μS/cm
71.4 × 10-3
91.1×10-3
114.6×10-3
1 42.3 ×10~3
175.7 ×10-3
式中:M-物质的基浓度,
。-—极限摩尔电导。
7计算
7.1水样电导率按式(5)计算:符号意义及单位同式(1)。
7.2水样电导按式(6)计算:
符号意义及单位同式(1)
GB12147—89
X = 10-3M 1
X样=L样·K
(6)
7.3需要进行温度校正的水样电导率的计算,先按6.5.4得到温度系数α2值,然后按式(7)折算成25℃时电导率值。
X群-X样[1+a25(25-t)
符号意义及单位同式(1)。
附加说明:
本标准由中华人民共和国水利电力部提出。本标准由水利电力部西安热工研究所技术归口。本标准由东北电力学院负贵起草。本标准主要起草人李长久。
正代活装
小提示:此标准内容仅展示完整标准里的部分截取内容,若需要完整标准请到上方自行免费下载完整标准文档。
标准图片预览:





- 热门标准
- 国家标准(GB)
- GB/T2828.1-2012 计数抽样检验程序 第1部分:按接收质量限(AQL)检索的逐批检验抽样计划
- GB/T228.1-2021 金属材料 拉伸试验 第1部分:室温试验方法
- GB50367-2013 混凝土结构加固设计规范
- GB/T18204.4-2000 公共场所毛巾、床上卧具微生物检验方法细菌总数测定
- GB/T12053-1989 光学识别用字母数字字符集 第一部分:OCR-A字符集印刷图象的形状和尺寸
- GB/T23892.3-2009 滑动轴承 稳态条件下流体动压可倾瓦块止推轴承 第3部分:可倾瓦块止推轴承计算的许用值
- GB/T9145-2003 普通螺纹 中等精度、优选系列的极限尺寸
- GB/T11839-1989 二氧化铀芯块中硼的测定 姜黄素萃取光度法
- GB50209-2002 建筑地面工程施工质量验收规范
- GB/T6122.1-2002 圆角铣刀 第1部分:型式和尺寸
- GB/T7433-1987 对称电缆载波通信系统抗无线电广播和通信干扰的指标
- GB5725-2009 安全网
- GB13851-2022 内河交通安全标志
- GB/T9239-1988 刚性转子平衡品质 许用不平衡的确定
- GB/T15917.3-1995 金属镝及氧化镝化学分析方法 对氯苯基荧光酮--溴化十六烷基三甲基胺分光光度法测定钽量
- 行业新闻
请牢记:“bzxz.net”即是“标准下载”四个汉字汉语拼音首字母与国际顶级域名“.net”的组合。 ©2025 标准下载网 www.bzxz.net 本站邮件:bzxznet@163.com
网站备案号:湘ICP备2025141790号-2
网站备案号:湘ICP备2025141790号-2