- 您的位置:
- 标准下载网 >>
- 标准分类 >>
- 农业行业标准(NY) >>
- NY/T 494-2002 魔芋粉
标准号:
NY/T 494-2002
标准名称:
魔芋粉
标准类别:
农业行业标准(NY)
标准状态:
现行-
发布日期:
2002-01-04 -
实施日期:
2002-02-01 出版语种:
简体中文下载格式:
.rar.pdf下载大小:
236.53 KB
中标分类号:
食品>>食品加工与制品>>X11粮食加工与制品
起草人:
刘佩瑛、张盛林、朱国华、陈燕、欧阳华学、韩梅、王中凤、熊伟、鼓洪颐起草单位:
西南农业大学、农业部食品质量监督检验测试中心(成都)等提出单位:
中华人民共和国农业部发布部门:
中华人民共和国农业部相关标签:
魔芋
点击下载
标准简介:
标准下载解压密码:www.bzxz.net
本标准规定了魔芋粉(又称魔芋胶)的产品定义、分类、要求、试验方法、检验规则、标志标签及包装、运输、贮存。本标准适用于食用及医药用原料的魔芋粉产品。 NY/T 494-2002 魔芋粉 NY/T494-2002
部分标准内容:
中华人民共和国农业行业标准
NY/T494--2002
Konjac flour
2002-01-04发布
2002-02-01实施
中华人民共和国农业部发布
本标准的表2的部分指标强制。
本标准的附录A是规范性附录。
本标雄由中华人民共和国农业部出。前言
NY/T 494—2002
本标准起草单位:西南农业大学、农业部食品质量监督检验测试中心(成都)四川省产品质量监督捡验所、成都市圣特蒙魔芋微粉有限责任公司、四川省安县都乐魔制品厂。本标准起草人:刘佩瑛、张盛林、朱国华、陈燕、欧阳华学、韩梅、王中凤、熊伟、鼓洪颐。本标准为首次发布。
NY/T 494-2002
自20世纪80年代中期我国魔芋产业形成以来,魔芋粉产量逐年增加,约60%的产品销往欧美、日本、东南亚等国家和地区。虽然我国已先后发布了魔芋精粉的地方标准和国家标准,但由于魔芋粉的发展已由过去单一的魔芋精粉发展到普通魔芋微粉、纯化魔芋精粉、纯化魔芋微粉等多种品种,尤其是纯化魔芋精粉和纯化魔芋微粉有逐年增加的趋势。为了比较全面地统一现有魔芋粉品种的产品质量标准特制定本标准。
目前国际上尚无统一的魔芋粉标准,本标准的主要技术内容和质量指标制定过程中,参考了许多国内外相关技术资料,并大量对各类魔粉取样检测,其质量指标的规定体现了我国现有水平,且多数产品能与国际接轨。
1范围
魔芋粉
NY/T 494—2002
本标准规定了魔芋粉(又称魔芋胶)的产品定义、分类、要求、试验方法、检验规则、标志标签及包装、运输、贮存。
本标准适用于食用及医药用原料的魔芋粉产品。2规范性引用文件
下列文件中的条款通过本标准的引用而成为本标准的条款。凡是注日期的引用文件,其随后所有的修改单(不包括勘误的内容)或修订版均不适用于本标准,然而,鼓励根据本标准达成协议的各方研究是否可使用这些文件的最新叛本。凡是不注日期的引用文件,其最新版本适用于本标准。GB191包装储运图示标志
GB/T5009.3食品中水分的测定方法GB/T5009.4食品中灰分的测定方法GB/T5009.11食品中总神的测定方法GB/T5009.12食品中铅的测定方法GB/T5009.34食品中亚硫酸盐的测定方法GB/T5508粮食、油料检验粉类含砂量测定法GB 7718食品标签通用标准
3术语和定义
下列术语和定义适用于本标准。3.1
蓄通虎芋精粉 common konjac fine flour用魔芋片(条、角)经物理干法或鲜魔芋经食用酒精湿法加工初步去掉淀粉等杂质制得的粒度在0.125mm~0.335mm的颗粒占90%以上的魔芋粉。3.2
普通魔芋微粉commonkonjacparticulateflour用魔芋片(条、角)经物理干法或鲜魔芋经食用酒精湿法加工初步去掉淀粉等杂质制得的粒度≤0.125mm的颗粒占90%以上的魔芋粉。3.3
纯化魔芋精粉Purified konjac fine flour用鲜魔芋经食用酒精湿法加工或用芋精粉经食用酒精提纯到葡甘聚糖含量在85%以上,粒度在0.125mm~0.335mm的颗粒占90%以上的魔芋粉。3.4
纯化魔芋微粉 Purified konjac particulate flour用鲜魔芋经食用酒精湿法加工或用魔芋精粉经食用酒精提纯到葡甘聚糖含量在85%以上,粒度≤0.125mm的颗粒占90%以上的魔芋粉。333
NY/T 494--2002
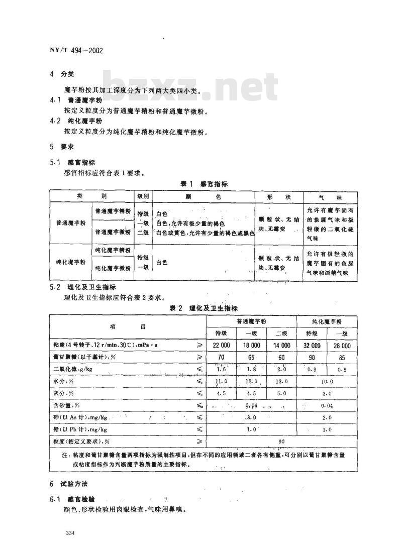
4分类
魔芋粉按其加工深度分为下列两大类四小类。4. 1普通魔芋粉
按定义粒度分为普通魔芋精粉和普通魔芋微粉。4.2纯化魔芋粉
按定义粒度分为纯化魔芋精粉和纯化魔芋微粉。5要求
5.1感官指标
感官指标应符合表1要求。
普通魔芋粉
纯化广芋粉
普通优芋精粉
普通魔芋微粉
纯化魔芋糖粉
纯化康芋微粉
5.2理化及卫生指标
感官指标
百色,允许有极少量的褐色
白色或黄色,允许有少量的褐色或黑色白色
理化及卫生指标应符合表2要求。表 2 理化及卫生指标
粘度(4号转子、12 r/min.30 C),mPa·葡甘兼糖(以干基计),%
二氧化硫,g/kg
水分,%
灰分,%
含砂量,%
(以As 计),rmg/kg
铅(以 Pb计),mg/kg
粒度(按定义要求),%
22 000
赚粒状、无缩
块、无需变
颗粒状、无结
块、无赛变
普通魔芋粉
14 000
允许有魔芋固有
的鱼腿气味和极
轻微的二氧化硫
允许有极轻徽的
魔芋固有的鱼腿
气味和酒精气味
纯化魔芋粉
注:粘度和葡甘糖含量两项指标为强制性项目,但在不间的应用领域二者各有侧重,可分别以葡甘聚糖含量或粘魔指标作为判断魔芋粉质量的主要指标。6试验方法
6.1感官检验
颜色、形状检验用肉眼检查,气味用鼻膜。334
6.2理化及卫生指标检验
6.2.1粘度
6.2.1.1仪器及用具
NY/T 494--2002
NDJ-1型或NDJ-5S型旋转粘度计、恒温水浴槽、感量0.01 g天平、500 mL烧杯、直流调速翼形搅拌器等。
6.2.1.2测定步骤
量取495mL30C的蒸馏水或去离子水注人500mL烧杯中。然后将烧杯放入(30士1)℃恒温水浴槽恒温,将直流调速翼形搅拌器放入烧杯中,调整好位置,开启搅拌,调整转速在150r/min。用感量为0.01g的天平称取5.00g待测样品,缓缓加入烧杯中。普通魔芋精粉和纯化魔芋精粉恒温连续搅拌1h(普通魔芋微粉和纯化魔芋微粉恒温连续搅拌10min)后,停止搅拌,取出烧杯,马上用4号转子以转速12r /min进行第一次粘度测定。测定完后将烧杯又放入30℃士1C恒温水浴槽慎温搅拌。普通魔芋精粉和纯化魔芋精粉每间隔0.5h重复测定一次(普通广芋微粉和纯化魔芋微粉每间开10min重复测定-次)。重复测定直至粘度计读数达到最大值并明显开始下降为止:.每次测定时应连续读取三个测定值,并计算平均值,以最大平均值计算粘度。6.2.1.3结果计算
样品中的粘度n按式(1)计算:
式中:
n—样品粘度,单位为毫帕斯卡·秒(mPa·s);K
系数(当采用.4,号转子12r/min时,K=500),9—旋转粘度计指针读数最大平均值。重复测定允许差不超过250mPa·s。6. 2. 2葡甘聚糖含量的测定
按附录A(规范性附录)操作。
6.2.3二氧化硫的测庭。:!
按GB/T5009.34蒸馏法操作。
6.2.4水分按GB/T5009.3规定方法操作。6.2.5灰分按GB/T5009.4规定方法操作。6.2.6含砂量按GB/T5508规定方法操作。6.2.7砷按GB/T5009.11规定方法操作。6.2.8铅按GB/T5009.12规定方法操作。6.2.9粒度检验
称取50g混合均匀的待检样品(称准至0.01g),置于按定义要求孔径的分样筛内,盖上分样筛盖并卡紧,连续筛分10min后,分别称量各级样品质量,并计算其所占样品的百分含量,通过该目数分样筛的粒度百分数为按式(2)计算:粒度含量(%)
式中:
m×100
m)—符合各级分样筛要求的样品质量,单位为克();m-—样品的质量,单位为克(g)。重复测定允许差不超过0.5%。
(2)
NY/T 494—2002
7检验规则bzxZ.net
7.1组批
由同一种原料,同一班次生产的同一规格的产品为-批。7.2抽样
每批产品随机抽取样品1000g,经缩分至500g,取250g为检验样、余下250g为备查样。7.3出厂检验
出厂检验项目为:感官、粘度、二氧化硫、水分、粒度。7.4型式检验
7.4.1型式检验正常生产情况下,每半年一次。发生下列任一情况亦应进行:a)更改关键工艺,
b)长期停产后恢复生产;
c)国家质量监督机构提出进行型式检验要求。7.4.2型式检验项目
型式检验项目包括本标准要求中的全部项目。7.5判定规则
7.5.1在出厂检验结果中,感官、水分、粘度、二氧化硫、粒度等项目有不符合本标准时,应重新自同批产品中按两倍量抽取样本,对不合格项目进行复检。复检结果若仍有一项不合格,则判该批产品为不合格品,可判定降级。
7.5.2型式检验中,有任何一项不符合本标准要求时,则判该批产品为不合格品。8标志、标签
8.1产品标签上应按GB7718的有关规定标注:产品名称、类别、等级、净含量、生产企业(或销售企业)名称和地址,生产日期、保质期和产品标准代号。8.2产品外包装袋上应标明产品名称、类别、生产企业名称、地址、净含量及等级。8.3贮运图示的标志应符合GB191的有关规定。9包装、运输及贮存
9.1包装
9.1.1产品内层包装用臻乙烯薄膜袋,外包装采用编织袋、纸箱或复合袋;包装材料应符合相应卫生标准要求。
9.1.2包装规格分为25kg/袋(箱)、20kg/袋(箱)。净含量偏差为士0.4%。9.2运输
9.2.1产品在运输、装卸时应小轻放,严禁撞击、挤压和日陋雨淋。:9.2.2运输工具应清洁、卫生,不得与有毒、有害、有腐蚀性和易挥发有鼻味的物质混装混运。9. 3贮存
9.3.1产品应贮存在干爆、防潮、避光的库房中。最适宜的贮存温度为25℃以下,相对湿度低于65%。9.3.2产品不得与有毒、有害、有腐蚀性和易挥发、有异味的物质同库贮存。9.3.3普通魔芋粉保质期不低于1年,纯化魔芋粉保质期末低于2年:336
A.1原理
附录A
(规范的附录)
魔芋粉中葡甘聚糖含量测定
NY/T494--2002
广芋葡甘聚糖经酸水解后生成D-甘露糖和D-葡药糖两种还原糖,3,5-二硝基水杨酸与还原糖在碱性介质中共沸后被还原成棕红色的氨基化合物,在一定范围内,还原糖的量同反应液的颜色强度垦正比例关系,利用分光光度法可测知样品中魔芋甘聚糖的含量。A.2仪器
分光光度计、电磁搅拌器、4000r/min以上离心机、分析天平、恒温水浴锅、容量瓶(100mL,25 ml)刻度吸管(5 mL,2 ml)。
A.3试剂
A.3.1显色剂:3,5-二硝基水杨酸溶液。甲液:溶解6.9g结晶的重蒸馏的苯酚于15.2mL10%氢氧化钠溶液中,并稀粹至69mL,在此溶液中加人6.9亚硫酸氢钠。
乙液:称取225g酒石酸钾钠,加人到300mL10%氢氧化钠溶液中,再加入880mL1%3,5-二硝基水杨酸溶液。
将甲液与乙液混合,贮于棕色试剂瓶中。在室温下,放置7~10天以后使用。A.3.2硫酸溶液(3mol/L)。
A.3.3氢氧化钠溶液(6 mol/L)。A.3.40.1mol/L甲酸-氢氧化钠缓冲溶液:取1mL甲酸于250mL容量瓶中,加60mL蒸馏水,再称取0.25g氢氧化钠溶解后加人,定容至250mL。A.3.5葡萄糖标准溶液(1.0mg/mL)在分析天平上准确称取0.1000g分析纯葡糖(预先在105C干燥至恒重),溶于蒸馏水中,定容至100mL。A.4操作方法
A.4.1 葡葡糖标准曲线
依次移取0.4、0.8、1.2、1.6、2.0mL标准葡萄糖工作液、2.0mL蒸馏水于6个25mL容量瓶中,加蒸馏水补足至2mL,再在每个容量中加人1.5mL3,5-二硝基水杨酸试剂,摇匀后将6个容量瓶放在沸水浴中加热5min,立即冷却。用蒸馏水定容至刻度,摇匀。用1cm比色血在550nm处测其吸光度。以蒸馏水显色反应液做空白调零,记录不同浓度葡萄糖工作液的吸光度。以葡萄糖毫克数为横坐标(X),吸光度为纵坐标(Y),绘制标准工作曲线(或建立吸光度为Y、标准葡萄糖毫克数为X的回归方程)。
A.4.2魔芋葡甘聚糖测定
A.4.2.1魔芋葡甘聚糖提取液的制备:用于燥光滑的称量纸准确称取样品0.1900~0.2000g,加人盛有50ml甲酸-氢氧化钠缓冲液并处于电磁搅拌状态的100ml.容量瓶中,30C搅拌溶胀4h,或在室温下搅拌1~2h溶胀过夜,用甲酸-氢氧化钠缓冲液定容至100mL(先将空容量瓶用蒸馏水定容至刻度,再加人磁棒,标记液面升高的刻度作为样品溶液定容的刻度。搅拌均匀后在离心机上以4000r/min337
NY/T 494--2002
的转速离心20 min·此上清液即为魔芋葡甘聚糖提取液。A.4.2.2魔芋葡甘聚糖水解液的制备:准确移取5.0ml.魔芋葡甘聚糖提取液于25ml.容量瓶中(用洗耳球反复吹洗移液管,直至管内壁粘附的粘性样品溶液完全进人容量瓶),准确加人3mol/l.硫酸2.5ml.,摇匀,在沸水浴水中具塞密封水解1.5h,冷却。加人6mol/L氢氧化钠2.5mL,摇匀,加蒸馏水定容至25mL。
A.4.2.3魔芋葡甘聚糖的测定:分别移取以上制得的葡甘聚糖提取液、水解液和蒸馏水2.0mL于3个25ml.容量瓶中,分别加人1.5ml.3,5-二硝基水杨酸试剂,在沸水浴中加热5min,冷却后用蒸馏水定容至25mL,在分光光度计550nn处比色,以蒸馏水显色反应液做空白调零,测定水解液和提取液的吸光度值。在标准曲线上查出(或通过回归方程计算)吸光度所对应的葡萄糖毫克数。A.4.3结果计算
结果按式(A.1)计算:
ε(5T —T。) × 50
m X(1 - w)X1000 × 100..( A.. )魔芋粉中葡甘聚糖含量(以干基计)(%)式中:
e ---葡甘聚糖中葡萄糖和甘露糖残基分子量与其水解后生成的葡萄糖和甘露糖分子量之比 ε一0.9;T-一在标准曲线上查出的葡甘聚糖水解液葡萄糖毫克数,单位为毫克(mg);T。在标准曲线上查出的葡甘聚糖提取液葡药糖毫克数,单位为毫克(mg);m一魔芋粉样品质量,单位为克(g);一样品含水量,%。
重复测定允许差不超过5%。
小提示:此标准内容仅展示完整标准里的部分截取内容,若需要完整标准请到上方自行免费下载完整标准文档。
NY/T494--2002
Konjac flour
2002-01-04发布
2002-02-01实施
中华人民共和国农业部发布
本标准的表2的部分指标强制。
本标准的附录A是规范性附录。
本标雄由中华人民共和国农业部出。前言
NY/T 494—2002
本标准起草单位:西南农业大学、农业部食品质量监督检验测试中心(成都)四川省产品质量监督捡验所、成都市圣特蒙魔芋微粉有限责任公司、四川省安县都乐魔制品厂。本标准起草人:刘佩瑛、张盛林、朱国华、陈燕、欧阳华学、韩梅、王中凤、熊伟、鼓洪颐。本标准为首次发布。
NY/T 494-2002
自20世纪80年代中期我国魔芋产业形成以来,魔芋粉产量逐年增加,约60%的产品销往欧美、日本、东南亚等国家和地区。虽然我国已先后发布了魔芋精粉的地方标准和国家标准,但由于魔芋粉的发展已由过去单一的魔芋精粉发展到普通魔芋微粉、纯化魔芋精粉、纯化魔芋微粉等多种品种,尤其是纯化魔芋精粉和纯化魔芋微粉有逐年增加的趋势。为了比较全面地统一现有魔芋粉品种的产品质量标准特制定本标准。
目前国际上尚无统一的魔芋粉标准,本标准的主要技术内容和质量指标制定过程中,参考了许多国内外相关技术资料,并大量对各类魔粉取样检测,其质量指标的规定体现了我国现有水平,且多数产品能与国际接轨。
1范围
魔芋粉
NY/T 494—2002
本标准规定了魔芋粉(又称魔芋胶)的产品定义、分类、要求、试验方法、检验规则、标志标签及包装、运输、贮存。
本标准适用于食用及医药用原料的魔芋粉产品。2规范性引用文件
下列文件中的条款通过本标准的引用而成为本标准的条款。凡是注日期的引用文件,其随后所有的修改单(不包括勘误的内容)或修订版均不适用于本标准,然而,鼓励根据本标准达成协议的各方研究是否可使用这些文件的最新叛本。凡是不注日期的引用文件,其最新版本适用于本标准。GB191包装储运图示标志
GB/T5009.3食品中水分的测定方法GB/T5009.4食品中灰分的测定方法GB/T5009.11食品中总神的测定方法GB/T5009.12食品中铅的测定方法GB/T5009.34食品中亚硫酸盐的测定方法GB/T5508粮食、油料检验粉类含砂量测定法GB 7718食品标签通用标准
3术语和定义
下列术语和定义适用于本标准。3.1
蓄通虎芋精粉 common konjac fine flour用魔芋片(条、角)经物理干法或鲜魔芋经食用酒精湿法加工初步去掉淀粉等杂质制得的粒度在0.125mm~0.335mm的颗粒占90%以上的魔芋粉。3.2
普通魔芋微粉commonkonjacparticulateflour用魔芋片(条、角)经物理干法或鲜魔芋经食用酒精湿法加工初步去掉淀粉等杂质制得的粒度≤0.125mm的颗粒占90%以上的魔芋粉。3.3
纯化魔芋精粉Purified konjac fine flour用鲜魔芋经食用酒精湿法加工或用芋精粉经食用酒精提纯到葡甘聚糖含量在85%以上,粒度在0.125mm~0.335mm的颗粒占90%以上的魔芋粉。3.4
纯化魔芋微粉 Purified konjac particulate flour用鲜魔芋经食用酒精湿法加工或用魔芋精粉经食用酒精提纯到葡甘聚糖含量在85%以上,粒度≤0.125mm的颗粒占90%以上的魔芋粉。333
NY/T 494--2002
4分类
魔芋粉按其加工深度分为下列两大类四小类。4. 1普通魔芋粉
按定义粒度分为普通魔芋精粉和普通魔芋微粉。4.2纯化魔芋粉
按定义粒度分为纯化魔芋精粉和纯化魔芋微粉。5要求
5.1感官指标
感官指标应符合表1要求。
普通魔芋粉
纯化广芋粉
普通优芋精粉
普通魔芋微粉
纯化魔芋糖粉
纯化康芋微粉
5.2理化及卫生指标
感官指标
百色,允许有极少量的褐色
白色或黄色,允许有少量的褐色或黑色白色
理化及卫生指标应符合表2要求。表 2 理化及卫生指标
粘度(4号转子、12 r/min.30 C),mPa·葡甘兼糖(以干基计),%
二氧化硫,g/kg
水分,%
灰分,%
含砂量,%
(以As 计),rmg/kg
铅(以 Pb计),mg/kg
粒度(按定义要求),%
22 000
赚粒状、无缩
块、无需变
颗粒状、无结
块、无赛变
普通魔芋粉
14 000
允许有魔芋固有
的鱼腿气味和极
轻微的二氧化硫
允许有极轻徽的
魔芋固有的鱼腿
气味和酒精气味
纯化魔芋粉
注:粘度和葡甘糖含量两项指标为强制性项目,但在不间的应用领域二者各有侧重,可分别以葡甘聚糖含量或粘魔指标作为判断魔芋粉质量的主要指标。6试验方法
6.1感官检验
颜色、形状检验用肉眼检查,气味用鼻膜。334
6.2理化及卫生指标检验
6.2.1粘度
6.2.1.1仪器及用具
NY/T 494--2002
NDJ-1型或NDJ-5S型旋转粘度计、恒温水浴槽、感量0.01 g天平、500 mL烧杯、直流调速翼形搅拌器等。
6.2.1.2测定步骤
量取495mL30C的蒸馏水或去离子水注人500mL烧杯中。然后将烧杯放入(30士1)℃恒温水浴槽恒温,将直流调速翼形搅拌器放入烧杯中,调整好位置,开启搅拌,调整转速在150r/min。用感量为0.01g的天平称取5.00g待测样品,缓缓加入烧杯中。普通魔芋精粉和纯化魔芋精粉恒温连续搅拌1h(普通魔芋微粉和纯化魔芋微粉恒温连续搅拌10min)后,停止搅拌,取出烧杯,马上用4号转子以转速12r /min进行第一次粘度测定。测定完后将烧杯又放入30℃士1C恒温水浴槽慎温搅拌。普通魔芋精粉和纯化魔芋精粉每间隔0.5h重复测定一次(普通广芋微粉和纯化魔芋微粉每间开10min重复测定-次)。重复测定直至粘度计读数达到最大值并明显开始下降为止:.每次测定时应连续读取三个测定值,并计算平均值,以最大平均值计算粘度。6.2.1.3结果计算
样品中的粘度n按式(1)计算:
式中:
n—样品粘度,单位为毫帕斯卡·秒(mPa·s);K
系数(当采用.4,号转子12r/min时,K=500),9—旋转粘度计指针读数最大平均值。重复测定允许差不超过250mPa·s。6. 2. 2葡甘聚糖含量的测定
按附录A(规范性附录)操作。
6.2.3二氧化硫的测庭。:!
按GB/T5009.34蒸馏法操作。
6.2.4水分按GB/T5009.3规定方法操作。6.2.5灰分按GB/T5009.4规定方法操作。6.2.6含砂量按GB/T5508规定方法操作。6.2.7砷按GB/T5009.11规定方法操作。6.2.8铅按GB/T5009.12规定方法操作。6.2.9粒度检验
称取50g混合均匀的待检样品(称准至0.01g),置于按定义要求孔径的分样筛内,盖上分样筛盖并卡紧,连续筛分10min后,分别称量各级样品质量,并计算其所占样品的百分含量,通过该目数分样筛的粒度百分数为按式(2)计算:粒度含量(%)
式中:
m×100
m)—符合各级分样筛要求的样品质量,单位为克();m-—样品的质量,单位为克(g)。重复测定允许差不超过0.5%。
(2)
NY/T 494—2002
7检验规则bzxZ.net
7.1组批
由同一种原料,同一班次生产的同一规格的产品为-批。7.2抽样
每批产品随机抽取样品1000g,经缩分至500g,取250g为检验样、余下250g为备查样。7.3出厂检验
出厂检验项目为:感官、粘度、二氧化硫、水分、粒度。7.4型式检验
7.4.1型式检验正常生产情况下,每半年一次。发生下列任一情况亦应进行:a)更改关键工艺,
b)长期停产后恢复生产;
c)国家质量监督机构提出进行型式检验要求。7.4.2型式检验项目
型式检验项目包括本标准要求中的全部项目。7.5判定规则
7.5.1在出厂检验结果中,感官、水分、粘度、二氧化硫、粒度等项目有不符合本标准时,应重新自同批产品中按两倍量抽取样本,对不合格项目进行复检。复检结果若仍有一项不合格,则判该批产品为不合格品,可判定降级。
7.5.2型式检验中,有任何一项不符合本标准要求时,则判该批产品为不合格品。8标志、标签
8.1产品标签上应按GB7718的有关规定标注:产品名称、类别、等级、净含量、生产企业(或销售企业)名称和地址,生产日期、保质期和产品标准代号。8.2产品外包装袋上应标明产品名称、类别、生产企业名称、地址、净含量及等级。8.3贮运图示的标志应符合GB191的有关规定。9包装、运输及贮存
9.1包装
9.1.1产品内层包装用臻乙烯薄膜袋,外包装采用编织袋、纸箱或复合袋;包装材料应符合相应卫生标准要求。
9.1.2包装规格分为25kg/袋(箱)、20kg/袋(箱)。净含量偏差为士0.4%。9.2运输
9.2.1产品在运输、装卸时应小轻放,严禁撞击、挤压和日陋雨淋。:9.2.2运输工具应清洁、卫生,不得与有毒、有害、有腐蚀性和易挥发有鼻味的物质混装混运。9. 3贮存
9.3.1产品应贮存在干爆、防潮、避光的库房中。最适宜的贮存温度为25℃以下,相对湿度低于65%。9.3.2产品不得与有毒、有害、有腐蚀性和易挥发、有异味的物质同库贮存。9.3.3普通魔芋粉保质期不低于1年,纯化魔芋粉保质期末低于2年:336
A.1原理
附录A
(规范的附录)
魔芋粉中葡甘聚糖含量测定
NY/T494--2002
广芋葡甘聚糖经酸水解后生成D-甘露糖和D-葡药糖两种还原糖,3,5-二硝基水杨酸与还原糖在碱性介质中共沸后被还原成棕红色的氨基化合物,在一定范围内,还原糖的量同反应液的颜色强度垦正比例关系,利用分光光度法可测知样品中魔芋甘聚糖的含量。A.2仪器
分光光度计、电磁搅拌器、4000r/min以上离心机、分析天平、恒温水浴锅、容量瓶(100mL,25 ml)刻度吸管(5 mL,2 ml)。
A.3试剂
A.3.1显色剂:3,5-二硝基水杨酸溶液。甲液:溶解6.9g结晶的重蒸馏的苯酚于15.2mL10%氢氧化钠溶液中,并稀粹至69mL,在此溶液中加人6.9亚硫酸氢钠。
乙液:称取225g酒石酸钾钠,加人到300mL10%氢氧化钠溶液中,再加入880mL1%3,5-二硝基水杨酸溶液。
将甲液与乙液混合,贮于棕色试剂瓶中。在室温下,放置7~10天以后使用。A.3.2硫酸溶液(3mol/L)。
A.3.3氢氧化钠溶液(6 mol/L)。A.3.40.1mol/L甲酸-氢氧化钠缓冲溶液:取1mL甲酸于250mL容量瓶中,加60mL蒸馏水,再称取0.25g氢氧化钠溶解后加人,定容至250mL。A.3.5葡萄糖标准溶液(1.0mg/mL)在分析天平上准确称取0.1000g分析纯葡糖(预先在105C干燥至恒重),溶于蒸馏水中,定容至100mL。A.4操作方法
A.4.1 葡葡糖标准曲线
依次移取0.4、0.8、1.2、1.6、2.0mL标准葡萄糖工作液、2.0mL蒸馏水于6个25mL容量瓶中,加蒸馏水补足至2mL,再在每个容量中加人1.5mL3,5-二硝基水杨酸试剂,摇匀后将6个容量瓶放在沸水浴中加热5min,立即冷却。用蒸馏水定容至刻度,摇匀。用1cm比色血在550nm处测其吸光度。以蒸馏水显色反应液做空白调零,记录不同浓度葡萄糖工作液的吸光度。以葡萄糖毫克数为横坐标(X),吸光度为纵坐标(Y),绘制标准工作曲线(或建立吸光度为Y、标准葡萄糖毫克数为X的回归方程)。
A.4.2魔芋葡甘聚糖测定
A.4.2.1魔芋葡甘聚糖提取液的制备:用于燥光滑的称量纸准确称取样品0.1900~0.2000g,加人盛有50ml甲酸-氢氧化钠缓冲液并处于电磁搅拌状态的100ml.容量瓶中,30C搅拌溶胀4h,或在室温下搅拌1~2h溶胀过夜,用甲酸-氢氧化钠缓冲液定容至100mL(先将空容量瓶用蒸馏水定容至刻度,再加人磁棒,标记液面升高的刻度作为样品溶液定容的刻度。搅拌均匀后在离心机上以4000r/min337
NY/T 494--2002
的转速离心20 min·此上清液即为魔芋葡甘聚糖提取液。A.4.2.2魔芋葡甘聚糖水解液的制备:准确移取5.0ml.魔芋葡甘聚糖提取液于25ml.容量瓶中(用洗耳球反复吹洗移液管,直至管内壁粘附的粘性样品溶液完全进人容量瓶),准确加人3mol/l.硫酸2.5ml.,摇匀,在沸水浴水中具塞密封水解1.5h,冷却。加人6mol/L氢氧化钠2.5mL,摇匀,加蒸馏水定容至25mL。
A.4.2.3魔芋葡甘聚糖的测定:分别移取以上制得的葡甘聚糖提取液、水解液和蒸馏水2.0mL于3个25ml.容量瓶中,分别加人1.5ml.3,5-二硝基水杨酸试剂,在沸水浴中加热5min,冷却后用蒸馏水定容至25mL,在分光光度计550nn处比色,以蒸馏水显色反应液做空白调零,测定水解液和提取液的吸光度值。在标准曲线上查出(或通过回归方程计算)吸光度所对应的葡萄糖毫克数。A.4.3结果计算
结果按式(A.1)计算:
ε(5T —T。) × 50
m X(1 - w)X1000 × 100..( A.. )魔芋粉中葡甘聚糖含量(以干基计)(%)式中:
e ---葡甘聚糖中葡萄糖和甘露糖残基分子量与其水解后生成的葡萄糖和甘露糖分子量之比 ε一0.9;T-一在标准曲线上查出的葡甘聚糖水解液葡萄糖毫克数,单位为毫克(mg);T。在标准曲线上查出的葡甘聚糖提取液葡药糖毫克数,单位为毫克(mg);m一魔芋粉样品质量,单位为克(g);一样品含水量,%。
重复测定允许差不超过5%。
小提示:此标准内容仅展示完整标准里的部分截取内容,若需要完整标准请到上方自行免费下载完整标准文档。
标准图片预览:





- 其它标准
- 上一篇: NY 477-2002 AD钙奶
- 下一篇: NY/T 416-2000 低芥酸菜子油
- 热门标准
- 农业行业标准(NY)
- NY∕T3212-2018 拖拉机和联合收割机登记证书
- NY/T5357-2007 无公害食品 海洋水产品捕捞生产管理规范
- NY/T2444-2013 菠萝叶纤维
- NY2188-2012 联合收割机号牌座设置技术要求
- NY/T1153.2-2013 农药登记用白蚁防治剂药效试验方法及评价 第2部分农药对白蚁毒效传递的室内测定
- NY/T3051-2016 生乳安全指标监测前样品处理规范
- NY/T2686-2015 旱作玉米全膜覆盖技术规范
- NY/T2493-2013 植物新品种特异性、一致性和稳定性测试指南 荞麦
- NY/T605-2006 焙炒咖啡
- NY/T2423-2013 植物新品种特异性、一致性和稳定性测试指南 小豆
- NY/T2520-2013 植物新品种特异性、一致性和稳定性测试指南 树莓
- NY/T1178-2006 牧区牛羊棚圈建设技术规范
- NY/T2484-2013 植物新品种特异性 一致性和稳定性测试指南 无芒雀麦
- NY/T2251-2012 香蕉花叶心腐病和束顶病病原分子检测技术规范
- NY/T2446-2013 热带作物品种区域试验技术规程 木薯
- 行业新闻
请牢记:“bzxz.net”即是“标准下载”四个汉字汉语拼音首字母与国际顶级域名“.net”的组合。 ©2025 标准下载网 www.bzxz.net 本站邮件:bzxznet@163.com
网站备案号:湘ICP备2025141790号-2
网站备案号:湘ICP备2025141790号-2