- 您的位置:
- 标准下载网 >>
- 标准分类 >>
- 建筑材料行业标准(JC) >>
- JC/T 653-1996 石英玻璃器皿 烧杯
标准号:
JC/T 653-1996
标准名称:
石英玻璃器皿 烧杯
标准类别:
建筑材料行业标准(JC)
标准状态:
现行-
发布日期:
1996-12-31 -
实施日期:
1997-06-01 出版语种:
简体中文下载格式:
.rar.pdf下载大小:
166.26 KB
点击下载
标准简介:
标准下载解压密码:www.bzxz.net
本标准规定了石英玻璃烧杯产品分类、技术要求、检验方法、检验规则、标志、包装、运输和贮存。本标准适用于透明石英玻璃烧环。 JC/T 653-1996 石英玻璃器皿 烧杯 JC/T653-1996
部分标准内容:
中华人民共和国建材行业标准
石英玻璃器血
主题内容与适用范围
JC/T 653-1996
本标准规定了石英玻璃烧杯产品分类、技术要求、检验方法、检验规则、标志、包装、运输和贮存。本标准适用于透明石英玻璃烧环。2引用标准
GB/T3284石英玻璃化学成分分析方法GB/T 4121
石英玻璃热变色性检验方法
不合格品率的计量标推型一次抽样检查程序及表GB 8053
JC/T 597
半导体用透明石英玻璃管
JC/T598电光源及电真空仪表用透明石英玻璃管JC/T655石英玻璃制品内应力检验方法3术语
3.1水迹:石英玻璃制品加工过程中水经高温蒸发后,在壁上留下的残迹。3.2桔皮:石英玻璃制品外观呈现的象桔子皮似的图像。3.3云雾:在加工过程中产生的附着在制品表壁上的白色蒸发物。3.4其他术语见JC/T597和JC/T598术语。4产品分类
4.1烧杯类型分为高型和低型,其结构形式见图1、图2。尺寸.mm
D-烧杯外径;H--烧杯高度,S—最小壁厚图1高型烧杯
4.2规格尺寸见表1、表2。
国家建筑材料工业局1996-12-31批准图2低型烧杯
1997-06-01实施
公称容量
公称容量
5技术要求
5.1理化性能
5.1.1化学成分wwW.bzxz.Net
JC/T653—1996
高型烧杯
低型烧杯
铝、铁、钙、镁、钛五个杂质元素总含量不得大于200ppm。5.1.2内应力
JC/T 653-1996
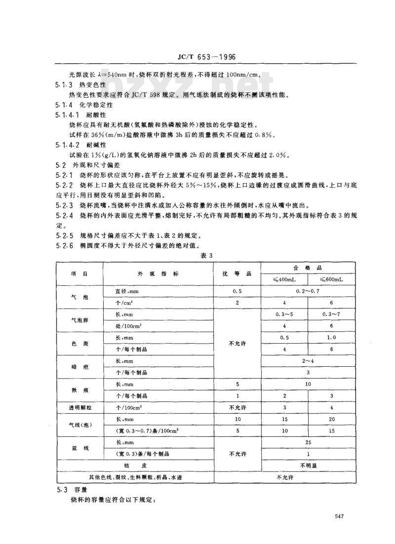
光源波长入=540nm时,烧杯双折射光程差,不得超过100nm/cm。5.1.3热变色性
热变色性要求应符合JC/T598规定。用气练法制成的烧杯不测该项性能。5.1.4化学稳定性
5.1.4.1耐酸性
烧杯应具有耐无机酸(氢氟酸和热磷酸除外)浸蚀的化学稳定性。试样在36%(m/m)盐酸溶液中微沸3h后的质量损失不应超过0.8%。5.1.4.2耐碱性
试验在1%(g/L)的氢氧化钠溶液中微沸 2h后的质量损失不应超过 2. 0% 。5.2外观和尺寸偏差
5.2.1烧杯的形状应该匀称,在平台上放置不应有明显歪斜,不应旋转或摇晃。烧杯上口最大直径应比烧杯外径大5%~15%,烧杯上口边缘的过渡应成圆滑曲线,上口与底5.2.22
应平行,用目测没有明显歪斜和凹陷。烧杯流嘴,当烧杯中注满水或加人公称容量的水往外倾倒时,水应从嘴中流出。5.2.3
烧杯的内外表面应光滑平整,熔制完好,不允许有局部粗髓的不均匀。其外观指标符合表3的规规格尺寸偏差应不大于表1、表2的规定。椭圆度不得大于外径尺寸偏差的绝对值。表3
气泡群
透明颗粒
气线(泡)
外观指标
直径,mm
个/cm2
处/100cm2
长,mm
个/每个制品
长,mm
个/每个制品
长,mm
个/每个制品
个/100cm2
(宽0.3~0.7)条/100cm2
长,mm
(宽0.3)条/每个制品
其他色线、裂纹、生料颗粒、析晶、水迹5.3容量
烧杯的容量应符合以下规定:
不充许
不充许
不充许
≤400mL
≤600mL
不允许
不明显
JC/T653-1996
5.3.1烧杯的满容量应超过公称容量值的10%。5.3.2烧杯的满容量和公称容量的液面间距离不应小于10mm。注:烧杯的容量分度为近似值,不作为计量器具。6试验方法
6.1化学成分按GB/T3284检验。
6.2内应力按JC/T655检验。
6.3热变色性按GB/T4121检验。
6.4化学稳定性按附录A(标准的附录)检验。6.5外观指标和尺寸,用自测和精度为0.02mm的游标卡尺或10倍读数放大镜检验。仲裁时可用50倍或100倍的投影仪测量。
6.6楠圆度,测量同一横截面上外径最大和最小值,计算其差值。7检验规则
7.1检验分类
7.1.1出厂检验:检验项目包括外观和规格尺寸偏差。7.1.2型式检验:检验项目包括技术要求中各项,正常生产时,每年至少一次。有下列情况之一时应进行型式检验:
a)产品设计、工艺材料变更或停产后恢复生产时;b)上级抽检和行检评比时。
7.2分批与抽样
7.2.1以同种原材料、同-生产方法、同一等级的烧杯,每30个为一批,不足者以一批计算。7.2.2外观规格尺寸和内应力性能按GB8053采用一次抽样方案抽样,样本大小no=8,合格判定数Ac=l。
7.2.3内应力除外的其他性能以相应管材或制品按各自的检验方法取样。7.3判定规则
7.3.1外观、规格尺寸和内应力性能指标,若不合格品数小于或等于合格判定数,该批烧杯该项为合格;若不合格品数大于合格判定数、则该批烧杯该项为不合格。7.3.2各项理化性能中若有1项性能不符合5.1的规定,允许对该项性能复验,复验符合要求,视该批烧杯理化性能合格,若有2项或2项以上性能不符合要求,则该批烧杯理化性能不合格。7.3.3当外观、规格尺寸和各项理化性能均符合要求时,该批烧杯为合格。7.3.4以检验中出现的最低等级为该批烧杯的最终判定等级。8标志、包装、运输和贮存
8.1标志
8.1.1烧杯的标志:应有注册商标或制造厂名,杯身可刻印容量分度。8.1.2包装箱标志:
a)箱上应贴有明显的运图示标志。如玻璃制品”“小心轻放”\防潮显”等,b)产品名称、规格、等级、数量;)制造厂名、商标、出广日期;d)标准号。
8.2包装
烧杯应清洁干燥,用木箱或纸箱包装,内部用瓦楞纸盒、泡沫塑料架或其他种类缓冲材料分隔,防止548
JC/T653--1996
产品碰撞,箱内附有产品合格证、使用说明及装箱单。8.3运输
本产品可用任何方式运输,但装卸不得抛扔,运输过程中应有防雨措施,防止剧烈震动和挤压。8.4贮存
产品包装后应在通风干燥、无腐蚀性气体的室内贮存,相对湿度不应超过80%,放置不得超过5层。
JC/T 653—1996
附录A
(标准的附录)
石英玻璃化学稳定性检验方法
本方法规定了石英玻璃及其制品耐各种浸蚀液(氢氟酸和正磷酸除外)稳定性的检验方法。A1方法提要
一定颗粒大小的试样在一定温度的浸蚀介质中,一定的受蚀时间内,测定其质量损失率。2试验设备、材料和试剂
A2.1马弗炉或高温电炉:控温保证800℃C土10℃。A2.2干燥箱:控温精度士2℃。
A2.3分析天平:感量0.0001g。
A2.4三角烧瓶:250mL或300mL。A2.5
5回流冷凝器(与三角烧瓶配用)。A2.6
玛瑙研钵及捣锤。
干燥器(放硅胶)。
玻璃称量瓶。
玻璃漏斗。
烧杯:100mL或200mL。
25mL带盖石英玻璃埚或陶瓷埚。A2.12
$6~8mm×200mm石英玻璃棒。
控温磁力加热搅拌器。
脱脂纱布。
快速定量滤纸。
无水乙醇。
漫蚀液按制品各自标准规定配制。A2. 17
A2.18去离子水。
A3试样要求
A3.1从制品上取下的玻璃块,用去离子水清洗,用脱脂纱布擦净,再用无水乙醇浸泡15min左右,用脱脂纱布擦净、晾干,打碎后在玛瑙研钵中研磨,过筛使其全部通过0.63mm筛,取0.4mm筛上的颗粒为试样。
A3.2用无水乙醇洗掉细粉。
A3.3洗净的试样放在玻璃称量瓶内,置于于燥箱中在120℃士20℃温度下烘干60min,取出后放在干燥器中冷却至室温称量。反复干燥直至恒重(连续称量两次的误差不应超过0.0005g)。A4试验步骤
A4.1称取5g试样,精确至0.0005g,置于三角烧瓶中并加人100mL浸蚀液。A4.2将烧瓶与回流冷凝器结合起来,用控温磁力加热搅拌器缓慢加热至微沸,在此期间要低速搅拌。A4.3试验后拆下冷凝器,待试样沉淀后小心地倾去浸蚀液,用去离子水倾注洗涤试样至中性,洗涤时550
用玻璃棒搅动,谨防试样颗粒倒出。JC/T653---1996
A4.4洗净的试样在漏斗内用快速定量滤纸过滤。A4.5将过滤漏斗连同滤纸和试样一起放人烘干箱中,在120℃士20℃温度下干燥30min。A4.6将试样连同滤纸小心地转移到预先在800℃土10℃温度下灼烧恒重过的陶瓷或者石英埚中。
将装有试样的埚放人马弗炉内,埚盖稍有缝隙,在800℃士10C温度下灼烧30min,第一次A4.7
灼烧时,炉门开缝,然后在干燥器中冷却20min进行称量。反复灼烧直至恒重,减去埚质量,得到m2。A5结果处理
A5.1石英玻璃对某种浸蚀液的稳定性按式(A1)计算:mm2×100
式中:X-
—--石英玻璃对某种浸蚀液的稳定性,%;m -试验前的试样质量,g;
试验后的试样质量,名。
(Al)
A5.2根据试验取两个平行测定结果的算术平均值,这两个测定结果之间的允许误差,不应超过平均值的10%。
若指标超过10%,则应进行第三次测定,并计算两次测定相近结果的算术平均值。附加说明:
本标准由中国建筑材料科学研究院石英玻璃研究所负责起草并解释。本标准主要起草人:刘俊娥。
自本标准实施之日起,原建筑材料工业部部标准JC180—1981(1996)《QSQ、DSQ透明石英玻璃器皿》中的透明石英玻璃烧杯同时作废。551
小提示:此标准内容仅展示完整标准里的部分截取内容,若需要完整标准请到上方自行免费下载完整标准文档。
石英玻璃器血
主题内容与适用范围
JC/T 653-1996
本标准规定了石英玻璃烧杯产品分类、技术要求、检验方法、检验规则、标志、包装、运输和贮存。本标准适用于透明石英玻璃烧环。2引用标准
GB/T3284石英玻璃化学成分分析方法GB/T 4121
石英玻璃热变色性检验方法
不合格品率的计量标推型一次抽样检查程序及表GB 8053
JC/T 597
半导体用透明石英玻璃管
JC/T598电光源及电真空仪表用透明石英玻璃管JC/T655石英玻璃制品内应力检验方法3术语
3.1水迹:石英玻璃制品加工过程中水经高温蒸发后,在壁上留下的残迹。3.2桔皮:石英玻璃制品外观呈现的象桔子皮似的图像。3.3云雾:在加工过程中产生的附着在制品表壁上的白色蒸发物。3.4其他术语见JC/T597和JC/T598术语。4产品分类
4.1烧杯类型分为高型和低型,其结构形式见图1、图2。尺寸.mm
D-烧杯外径;H--烧杯高度,S—最小壁厚图1高型烧杯
4.2规格尺寸见表1、表2。
国家建筑材料工业局1996-12-31批准图2低型烧杯
1997-06-01实施
公称容量
公称容量
5技术要求
5.1理化性能
5.1.1化学成分wwW.bzxz.Net
JC/T653—1996
高型烧杯
低型烧杯
铝、铁、钙、镁、钛五个杂质元素总含量不得大于200ppm。5.1.2内应力
JC/T 653-1996
光源波长入=540nm时,烧杯双折射光程差,不得超过100nm/cm。5.1.3热变色性
热变色性要求应符合JC/T598规定。用气练法制成的烧杯不测该项性能。5.1.4化学稳定性
5.1.4.1耐酸性
烧杯应具有耐无机酸(氢氟酸和热磷酸除外)浸蚀的化学稳定性。试样在36%(m/m)盐酸溶液中微沸3h后的质量损失不应超过0.8%。5.1.4.2耐碱性
试验在1%(g/L)的氢氧化钠溶液中微沸 2h后的质量损失不应超过 2. 0% 。5.2外观和尺寸偏差
5.2.1烧杯的形状应该匀称,在平台上放置不应有明显歪斜,不应旋转或摇晃。烧杯上口最大直径应比烧杯外径大5%~15%,烧杯上口边缘的过渡应成圆滑曲线,上口与底5.2.22
应平行,用目测没有明显歪斜和凹陷。烧杯流嘴,当烧杯中注满水或加人公称容量的水往外倾倒时,水应从嘴中流出。5.2.3
烧杯的内外表面应光滑平整,熔制完好,不允许有局部粗髓的不均匀。其外观指标符合表3的规规格尺寸偏差应不大于表1、表2的规定。椭圆度不得大于外径尺寸偏差的绝对值。表3
气泡群
透明颗粒
气线(泡)
外观指标
直径,mm
个/cm2
处/100cm2
长,mm
个/每个制品
长,mm
个/每个制品
长,mm
个/每个制品
个/100cm2
(宽0.3~0.7)条/100cm2
长,mm
(宽0.3)条/每个制品
其他色线、裂纹、生料颗粒、析晶、水迹5.3容量
烧杯的容量应符合以下规定:
不充许
不充许
不充许
≤400mL
≤600mL
不允许
不明显
JC/T653-1996
5.3.1烧杯的满容量应超过公称容量值的10%。5.3.2烧杯的满容量和公称容量的液面间距离不应小于10mm。注:烧杯的容量分度为近似值,不作为计量器具。6试验方法
6.1化学成分按GB/T3284检验。
6.2内应力按JC/T655检验。
6.3热变色性按GB/T4121检验。
6.4化学稳定性按附录A(标准的附录)检验。6.5外观指标和尺寸,用自测和精度为0.02mm的游标卡尺或10倍读数放大镜检验。仲裁时可用50倍或100倍的投影仪测量。
6.6楠圆度,测量同一横截面上外径最大和最小值,计算其差值。7检验规则
7.1检验分类
7.1.1出厂检验:检验项目包括外观和规格尺寸偏差。7.1.2型式检验:检验项目包括技术要求中各项,正常生产时,每年至少一次。有下列情况之一时应进行型式检验:
a)产品设计、工艺材料变更或停产后恢复生产时;b)上级抽检和行检评比时。
7.2分批与抽样
7.2.1以同种原材料、同-生产方法、同一等级的烧杯,每30个为一批,不足者以一批计算。7.2.2外观规格尺寸和内应力性能按GB8053采用一次抽样方案抽样,样本大小no=8,合格判定数Ac=l。
7.2.3内应力除外的其他性能以相应管材或制品按各自的检验方法取样。7.3判定规则
7.3.1外观、规格尺寸和内应力性能指标,若不合格品数小于或等于合格判定数,该批烧杯该项为合格;若不合格品数大于合格判定数、则该批烧杯该项为不合格。7.3.2各项理化性能中若有1项性能不符合5.1的规定,允许对该项性能复验,复验符合要求,视该批烧杯理化性能合格,若有2项或2项以上性能不符合要求,则该批烧杯理化性能不合格。7.3.3当外观、规格尺寸和各项理化性能均符合要求时,该批烧杯为合格。7.3.4以检验中出现的最低等级为该批烧杯的最终判定等级。8标志、包装、运输和贮存
8.1标志
8.1.1烧杯的标志:应有注册商标或制造厂名,杯身可刻印容量分度。8.1.2包装箱标志:
a)箱上应贴有明显的运图示标志。如玻璃制品”“小心轻放”\防潮显”等,b)产品名称、规格、等级、数量;)制造厂名、商标、出广日期;d)标准号。
8.2包装
烧杯应清洁干燥,用木箱或纸箱包装,内部用瓦楞纸盒、泡沫塑料架或其他种类缓冲材料分隔,防止548
JC/T653--1996
产品碰撞,箱内附有产品合格证、使用说明及装箱单。8.3运输
本产品可用任何方式运输,但装卸不得抛扔,运输过程中应有防雨措施,防止剧烈震动和挤压。8.4贮存
产品包装后应在通风干燥、无腐蚀性气体的室内贮存,相对湿度不应超过80%,放置不得超过5层。
JC/T 653—1996
附录A
(标准的附录)
石英玻璃化学稳定性检验方法
本方法规定了石英玻璃及其制品耐各种浸蚀液(氢氟酸和正磷酸除外)稳定性的检验方法。A1方法提要
一定颗粒大小的试样在一定温度的浸蚀介质中,一定的受蚀时间内,测定其质量损失率。2试验设备、材料和试剂
A2.1马弗炉或高温电炉:控温保证800℃C土10℃。A2.2干燥箱:控温精度士2℃。
A2.3分析天平:感量0.0001g。
A2.4三角烧瓶:250mL或300mL。A2.5
5回流冷凝器(与三角烧瓶配用)。A2.6
玛瑙研钵及捣锤。
干燥器(放硅胶)。
玻璃称量瓶。
玻璃漏斗。
烧杯:100mL或200mL。
25mL带盖石英玻璃埚或陶瓷埚。A2.12
$6~8mm×200mm石英玻璃棒。
控温磁力加热搅拌器。
脱脂纱布。
快速定量滤纸。
无水乙醇。
漫蚀液按制品各自标准规定配制。A2. 17
A2.18去离子水。
A3试样要求
A3.1从制品上取下的玻璃块,用去离子水清洗,用脱脂纱布擦净,再用无水乙醇浸泡15min左右,用脱脂纱布擦净、晾干,打碎后在玛瑙研钵中研磨,过筛使其全部通过0.63mm筛,取0.4mm筛上的颗粒为试样。
A3.2用无水乙醇洗掉细粉。
A3.3洗净的试样放在玻璃称量瓶内,置于于燥箱中在120℃士20℃温度下烘干60min,取出后放在干燥器中冷却至室温称量。反复干燥直至恒重(连续称量两次的误差不应超过0.0005g)。A4试验步骤
A4.1称取5g试样,精确至0.0005g,置于三角烧瓶中并加人100mL浸蚀液。A4.2将烧瓶与回流冷凝器结合起来,用控温磁力加热搅拌器缓慢加热至微沸,在此期间要低速搅拌。A4.3试验后拆下冷凝器,待试样沉淀后小心地倾去浸蚀液,用去离子水倾注洗涤试样至中性,洗涤时550
用玻璃棒搅动,谨防试样颗粒倒出。JC/T653---1996
A4.4洗净的试样在漏斗内用快速定量滤纸过滤。A4.5将过滤漏斗连同滤纸和试样一起放人烘干箱中,在120℃士20℃温度下干燥30min。A4.6将试样连同滤纸小心地转移到预先在800℃土10℃温度下灼烧恒重过的陶瓷或者石英埚中。
将装有试样的埚放人马弗炉内,埚盖稍有缝隙,在800℃士10C温度下灼烧30min,第一次A4.7
灼烧时,炉门开缝,然后在干燥器中冷却20min进行称量。反复灼烧直至恒重,减去埚质量,得到m2。A5结果处理
A5.1石英玻璃对某种浸蚀液的稳定性按式(A1)计算:mm2×100
式中:X-
—--石英玻璃对某种浸蚀液的稳定性,%;m -试验前的试样质量,g;
试验后的试样质量,名。
(Al)
A5.2根据试验取两个平行测定结果的算术平均值,这两个测定结果之间的允许误差,不应超过平均值的10%。
若指标超过10%,则应进行第三次测定,并计算两次测定相近结果的算术平均值。附加说明:
本标准由中国建筑材料科学研究院石英玻璃研究所负责起草并解释。本标准主要起草人:刘俊娥。
自本标准实施之日起,原建筑材料工业部部标准JC180—1981(1996)《QSQ、DSQ透明石英玻璃器皿》中的透明石英玻璃烧杯同时作废。551
小提示:此标准内容仅展示完整标准里的部分截取内容,若需要完整标准请到上方自行免费下载完整标准文档。
标准图片预览:





- 其它标准
- 热门标准
- 建筑材料行业标准(JC)
- JC248-1981 水力旋流器铸石衬里
- JC/T1013-2006 盘转式压砖机
- JC255-1981 铸石粉中游离铁的试验方法
- JC253-1981 铸石制品检验、验收、标志、包装、运输规则
- JC/T872-2000 建筑装饰用微晶玻璃
- JC250-1981 水膜除尘器铸石衬里
- JC/T620-2009 石灰取样方法
- JC/T925-2003 玻璃窑用烧结AZS砖
- JC/T2044-2011 墙材工业用出口拉引机
- JC/T863-2011 高分子防水卷材胶粘剂
- JC/T833-2011 水泥工业用堆取料机
- JC/T806-1988(1996) 玻璃熔窑用耐火材料静态下抗玻璃液侵蚀试验方法
- JC/T2045-2011 墙材工业用液压顶车机
- JC/T834-2011 水泥工业用堆料机 技术条件
- JC/T835-2011 水泥工业用取料机 技术条件
- 行业新闻
请牢记:“bzxz.net”即是“标准下载”四个汉字汉语拼音首字母与国际顶级域名“.net”的组合。 ©2025 标准下载网 www.bzxz.net 本站邮件:bzxznet@163.com
网站备案号:湘ICP备2025141790号-2
网站备案号:湘ICP备2025141790号-2