- 您的位置:
- 标准下载网 >>
- 标准分类 >>
- 国家标准(GB) >>
- GB/T 16625-1996 地震勘探电雷管
标准号:
GB/T 16625-1996
标准名称:
地震勘探电雷管
标准类别:
国家标准(GB)
标准状态:
现行-
发布日期:
1996-01-01 -
实施日期:
1997-04-01 出版语种:
简体中文下载格式:
.rar.pdf下载大小:
174.03 KB
点击下载
标准简介:
标准下载解压密码:www.bzxz.net
本标准规定了地震勘探电雷管的要求、检验规则、试验方法、标志、包装和贮存。本标准适用于地震勘探电雷管的制造与验收。 GB/T 16625-1996 地震勘探电雷管 GB/T16625-1996
部分标准内容:
GB/T16625-1996
本标准参照采用了GB8031-87工业电蓄管的有关技术内容。本标准的附录A是标准的附录。
本标准由中国兵器工业总公司提出。本准由中国兵器工业标准化研究所归日。本标准起草单位:辽宁华丰化工厂。本标准主要起草人;越志才、房修义、事连塘。1范围
中华人民共和国国家标准
震勘探
电蕾管
Seismograph electric blasting capGE/T 16625—1996
本标准规定了地遵勘探电留管的要求、检验规则、试验方法、标志、包装和贮存。本标准适用于地囊勘探电雷管的制造与验收,2引用标准
下列标准所包含的条文,通过在本标准中引用而构成为本标准的条文。本标准出版时,所示版本均为有效。所有标准都会被修订,使用本标准的各方应探讨使用下列标准最新版本的可能性。GB/T 2828—87逐批检查计数抽样程序及抽样表(适用于连续批的检查)GB/T2829—87周期检查计数抽样程序及抽样表(适用于生产过程稳定性的检查)GB/T 8031--87
工业电营管
GB/T13225—91工业番管延期时间测定方法GB/T13226—91主业售管铅板试验方法GB/T 13227--91
工业雷管浸水试验方法
GJB736.11-90火工品试验方法电火工品静电感度试验3要求
3.1外观
应符合GB8031中2.1的规定。
3.2尺寸
应符合 GB 8031 中 2. 2. 2 的规定。3.3性能
产品的性能应符合表 1 的要求。表1产品性能
最小发火电流
发火冲量
醒动试验
安全电流
串联试验
铅板试验
0. 8~5. 0 A ms
产品全电阻0被差1.心
不允许发生爆炸。不应结构损坏、断路、短路和电阻不稳20.1A
产品不应瞄火,丢炮
5 mm厚铅板.穿孔直径不应小于雷管外径国象技术监督局 1996-11-28 批准试验方法条号
1997-07-01实施
作用时间
静拉力试验
静电感度试验
漫水试验
GB/T 16625-1996
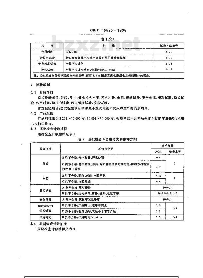
表1(完)
封口基和脚线不应发生肉眼可见的移动和损坏产品不应爆炸
产品不应进水膳火,作用时间≤1.0m5注:丢炮系指电雷管串联通电未能点燃,而用3.5 A恒定直流电流通电后仍能爆炸的现象,检验规则
4.1检验项目
试酸方法条号
型式检验项目:外观、尺寸、最小发火电流,发火冲量、电阻、囊动试验,安全电流、串联试验、铅板试验、作用时间、静拉力试验、静电感度试验、设水试验。常规检验项目型式检验项目中除最小发火电流和发火冲量外的其余项目。4.2产品组批
产品的批量为3201~10000发,10001~35000发。检验中以不合格品率作为批的质量指标,采用三次抽样检查,
4.3逐批捡查计数抽样
避批检查计数抽样见表2。
表 2逐批检查不合格分类和抽样方案检查项目
震动试验
安全电流
申联试验和
铝板试验
作用时间
不合格分类
B类不合格:管体裂键、严重砂眼C类不合格;管体锈蚀、浮药、封口塞松动和过高过低,脚线芯线锈蚀和绝缘皮破摄
B 类不合格;断路、短路、电阻不稳C类不合格:电阻超差
A类不合格:震动爆炸
B类不合格:结构损坏,断路、短脂、电阻不毯A 类不合格:试验中发生爆炸
B类不合格,产品膳火、起爆不完全C 类不合格;丢炮、穿孔直径小于雷管外径B类不合格:作用时间>1. 0 mB
4.4周期检查计数抽样
周期检查计数抽样见表3。
抽样方案
梭查水平
20,20/0,2,1,2
检查项目
静拉力试验
静电感度或验
设水试验
GB/T 16625—1996
表3周期检查不合格分类和抽样方案不合格分类
封口塞移动,脚线扭坏
产品爆炸
产品进水瞻火,作用时间>1. 0 加3抽样方案的补充和说明见附录A(标准的附录)。5试验方法
5.1外观检查
目视检查。
5.2尺寸检查
用一般长度测量工具枪验。
5.3最小发火电流的测定
按GB 8031中的 3.2执行。
5. 4发火冲量的测定
按GB8031中的3.3执行。
5.5电阻的测定
按GB 8031中的3.1执行。
5.6震动试验
按GB8031中的3.7执行。
安全电流试验
试验电流为0.1.A恒定直流电流,方法按GB8031中的3.5执行。5.8串联试验
试验电流为3.5A恒定直流电流,方法按GB8031中的3.4执行。5.9铅板试验
试验电流为3.SA恒定直流电流,方法按GB/T13226执行。组成地展探电雷管的火雷管经铅板试验合格后,可不做此项试验。5.10作用时间的测定
试验电流为3.5A恒定直流电流,方法按GB/T13225执行。本试验使用的停止靶为光靶。
本试验允许与串联试验同时进行。5.11静拉力试验
按 GB 8031 中 3. 8执行。
5.12静电感度试验
按GJB 736.11中 5.2执行。
5.13漫水试验
水压2.94MP,时间72h,方法按GB/T13227执行。6标志、包装、贮存
按GB8031中的5执行,保证期为二年。抽样方案
检查水平
A1计数抽样的实施程序
静拉力试验
静电感度试验
A2样本大小不足时的处理
按GB8031中A5执行。
GB/T 16625—1996
附录A
(标准的附录)
抽样方案的补充和说明
无动试验
安全电流
串联试验和
磐板试验
灌水试验
作用时间
A3作用时间测定中产品出现瞎火(含非进水瞻火)和起爆不完全时的处理按GB8031中4.6.5执行。
逐批检查计数抽样的实施
逐批检查计数抽样的实施见表A1。表A1
0.4(外观B类不合格)
1. 0(外观 C 类不合格)
0.25(电阻B类不合格)
0. 4(电阻 C类不合格)
3 201-~10 000
1.0(串联试验和铅
板试验 B 类不合格>
1.5串联试验和铅
板试验C类不合格)
1.5(作用时间B类不合格)
逐批检查计数抽样的实施
检查水平日
正常检查
125,125/0,3+3,4
125,125/2,5,6,7
125,125/0,2,1.2
125,125/0,3,34
检查水
正带检查
32,32/0,2,1.2
32.32/0,3+3,4
20,20/0,21,2
加严检查此内容来自标准下载网
125,125/0,2;1,2
125,125/1,314,5
200,200/0.2,1.2
125,125/0,2,1.2
(200,200/0,3.3,4)
平 S-4
加严检查
50.50/0,2,1.2
32.32/0,2:1.2
(50.50/0.3:3,1)
32.32/0.2;1.2
放宽检查
50,50/0.2/1.2
50.50/0.3,3.4
BD.80/0.2*1.2
50,50/0,2:1,2
(80.80/0,2,1,2)
放竟检查
20/20/0.2,1.2
13,13/0,2+1,2
(2020/02,1.2)
13.13/0,2;1,2
10 001~35 000
0.4(外观B类不合格)
1.0(外观C类不合格)
GB/T 16625—1996
表A1(完)
检查水平1
正常检查
200,200/1,3+4+5
200,200/3,6,9,10
0.25(电阻B类不合格)
0.4(电阻C类不合格)
1.0(审联试验和铅
板试验B类不合格)
1.5(申联试验和铅
板试验C类不合格)
1.5(作用时间B类不合格)
A5周期检查计数抽样的实施
周期检查计数抽样的实施见表 A2。200,200/0,3:3.4
200,200/1,3+4,5
加严检查
200,200/0,3,3,4
200,200/2,5;6.7
200,200/0,2,1.2
200,200/0,3;3.4
检查水平S-4
正常检查
32.32/0,2;1,2
32,32/0.313,4
32.32/0,3/3,4
加严检查
50,50/0,2;1,2
32,32/0,2;1+2
(50,50/0,313,4)
32,32/0,2,1,2
表A2周期检查计数抽样的实施
检查水平I
10(静拉力试验)
10(静电惠度试验)
10(漫水试验)
抽样方案
20,20/0,2,1,2
20,20/0,2,1,2
20,20/0,21,2
放宽检查
80.80/0,2:1.2
80,80/1.3:4,5
80.80/0,2:1,2
80,80/0.2:1,2
放宽检查
20,20/0,2+1,2
13,13/0,2+1,2
(20.20/0,2+1,2)
13,13/02:1,2
小提示:此标准内容仅展示完整标准里的部分截取内容,若需要完整标准请到上方自行免费下载完整标准文档。
本标准参照采用了GB8031-87工业电蓄管的有关技术内容。本标准的附录A是标准的附录。
本标准由中国兵器工业总公司提出。本准由中国兵器工业标准化研究所归日。本标准起草单位:辽宁华丰化工厂。本标准主要起草人;越志才、房修义、事连塘。1范围
中华人民共和国国家标准
震勘探
电蕾管
Seismograph electric blasting capGE/T 16625—1996
本标准规定了地遵勘探电留管的要求、检验规则、试验方法、标志、包装和贮存。本标准适用于地囊勘探电雷管的制造与验收,2引用标准
下列标准所包含的条文,通过在本标准中引用而构成为本标准的条文。本标准出版时,所示版本均为有效。所有标准都会被修订,使用本标准的各方应探讨使用下列标准最新版本的可能性。GB/T 2828—87逐批检查计数抽样程序及抽样表(适用于连续批的检查)GB/T2829—87周期检查计数抽样程序及抽样表(适用于生产过程稳定性的检查)GB/T 8031--87
工业电营管
GB/T13225—91工业番管延期时间测定方法GB/T13226—91主业售管铅板试验方法GB/T 13227--91
工业雷管浸水试验方法
GJB736.11-90火工品试验方法电火工品静电感度试验3要求
3.1外观
应符合GB8031中2.1的规定。
3.2尺寸
应符合 GB 8031 中 2. 2. 2 的规定。3.3性能
产品的性能应符合表 1 的要求。表1产品性能
最小发火电流
发火冲量
醒动试验
安全电流
串联试验
铅板试验
0. 8~5. 0 A ms
产品全电阻0被差1.心
不允许发生爆炸。不应结构损坏、断路、短路和电阻不稳20.1A
产品不应瞄火,丢炮
5 mm厚铅板.穿孔直径不应小于雷管外径国象技术监督局 1996-11-28 批准试验方法条号
1997-07-01实施
作用时间
静拉力试验
静电感度试验
漫水试验
GB/T 16625-1996
表1(完)
封口基和脚线不应发生肉眼可见的移动和损坏产品不应爆炸
产品不应进水膳火,作用时间≤1.0m5注:丢炮系指电雷管串联通电未能点燃,而用3.5 A恒定直流电流通电后仍能爆炸的现象,检验规则
4.1检验项目
试酸方法条号
型式检验项目:外观、尺寸、最小发火电流,发火冲量、电阻、囊动试验,安全电流、串联试验、铅板试验、作用时间、静拉力试验、静电感度试验、设水试验。常规检验项目型式检验项目中除最小发火电流和发火冲量外的其余项目。4.2产品组批
产品的批量为3201~10000发,10001~35000发。检验中以不合格品率作为批的质量指标,采用三次抽样检查,
4.3逐批捡查计数抽样
避批检查计数抽样见表2。
表 2逐批检查不合格分类和抽样方案检查项目
震动试验
安全电流
申联试验和
铝板试验
作用时间
不合格分类
B类不合格:管体裂键、严重砂眼C类不合格;管体锈蚀、浮药、封口塞松动和过高过低,脚线芯线锈蚀和绝缘皮破摄
B 类不合格;断路、短路、电阻不稳C类不合格:电阻超差
A类不合格:震动爆炸
B类不合格:结构损坏,断路、短脂、电阻不毯A 类不合格:试验中发生爆炸
B类不合格,产品膳火、起爆不完全C 类不合格;丢炮、穿孔直径小于雷管外径B类不合格:作用时间>1. 0 mB
4.4周期检查计数抽样
周期检查计数抽样见表3。
抽样方案
梭查水平
20,20/0,2,1,2
检查项目
静拉力试验
静电感度或验
设水试验
GB/T 16625—1996
表3周期检查不合格分类和抽样方案不合格分类
封口塞移动,脚线扭坏
产品爆炸
产品进水瞻火,作用时间>1. 0 加3抽样方案的补充和说明见附录A(标准的附录)。5试验方法
5.1外观检查
目视检查。
5.2尺寸检查
用一般长度测量工具枪验。
5.3最小发火电流的测定
按GB 8031中的 3.2执行。
5. 4发火冲量的测定
按GB8031中的3.3执行。
5.5电阻的测定
按GB 8031中的3.1执行。
5.6震动试验
按GB8031中的3.7执行。
安全电流试验
试验电流为0.1.A恒定直流电流,方法按GB8031中的3.5执行。5.8串联试验
试验电流为3.5A恒定直流电流,方法按GB8031中的3.4执行。5.9铅板试验
试验电流为3.SA恒定直流电流,方法按GB/T13226执行。组成地展探电雷管的火雷管经铅板试验合格后,可不做此项试验。5.10作用时间的测定
试验电流为3.5A恒定直流电流,方法按GB/T13225执行。本试验使用的停止靶为光靶。
本试验允许与串联试验同时进行。5.11静拉力试验
按 GB 8031 中 3. 8执行。
5.12静电感度试验
按GJB 736.11中 5.2执行。
5.13漫水试验
水压2.94MP,时间72h,方法按GB/T13227执行。6标志、包装、贮存
按GB8031中的5执行,保证期为二年。抽样方案
检查水平
A1计数抽样的实施程序
静拉力试验
静电感度试验
A2样本大小不足时的处理
按GB8031中A5执行。
GB/T 16625—1996
附录A
(标准的附录)
抽样方案的补充和说明
无动试验
安全电流
串联试验和
磐板试验
灌水试验
作用时间
A3作用时间测定中产品出现瞎火(含非进水瞻火)和起爆不完全时的处理按GB8031中4.6.5执行。
逐批检查计数抽样的实施
逐批检查计数抽样的实施见表A1。表A1
0.4(外观B类不合格)
1. 0(外观 C 类不合格)
0.25(电阻B类不合格)
0. 4(电阻 C类不合格)
3 201-~10 000
1.0(串联试验和铅
板试验 B 类不合格>
1.5串联试验和铅
板试验C类不合格)
1.5(作用时间B类不合格)
逐批检查计数抽样的实施
检查水平日
正常检查
125,125/0,3+3,4
125,125/2,5,6,7
125,125/0,2,1.2
125,125/0,3,34
检查水
正带检查
32,32/0,2,1.2
32.32/0,3+3,4
20,20/0,21,2
加严检查此内容来自标准下载网
125,125/0,2;1,2
125,125/1,314,5
200,200/0.2,1.2
125,125/0,2,1.2
(200,200/0,3.3,4)
平 S-4
加严检查
50.50/0,2,1.2
32.32/0,2:1.2
(50.50/0.3:3,1)
32.32/0.2;1.2
放宽检查
50,50/0.2/1.2
50.50/0.3,3.4
BD.80/0.2*1.2
50,50/0,2:1,2
(80.80/0,2,1,2)
放竟检查
20/20/0.2,1.2
13,13/0,2+1,2
(2020/02,1.2)
13.13/0,2;1,2
10 001~35 000
0.4(外观B类不合格)
1.0(外观C类不合格)
GB/T 16625—1996
表A1(完)
检查水平1
正常检查
200,200/1,3+4+5
200,200/3,6,9,10
0.25(电阻B类不合格)
0.4(电阻C类不合格)
1.0(审联试验和铅
板试验B类不合格)
1.5(申联试验和铅
板试验C类不合格)
1.5(作用时间B类不合格)
A5周期检查计数抽样的实施
周期检查计数抽样的实施见表 A2。200,200/0,3:3.4
200,200/1,3+4,5
加严检查
200,200/0,3,3,4
200,200/2,5;6.7
200,200/0,2,1.2
200,200/0,3;3.4
检查水平S-4
正常检查
32.32/0,2;1,2
32,32/0.313,4
32.32/0,3/3,4
加严检查
50,50/0,2;1,2
32,32/0,2;1+2
(50,50/0,313,4)
32,32/0,2,1,2
表A2周期检查计数抽样的实施
检查水平I
10(静拉力试验)
10(静电惠度试验)
10(漫水试验)
抽样方案
20,20/0,2,1,2
20,20/0,2,1,2
20,20/0,21,2
放宽检查
80.80/0,2:1.2
80,80/1.3:4,5
80.80/0,2:1,2
80,80/0.2:1,2
放宽检查
20,20/0,2+1,2
13,13/0,2+1,2
(20.20/0,2+1,2)
13,13/02:1,2
小提示:此标准内容仅展示完整标准里的部分截取内容,若需要完整标准请到上方自行免费下载完整标准文档。
标准图片预览:





- 其它标准
- 热门标准
- 国家标准(GB)
- GB/T2828.1-2012 计数抽样检验程序 第1部分:按接收质量限(AQL)检索的逐批检验抽样计划
- GB50367-2013 混凝土结构加固设计规范
- GB/T18204.4-2000 公共场所毛巾、床上卧具微生物检验方法细菌总数测定
- GB/T3836.1-2021 爆炸性环境 第1部分:设备 通用要求
- GB5009.225-2023 食品安全国家标准 酒和食用酒精中乙醇浓度的测定
- GB/T11379-2008 金属覆盖层 工程用铬电镀层
- GB/T23892.3-2009 滑动轴承 稳态条件下流体动压可倾瓦块止推轴承 第3部分:可倾瓦块止推轴承计算的许用值
- GB/T18380.33-2022 电缆和光缆在火焰条件下的燃烧试验 第33部分:垂直安装的成束电线电缆火焰垂直蔓延试验 A类
- GB/T9145-2003 普通螺纹 中等精度、优选系列的极限尺寸
- GB/T9239-1988 刚性转子平衡品质 许用不平衡的确定
- GB/T15917.3-1995 金属镝及氧化镝化学分析方法 对氯苯基荧光酮--溴化十六烷基三甲基胺分光光度法测定钽量
- GB/T11839-1989 二氧化铀芯块中硼的测定 姜黄素萃取光度法
- GB/T6122.1-2002 圆角铣刀 第1部分:型式和尺寸
- GB/T7433-1987 对称电缆载波通信系统抗无线电广播和通信干扰的指标
- GB/T12053-1989 光学识别用字母数字字符集 第一部分:OCR-A字符集印刷图象的形状和尺寸
- 行业新闻
请牢记:“bzxz.net”即是“标准下载”四个汉字汉语拼音首字母与国际顶级域名“.net”的组合。 ©2025 标准下载网 www.bzxz.net 本站邮件:bzxznet@163.com
网站备案号:湘ICP备2025141790号-2
网站备案号:湘ICP备2025141790号-2