- 您的位置:
- 标准下载网 >>
- 标准分类 >>
- 国家标准(GB) >>
- GB 7543-1996 橡胶医用手套
标准号:
GB 7543-1996
标准名称:
橡胶医用手套
标准类别:
国家标准(GB)
英文名称:
Rubber medical gloves标准状态:
已作废-
发布日期:
1996-12-20 -
实施日期:
1997-03-01 -
作废日期:
2006-12-01 出版语种:
简体中文下载格式:
.rar.pdf下载大小:
174.92 KB
替代情况:
替代GB 7543-1987;被GB 7543-2006代替采标情况:
≠ISO/DIS 10282-90
点击下载
标准简介:
标准下载解压密码:www.bzxz.net
本标准规定了医疗手术用橡胶手套的技术要求及抽样方法。本标准适用于天然胶乳制成的医用手套。 GB 7543-1996 橡胶医用手套 GB7543-1996
部分标准内容:
中华人民共和国国家标准
用手套
橡胶医
Rubber surgical gloves
GB 7543—1996
代替GB7543-87
本标准非等效采用ISO/DIS10282:1990《-次性使用无菌外科橡胶手套规范》。1主题内容与适用范围
本标准规定了医疗手术用橡胶手套的技术要求及抽样方法。本标推适用于天然胶乳制成的医用手套。2引用标准
GB/T 528硫化橡胶和热塑性橡胶拉伸性能测定GB/T2828逐批检查计数抽样程序及抽样表(适用于连续批的检查)GB2941橡胶试样环境调节和试验标准温度、湿度及时间GB/T3512橡胶热空气老化试验方法GB/T5723硫化橡胶或热塑性橡胶试验用试样和制品尺寸的测定GB/T14831胶乳制品蒸汽老化试验方法3分类
按品种可分为两类:
光面:手套表面光滑,
非光面:手套表面有纹理或麻面。4材料
手套应由天然浓缩胶乳制造。所采用的任何材料应安全无害。任何利于穿戴手套的表面处理,如粉未隔离剂、润滑剂应按要求予以说明,任何表面处理剂应是生物可吸收的。5结构
5.1手套的大拇指应在食指前面,而不在其侧面,以便于操作。5.2袖口卷边应紧密完整,而没有扭转。6技术要求
6.1规格
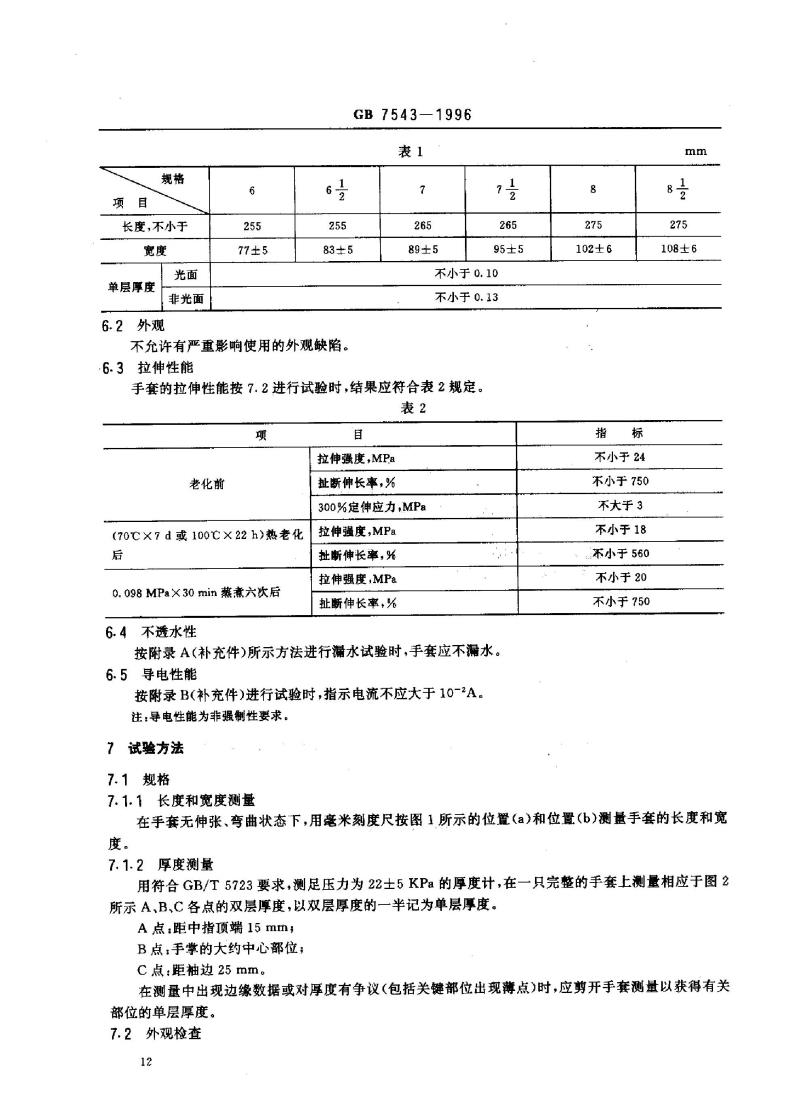
手套主要部位的尺寸按7.1进行测量,应符合表1规定。国家技术监督局1996-12-20批准1997-03-01实施
长度,不小于
单层厚度
非光面
6.2外观
GB7543—1996
不允许有严重影响使用的外观缺陷。6.3拉伸性能
不小于0.10
不小于0.13
手套的拉伸性能按7.2进行试验时,结果应符合表2规定。表2
老化前
(70℃×7d或100℃×22h)热老化后
0. 098MPa×30min蒸煮六次后
6.4不透水性
拉伸强度,MPa
扯断伸长率,%
300%定伸应力*MPa
拉伸强度,MPa
扯断伸长率,%
拉伸强度,MPa
扯断伸长率,%
按附录A(补充件)所示方法进行漏水试验时,手套应不漏水。6.5导电性能
按附录B(补充件)进行试验时,指示电流不应大于10-2A注:导电性能为非强制性要求。7试验方法
7.1规格
102±6
不小于24
不小于750
不大于3
不小于18
不小于560
不小于20
不小于750
108±6
7.1.1长度和宽度测量
在手套无伸张、弯曲状态下,用毫米刻度尺按图1所示的位置(a)和位置(b)测量手套的长度和宽度。
7.1.2厚度测量
用符合GB/T5723要求,测足压力为22士5KPa的厚度计,在一只完整的手套上测量相应于图2所示A、B、C各点的双层厚度,以双层厚度的一半记为单层厚度。A点:距中指顶端15mm#
B点:手掌的大约中心部位;
C 点:距袖边25 mm。
在测量中出现边缘数据或对厚度有争议(包括关键部位出现薄点)时,应剪开手套测量以获得有关部位的单层厚度。
7.2外观检查
Q#7543-1996
图 1 长度和宽度测量位置
图2厚度测量位置
GB 7543--1996
将手套在胶膜充气扩张约一一倍的情况下用人工检查。腕口部位用手拉伸扩张的方法,指部一般不扩张,当发现有缺陷时,可局部扩张约倍来检查。7.3拉伸性能
老化前、热老化后和蒸煮老化后的拉伸试验所用试样均应采用GB/T528规定的2型裁刀在未使用过的手套掌部或袖统部位裁取(应尽可能取光滑部位)。7.3.1老化前拉伸性能的测定,应按照GB/T528规定的试验方法进行试验。7.3.2热老化后拉伸性能的测定,应按照GB/T3512规定的试验方法,把试样置于70土2℃(或100士2℃)的烘箱老化7d(或22士0.3h)后,在4÷96h内,按照GB/T528规定的试验方法进行试验。7.3.3蒸煮老化后拉伸性能的测定,应按照GB/T14831.规定的试验方法进行试验,经0.098MPaX30min蒸煮六次后,在16~144h内,按照GB/T528规定的试验方法进行试验。7.4不透水性应按照附录A(补充件)规定的试验方法进行试验。7.5导电性能应按照附录B(补充件)规定的试验方法进行试验。8验收规则
实施抽样检查的单位产品为一双手套。8.1
8.2按GB/T2828组批、抽样,检查水平(IL)和合格质量水平(AQL)应符合表3规定。表3
规格(长、宽、厚)
不透水性
物理性能
(老化前,热老化后,蒸煮老化后)导电性能
8.3试验结果不超过表3规定的AQL值时,可认为手套符合本标准的要求。AQL
8.4试验结果若有一项超过表3规定的AQL值时,则认为手套不符合本标准的要求。可对不合格项目进行加严抽样检查一次,如仍不合格,则该批产品为不合格。8.5在工艺条件不变的情况下,热老化试验至少每半月进行一次。热老化试验的两种试验条件可任选种,仲裁试验条件为(70±2)℃×7d。8.6手套外观的验收,由供需双方商定。9包装与标志
9.1包装材料
包装分无菌和非无菌二种。无菌包装应具有双重包装。所有包装材料应具有足够的强度且不含有对手套质量及使用者有害的物质,以便在正常运输和贮存中不损坏手套,在正常使用中不损害使用者。9.2标志
每只手套掌面靠近正中,距边口20.mm处应有水洗不掉的清晰规格标志。为快速识别,也可在袖边涂上符合表4规定的颜色,以代替相应的规格标志。表4
9.3无菌包装标志
9.3.1内包装
GB 7543-1996
双手套装入一个内包装,内包装上应在与手套相应的位置注明“左”或“右”。9.3.2单位包装
内包装装入一个密闭的袋即为单位包装,单位包装应标明以下内容:a.
制造厂名,
产品名称、类别;
规格或颜色标志:
制造日期或生产批号:
“除非打开或损坏,本包装无菌”字样,灭菌方式、时间和灭菌有效期。中包装
把同一规格的若半个单位包装装成一盒即为中包装,中包装应标明以下内容:a.
制造厂名,
产品名称、类别;
规格或颜色标志,
制造日期或生产批号;
内装手套数量;
标准代号。
外包装
把同一规格的若干个中包装装成一箱,以便于安全运输和贮存。外包装应标明以下内容:a.
制造厂名,
产品名称、类别;
规格或颜色标志;
制造日期或生产批号,
内装手套数量;
灭菌方式、时间和灭菌有效期,标准代号。
9.4非无菌包装标志
单位包装
双手套装入一袋即为单位包装,单位包装应标明以下内容:制造厂名;
产品名称、类别,
规格或颜色标志;
制造日期或生产批号。
中包装
把同一规格的若干个单位包装装成一盒即为中包装,中包装应标明以下内容:a.
制造广名,
产品名称、类别,
规格或颜色标志;
制造日期或生产批号;
内装手套数量:
标准代号。
3外包装
GB75431996
把同一规格的若干个中包装装成一箱,以便于安全运输和贮存。外包装应标明以下内容:a.
制造厂名;
产品名称、类别,
规格或颜色标志,
制造日期或生产批号,
内装手套数量;
标准代号。
10运输与贮存
10.1手套在运输过程中应有邀盖物,并放置在干燥的地方,不得受潮受热。10.2手套应贮存在通风良好、阴凉干燥的仓库内(室内温度为30℃以下,相对湿度80%以下为宜),离地面20cm的货位上。应避免阳光或具有高紫外成分的强烈人造光直接射,库房内应没有能产生臭氧的装置。
10.3手套在贮存期间不得接触油、酸、碱、铜、锰及其他有害于橡胶的物质。10.4在上述保管条件下,手套自制造日期起12~18个月内,拉伸强度应不小于18MPa蒸煮六次后拉伸强度应不小于16MPa。
A1 萎量
GB 7543-1996
附巢 A
潇水遣
(补畜件)
A1. 1 在充水时,能夹住手套并保持其垂直状态的一种装置,该装重遵篇尺寸如图 A1 所示。A1.2量簡,客积1000mL。
A2步集
具。将手套缚在该装置中外径6cm的空心简上,把袖口边提到3.8cm处,用松紧带扎紧使水不外流。见图 A2。
b。 在室凝下,间避衡内充入 1 000 mL 水,在悬牲至少 2 min 后,观事是否水,并做好记录。如果一双手套中第一只不薄水,应继续对第二只按A2步赚试疫。餐手套若有一只漏水,该双手套为不合格。一双手套的二不水,该双手套为合糖。93
内表而线标wwW.bzxz.Net
B1装置
本试验装置如图B1所示。
B2试剂
3.75%的氯化钠水溶液。
B3步骤
GB7543—1996
附录B
导电性能试验
(补充件)
把手套套在支架套环上,向手套内充入3.75%的氟化钠水溶液至深度200士10mm,并浸人37土2℃的氯化钠水溶液中,如图B1所示。然后在手套中插入一电极,接通24V、50Hz的交流电,30min后,记录微安计指示的电流值。
附加说明:
徽安计
GB7543—1996
稳流器
24V50H
本标准由中华人民共和国化学工业部提出。本标准由化学工业部乳胶工业研究所归口。本标准由化学工业部乳胶工业研究所负责起草。本标准主要起草人李啸梅、阮旭、谭运华。记录仪
3.759%6的氯化钠
水酶液
绝缘不诱钢精
小提示:此标准内容仅展示完整标准里的部分截取内容,若需要完整标准请到上方自行免费下载完整标准文档。
用手套
橡胶医
Rubber surgical gloves
GB 7543—1996
代替GB7543-87
本标准非等效采用ISO/DIS10282:1990《-次性使用无菌外科橡胶手套规范》。1主题内容与适用范围
本标准规定了医疗手术用橡胶手套的技术要求及抽样方法。本标推适用于天然胶乳制成的医用手套。2引用标准
GB/T 528硫化橡胶和热塑性橡胶拉伸性能测定GB/T2828逐批检查计数抽样程序及抽样表(适用于连续批的检查)GB2941橡胶试样环境调节和试验标准温度、湿度及时间GB/T3512橡胶热空气老化试验方法GB/T5723硫化橡胶或热塑性橡胶试验用试样和制品尺寸的测定GB/T14831胶乳制品蒸汽老化试验方法3分类
按品种可分为两类:
光面:手套表面光滑,
非光面:手套表面有纹理或麻面。4材料
手套应由天然浓缩胶乳制造。所采用的任何材料应安全无害。任何利于穿戴手套的表面处理,如粉未隔离剂、润滑剂应按要求予以说明,任何表面处理剂应是生物可吸收的。5结构
5.1手套的大拇指应在食指前面,而不在其侧面,以便于操作。5.2袖口卷边应紧密完整,而没有扭转。6技术要求
6.1规格
手套主要部位的尺寸按7.1进行测量,应符合表1规定。国家技术监督局1996-12-20批准1997-03-01实施
长度,不小于
单层厚度
非光面
6.2外观
GB7543—1996
不允许有严重影响使用的外观缺陷。6.3拉伸性能
不小于0.10
不小于0.13
手套的拉伸性能按7.2进行试验时,结果应符合表2规定。表2
老化前
(70℃×7d或100℃×22h)热老化后
0. 098MPa×30min蒸煮六次后
6.4不透水性
拉伸强度,MPa
扯断伸长率,%
300%定伸应力*MPa
拉伸强度,MPa
扯断伸长率,%
拉伸强度,MPa
扯断伸长率,%
按附录A(补充件)所示方法进行漏水试验时,手套应不漏水。6.5导电性能
按附录B(补充件)进行试验时,指示电流不应大于10-2A注:导电性能为非强制性要求。7试验方法
7.1规格
102±6
不小于24
不小于750
不大于3
不小于18
不小于560
不小于20
不小于750
108±6
7.1.1长度和宽度测量
在手套无伸张、弯曲状态下,用毫米刻度尺按图1所示的位置(a)和位置(b)测量手套的长度和宽度。
7.1.2厚度测量
用符合GB/T5723要求,测足压力为22士5KPa的厚度计,在一只完整的手套上测量相应于图2所示A、B、C各点的双层厚度,以双层厚度的一半记为单层厚度。A点:距中指顶端15mm#
B点:手掌的大约中心部位;
C 点:距袖边25 mm。
在测量中出现边缘数据或对厚度有争议(包括关键部位出现薄点)时,应剪开手套测量以获得有关部位的单层厚度。
7.2外观检查
Q#7543-1996
图 1 长度和宽度测量位置
图2厚度测量位置
GB 7543--1996
将手套在胶膜充气扩张约一一倍的情况下用人工检查。腕口部位用手拉伸扩张的方法,指部一般不扩张,当发现有缺陷时,可局部扩张约倍来检查。7.3拉伸性能
老化前、热老化后和蒸煮老化后的拉伸试验所用试样均应采用GB/T528规定的2型裁刀在未使用过的手套掌部或袖统部位裁取(应尽可能取光滑部位)。7.3.1老化前拉伸性能的测定,应按照GB/T528规定的试验方法进行试验。7.3.2热老化后拉伸性能的测定,应按照GB/T3512规定的试验方法,把试样置于70土2℃(或100士2℃)的烘箱老化7d(或22士0.3h)后,在4÷96h内,按照GB/T528规定的试验方法进行试验。7.3.3蒸煮老化后拉伸性能的测定,应按照GB/T14831.规定的试验方法进行试验,经0.098MPaX30min蒸煮六次后,在16~144h内,按照GB/T528规定的试验方法进行试验。7.4不透水性应按照附录A(补充件)规定的试验方法进行试验。7.5导电性能应按照附录B(补充件)规定的试验方法进行试验。8验收规则
实施抽样检查的单位产品为一双手套。8.1
8.2按GB/T2828组批、抽样,检查水平(IL)和合格质量水平(AQL)应符合表3规定。表3
规格(长、宽、厚)
不透水性
物理性能
(老化前,热老化后,蒸煮老化后)导电性能
8.3试验结果不超过表3规定的AQL值时,可认为手套符合本标准的要求。AQL
8.4试验结果若有一项超过表3规定的AQL值时,则认为手套不符合本标准的要求。可对不合格项目进行加严抽样检查一次,如仍不合格,则该批产品为不合格。8.5在工艺条件不变的情况下,热老化试验至少每半月进行一次。热老化试验的两种试验条件可任选种,仲裁试验条件为(70±2)℃×7d。8.6手套外观的验收,由供需双方商定。9包装与标志
9.1包装材料
包装分无菌和非无菌二种。无菌包装应具有双重包装。所有包装材料应具有足够的强度且不含有对手套质量及使用者有害的物质,以便在正常运输和贮存中不损坏手套,在正常使用中不损害使用者。9.2标志
每只手套掌面靠近正中,距边口20.mm处应有水洗不掉的清晰规格标志。为快速识别,也可在袖边涂上符合表4规定的颜色,以代替相应的规格标志。表4
9.3无菌包装标志
9.3.1内包装
GB 7543-1996
双手套装入一个内包装,内包装上应在与手套相应的位置注明“左”或“右”。9.3.2单位包装
内包装装入一个密闭的袋即为单位包装,单位包装应标明以下内容:a.
制造厂名,
产品名称、类别;
规格或颜色标志:
制造日期或生产批号:
“除非打开或损坏,本包装无菌”字样,灭菌方式、时间和灭菌有效期。中包装
把同一规格的若半个单位包装装成一盒即为中包装,中包装应标明以下内容:a.
制造厂名,
产品名称、类别;
规格或颜色标志,
制造日期或生产批号;
内装手套数量;
标准代号。
外包装
把同一规格的若干个中包装装成一箱,以便于安全运输和贮存。外包装应标明以下内容:a.
制造厂名,
产品名称、类别;
规格或颜色标志;
制造日期或生产批号,
内装手套数量;
灭菌方式、时间和灭菌有效期,标准代号。
9.4非无菌包装标志
单位包装
双手套装入一袋即为单位包装,单位包装应标明以下内容:制造厂名;
产品名称、类别,
规格或颜色标志;
制造日期或生产批号。
中包装
把同一规格的若干个单位包装装成一盒即为中包装,中包装应标明以下内容:a.
制造广名,
产品名称、类别,
规格或颜色标志;
制造日期或生产批号;
内装手套数量:
标准代号。
3外包装
GB75431996
把同一规格的若干个中包装装成一箱,以便于安全运输和贮存。外包装应标明以下内容:a.
制造厂名;
产品名称、类别,
规格或颜色标志,
制造日期或生产批号,
内装手套数量;
标准代号。
10运输与贮存
10.1手套在运输过程中应有邀盖物,并放置在干燥的地方,不得受潮受热。10.2手套应贮存在通风良好、阴凉干燥的仓库内(室内温度为30℃以下,相对湿度80%以下为宜),离地面20cm的货位上。应避免阳光或具有高紫外成分的强烈人造光直接射,库房内应没有能产生臭氧的装置。
10.3手套在贮存期间不得接触油、酸、碱、铜、锰及其他有害于橡胶的物质。10.4在上述保管条件下,手套自制造日期起12~18个月内,拉伸强度应不小于18MPa蒸煮六次后拉伸强度应不小于16MPa。
A1 萎量
GB 7543-1996
附巢 A
潇水遣
(补畜件)
A1. 1 在充水时,能夹住手套并保持其垂直状态的一种装置,该装重遵篇尺寸如图 A1 所示。A1.2量簡,客积1000mL。
A2步集
具。将手套缚在该装置中外径6cm的空心简上,把袖口边提到3.8cm处,用松紧带扎紧使水不外流。见图 A2。
b。 在室凝下,间避衡内充入 1 000 mL 水,在悬牲至少 2 min 后,观事是否水,并做好记录。如果一双手套中第一只不薄水,应继续对第二只按A2步赚试疫。餐手套若有一只漏水,该双手套为不合格。一双手套的二不水,该双手套为合糖。93
内表而线标wwW.bzxz.Net
B1装置
本试验装置如图B1所示。
B2试剂
3.75%的氯化钠水溶液。
B3步骤
GB7543—1996
附录B
导电性能试验
(补充件)
把手套套在支架套环上,向手套内充入3.75%的氟化钠水溶液至深度200士10mm,并浸人37土2℃的氯化钠水溶液中,如图B1所示。然后在手套中插入一电极,接通24V、50Hz的交流电,30min后,记录微安计指示的电流值。
附加说明:
徽安计
GB7543—1996
稳流器
24V50H
本标准由中华人民共和国化学工业部提出。本标准由化学工业部乳胶工业研究所归口。本标准由化学工业部乳胶工业研究所负责起草。本标准主要起草人李啸梅、阮旭、谭运华。记录仪
3.759%6的氯化钠
水酶液
绝缘不诱钢精
小提示:此标准内容仅展示完整标准里的部分截取内容,若需要完整标准请到上方自行免费下载完整标准文档。
标准图片预览:





- 其它标准
- 上一篇: GB 4491-1993 橡胶输血胶管
- 下一篇: GB 3778-1994 橡胶用炭黑
- 热门标准
- 国家标准(GB)
- GB/T18204.4-2000 公共场所毛巾、床上卧具微生物检验方法细菌总数测定
- GB/T12053-1989 光学识别用字母数字字符集 第一部分:OCR-A字符集印刷图象的形状和尺寸
- GB/T11839-1989 二氧化铀芯块中硼的测定 姜黄素萃取光度法
- GB/T6122.1-2002 圆角铣刀 第1部分:型式和尺寸
- GB/T23892.3-2009 滑动轴承 稳态条件下流体动压可倾瓦块止推轴承 第3部分:可倾瓦块止推轴承计算的许用值
- GB13851-2022 内河交通安全标志
- GB/T9145-2003 普通螺纹 中等精度、优选系列的极限尺寸
- GB50209-2002 建筑地面工程施工质量验收规范
- GB/T7433-1987 对称电缆载波通信系统抗无线电广播和通信干扰的指标
- GB/T21238-2007 玻璃纤维增强塑料夹砂管
- GB17945-2024 消防应急照明和疏散指示系统
- GB/T9239-1988 刚性转子平衡品质 许用不平衡的确定
- GB/T15917.3-1995 金属镝及氧化镝化学分析方法 对氯苯基荧光酮--溴化十六烷基三甲基胺分光光度法测定钽量
- GB/T13985-1992 照相机操作力和强度
- GB/T28809-2012 轨道交通 通信、信号和处理系统 信号用安全相关电子系统
- 行业新闻
请牢记:“bzxz.net”即是“标准下载”四个汉字汉语拼音首字母与国际顶级域名“.net”的组合。 ©2025 标准下载网 www.bzxz.net 本站邮件:bzxznet@163.com
网站备案号:湘ICP备2025141790号-2
网站备案号:湘ICP备2025141790号-2