- 您的位置:
- 标准下载网 >>
- 标准分类 >>
- 其他行业标准 >>
- FZ/T 92012-2018布铗链条
标准号:
FZ/T 92012-2018
标准名称:
布铗链条
标准类别:
其他行业标准
英文名称:
Chain for clips标准状态:
现行-
发布日期:
2018-10-22 -
实施日期:
2019-04-01 出版语种:
简体中文下载格式:
.pdf .zip
标准ICS号:
纺织和皮革技术>>纺织机械>>59.120.50印染和整理机械设备中标分类号:
纺织>>纺织机械与器具>>W95染整机械与器具
替代情况:
替代FZ/T 92012-2008
起草人:
张才男、卞东华、李立平、陈金平、刘春、周生勇起草单位:
江苏小太阳机械科技有限公司、江苏建业机械制造有限公司、国家纺织机械质量监督检验、福建佶龙机械科技股份有限公司、邵阳纺织机械有限责任公司、佛山市三技克郎茨机械有限公司归口单位:
全国纺织机械与附件标准化技术委员会纺纱、染整机械分技术委员会(SAC/TC 215/SC 1)提出单位:
中国纺织工业联合会发布部门:
工业和信息化部主管部门:
工业和信息化部相关标签:
链条
点击下载
标准简介:
本标准规定了布铗链条的分类、标记、参数和适用条件、要求、试验方法、检验规则、标志、包装、运输和贮存。
本标准适用于棉、化纤及混纺等各类织物及非织造布进行丝光、拉幅、定形等机械用的布铗链条。
部分标准内容:
ICS59.120.50
中华人民共和国纺织行业标准
FZ/T92012—2018
代替FZ/T92012—2009
布侠链条
Chain for clips
2018-10-22发布
中华人民共和国工业和信息化部2019-04-01实施
本标准按照GB/T1.1一2009给出的规则起草。FZ/T92012-2018
本标准代替FZ/T92012—2009《布侠链条》,与FZ/T92012一2009相比主要技术变化如下:修改了分类(见3.1,2009年版的3.1);增加了适用条件(见3.3.2);
链板抗拉强度改为布侠链条承受拉力的要求(见4.2,2009年版的4.2);链板抗拉强度的试验方法改为布侠链条承受拉力的试验方法(见5.2,2009年版的5.2)。本标准由中国纺织工业联合会提出。本标准由全国纺织机械与附件标准化技术委员会纺纱、染整机械分技术委员会(SAC/TC215/SC1)归口。
本标准起草单位:江苏小太阳机械科技有限公司、江苏建业机械制造有限公司、国家纺织机械质量监督检验、福建估龙机械科技股份有限公司、邵阳纺织机械有限责任公司、佛山市三技克郎茨机械有限公司。
本标准主要起草人:张才男、下东华、李立平、陈金平、刘春、周生勇。本标准所代替标准的历次版本发布情况为:-FZ/T92012—1991、FZ/T92012—1998、FZ/T92012--2009。范围
布侠链条
FZ/T92012—2018
本标准规定了布侠链条的分类、标记、参数和适用条件、要求、试验方法、检验规则、标志、包装、运输和贮存。
本标准适用于棉、化纤及混纺等各类织物及非织造布进行丝光、拉幅、定形等机械用的布铁链条。2规范性引用文件
下列文件对于本文件的应用是必不可少的。凡是注日期的引用文件,仅注日期的版本适用于本文件。凡是不注日期的引用文件,其最新版本(包括所有的修改单)适用于本文件。GB/T191
包装储运图示标志
GB/T2828.1—2012
第1部分:按接收质量限(AQL)检索的逐批检验抽样计数抽样检验程序
FZ/T90001
纺织机械产品包装
分类、标记、参数和适用条件
3.1分类
布侠链条按运行方式分为:
卧式布侠链条;
-立式布侠链条。
按结构型式分为:
滑动拖板式;
滑动轴承式;
滚动轴承式。
按润滑方式分为:
自润滑;
油、油脂润滑。
3.2标记
标记内容
标记依次包含以下内容:
运行方式代号
布铁链条节距代号
布侠链条代号
产品型号代号
企业代号
FZ/T92012—2018
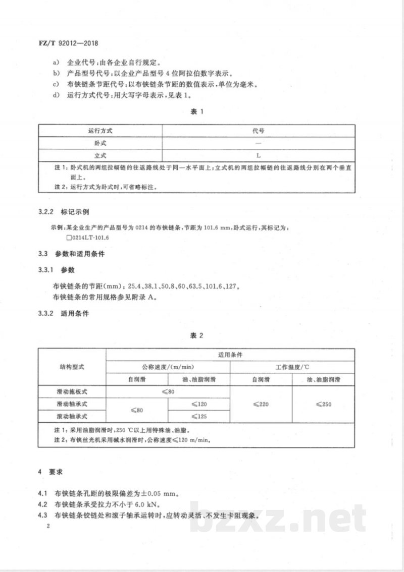
企业代号:由各企业自行规定。产品型号代号:以企业产品型号4位阿拉伯数字表示。布侠链条节距代号:以布侠链条节距的数值表示,单位为毫米。运行方式代号:用大写字母表示,见表1。表1
运行方式
注1:卧式机的两组拉幅链的往返路线处于同一水平面上;立式机的两组拉幅链的往返路线分别在两个垂直面上。
注2:运行方式为卧式时,可省略标注。3.2.2标记示例
示例:某企业生产的产品型号为0214的布铁链条,节距为101.6mm,卧式运行,其标记为:0214LT-101.6
3.3参数和适用条件
3.3.1参数
布侠链条的节距(mm):25.4、38.1、50.8、60、63.5、101.6、127。布侠链条的常用规格参见附录A。3.3.2适用条件
适用条件
结构型式
滑动拖板式
滑动轴承式
滚动轴承式
公称速度/(m/min)
自润滑
油、油脂润滑
≤120
≤125
注1:采用油脂润滑时,250℃以上用特殊油、油脂。注2:布缺丝光机采用碱水润滑时,公称速度≤120m/min。4要求
布侠链条孔距的极限偏差为士0.05mm。4.1
4.2布侠链条承受拉力不小于6.0kN。自润滑此内容来自标准下载网
≤220
4.3布侠链条铰链处和滚子轴承运转时,应转动灵活、不发生卡阻现象。2
工作温度/℃
油、油脂润滑
≤250
FZ/T92012—2018
4.4五套卧式布侠链条连接后,安装布侠的链板宽度为50mm时,两相邻安装面的高度差不大于0.5mm,在全长范围内的高度差不大于1.0mm。当安装布铁的链板宽度大于或小于50mm时,允许按上述规定的链板宽度进行比例折算。4.5五套立式布侠链条连接后,安装布侠的链板宽度为50mm时,两相邻安装面的高度差不大于1.0mm,在全长范围内的高度差不大于1.5mm。当安装布侠的链板宽度大于或小于50mm时,允许按上述规定的链板宽度进行比例折算。5试验方法
5.1布侠链条孔距的极限偏差(4.1),用专用检具检测。5.2布侠链条承受拉力(4.2),用五套布铁链条连接后,用拉力机检测,6.0kN拉力保持1h。布侠链条延伸应小于0.05mm。
5.3五套卧式或立式布侠链条连接后的高度差(4.4、4.5),将五套布侠链条连接张紧后在导轨或模拟导轨上用高度尺检测。
5.4其余项目以感观检测。
6检验规则
型式检验
产品在下列情况之一时,应进行型式检验:a)
新产品鉴定时;
生产过程中,如结构、材料、工艺有较大改变,可能影响产品性能时;c)
正常生产时,定期或积累一定产量后,应进行一次周期性检验;d)
出厂检验结果与上次型式检验有较大差异时;e)
第三方进行质量检验时。
检验项目:第4章全部项目。
6.2出厂检验
产品均应经生产企业检验部门检验合格,并附有合格证方能出厂。6.2.1
6.2.2检验项目:4.1、4.3。
6.3抽样方法和判定规则
6.3.1按GB/T2828.1一2012的规定,采用正常检验一次抽样方案,从正常检验开始,选用一般检验水平I,接收质量限AQL为1.5。
6.3.2样本经过检验,若不合格品数小于拒收数,则判定该样本符合标准的要求;反之,判定该样本不符合标准的要求。
6.3.3用户在安装调试过程中,发现有项目不符合本标准时,生产企业应会同用户共同处理。.7标志
7.1布侠链条表面应有企业标志。7.2包装箱上的储运图示标志,按GB/T191的规定。3
FZ/T 92012—2018
包装、运输和贮存
8.1产品的包装,按FZ/T90001的规定。8.2产品在运输过程中,包装箱应按规定的朝向安置,不得倾斜或改变方向。8.3产品出厂后,在良好的防雨及通风贮存条件下,包装箱内的产品防潮、防锈有效期为1年。布侠链条常用规格见表A.1。
布侠链条节距
滚子外径Φ
滚动轴承外径争
附录A
(资料性附录)
布铁链条常用规格
常用规格
FZ/T92012-2018
单位为毫米
FZ/T92012-2018
打印日期:2019年4月1日F007
中华人民共和国纺织
行业标准
布侠链条
FZ/T92012-—2018
中国标准出版社出版发行
北京市朝阳区和平里西街甲2号(100029)北京市西城区三里河北街16号(100045)网址www.spc.net.cn
总编室:(010)68533533发行中心:(010)51780238读者服务部:(010)68523946
中国标准出版社秦皇岛印刷厂印刷各地新华书店经销
开本880×12301/16印张0.75字数20千字2019年3月第一版2019年3月第一次印刷*
书号:155066·2-33668定价16.00元如有印装差错由本社发行中心调换版权专有侵权必究
举报电话:(010)68510107
小提示:此标准内容仅展示完整标准里的部分截取内容,若需要完整标准请到上方自行免费下载完整标准文档。
中华人民共和国纺织行业标准
FZ/T92012—2018
代替FZ/T92012—2009
布侠链条
Chain for clips
2018-10-22发布
中华人民共和国工业和信息化部2019-04-01实施
本标准按照GB/T1.1一2009给出的规则起草。FZ/T92012-2018
本标准代替FZ/T92012—2009《布侠链条》,与FZ/T92012一2009相比主要技术变化如下:修改了分类(见3.1,2009年版的3.1);增加了适用条件(见3.3.2);
链板抗拉强度改为布侠链条承受拉力的要求(见4.2,2009年版的4.2);链板抗拉强度的试验方法改为布侠链条承受拉力的试验方法(见5.2,2009年版的5.2)。本标准由中国纺织工业联合会提出。本标准由全国纺织机械与附件标准化技术委员会纺纱、染整机械分技术委员会(SAC/TC215/SC1)归口。
本标准起草单位:江苏小太阳机械科技有限公司、江苏建业机械制造有限公司、国家纺织机械质量监督检验、福建估龙机械科技股份有限公司、邵阳纺织机械有限责任公司、佛山市三技克郎茨机械有限公司。
本标准主要起草人:张才男、下东华、李立平、陈金平、刘春、周生勇。本标准所代替标准的历次版本发布情况为:-FZ/T92012—1991、FZ/T92012—1998、FZ/T92012--2009。范围
布侠链条
FZ/T92012—2018
本标准规定了布侠链条的分类、标记、参数和适用条件、要求、试验方法、检验规则、标志、包装、运输和贮存。
本标准适用于棉、化纤及混纺等各类织物及非织造布进行丝光、拉幅、定形等机械用的布铁链条。2规范性引用文件
下列文件对于本文件的应用是必不可少的。凡是注日期的引用文件,仅注日期的版本适用于本文件。凡是不注日期的引用文件,其最新版本(包括所有的修改单)适用于本文件。GB/T191
包装储运图示标志
GB/T2828.1—2012
第1部分:按接收质量限(AQL)检索的逐批检验抽样计数抽样检验程序
FZ/T90001
纺织机械产品包装
分类、标记、参数和适用条件
3.1分类
布侠链条按运行方式分为:
卧式布侠链条;
-立式布侠链条。
按结构型式分为:
滑动拖板式;
滑动轴承式;
滚动轴承式。
按润滑方式分为:
自润滑;
油、油脂润滑。
3.2标记
标记内容
标记依次包含以下内容:
运行方式代号
布铁链条节距代号
布侠链条代号
产品型号代号
企业代号
FZ/T92012—2018
企业代号:由各企业自行规定。产品型号代号:以企业产品型号4位阿拉伯数字表示。布侠链条节距代号:以布侠链条节距的数值表示,单位为毫米。运行方式代号:用大写字母表示,见表1。表1
运行方式
注1:卧式机的两组拉幅链的往返路线处于同一水平面上;立式机的两组拉幅链的往返路线分别在两个垂直面上。
注2:运行方式为卧式时,可省略标注。3.2.2标记示例
示例:某企业生产的产品型号为0214的布铁链条,节距为101.6mm,卧式运行,其标记为:0214LT-101.6
3.3参数和适用条件
3.3.1参数
布侠链条的节距(mm):25.4、38.1、50.8、60、63.5、101.6、127。布侠链条的常用规格参见附录A。3.3.2适用条件
适用条件
结构型式
滑动拖板式
滑动轴承式
滚动轴承式
公称速度/(m/min)
自润滑
油、油脂润滑
≤120
≤125
注1:采用油脂润滑时,250℃以上用特殊油、油脂。注2:布缺丝光机采用碱水润滑时,公称速度≤120m/min。4要求
布侠链条孔距的极限偏差为士0.05mm。4.1
4.2布侠链条承受拉力不小于6.0kN。自润滑此内容来自标准下载网
≤220
4.3布侠链条铰链处和滚子轴承运转时,应转动灵活、不发生卡阻现象。2
工作温度/℃
油、油脂润滑
≤250
FZ/T92012—2018
4.4五套卧式布侠链条连接后,安装布侠的链板宽度为50mm时,两相邻安装面的高度差不大于0.5mm,在全长范围内的高度差不大于1.0mm。当安装布铁的链板宽度大于或小于50mm时,允许按上述规定的链板宽度进行比例折算。4.5五套立式布侠链条连接后,安装布侠的链板宽度为50mm时,两相邻安装面的高度差不大于1.0mm,在全长范围内的高度差不大于1.5mm。当安装布侠的链板宽度大于或小于50mm时,允许按上述规定的链板宽度进行比例折算。5试验方法
5.1布侠链条孔距的极限偏差(4.1),用专用检具检测。5.2布侠链条承受拉力(4.2),用五套布铁链条连接后,用拉力机检测,6.0kN拉力保持1h。布侠链条延伸应小于0.05mm。
5.3五套卧式或立式布侠链条连接后的高度差(4.4、4.5),将五套布侠链条连接张紧后在导轨或模拟导轨上用高度尺检测。
5.4其余项目以感观检测。
6检验规则
型式检验
产品在下列情况之一时,应进行型式检验:a)
新产品鉴定时;
生产过程中,如结构、材料、工艺有较大改变,可能影响产品性能时;c)
正常生产时,定期或积累一定产量后,应进行一次周期性检验;d)
出厂检验结果与上次型式检验有较大差异时;e)
第三方进行质量检验时。
检验项目:第4章全部项目。
6.2出厂检验
产品均应经生产企业检验部门检验合格,并附有合格证方能出厂。6.2.1
6.2.2检验项目:4.1、4.3。
6.3抽样方法和判定规则
6.3.1按GB/T2828.1一2012的规定,采用正常检验一次抽样方案,从正常检验开始,选用一般检验水平I,接收质量限AQL为1.5。
6.3.2样本经过检验,若不合格品数小于拒收数,则判定该样本符合标准的要求;反之,判定该样本不符合标准的要求。
6.3.3用户在安装调试过程中,发现有项目不符合本标准时,生产企业应会同用户共同处理。.7标志
7.1布侠链条表面应有企业标志。7.2包装箱上的储运图示标志,按GB/T191的规定。3
FZ/T 92012—2018
包装、运输和贮存
8.1产品的包装,按FZ/T90001的规定。8.2产品在运输过程中,包装箱应按规定的朝向安置,不得倾斜或改变方向。8.3产品出厂后,在良好的防雨及通风贮存条件下,包装箱内的产品防潮、防锈有效期为1年。布侠链条常用规格见表A.1。
布侠链条节距
滚子外径Φ
滚动轴承外径争
附录A
(资料性附录)
布铁链条常用规格
常用规格
FZ/T92012-2018
单位为毫米
FZ/T92012-2018
打印日期:2019年4月1日F007
中华人民共和国纺织
行业标准
布侠链条
FZ/T92012-—2018
中国标准出版社出版发行
北京市朝阳区和平里西街甲2号(100029)北京市西城区三里河北街16号(100045)网址www.spc.net.cn
总编室:(010)68533533发行中心:(010)51780238读者服务部:(010)68523946
中国标准出版社秦皇岛印刷厂印刷各地新华书店经销
开本880×12301/16印张0.75字数20千字2019年3月第一版2019年3月第一次印刷*
书号:155066·2-33668定价16.00元如有印装差错由本社发行中心调换版权专有侵权必究
举报电话:(010)68510107
小提示:此标准内容仅展示完整标准里的部分截取内容,若需要完整标准请到上方自行免费下载完整标准文档。
标准图片预览:





- 其它标准
- 上一篇: FZ/T 95031-2021气流染色机
- 下一篇: FZ/T 92039-2017布铗
- 热门标准
- 其他行业标准
- QB/T2289.4-2012 园艺工具 剪枝剪
- DGJ08-2117-2012 装配整体式混凝土结构施工及质量验收规范
- JB/T11313-2012 电袋复合除尘器用旁路阀
- YB/T027-2009 SY型高刚度轧钢机
- FZ/T10014-2011 纺织上浆用聚丙烯酸类浆料试验方法 pH值测定
- FZ/T14020-2020 涂料染色水洗棉布
- FZ/T72025-2019 西裤用针织面料
- QDLBG0001S-2016 吉林绿波中药药业有限公司 桦褐孔菌茶
- QJDSD0004S-2016 吉林德尚得生物科技有限公司 短梗五加鹿茸血饮液
- FZ/T73046-2020 一体成型文胸
- CECS219-2007 简易自动喷水灭火系统应用技术规程(附条文说明)
- 91SJ803 中悬钢天窗(1/2、1/4中悬)
- DGTJ08-211-2014 假山叠石工程施工规程
- NB/T34011-2012 生物质气化集中供气污水处理装置技术规范
- JB/T5332.4-2011 额定电压3.6/6kV及以下电动潜油泵电缆 第4部分:电动潜油泵圆形电力电缆
- 行业新闻
请牢记:“bzxz.net”即是“标准下载”四个汉字汉语拼音首字母与国际顶级域名“.net”的组合。 ©2025 标准下载网 www.bzxz.net 本站邮件:bzxznet@163.com
网站备案号:湘ICP备2025141790号-2
网站备案号:湘ICP备2025141790号-2