- 您的位置:
- 标准下载网 >>
- 标准分类 >>
- 其他行业标准 >>
- YS/T 118.15-2012重有色冶金炉窑热平衡测定与计算方法(吹炼转炉)
标准号:
YS/T 118.15-2012
标准名称:
重有色冶金炉窑热平衡测定与计算方法(吹炼转炉)
标准类别:
其他行业标准
英文名称:
Methods of determination and calculation of heat balance in metallurgical furnaces for heavy non-ferrous metals(Converter)标准状态:
现行-
发布日期:
2012-11-07 -
实施日期:
2013-03-01 出版语种:
简体中文下载格式:
.pdf .zip
替代情况:
替代YS/T 118.15-1992
点击下载
标准简介:
本标准规定了吹炼转炉热平衡测定与计算基准、设备概况与生产工艺流程、热平衡测定条件、热平衡测定项目与方法、物料平衡、热平衡、主要能耗指标、热平衡测定结果分析与改进建议。
本标准适用于吹炼铜冰铜或低冰镍的卧式转炉。
本部分按照GB/T1.1—2009给出的规则起草。
本部分代替YS/T118.15—1992《重有色冶金炉窑热平衡测定与计算方法(吹炼转炉)》。与YS/T118.15—1992相比,主要变化如下:
———增加了余热锅炉的测定与计算;
———增加部分反映转炉运行技术参数或指标的项目;
———删除不能反映转炉运行技术参数或指标的项目。
本部分由全国有色金属标准化技术委员会(SAC/TC243)归口。
本部分负责起草单位:金川集团有限公司。
本部分参加起草单位:中南大学。
本部分主要起草人:岳占斌、高永红、马爱纯、涂胡炳、万爱东、李光、吴亚辉、朱启保、刘世和。
本部分所代替标准的历次版本发布情况为:
———YS/T118.15—1992。
部分标准内容:
ICS 77.120
中华人民共和国有色金属行业标准YS/T118.15—2012
代替YS/T118.15-1992
重有色治金炉窑热平衡测定与计算方法(吹炼转炉)
Methods of determination and calculation of heat balance in metallurgicalfurnaces for heavy non-ferrous metals(Converter)
2012-11-07发布
中华人民共和国工业和信息化部发布
2013-03-01实施
中华人民共和国有色金属
行业标准
叠有色冶金炉窑热平衡测定与计算方法(吹炼转炉)
YS/T118.15-—2012
中国标准出版社出版发行
北京市朝阳区和平里西街甲2号(100013)北京市西城区三里河北街16号(100045)网址www.spc.net.cn
总编室:(010)64275323发行中心:(010)51780235读者服务部:(010)68523946
中国标准出版社秦皇岛印刷厂印刷各地新华书店经销
5字数33千字
开本880×12301/16
印张1.25
2013年3月第一版
2013年3月第一次印刷
书号:155066·2-24427
告由本社发行中心调换
如有印装差错
版权专有侵权必究
举报电话:(010)68510107
本部分按照GB/T1.1一2009给出的规则起草。YS/T 118.15—2012
本部分代替YS/T118.15一1992《重有色冶金炉窑热平衡测定与计算方法(吹炼转炉)》。与YS/T118.15—1992相比,主要变化如下:增加了余热锅炉的测定与计算;一增加部分反映转炉运行技术参数或指标的项目;删除不能反映转炉运行技术参数或指标的项目。本部分由全国有色金属标准化技术委员会(SAC/TC243)归口。本部分负责起草单位:金川集团有限公司。本部分参加起草单位:中南大学。本部分主要起草人:岳占斌、高永红、马爱纯、涂胡炳、万爱东、李光、吴亚辉、朱启保、刘世和。本部分所代替标准的历次版本发布情况为:-YS/T118.15--1992。
1范围
重有色冶金炉窑热平衡测定与计算方法(吹炼转炉)
YS/T118.15—2012
YS/T118的本部分规定了吹炼转炉热平衡测定与计算基准,设备概况与生产工艺流程、热平衡测定条件、热平衡测定项目与方法、物料平衡、热平衡、主要能耗指标、热平衡测定结果分析与改进建议。本部分适用于吹炼铜冰铜或低冰镍的卧式转炉。2热平衡测定与计算基准
2.1基准温度和压力
采用吹炼转炉环境温度为基准温度。基准压力为1个标准大气压,即101325帕(Pa)。2.2热平衡测定体系
本部分以吹炼转炉为热平衡体系。物料平衡和热平衡从人炉风、炉料的人口至粗铜或高镍毓、炉渣、余热锅炉烟气出口为止。
2.3计算单位
物料平衡和热平衡均以一炉操作周期为计算基准,即kg/炉和kJ/炉。3设备概况与生产工艺流程
设备概况
吹炼转炉设备概况按表1填写。
表1设备概况
炉子编号
炉子规格(直径×长)
标称容量
风口数量
风口直径
风口总面积
YS/T118.15—2012
生产流程示意图
炉口面积
表1(续)
大修炉寿命(1个大修周期炉次)平均日出炉数
平均产量
余热锅炉型号
年运转率
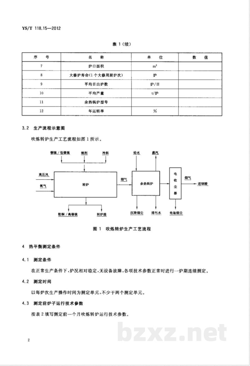
吹炼转炉生产工艺流程如图1所示。钢镜/低镍镜
高压风
粗钢/高镍镜
4热平衡测定条件
4.1测定条件
转炉渣
炉/日
余热锅炉
沉降烟尘
排污水
图1吹炼转炉生产工艺流程
电场烟尘
一送制酸
在正常生产条件下,炉况相对稳定,无设备故障,各项技术参数正常时进行一炉期连续测定。4.2测定时间
以每炉次生产操作时间为测定单元,不少于两个测定单元。4.3测定前炉子运行技术参数
按表2填写测定前一个月吹炼转炉运行技术参数。2
5热平衡测定项目与方法
表2测定前一个月炉子运行技术参数名
高压风世
氧气量
加料量
粗钢或高镍毓产量
余热锅炉出口烟气量
生产统计炉数
送风时率
熔剂率
冷料率
第一周期(适用铜转炉)
第二周期(适用铜转炉)
平均吹炼时间
第一周期(适用钢转炉)
第二周期(适用铜转炉)
按表3的规定进行热平衡测试。
表3热平衡测定项目与方法
测定项目
、大气
三、人炉
环境温度
大气压力
1.铜冰铜或低冰镍
元素成分
物相成分
kg/炉
测点位置
转炉作
业区域
给料包
测定仪器
干湿球
温度计
气压计
吊车秤
或地中衡
热电偶
化学分析
分析仪
1次/2h
1次/2h
连续测
2次/包
2个混
合样/炉
YS/T 118.15--2012
算术平均
测定数据
Cu、Ni、
Fe、S等
YS/T 118.15-2012
测定项目
含水量
元素成分
二、人炉
三、人炉
四、出炉
元素成分
物相成分
3.吸入烟罩空气
1.粗钢或高镍镜
元素成分
物相成分
kg/炉
kg/炉
表3(续)
测点位置
运输机
加料仓
给料包
运输机
给料包
加料仓
给料包
加料仓
给料包
加料仓
m*/炉
m*/炉
kg/炉
空气管道
氧气管道
转炉烟罩
出料包
测定仪器
计量秤
热电偶
分析仪
化学分析
吊车秤
或地中衡
计量秤
热电偶
化学分析
分析仪
流量计
热电偶
流量计
热电偶
风速仪
风速仪
天车秤
或地中衡
热电偶
化学分析
分析仪
连续测
1次/4h
2个混
合样/炉
连续测
1次/4h
2个混
合样/炉
1次/2h
1次/2h
2次/炉
2次/炉
1次/包
2次/包
2个混
合样/炉
算术平均
算术平均
算术乎均
测定数据
SiO2、CaO、
MgO等
Cu、Ni、
Cu、Ni、
Fe、S等
四、出炉
五、烟气
和烟尘
测定项目
2.转炉渣
元素成分
物相成分
3.喷溅物
元素成分
kg/炉
表3(续)
测点位置
kg/炉
1.转炉出口(余热锅炉进口)烟气流量
含水量
干烟气成分
2.余热锅炉出口烟气
含水量
干烟气成分
3.余热锅炉沉降烟尘
元索成分
物相成分
kg/炉
安全坑
安全坑
转炉出口
(余热锅
炉进口)
余热锅
炉出口
余热锅炉
下灰口
测定仪器
天车秤
或地中衡
热电偶
化学分析
分析仪
地中衡
测温仪
化学分析
铂佬-铂
热电偶
分析仪
烟尘平行
采样仪
热电偶
烟尘平行
采样仪
分析仪
地中衡
热电偶
化学分析
分析仪
1次/包
2次/包
2个混
合样/炉
1次/炉
2次/炉
2个混
合样/炉
1次/2h
1次/2h
1次/2h
1次/2h
1次/2h
1次/2h
1次/2h
1次/炉
2次/炉
2个混
合样/炉
YS/T118.15—2012
算术平均
算术平均
测定数据
Cu、Ni、Fe、
S、SiO.等
Cu、Ni、Fe、
S、SiO2等
N2、SO2、
O2、CO2等
cO.、SO2、
Nz、O,等
Cu、Ni、Fe、
S、SiO.等
YS/T118.15-2012
测定项目
4,余热锅炉出口烟气带走烟尘
含尘浓度
五、烟气
和烟尘
六、冷却水
七、其他
八、余热
元素成分
物相成分
进口温度
出口温度
炉体表面积
表面温度
炉口面积
炉口温度
表面积
表面温度
给水质量
给水温度
给水压力
产蒸汽盘
蒸汽温度
蒸汽压力
排污水质量
排污水温度
kg/炉
kg/炉
kg/炉
kg/炉
表3(续)
测点位置
余热锅
炉出口
下灰口
进水管
出水管
炉体表面
多点测试
余热锅炉
炉前、炉
中、炉后
给水管
蒸汽管
测定仪器
烟尘平行
采样仪、
热电偶
元素分析
分析仪
流量计
温度计
温度计
查图纸
表面热电
偶、红外
测温仪
查图纸
测温仪
查图纸
表面热电
偶、红外
测温仪
流量计
温度计
压力表
流量计
热电偶
压力表
计量秤
温度计
1次/2h
1次/2h
2个混
合样/炉
1次/2h
1次/2h
1次/2h
1次/2h
2次/炉
1次/2h
1次/2h
1次/2h
1次/2h
1次/2h
1次/2h
1次/炉
1次/2h
算术平均
算术平均
测定数据
Cu、Ni、Fe、
S、Sio,等
九、时间
测定项目
总操作时间
净吹炼时间
停吹时间
物料平衡
物料平衡计算
吹炼转炉物料平衡计算
按表4规定进行吹炼转炉物料平衡计算。表3(续)
测点位置
测定仪器
计时器
计时器
计时器
吹炼转炉物料平衡计算
一、收人项
铜冰铜或低冰镶质量
熔剂质量
冷料质量
人炉空气质量
空气体积
空气密度
吸人烟罩空气质最
空气体积
空气密度
鼓入炉内氧气质量
氧气体积
氧气密度
其他炉料质量
收人项之和
二、支出项
粗铜或高镍质量
转炉渣质量
喷溅物质量
kg/炉
kg/炉
kg/炉
kg/炉
m*/炉
kg/炉
m*/炉
kg/炉
kg/炉
kg/炉
kg/炉
kg/炉
kg/炉
计算依据
实测数据
实测数据
实测数据
m,=Ve·p
实测数据
ms=Vx px
实测数据
ms =V。· P。
实测数据
实测数据
YS/T118.15—2012
Em=mi+m2+ ms+m+ms +ms +m
实测数据
实测数据
实测数据
测定数据
YS/T118.15—2012
出口烟气质量
烟气流量
烟气密度
烟气成分
成分i密度
烟尘质量
沉降烟尘质量
出口烟尘质量
烟气流量
烟气含尘浓度
支出项之和
6.1.2余热锅炉物料平衡计算
表4(续)
kg/炉
kg/炉
kg/炉
kg/炉
kg/炉
kg/炉
按照表5规定进行余热锅炉物料平衡计算。计算依据
m,=V,·p, ·e,
,=Eay · p'm
实测数据
mye - m' +m's
实测数据免费标准下载网bzxz
m's=V, - du - 8,/1000
实测数据
实测数据
Am=2m-(mi+m2+ms+m,+my)
Zm'=m'+m2+ms+my+my+Am
余热锅炉物料平衡计算
一、收人项
进口烟气质量
1)烟气流量
烟气密度
①烟气成分
②成分i密度
净吹炼时间
进口烟尘质量
1)沉降烟尘质量
出口烟尘质量
给水质量
收人项之和
kg/炉
kg/炉
kg/炉
kg/炉
kg/炉
kg/炉
计算依据
m, =V, - p, · 8,
P,=Zay · Py
实测数据
实测数据
实测数据
ms=V,·d·8,/1000
实测数据
Em=m,+mye +m,
小提示:此标准内容仅展示完整标准里的部分截取内容,若需要完整标准请到上方自行免费下载完整标准文档。
中华人民共和国有色金属行业标准YS/T118.15—2012
代替YS/T118.15-1992
重有色治金炉窑热平衡测定与计算方法(吹炼转炉)
Methods of determination and calculation of heat balance in metallurgicalfurnaces for heavy non-ferrous metals(Converter)
2012-11-07发布
中华人民共和国工业和信息化部发布
2013-03-01实施
中华人民共和国有色金属
行业标准
叠有色冶金炉窑热平衡测定与计算方法(吹炼转炉)
YS/T118.15-—2012
中国标准出版社出版发行
北京市朝阳区和平里西街甲2号(100013)北京市西城区三里河北街16号(100045)网址www.spc.net.cn
总编室:(010)64275323发行中心:(010)51780235读者服务部:(010)68523946
中国标准出版社秦皇岛印刷厂印刷各地新华书店经销
5字数33千字
开本880×12301/16
印张1.25
2013年3月第一版
2013年3月第一次印刷
书号:155066·2-24427
告由本社发行中心调换
如有印装差错
版权专有侵权必究
举报电话:(010)68510107
本部分按照GB/T1.1一2009给出的规则起草。YS/T 118.15—2012
本部分代替YS/T118.15一1992《重有色冶金炉窑热平衡测定与计算方法(吹炼转炉)》。与YS/T118.15—1992相比,主要变化如下:增加了余热锅炉的测定与计算;一增加部分反映转炉运行技术参数或指标的项目;删除不能反映转炉运行技术参数或指标的项目。本部分由全国有色金属标准化技术委员会(SAC/TC243)归口。本部分负责起草单位:金川集团有限公司。本部分参加起草单位:中南大学。本部分主要起草人:岳占斌、高永红、马爱纯、涂胡炳、万爱东、李光、吴亚辉、朱启保、刘世和。本部分所代替标准的历次版本发布情况为:-YS/T118.15--1992。
1范围
重有色冶金炉窑热平衡测定与计算方法(吹炼转炉)
YS/T118.15—2012
YS/T118的本部分规定了吹炼转炉热平衡测定与计算基准,设备概况与生产工艺流程、热平衡测定条件、热平衡测定项目与方法、物料平衡、热平衡、主要能耗指标、热平衡测定结果分析与改进建议。本部分适用于吹炼铜冰铜或低冰镍的卧式转炉。2热平衡测定与计算基准
2.1基准温度和压力
采用吹炼转炉环境温度为基准温度。基准压力为1个标准大气压,即101325帕(Pa)。2.2热平衡测定体系
本部分以吹炼转炉为热平衡体系。物料平衡和热平衡从人炉风、炉料的人口至粗铜或高镍毓、炉渣、余热锅炉烟气出口为止。
2.3计算单位
物料平衡和热平衡均以一炉操作周期为计算基准,即kg/炉和kJ/炉。3设备概况与生产工艺流程
设备概况
吹炼转炉设备概况按表1填写。
表1设备概况
炉子编号
炉子规格(直径×长)
标称容量
风口数量
风口直径
风口总面积
YS/T118.15—2012
生产流程示意图
炉口面积
表1(续)
大修炉寿命(1个大修周期炉次)平均日出炉数
平均产量
余热锅炉型号
年运转率
吹炼转炉生产工艺流程如图1所示。钢镜/低镍镜
高压风
粗钢/高镍镜
4热平衡测定条件
4.1测定条件
转炉渣
炉/日
余热锅炉
沉降烟尘
排污水
图1吹炼转炉生产工艺流程
电场烟尘
一送制酸
在正常生产条件下,炉况相对稳定,无设备故障,各项技术参数正常时进行一炉期连续测定。4.2测定时间
以每炉次生产操作时间为测定单元,不少于两个测定单元。4.3测定前炉子运行技术参数
按表2填写测定前一个月吹炼转炉运行技术参数。2
5热平衡测定项目与方法
表2测定前一个月炉子运行技术参数名
高压风世
氧气量
加料量
粗钢或高镍毓产量
余热锅炉出口烟气量
生产统计炉数
送风时率
熔剂率
冷料率
第一周期(适用铜转炉)
第二周期(适用铜转炉)
平均吹炼时间
第一周期(适用钢转炉)
第二周期(适用铜转炉)
按表3的规定进行热平衡测试。
表3热平衡测定项目与方法
测定项目
、大气
三、人炉
环境温度
大气压力
1.铜冰铜或低冰镍
元素成分
物相成分
kg/炉
测点位置
转炉作
业区域
给料包
测定仪器
干湿球
温度计
气压计
吊车秤
或地中衡
热电偶
化学分析
分析仪
1次/2h
1次/2h
连续测
2次/包
2个混
合样/炉
YS/T 118.15--2012
算术平均
测定数据
Cu、Ni、
Fe、S等
YS/T 118.15-2012
测定项目
含水量
元素成分
二、人炉
三、人炉
四、出炉
元素成分
物相成分
3.吸入烟罩空气
1.粗钢或高镍镜
元素成分
物相成分
kg/炉
kg/炉
表3(续)
测点位置
运输机
加料仓
给料包
运输机
给料包
加料仓
给料包
加料仓
给料包
加料仓
m*/炉
m*/炉
kg/炉
空气管道
氧气管道
转炉烟罩
出料包
测定仪器
计量秤
热电偶
分析仪
化学分析
吊车秤
或地中衡
计量秤
热电偶
化学分析
分析仪
流量计
热电偶
流量计
热电偶
风速仪
风速仪
天车秤
或地中衡
热电偶
化学分析
分析仪
连续测
1次/4h
2个混
合样/炉
连续测
1次/4h
2个混
合样/炉
1次/2h
1次/2h
2次/炉
2次/炉
1次/包
2次/包
2个混
合样/炉
算术平均
算术平均
算术乎均
测定数据
SiO2、CaO、
MgO等
Cu、Ni、
Cu、Ni、
Fe、S等
四、出炉
五、烟气
和烟尘
测定项目
2.转炉渣
元素成分
物相成分
3.喷溅物
元素成分
kg/炉
表3(续)
测点位置
kg/炉
1.转炉出口(余热锅炉进口)烟气流量
含水量
干烟气成分
2.余热锅炉出口烟气
含水量
干烟气成分
3.余热锅炉沉降烟尘
元索成分
物相成分
kg/炉
安全坑
安全坑
转炉出口
(余热锅
炉进口)
余热锅
炉出口
余热锅炉
下灰口
测定仪器
天车秤
或地中衡
热电偶
化学分析
分析仪
地中衡
测温仪
化学分析
铂佬-铂
热电偶
分析仪
烟尘平行
采样仪
热电偶
烟尘平行
采样仪
分析仪
地中衡
热电偶
化学分析
分析仪
1次/包
2次/包
2个混
合样/炉
1次/炉
2次/炉
2个混
合样/炉
1次/2h
1次/2h
1次/2h
1次/2h
1次/2h
1次/2h
1次/2h
1次/炉
2次/炉
2个混
合样/炉
YS/T118.15—2012
算术平均
算术平均
测定数据
Cu、Ni、Fe、
S、SiO.等
Cu、Ni、Fe、
S、SiO2等
N2、SO2、
O2、CO2等
cO.、SO2、
Nz、O,等
Cu、Ni、Fe、
S、SiO.等
YS/T118.15-2012
测定项目
4,余热锅炉出口烟气带走烟尘
含尘浓度
五、烟气
和烟尘
六、冷却水
七、其他
八、余热
元素成分
物相成分
进口温度
出口温度
炉体表面积
表面温度
炉口面积
炉口温度
表面积
表面温度
给水质量
给水温度
给水压力
产蒸汽盘
蒸汽温度
蒸汽压力
排污水质量
排污水温度
kg/炉
kg/炉
kg/炉
kg/炉
表3(续)
测点位置
余热锅
炉出口
下灰口
进水管
出水管
炉体表面
多点测试
余热锅炉
炉前、炉
中、炉后
给水管
蒸汽管
测定仪器
烟尘平行
采样仪、
热电偶
元素分析
分析仪
流量计
温度计
温度计
查图纸
表面热电
偶、红外
测温仪
查图纸
测温仪
查图纸
表面热电
偶、红外
测温仪
流量计
温度计
压力表
流量计
热电偶
压力表
计量秤
温度计
1次/2h
1次/2h
2个混
合样/炉
1次/2h
1次/2h
1次/2h
1次/2h
2次/炉
1次/2h
1次/2h
1次/2h
1次/2h
1次/2h
1次/2h
1次/炉
1次/2h
算术平均
算术平均
测定数据
Cu、Ni、Fe、
S、Sio,等
九、时间
测定项目
总操作时间
净吹炼时间
停吹时间
物料平衡
物料平衡计算
吹炼转炉物料平衡计算
按表4规定进行吹炼转炉物料平衡计算。表3(续)
测点位置
测定仪器
计时器
计时器
计时器
吹炼转炉物料平衡计算
一、收人项
铜冰铜或低冰镶质量
熔剂质量
冷料质量
人炉空气质量
空气体积
空气密度
吸人烟罩空气质最
空气体积
空气密度
鼓入炉内氧气质量
氧气体积
氧气密度
其他炉料质量
收人项之和
二、支出项
粗铜或高镍质量
转炉渣质量
喷溅物质量
kg/炉
kg/炉
kg/炉
kg/炉
m*/炉
kg/炉
m*/炉
kg/炉
kg/炉
kg/炉
kg/炉
kg/炉
kg/炉
计算依据
实测数据
实测数据
实测数据
m,=Ve·p
实测数据
ms=Vx px
实测数据
ms =V。· P。
实测数据
实测数据
YS/T118.15—2012
Em=mi+m2+ ms+m+ms +ms +m
实测数据
实测数据
实测数据
测定数据
YS/T118.15—2012
出口烟气质量
烟气流量
烟气密度
烟气成分
成分i密度
烟尘质量
沉降烟尘质量
出口烟尘质量
烟气流量
烟气含尘浓度
支出项之和
6.1.2余热锅炉物料平衡计算
表4(续)
kg/炉
kg/炉
kg/炉
kg/炉
kg/炉
kg/炉
按照表5规定进行余热锅炉物料平衡计算。计算依据
m,=V,·p, ·e,
,=Eay · p'm
实测数据
mye - m' +m's
实测数据免费标准下载网bzxz
m's=V, - du - 8,/1000
实测数据
实测数据
Am=2m-(mi+m2+ms+m,+my)
Zm'=m'+m2+ms+my+my+Am
余热锅炉物料平衡计算
一、收人项
进口烟气质量
1)烟气流量
烟气密度
①烟气成分
②成分i密度
净吹炼时间
进口烟尘质量
1)沉降烟尘质量
出口烟尘质量
给水质量
收人项之和
kg/炉
kg/炉
kg/炉
kg/炉
kg/炉
kg/炉
计算依据
m, =V, - p, · 8,
P,=Zay · Py
实测数据
实测数据
实测数据
ms=V,·d·8,/1000
实测数据
Em=m,+mye +m,
小提示:此标准内容仅展示完整标准里的部分截取内容,若需要完整标准请到上方自行免费下载完整标准文档。
标准图片预览:





- 其它标准
- 热门标准
- 其他行业标准
- JB/T11222-2011 低速汽车 钢板弹簧可靠性试验方法
- YS/T524-2011 合成白钨
- YS/T1050.8-2015 铅锑精矿化学分析方法 第8部分:金量和银量的测定 火试金法
- JB/T5331-2011 潜油电机用特种聚酰亚胺薄膜绕包铜圆线
- DGJ08-1997-2002 膜结构技术规程(附条文说明)
- CAS125-2005 在用机动车排放检测用油加注规范
- FZ/T14024-2022 棉与粘胶纤维混纺印染布
- QB/T4085-2010 磺基琥珀酸单酯二钠盐
- YS/T254.7-2011 铍精矿、绿柱石化学分析方法 第7部分:水分量的测定 重量法
- JB/T11154-2011 YZR系列起重及冶金用绕线转子三相异步电动机技术条件(机座号450~500)
- FZ/T14023-2021 涤(锦)纶防水透湿雨衣面料
- FZ/T12050-2015 针织用点子纱
- YS/T903.1-2013 铟废料化学分析方法 第1部分:铟量的测定 EDTA滴定法
- QX/T459-2018 气象视频节目中国地图地理要素的选取与表达
- QHQJ0002S-2016 深圳汇泉贸易有限公司 风味饮料
- 行业新闻
请牢记:“bzxz.net”即是“标准下载”四个汉字汉语拼音首字母与国际顶级域名“.net”的组合。 ©2025 标准下载网 www.bzxz.net 本站邮件:bzxznet@163.com
网站备案号:湘ICP备2025141790号-2
网站备案号:湘ICP备2025141790号-2