- 您的位置:
- 标准下载网 >>
- 标准分类 >>
- 其他行业标准 >>
- YS/T 118.17-2012重有色冶金炉窑热平衡测定与计算方法(镍闪速炉)
标准号:
YS/T 118.17-2012
标准名称:
重有色冶金炉窑热平衡测定与计算方法(镍闪速炉)
标准类别:
其他行业标准
英文名称:
Methods of determination and calculation of heat balance in metallurgical furnaces for heavy non-ferrous metals(Nickel flash smelting furnace)标准状态:
现行-
发布日期:
2012-12-28 -
实施日期:
2013-06-01 出版语种:
简体中文下载格式:
.pdf .zip
点击下载
标准简介:
本标准规定了镍闪速熔炼炉热平衡测定与计算基准、设备概况与生产工艺流程、热平衡测定条件、热平衡测定项目与方法、物料平衡、热平衡、主要能耗指标、热平衡测定结果分析与改进建议。
本标准适用于镍闪速熔炼炉。
本标准是按照GB/T1.1—2009给出的规则起草的。
本标准由全国有色金属标准化技术委员会(SAC/TC243)归口。
本标准负责起草单位:金川集团有限公司。
本标准参加起草单位:中南大学。
本标准主要起草人员:岳占斌、万爱东、周民、刘玉强、蔡伟、蔡栋元、涂胡炳、周孓民、吴亚辉。
部分标准内容:
ICS 77.120
中华人民共和国有色金属行业标准YS/T118.17-2012
重有色冶金炉窑热平衡测定与计算方法(镍闪速炉)
Methods of determination and calculation of heatbalance in metallurgical furnaces for heavy non-ferrous metals(Nickel flash smelting furnace)2012-12-28发布
中华人民共和国工业和信息化部2013-06-01实施
中华人民共和国有色金属
行业标准
重有色冶金炉密热平衡测定与计算方法(镍闪速炉)
YS/T118.17-2012
中国标准出版社出版发行
北京市朝阳区和平里西街甲2号(100013)北京市西城区三里河北街16号(100045)网址www.spc.net.cn
总编室:(010)64275323
发行中心:(010)51780235
读者服务部:(010)68523946
中国标准出版社秦皇岛印刷厂印刷各地新华书店经销
开本880×1230
印张1.5
字数40千字
2013年6月第一次印刷
2013年6月第一版
书号:155066·2-24964定价
由本社发行中心调换
如有印装差错
版权专有
侵权必究
举报电话:(010)68510107
本标准是按照GB/T1.1一2009给出的规则起草的。本标准由全国有色金属标准化技术委员会(SAC/TC243)归口。本标准负责起草单位:金川集团有限公司。本标准参加起草单位:中南大学。YS/T118.17—2012
本标准主要起草人员:岳占斌、万爱东、周民、刘玉强、蔡伟、蔡栋元、涂胡炳、周子民、吴亚辉。1
适用范围
重有色治金炉窑热平衡测定与计算方法(镍闪速炉)
YS/T118.17—2012
本标准规定了镍闪速熔炼炉热平衡测定与计算基准、设备概况与生产工艺流程、热平衡测定条件、热平衡测定项目与方法、物料平衡、热平衡、主要能耗指标、热平衡测定结果分析与改进建议。本标准适用于镍闪速熔炼炉。bzxz.net
2热平衡测定与计算基准
2.1基准温度与压力
以镍闪速熔炼炉的环境温度为基准温度。基准压力为1个标准大气压,即101325帕(Pa)。2.2热平衡测定体系
本标准以镍闪速熔炼炉为热平衡测定体系。物料平衡和热平衡从炉料、燃料、人炉风等入炉处至低镍筑出口、炉渣出口、余热锅炉烟气出口为止。2.3计算单位
物料平衡计算单位采用kg/h,热平衡计算单位采用kJ/h。3设备概况与生产工艺流程
设备概况
镍闪速熔炼炉设备概况按表1填写。表1×××工厂×××车间镍闪速熔炼炉设备概况序号
炉子简历:
炉役期
上一次大修日期
设计精矿处理量
炉体规格(长度×宽度)
燃料种类
变压器额定功率
电极数量
电极直径
余热锅炉型号
炉子运转率
内容或数据
YS/T118.17—2012
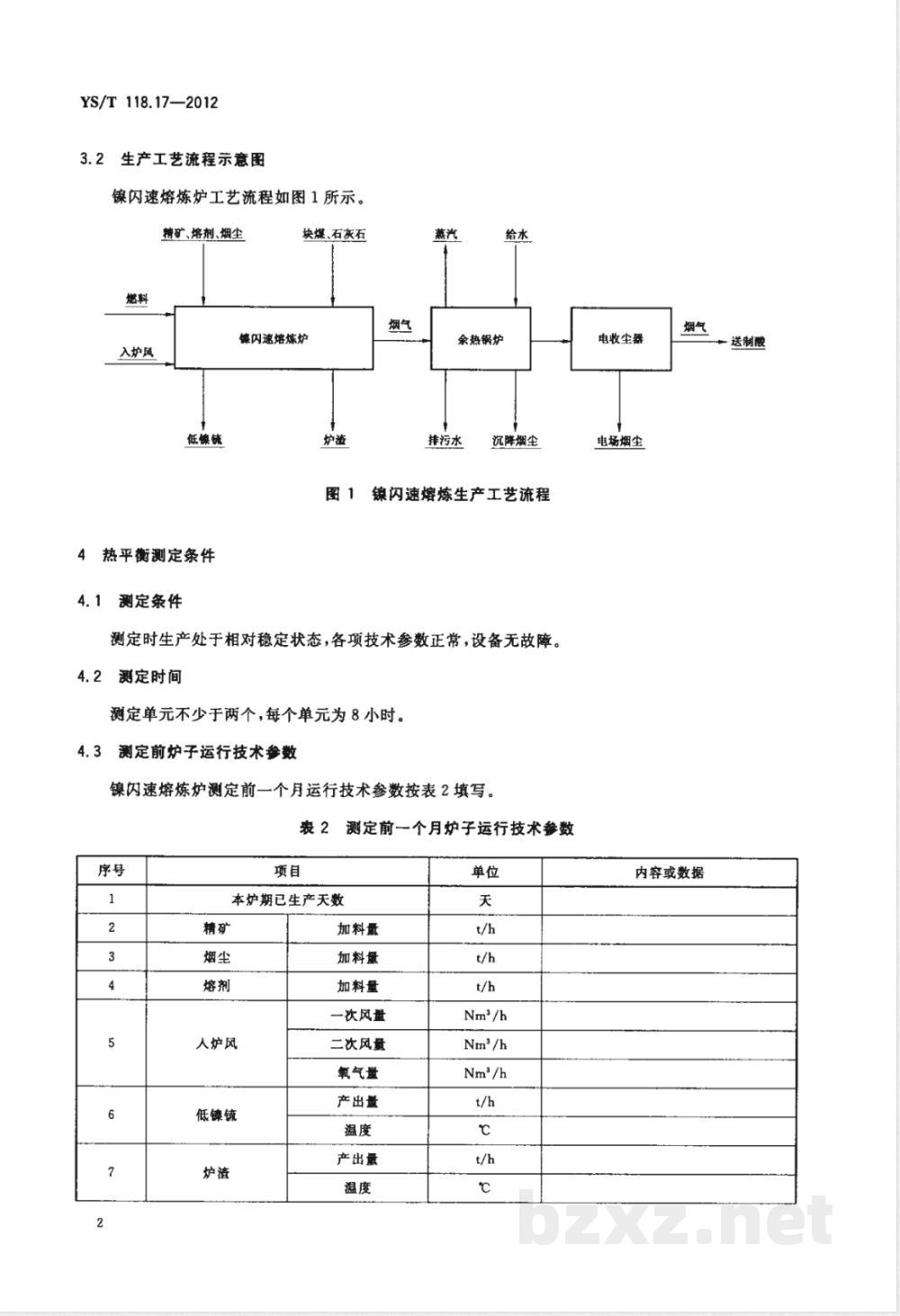
3.2生产工艺流程示意图
镍闪速熔炼炉工艺流程如图1所示。精矿、熔剂、烟尘
块煤、石灰石
镍闪速熔炼炉
入炉风
低镍镜
4热平衡测定条件
4.1测定条件
余热锅炉
排污水
沉降烟尘
锦闪速熔炼生产工艺流程
测定时生产处于相对稳定状态,各项技术参数正常,设备无故障。4.2测定时间
测定单元不少于两个,每个单元为8小时。4.3测定前炉子运行技术参数
镍闪速熔炼炉测定前一个月运行技术参数按表2填写。表2测定前一个月炉子运行技术参数序号
本炉期已生产天数
人炉风
低镍镜
加料最
加料量
加料量
一次风盘
二次风量
氧气盘
产出量
产出册
电收尘器
电场烟尘
内容或数据
送制酸
余热锅炉出口烟气
余热锅炉出口烟尘
余热锅炉蒸汽
沉淀池炉压
燃料单耗
电单耗
烟尘率
镍直收率
5热平衡测定项目与方法
按表3的规定进行热平衡测试。
测定项目
大气压力
含水量
元案成分
物相成分
排烟量
产出量
出口温度
出口压力
表2(续)
kg/t低镍硫
kWh/t低镍
表3热平衡测定项目与方法
闪速炉作
业区域
加料仓
测定仪器
干湿球
温度计
干湿球
温度计
气压计
计量秤
热电偶
水分分析仪
化学分析
物相分析仪
1次/2h
1次/2h
1次/2h
连续测
1次/2h
1次/2h
YS/T118.17—2012
内容或数据
2个混合样/
测定数据
Ni、Cu、Fe、
YS/T118.17-2012
测定项目
含水量
元素成分
物相成分
(1)石英
含水量
元素成分
(2)石灰石
含水量
元素成分
含水量
元素成分
低位发热量
表3(续)
加料仓
加料仓
加料仓
加料仓
测定仪器
计量秤
热电偶
水分分析仪
化学分析
物相分析仪
计量秤
热电偶
水分分析仪
化学分析
计量秤
热电偶
水分分析仪
化学分析
计量秤
热电偶
水份分析仪
工业分析
连续测
1次/2h
1次/2h
2个混合样/
连续测
1次/2h
1次/2h
2次/单元
连续测
1次/2h
1次/2h
2次/单元
连续测
1次/2h
1次/2h
2次/单元
测定数据
Ni、Cu、Fe、
SiO2等
Cao等
C、H、O、
N、S等
测定项目
含水最
元素成分
低位发热量
元素成分
低位发热量
电极消耗量
有功电量
无功电量
·一次风
2.二次风
表3(续)
加料仓
计量站
贫化区
一次风
供风管
二次风
供风管
测定仪器
计量秤
热电偶
水分分析仪
工业分析
流最计
温度计
工业分析
电度表
电度表
流量计
压力表
温度计
流盘计
压力表
温度计
连续测
1次/2h
1次/2h
2次/单元
连续测
1次/2h
2次/单元
连续测
连续测
连续测
1次/2h
1次/2h
连续测
1次/2h
1次/2h
YS/T 118.17—2012
测定数据
C、H.O、
N、S等
C、H、O、
N、S等
YS/T118.17—2012
测定项目
1.低镶镜
元素成分
物相成分
水率渣质量
炉渣温度
水淬渣
含水量
元素成分
物相成分
1.闪速炉出口(余热锅炉进口)烟气流量
含水量
干烟气成分
表3(续)
供氧管
运渣车
放渣口
运渣车
闪速炉出口
(余热锅炉
进口)
测定仪器
流量计
压力表
温度计
吊车秤或
地中衡
快速热电偶
化学分析
物相分析仪
地中衡
快速热电偶
水分分析仪
化学分析
物相分析仪
铂佬-铂
热电偶
气体分析仪
连续测
1次/2h
1次/2h
1次/包
4次/单元
2个混合样/
1次/车
1次/2h
1次/车
2个混合样/
1次/2h
1次/2h
测定数据
Ni、Cu、Fe、
Ni、Cu、Fe、
S、SiO,等
CO2、02、
SO2、N2等
测定项目
2.余热锅炉出口烟气
含水量
干烟气成分
3.余热锅炉沉降烟尘
元素成分
物相成分
4.余热锅炉出口烟气带出烟尘
含尘浓度
元素成分
物相成分
1.闪速炉表面散热
炉顶表面积
炉顶表面温度
炉墙表面积
炉墙表面温度
炉底表面积
炉底表面温度
表3(续)
余热锅炉
余热锅炉
下灰口
余热锅炉
下灰口
闪速炉
闪速炉
闪速炉
测定仪器
烟尘平行
采样仪
热电偶
烟尘平行
采样仪
气体分析仪
地中衡
热电偶
化学分析
物相分析仪
烟尘平行采样
仪、天平
热电偶
元素分析
物相分析仪
查图纸
或实测
表面热电偶/
红外测温仪
查图纸
或实测
表面热电偶/
红外测温仪
查图纸
或实测
表面热电偶/
红外测温仪
1次/2h
1次/2h
1次/2h
1次/2h
2次/单元
2次/单元
2个混合样/
1次/2h
1次/2h
2个混合样/
1次/2h
1次/2h
1次/2h
YS/T118.17—2012
测定数据
CO2、SOz、
Nz、O等
Ni,Cu、Fe、
S、Sio,等
Ni、Cu、Fe、
S、SiO.等
YS/T 118.17--2012
测定项目
2.余热锅炉
炉项表面积
炉顶表面温度
侧壁表面积
侧壁表面温度
3.冷却水
进口温度
出口温度
1.余热锅炉给水
给水质量
给水温度
给水压力
2.余热锅炉蒸汽
蒸汽质量
蒸汽温度
蒸汽压力
3.排污水
排污水质量
排污水温度
表3(续)
余热锅炉
余热锅炉
进水管
出水管
给水管
蒸汽管
测定仪器
查图纸
或实测
表面热电偶/
红外测温仪
查图纸
或实测
表面热电偶/
红外测温仪
流量计
温度计
温度计
流量计
温度计
压力表
蒸汽流量计
温度计
压力表
计盘秤
温度计
1次/2h
1次/2h
连续测
1次/2h
1次/2h
连续测
1次/2h
1次/2h
连续测
1次/2h
1次/2h
1次/2h
1次/2h
测定数据
小提示:此标准内容仅展示完整标准里的部分截取内容,若需要完整标准请到上方自行免费下载完整标准文档。
中华人民共和国有色金属行业标准YS/T118.17-2012
重有色冶金炉窑热平衡测定与计算方法(镍闪速炉)
Methods of determination and calculation of heatbalance in metallurgical furnaces for heavy non-ferrous metals(Nickel flash smelting furnace)2012-12-28发布
中华人民共和国工业和信息化部2013-06-01实施
中华人民共和国有色金属
行业标准
重有色冶金炉密热平衡测定与计算方法(镍闪速炉)
YS/T118.17-2012
中国标准出版社出版发行
北京市朝阳区和平里西街甲2号(100013)北京市西城区三里河北街16号(100045)网址www.spc.net.cn
总编室:(010)64275323
发行中心:(010)51780235
读者服务部:(010)68523946
中国标准出版社秦皇岛印刷厂印刷各地新华书店经销
开本880×1230
印张1.5
字数40千字
2013年6月第一次印刷
2013年6月第一版
书号:155066·2-24964定价
由本社发行中心调换
如有印装差错
版权专有
侵权必究
举报电话:(010)68510107
本标准是按照GB/T1.1一2009给出的规则起草的。本标准由全国有色金属标准化技术委员会(SAC/TC243)归口。本标准负责起草单位:金川集团有限公司。本标准参加起草单位:中南大学。YS/T118.17—2012
本标准主要起草人员:岳占斌、万爱东、周民、刘玉强、蔡伟、蔡栋元、涂胡炳、周子民、吴亚辉。1
适用范围
重有色治金炉窑热平衡测定与计算方法(镍闪速炉)
YS/T118.17—2012
本标准规定了镍闪速熔炼炉热平衡测定与计算基准、设备概况与生产工艺流程、热平衡测定条件、热平衡测定项目与方法、物料平衡、热平衡、主要能耗指标、热平衡测定结果分析与改进建议。本标准适用于镍闪速熔炼炉。bzxz.net
2热平衡测定与计算基准
2.1基准温度与压力
以镍闪速熔炼炉的环境温度为基准温度。基准压力为1个标准大气压,即101325帕(Pa)。2.2热平衡测定体系
本标准以镍闪速熔炼炉为热平衡测定体系。物料平衡和热平衡从炉料、燃料、人炉风等入炉处至低镍筑出口、炉渣出口、余热锅炉烟气出口为止。2.3计算单位
物料平衡计算单位采用kg/h,热平衡计算单位采用kJ/h。3设备概况与生产工艺流程
设备概况
镍闪速熔炼炉设备概况按表1填写。表1×××工厂×××车间镍闪速熔炼炉设备概况序号
炉子简历:
炉役期
上一次大修日期
设计精矿处理量
炉体规格(长度×宽度)
燃料种类
变压器额定功率
电极数量
电极直径
余热锅炉型号
炉子运转率
内容或数据
YS/T118.17—2012
3.2生产工艺流程示意图
镍闪速熔炼炉工艺流程如图1所示。精矿、熔剂、烟尘
块煤、石灰石
镍闪速熔炼炉
入炉风
低镍镜
4热平衡测定条件
4.1测定条件
余热锅炉
排污水
沉降烟尘
锦闪速熔炼生产工艺流程
测定时生产处于相对稳定状态,各项技术参数正常,设备无故障。4.2测定时间
测定单元不少于两个,每个单元为8小时。4.3测定前炉子运行技术参数
镍闪速熔炼炉测定前一个月运行技术参数按表2填写。表2测定前一个月炉子运行技术参数序号
本炉期已生产天数
人炉风
低镍镜
加料最
加料量
加料量
一次风盘
二次风量
氧气盘
产出量
产出册
电收尘器
电场烟尘
内容或数据
送制酸
余热锅炉出口烟气
余热锅炉出口烟尘
余热锅炉蒸汽
沉淀池炉压
燃料单耗
电单耗
烟尘率
镍直收率
5热平衡测定项目与方法
按表3的规定进行热平衡测试。
测定项目
大气压力
含水量
元案成分
物相成分
排烟量
产出量
出口温度
出口压力
表2(续)
kg/t低镍硫
kWh/t低镍
表3热平衡测定项目与方法
闪速炉作
业区域
加料仓
测定仪器
干湿球
温度计
干湿球
温度计
气压计
计量秤
热电偶
水分分析仪
化学分析
物相分析仪
1次/2h
1次/2h
1次/2h
连续测
1次/2h
1次/2h
YS/T118.17—2012
内容或数据
2个混合样/
测定数据
Ni、Cu、Fe、
YS/T118.17-2012
测定项目
含水量
元素成分
物相成分
(1)石英
含水量
元素成分
(2)石灰石
含水量
元素成分
含水量
元素成分
低位发热量
表3(续)
加料仓
加料仓
加料仓
加料仓
测定仪器
计量秤
热电偶
水分分析仪
化学分析
物相分析仪
计量秤
热电偶
水分分析仪
化学分析
计量秤
热电偶
水分分析仪
化学分析
计量秤
热电偶
水份分析仪
工业分析
连续测
1次/2h
1次/2h
2个混合样/
连续测
1次/2h
1次/2h
2次/单元
连续测
1次/2h
1次/2h
2次/单元
连续测
1次/2h
1次/2h
2次/单元
测定数据
Ni、Cu、Fe、
SiO2等
Cao等
C、H、O、
N、S等
测定项目
含水最
元素成分
低位发热量
元素成分
低位发热量
电极消耗量
有功电量
无功电量
·一次风
2.二次风
表3(续)
加料仓
计量站
贫化区
一次风
供风管
二次风
供风管
测定仪器
计量秤
热电偶
水分分析仪
工业分析
流最计
温度计
工业分析
电度表
电度表
流量计
压力表
温度计
流盘计
压力表
温度计
连续测
1次/2h
1次/2h
2次/单元
连续测
1次/2h
2次/单元
连续测
连续测
连续测
1次/2h
1次/2h
连续测
1次/2h
1次/2h
YS/T 118.17—2012
测定数据
C、H.O、
N、S等
C、H、O、
N、S等
YS/T118.17—2012
测定项目
1.低镶镜
元素成分
物相成分
水率渣质量
炉渣温度
水淬渣
含水量
元素成分
物相成分
1.闪速炉出口(余热锅炉进口)烟气流量
含水量
干烟气成分
表3(续)
供氧管
运渣车
放渣口
运渣车
闪速炉出口
(余热锅炉
进口)
测定仪器
流量计
压力表
温度计
吊车秤或
地中衡
快速热电偶
化学分析
物相分析仪
地中衡
快速热电偶
水分分析仪
化学分析
物相分析仪
铂佬-铂
热电偶
气体分析仪
连续测
1次/2h
1次/2h
1次/包
4次/单元
2个混合样/
1次/车
1次/2h
1次/车
2个混合样/
1次/2h
1次/2h
测定数据
Ni、Cu、Fe、
Ni、Cu、Fe、
S、SiO,等
CO2、02、
SO2、N2等
测定项目
2.余热锅炉出口烟气
含水量
干烟气成分
3.余热锅炉沉降烟尘
元素成分
物相成分
4.余热锅炉出口烟气带出烟尘
含尘浓度
元素成分
物相成分
1.闪速炉表面散热
炉顶表面积
炉顶表面温度
炉墙表面积
炉墙表面温度
炉底表面积
炉底表面温度
表3(续)
余热锅炉
余热锅炉
下灰口
余热锅炉
下灰口
闪速炉
闪速炉
闪速炉
测定仪器
烟尘平行
采样仪
热电偶
烟尘平行
采样仪
气体分析仪
地中衡
热电偶
化学分析
物相分析仪
烟尘平行采样
仪、天平
热电偶
元素分析
物相分析仪
查图纸
或实测
表面热电偶/
红外测温仪
查图纸
或实测
表面热电偶/
红外测温仪
查图纸
或实测
表面热电偶/
红外测温仪
1次/2h
1次/2h
1次/2h
1次/2h
2次/单元
2次/单元
2个混合样/
1次/2h
1次/2h
2个混合样/
1次/2h
1次/2h
1次/2h
YS/T118.17—2012
测定数据
CO2、SOz、
Nz、O等
Ni,Cu、Fe、
S、Sio,等
Ni、Cu、Fe、
S、SiO.等
YS/T 118.17--2012
测定项目
2.余热锅炉
炉项表面积
炉顶表面温度
侧壁表面积
侧壁表面温度
3.冷却水
进口温度
出口温度
1.余热锅炉给水
给水质量
给水温度
给水压力
2.余热锅炉蒸汽
蒸汽质量
蒸汽温度
蒸汽压力
3.排污水
排污水质量
排污水温度
表3(续)
余热锅炉
余热锅炉
进水管
出水管
给水管
蒸汽管
测定仪器
查图纸
或实测
表面热电偶/
红外测温仪
查图纸
或实测
表面热电偶/
红外测温仪
流量计
温度计
温度计
流量计
温度计
压力表
蒸汽流量计
温度计
压力表
计盘秤
温度计
1次/2h
1次/2h
连续测
1次/2h
1次/2h
连续测
1次/2h
1次/2h
连续测
1次/2h
1次/2h
1次/2h
1次/2h
测定数据
小提示:此标准内容仅展示完整标准里的部分截取内容,若需要完整标准请到上方自行免费下载完整标准文档。
标准图片预览:





- 其它标准
- 热门标准
- 其他行业标准
- YS/T227.7-2010 碲化学分析方法 第7部分:硫量的测定 电感耦合等离子体原子发射光谱法
- YS/T1049-2015 异丁基黄原酸甲酸乙酯
- QB/T4845-2015 手动切纸机
- QB/T4645-2014 大茴香醛
- FZ/T73018-2021 毛针织品
- YS/T961-2014 空调与制冷设备用内螺纹铝包铜管
- YS/T990.17-2015 冰铜化学分析方法 第17部分:钴量的测定 原子吸收光谱法
- YS/T1149.8-2016 锌精矿焙砂化学分析方法 第8部分:酸溶二氧化硅量的测定 钼蓝分光光度法
- JB/T11120-2010 印刷机械 网版印刷紫外线光固机
- FZ/T01125-2014 纺织品 定量化学分析 壳聚糖纤维与某些其他纤维的混合物(胶体滴定法)
- QB/T4762-2014 铅酸蓄电池护板用纸
- FZ/T72020-2014 针织横机领
- YS/T990.18-2014 冰铜化学分析方法 第18部分:铅、锌、镍、砷、铋、锑、钙、镁、镉、钴量的测定 电感耦合等离子体原子发射光谱法
- JB/T9738-2015 汽车起重机
- CNCA-C11-11:2014 强制性产品认证实施规则 汽车燃油箱
- 行业新闻
请牢记:“bzxz.net”即是“标准下载”四个汉字汉语拼音首字母与国际顶级域名“.net”的组合。 ©2025 标准下载网 www.bzxz.net 本站邮件:bzxznet@163.com
网站备案号:湘ICP备2025141790号-2
网站备案号:湘ICP备2025141790号-2