- 您的位置:
- 标准下载网 >>
- 标准分类 >>
- 其他行业标准 >>
- HG/T 3806-2012分散红S-G200%(C.I.分散红153 200%)
标准号:
HG/T 3806-2012
标准名称:
分散红S-G200%(C.I.分散红153 200%)
标准类别:
其他行业标准
英文名称:
Disperse red S-G 200%(C.I.Disperse red 153 200%)标准状态:
现行-
发布日期:
2012-12-28 -
实施日期:
2013-06-01 出版语种:
简体中文下载格式:
.pdf .zip
替代情况:
替代HG/T 3806-2005
起草人:
陈美芬等起草单位:
杭州吉华江东化工有限公司等归口单位:
全国染料标准化技术委员会发布部门:
中华人民共和国工业和信息化部相关标签:
分散

点击下载
标准简介:
本标准规定了分散红S-G 200%(C.I.分散红153,分散大红GS)产品的要求、采样、试验方法、检验规则以及标志、标签、包装、运输和贮存。
本标准适用于分散红S-G 200%的产品质量控制。

部分标准内容:
ICS71.100.01;87.060.10
备案号:38648—2013
中华人民共和国化工行业标准
HG/T3806—2012
代替HG/T3806—2005
分散红 S-G
(C.I.分散红 153
200%)
Disperse red S-G 200%(C. I. Disperse red 153 200%)2012-12-28发布
中华人民共和国工业和信息化部发布2013-06-01实施
HG/T3806—2012
本标准按照GB/T1.1—2009《标准化工作导则本标准代替HG/T3806一2005《分散红S-G2005相比,除编辑性修改外主要技术变化如下:第1部分:标准的结构和编写》给出的规则起草。200%(C.I.分散大红GS
200%)》,与HG/T3806
标准名称修改为《分散红S-G200%(C.I.分散红153准名称);
删除了水分指标(见2005年版的3.2);200%)》(见标准名称,2005年版的标修改了分散性和高温分散稳定性指标(见3.1,2005年版的3.2)修改了色光和强度测定方法的表述内容(见5.2,2005年版的5.2);一增加了上色率测定的染色浴比内容(见5.7)。本标准由中国石油和化学工业联合会提出。本标准由全国染料标准化技术委员会(SAC/TC134)归口。本标准起草单位:杭州吉华江东化工有限公司、沈阳化工研究院有限公司。本标准主要起草人:陈美芬、杨桂芳、周火良。本标准于2006年1月首次发布,本次为第一次修订。776
1范围
分散红S-G2
3200%)
(C.I.分散红153
HG/T3806—2012
本标准规定了分散红S-G200%(C.I.分散红153,分散大红GS)产品的要求、采样、试验方法、检验规则以及标志、标签、包装、运输、贮存。本标准适用于分散红S-G200%的产品质量控制。结构式:
分子式:CHisClN,S
相对分子质量:404.32(按2009年国际相对原子质量)CAS RN:78564-87-1
2规范性引用文件
CH,CH,CN
下列文件对于本文件的应用是必不可少的。凡是注日期的引用文件,仅所注日期的版本适用于本文件。凡是不注日期的引用文件,其最新版本(包括所有的修改单)适用于本文件、GB/T2374-
GB/T2394
GB/T2397
GB/T3920
GB/T3921
GB/T3922
2007染料染色测定的一般条件规定2006分散染料色光和强度的测定分散染料提升力的测定
GB/T4841.1
GB/T5540
GB/T5541
GB/T5718
GB/T6152-
GB/T6678-
GB/T8427
GB/T9337
GB19601
GB20814
纺织品色牢度试验耐摩擦色牢度(modISO105-X12:2001)色牢度试验耐皂洗色牢度(modISO105-C10:2006)纺织品
纺织品耐汗渍色牢度试验方法(eqvISO105-E04:1994)2006
染料染色标准深度色卡1/1
分散染料分散性能的测定双层滤纸过滤法分散染料
高温分散稳定性的测定双层滤纸过滤法色牢度试验耐干热(热压除外)色牢度(eqvISO105-P01:1993)纺织品
纺织品
色牢度试验耐热压色牢度(eqvISO105-X11:1994)化工产品采样总则
纺织品色牢度试验耐人造光色牢度:氙弧(modISO105-B02:1994)分散染料高温染色上色率的测定染料产品中23种有害芳香胺的限量及测定染料产品中10种重金属元素的限量及测定GB/T 27597
3要求
扩散性能的测定
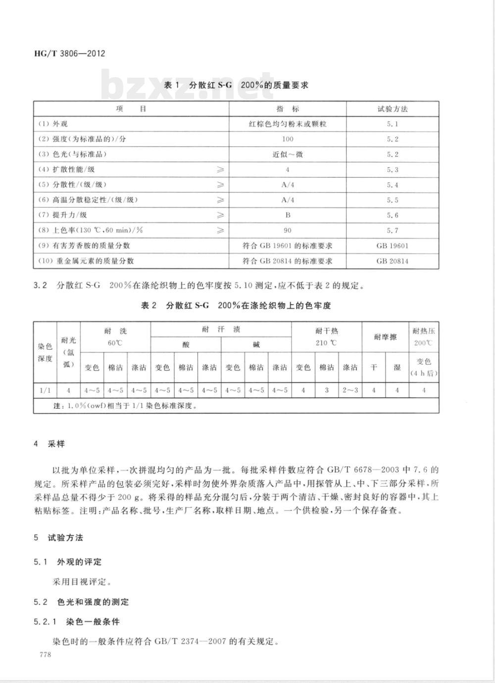
3.1分散红S-G200%的质量要求应符合表1的规定。777
HG/T3806—2012
(1)外观
(2)强度(为标准品的)/分
(3)色光(与标准品)
(4)扩散性能/级
(5)分散性/(级/级)
(6)高温分散稳定性/(级/级)(7)提升力/级
(8)上色率(130℃,60min)/%(9)有害芳香胺的质量分数
(10)重金属元素的质量分数
分散红S-G
分散红S-G
200%的质量要求
红棕色均匀粉末或颗粒
近似~微
符合GB19601的标准要求
符合GB20814的标准要求
200%在涤纶织物上的色牢度按5.10测定,应不低于表2的规定。表2
分散红S-G
注:1.0%(owf)相当于1/1染色标准深度。采样
200%在涤纶织物上的色牢度
耐干热
210℃
试验方法
GB19601
GB20814
耐摩擦
耐热压
200℃
(4h后)
以批为单位采样,一次拼混均匀的产品为一批。每批采样件数应符合GB/T6678一2003中7.6的规定。所采样产品的包装必须完好,采样时勿使外界杂质落人产品中,用探管从上、中、下三部分采样,所采样品总量不得少于200g。将采得的样品充分混匀后,分装于两个清洁、干燥、密封良好的容器中,其上粘贴标签。注明:产品名称、批号,生产厂名称,取样日期、地点。一个供检验,另一个保存备查。试验方法
外观的评定
采用目视评定。
色光和强度的测定
染色一般条件
染色时的一般条件应符合GB/T2374一2007的有关规定。778
HG/T3806—2012
染色深度规定为1.0%(owf)。染色用2g涤纶织物,染色浴比为1:100;或用5g涤纶织物,染色浴比为1:20或1:40(在染色均匀的前提下,也可根据实际情况选择其他浴比)。染浴pH值为5~6。染浴的配制
以2g涤纶织物染色为例,于五个染杯中,按表3规定配制染浴。如使用5g涤纶织物,则染料用量增加到2.5倍。
表3染浴的配制
染浴组分
0.5g/L标样溶液
0.5g/L试样溶液
蒸馏水
染色操作
染样编号和染浴中各组分的体积2
染色操作按GB/T2394—一2006中6.2的规定进行。5.2.4
色光和强度的评定
按GB/T2374一2007中第7章的有关规定进行。5.3扩散性能的测定
按GB/T27597的规定进行。
分散性的测定
按GB/T5540的规定进行。
5.5高温分散稳定性的测定
按GB/T5541的规定进行。
提升力的测定
按GB/T2397的规定进行。
5.7上色率的测定
单位为毫升
按GB/T9337一2009中有关“分散染料高温染色上色率的测定”的规定进行。染色浴比规定为1:40,测定波长为最大吸收波长(约510nm)。5.8有害芳香胺的量的测定
按GB19601的规定进行。
5.9重金属元素的量的测定
按GB20814的规定进行。
HG/T3806—2012
5.10在涤纶织物上色牢度的测定5.10.1一般规定
所有色牢度的测试样应按GB/T4841.1一2006的有关规定染成1/1染色标准深度。5.10.2耐摩擦色牢度的测定
耐摩擦色牢度按GB/T3920一2008的有关规定进行。5.10.3耐洗色牢度的测定
耐洗色牢度按GB/T39212008的规定进行。试验条件采用GB/T3921一2008表2中的试验方法C(3)。
5.10.4耐汗渍色牢度的测定免费标准下载网bzxz
耐汗渍色牢度按GB/T3922—1995的有关规定进行。5.10.5耐干热色牢度的测定
耐干热色牢度按GB/T5718一1997的有关规定进行,210℃。5.10.6耐热压色牢度的测定
耐热压色牢度按GB/T6152一1997的有关规定进行,200℃干压(4h后评定)。5.10.7耐光色牢度的测定
耐光色牢度按GB/T8427一2008的有关规定进行。6检验规则
6.1检验分类
本标准第3章所列的检验项目均为型式检验项目。其中本标准表1中(1)~(6)项为出厂检验项目,应逐批进行检验。在正常连续生产情况下,每年至少进行一次型式检验。但如有下述情况需进行型式检验:
新产品最初定型时;
产品异地生产时;
生产配方、工艺及原材料有较大改变时;停产三个月后又恢复生产时;
客户提出要求时。
出厂检验
分散红S-G200%应由生产厂的质量检验部门检验合格,附合格证明后方可出厂。生产厂应保证所有出厂的分散红S-G200%产品均符合本标准的要求。6.3复检
如果检验结果中有一项指标不符合本标准的要求时,应重新自两倍量的包装中取样进行检验,重新780
检验的结果,即使只有一项指标不符合本标准要求,则整批产品判定为不合格。标志、标签、包装、运输、购存7
7.1标志
HG/T3806—2012
分散红S-G200%的每个包装容器上都应涂印耐久、清晰的标志,标志内容至少应有:a)
产品名称;
生产厂名称、地址;
生产日期;
净含量。
产品应有标签,标签上应注明产品生产日期、合格证明、执行标准编号、批号7.3
分散红S-G
200%装于内衬塑料袋的包装容器内,并加密封,每件净含量25kg0.2kg,其他包装可与用户协商确定
7.4运输
运输时应防止倒置,小心轻放,避免碰撞,切勿损坏包装。7.5存
分散红S-G
200%应贮存于阴凉于燥、通风处,防止受潮受热781
小提示:此标准内容仅展示完整标准里的部分截取内容,若需要完整标准请到上方自行免费下载完整标准文档。
备案号:38648—2013
中华人民共和国化工行业标准
HG/T3806—2012
代替HG/T3806—2005
分散红 S-G
(C.I.分散红 153
200%)
Disperse red S-G 200%(C. I. Disperse red 153 200%)2012-12-28发布
中华人民共和国工业和信息化部发布2013-06-01实施
HG/T3806—2012
本标准按照GB/T1.1—2009《标准化工作导则本标准代替HG/T3806一2005《分散红S-G2005相比,除编辑性修改外主要技术变化如下:第1部分:标准的结构和编写》给出的规则起草。200%(C.I.分散大红GS
200%)》,与HG/T3806
标准名称修改为《分散红S-G200%(C.I.分散红153准名称);
删除了水分指标(见2005年版的3.2);200%)》(见标准名称,2005年版的标修改了分散性和高温分散稳定性指标(见3.1,2005年版的3.2)修改了色光和强度测定方法的表述内容(见5.2,2005年版的5.2);一增加了上色率测定的染色浴比内容(见5.7)。本标准由中国石油和化学工业联合会提出。本标准由全国染料标准化技术委员会(SAC/TC134)归口。本标准起草单位:杭州吉华江东化工有限公司、沈阳化工研究院有限公司。本标准主要起草人:陈美芬、杨桂芳、周火良。本标准于2006年1月首次发布,本次为第一次修订。776
1范围
分散红S-G2
3200%)
(C.I.分散红153
HG/T3806—2012
本标准规定了分散红S-G200%(C.I.分散红153,分散大红GS)产品的要求、采样、试验方法、检验规则以及标志、标签、包装、运输、贮存。本标准适用于分散红S-G200%的产品质量控制。结构式:
分子式:CHisClN,S
相对分子质量:404.32(按2009年国际相对原子质量)CAS RN:78564-87-1
2规范性引用文件
CH,CH,CN
下列文件对于本文件的应用是必不可少的。凡是注日期的引用文件,仅所注日期的版本适用于本文件。凡是不注日期的引用文件,其最新版本(包括所有的修改单)适用于本文件、GB/T2374-
GB/T2394
GB/T2397
GB/T3920
GB/T3921
GB/T3922
2007染料染色测定的一般条件规定2006分散染料色光和强度的测定分散染料提升力的测定
GB/T4841.1
GB/T5540
GB/T5541
GB/T5718
GB/T6152-
GB/T6678-
GB/T8427
GB/T9337
GB19601
GB20814
纺织品色牢度试验耐摩擦色牢度(modISO105-X12:2001)色牢度试验耐皂洗色牢度(modISO105-C10:2006)纺织品
纺织品耐汗渍色牢度试验方法(eqvISO105-E04:1994)2006
染料染色标准深度色卡1/1
分散染料分散性能的测定双层滤纸过滤法分散染料
高温分散稳定性的测定双层滤纸过滤法色牢度试验耐干热(热压除外)色牢度(eqvISO105-P01:1993)纺织品
纺织品
色牢度试验耐热压色牢度(eqvISO105-X11:1994)化工产品采样总则
纺织品色牢度试验耐人造光色牢度:氙弧(modISO105-B02:1994)分散染料高温染色上色率的测定染料产品中23种有害芳香胺的限量及测定染料产品中10种重金属元素的限量及测定GB/T 27597
3要求
扩散性能的测定
3.1分散红S-G200%的质量要求应符合表1的规定。777
HG/T3806—2012
(1)外观
(2)强度(为标准品的)/分
(3)色光(与标准品)
(4)扩散性能/级
(5)分散性/(级/级)
(6)高温分散稳定性/(级/级)(7)提升力/级
(8)上色率(130℃,60min)/%(9)有害芳香胺的质量分数
(10)重金属元素的质量分数
分散红S-G
分散红S-G
200%的质量要求
红棕色均匀粉末或颗粒
近似~微
符合GB19601的标准要求
符合GB20814的标准要求
200%在涤纶织物上的色牢度按5.10测定,应不低于表2的规定。表2
分散红S-G
注:1.0%(owf)相当于1/1染色标准深度。采样
200%在涤纶织物上的色牢度
耐干热
210℃
试验方法
GB19601
GB20814
耐摩擦
耐热压
200℃
(4h后)
以批为单位采样,一次拼混均匀的产品为一批。每批采样件数应符合GB/T6678一2003中7.6的规定。所采样产品的包装必须完好,采样时勿使外界杂质落人产品中,用探管从上、中、下三部分采样,所采样品总量不得少于200g。将采得的样品充分混匀后,分装于两个清洁、干燥、密封良好的容器中,其上粘贴标签。注明:产品名称、批号,生产厂名称,取样日期、地点。一个供检验,另一个保存备查。试验方法
外观的评定
采用目视评定。
色光和强度的测定
染色一般条件
染色时的一般条件应符合GB/T2374一2007的有关规定。778
HG/T3806—2012
染色深度规定为1.0%(owf)。染色用2g涤纶织物,染色浴比为1:100;或用5g涤纶织物,染色浴比为1:20或1:40(在染色均匀的前提下,也可根据实际情况选择其他浴比)。染浴pH值为5~6。染浴的配制
以2g涤纶织物染色为例,于五个染杯中,按表3规定配制染浴。如使用5g涤纶织物,则染料用量增加到2.5倍。
表3染浴的配制
染浴组分
0.5g/L标样溶液
0.5g/L试样溶液
蒸馏水
染色操作
染样编号和染浴中各组分的体积2
染色操作按GB/T2394—一2006中6.2的规定进行。5.2.4
色光和强度的评定
按GB/T2374一2007中第7章的有关规定进行。5.3扩散性能的测定
按GB/T27597的规定进行。
分散性的测定
按GB/T5540的规定进行。
5.5高温分散稳定性的测定
按GB/T5541的规定进行。
提升力的测定
按GB/T2397的规定进行。
5.7上色率的测定
单位为毫升
按GB/T9337一2009中有关“分散染料高温染色上色率的测定”的规定进行。染色浴比规定为1:40,测定波长为最大吸收波长(约510nm)。5.8有害芳香胺的量的测定
按GB19601的规定进行。
5.9重金属元素的量的测定
按GB20814的规定进行。
HG/T3806—2012
5.10在涤纶织物上色牢度的测定5.10.1一般规定
所有色牢度的测试样应按GB/T4841.1一2006的有关规定染成1/1染色标准深度。5.10.2耐摩擦色牢度的测定
耐摩擦色牢度按GB/T3920一2008的有关规定进行。5.10.3耐洗色牢度的测定
耐洗色牢度按GB/T39212008的规定进行。试验条件采用GB/T3921一2008表2中的试验方法C(3)。
5.10.4耐汗渍色牢度的测定免费标准下载网bzxz
耐汗渍色牢度按GB/T3922—1995的有关规定进行。5.10.5耐干热色牢度的测定
耐干热色牢度按GB/T5718一1997的有关规定进行,210℃。5.10.6耐热压色牢度的测定
耐热压色牢度按GB/T6152一1997的有关规定进行,200℃干压(4h后评定)。5.10.7耐光色牢度的测定
耐光色牢度按GB/T8427一2008的有关规定进行。6检验规则
6.1检验分类
本标准第3章所列的检验项目均为型式检验项目。其中本标准表1中(1)~(6)项为出厂检验项目,应逐批进行检验。在正常连续生产情况下,每年至少进行一次型式检验。但如有下述情况需进行型式检验:
新产品最初定型时;
产品异地生产时;
生产配方、工艺及原材料有较大改变时;停产三个月后又恢复生产时;
客户提出要求时。
出厂检验
分散红S-G200%应由生产厂的质量检验部门检验合格,附合格证明后方可出厂。生产厂应保证所有出厂的分散红S-G200%产品均符合本标准的要求。6.3复检
如果检验结果中有一项指标不符合本标准的要求时,应重新自两倍量的包装中取样进行检验,重新780
检验的结果,即使只有一项指标不符合本标准要求,则整批产品判定为不合格。标志、标签、包装、运输、购存7
7.1标志
HG/T3806—2012
分散红S-G200%的每个包装容器上都应涂印耐久、清晰的标志,标志内容至少应有:a)
产品名称;
生产厂名称、地址;
生产日期;
净含量。
产品应有标签,标签上应注明产品生产日期、合格证明、执行标准编号、批号7.3
分散红S-G
200%装于内衬塑料袋的包装容器内,并加密封,每件净含量25kg0.2kg,其他包装可与用户协商确定
7.4运输
运输时应防止倒置,小心轻放,避免碰撞,切勿损坏包装。7.5存
分散红S-G
200%应贮存于阴凉于燥、通风处,防止受潮受热781
小提示:此标准内容仅展示完整标准里的部分截取内容,若需要完整标准请到上方自行免费下载完整标准文档。

标准图片预览:





- 热门标准
- 其他行业标准
- QJMS0005S-2016 焦作市米奇食品饮料有限公司 果汁饮料
- YS/T254.7-2011 铍精矿、绿柱石化学分析方法 第7部分:水分量的测定 重量法
- YS/T1105-2016 半导体封装用键合银丝
- QB/T2025-2013 平版印铁油墨
- Q/GDW1876—2013 多功能测控装置技术规范
- YS/T358.1-2011 钽铁、铌铁精矿化学分析方法 第1部分:钽、铌量的测定 纸上色层重量法
- FZ/T64032-2022 纬编针织粘合衬
- FZ/T64041-2014 熔喷纤网非织造粘合衬
- 沪S/T306-2000 上海市建筑产品推荐性通用图集 44 SHF管道吊挂系统安装图
- SH/T3405-2012 石油化工钢管尺寸系列
- QMYJHZ0001-2016 建宏中天(北京)农业科技有限公司 混合果粒
- 04SG309 钢筋焊接网混凝土楼板与剪力墙构造
- 04S801-1 钢筋混凝土倒锥壳保温水塔(50m3、3100m3)
- GJB845.2-1991 潜艇核动力装置质量保证安全规定质量保证大纲的制定
- QJJH0006S-2016 焦作市健国怀药有限公司 怀山药粉制品
- 行业新闻
请牢记:“bzxz.net”即是“标准下载”四个汉字汉语拼音首字母与国际顶级域名“.net”的组合。 ©2025 标准下载网 www.bzxz.net 本站邮件:bzxznet@163.com
网站备案号:湘ICP备2025141790号-2
网站备案号:湘ICP备2025141790号-2