- 您的位置:
- 标准下载网 >>
- 标准分类 >>
- 纺织行业标准(FZ) >>
- FZ/T 54111-2019 涤纶中强牵伸丝
标准号:
FZ/T 54111-2019
标准名称:
涤纶中强牵伸丝
标准类别:
纺织行业标准(FZ)
标准状态:
现行出版语种:
简体中文下载格式:
.zip .pdf下载大小:
405.54 KB

点击下载
标准简介:
FZ/T 54111-2019.
1范围
FZ/T 54111规定了绦纶中强牵伸丝的术语和定义、产晶标识、技术要求.试验方法、检验规则和标志,包装,运输.贮存的要求。
FZ/T 54111适用于线密度100 dtex~780 dtex. 单丝线密度2.5 dtex~6.0 dtex,有光.圆形截面的许纶中强牵伸丝。其他类型的錄纶中强牵伸丝可参照使用。
2规范性引用文件
下列文件对于本文件的应用是必不可少的。凡是注日期的引用文件,仅注8期的版本适用于本文件。凡是不注日期的引用文件,其最新版本(包括所有的修改单)适用于本文件。
GB/T250纺织品色牢度试验 评定变 色用灰色样卡
GB/T 2828.1- 2012 计数抽样检验程序 第1部分。按接收质量限(AQL)检索的理批检验抽样计划
GB/T 3291.1纺织纺织材料性能和试验术语 第1部分:纤维和纱线
GB/T 3291.3纺织纺织材料性能和试验术语 第3部分:通用
GB/T 4146(所有部分)纺织晶化学纤维
GB/T 6502化学纤维长丝取样方法
GB/T 6504化学纤维含油率试验方法
GB/T 6505化学纤维长丝热收缩率试验方法(处理后)
GB/T 6508涤纶长 丝染色均匀度试验方法
GB/T 8170- -2008 数值修 约规则与板限数值的表示和判定
GB/T 14343化学纤维 长丝线密度 试验方法
GB/T 14344化学纤维长 丝拉伸性能试验方法
FZ/T 50001合成纤维长丝网络度试验方法
3术语和定义
GB/T 3291.1 .GB/T 3291.3 ,GB/T 4146(所有部分)界定的术语和定义适用于本文件。
4产品标识
4.1产品规格以线密度(dtex)和单丝极数(D)表示。例如:线密度为175 dtex,单丝根数为36的旅纶中强牵伸丝,其产品规格表示为175 dtex/36f.
4.2产品标识应包含:产 品规格.产品名称或批号等信息,可以有效区分。
5技术要求
5.1产品分等

部分标准内容:
中华人民共和国纺织行业标准
FZ/T54111—2019
涤纶中强牵伸丝
Polyester(PET) medium tenacity drawn yarns2019-05-02发布
中华人民共和国工业和信息化部2019-11-01实施
本标准按照GB/T1.1—2009给出的规则起草。本标准由中国纺织工业联合会提出。本标雁由上海市纺织工业技术监督所归口。FZ/T54111—2019
本标准起草单位:新凤鸣集团股份有限公司、断江古纤道绿色纤维有限公司、桐昆集团股份有限公司、福建百宏聚纤科技实业有限公司、浙江吴能科技有限公司、安徽万方织染有限公司、上海市纺织工业技术监督所、中国化学纤维工业协会。本标准主要起草人:曹小芬、孙建杰、杨志超、王海英江秀明、郭桥生、张剑、李红杰,靳高岭、余宗哲。
1范围
涤纶中强牵伸丝
FZ/T54111-2019
本标准规定了漆纶中强牵伸丝的术语和定义、产品标识、技术要求、试验方法、检验规则和标志、包装、运输贴存的要求,
本标准适用于线密度100dtex~780dtex、单丝线密度2.5dtex~6.0dtex,有光,圆形截面的漆轮中强牵伸丝。其他类型的涤纶中强牵伸丝可参照使用。2规范性引用文件
下列文件对于本文件的应用是必不可少的。凡是注日期的引用文件,仅注日期的版本适用于本文件。凡是不注日期的引用文件,其最新版本包括所有的修改单)适用于本文件。GB/T250纺织品色牢度试验评定变色用灰色样卡GB/T2828.1—2012计数抽样检验程序第1部分:按接收质量限(AQL)检索的逐批检验抽样计划
GB/T3291.1
紡织纺织材料性能和试验术语第1部分:纤维和纱线GB/T 3291.3
纺织纺织材料性能和试验术语第3部分,通用GB/T4146(所有部分)纺织品化学纤维化学纤维长丝取样方法
GB/T6502
GB/T6504
GB/T6505
GB/T6508
化学纤维含油率试验方法
化学纤维长丝热收缩率试验方法(处理后)涤纶长丝染色均勾度试验方法
GB/T8170—2008数值修约规则与极限数值的表示和判定GB/T14343
GB/T14344
化学纤维长丝线密度试验方法
化学纤维长丝拉伸性能试验方法合成纤维
FZ/T50001
3术语和定义
长丝网络度试验方法
GB/T3291.1GB/T3291.3,GB/T4146(所有部分)界定的术语和定义适用于本文件。4产品标识
4.1产品规格以线密度(dtex)和单丝根数()表示。例如:线密度为175dtex,单丝根数为36的涤纶中强牵伸丝,其产品规格表示为175dtex/36f.4.2产品标识应包含:产品规格,产品名称或批号等信息,可以有效区分。5技术要求
5.1产品分等
产品分为优等品,一等品和合格品三个等级。1
FZ/T54111—2019
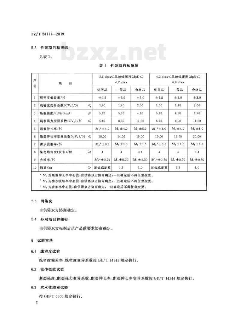
性能项目和指标
见表1。
线密度编差率/%
线密度变异系数(CV.)/%
断裂强度/(cN/dtex)
断囊强力变异系数(CV.)/%
断装伸长率/%
断毅伸长率变异系数(CV.)/%
沸水收缩率/X
染色均勾度灰卡)/级
含油率/%
简重/kg
性能项目和指标
2.5dtex≤单丝线密度(dpf)≤
优等品
定长或定重
一等品
合格品
Ma±1,5
4.2dtex<单丝线密度(dpf)≤
优等品
定长或定重
,M,为断囊伸长率中心值,由供需双方协商确定,一且确定后不得任意变更。“M。为带水收缩率中心值,由供需效方协离确定,一且确定后不得任意变更。M。为含油率中心值,由供需双方协商确定,一且确定后不得任意变更,5.3
网络度
由供需双方协商确定。
外观项目和指标
由供需双方根据后道产品的要求协商确定。6试验方法
6.1线密度试验
线密度偏差率、线密度变异系数接GB/T14343规定执行。拉伸性能试验
一等品
合格品
断裂强度、断裂强力变异系数断裂伸长率、断裂伸长率变异系数按GB/T14344规定执行。沸水收缩率试验
按GB/T6505规定执行。
染色均匀度试验
按GB/T6508规定执行。
6.5含油率试验
按GB/T6504规定执行。
6.6网络度试验
按FZ/T50001规定执行,仲裁时采用手工移针法,测试结果修约至整数。筒重试验
FZ/T54111—2019
用检定分度值小于等于卷装质量的0.1%,最大秤量的20%~80%能覆盖卷装质量的磅秤,电子秤等衡器称取卷装的质量,扣除已知的皮质量,该净质量即为筒简重,精确至0,5%,并记录。6.8
外观检验
6.8.1设备
可采用移动光源,固定光源进行外观检验:移动光源:要求照度大于或等于6001x,无强烈的其他干扰光源;注:移动光源根据实际情况选用,可以是充电灯或手电或其他能达到照度要求的任意一种,固定光源:以平行排列的两支40W普通荧光灯,悬挂于离地面高度为180cm~200cm处,丝车在正下方能轻松观到卷装上面积≥0.5cm的淡黄鱼油污为宜6.8.2检验步骤
6.8.2.1仔细观察卷装的二个端面和一个柱表面。6.8.2.2
对每个被检卷装进行外观检验,并记录。7检验规则
检验项目
7.1.1表1中项目均为出厂检验项目。7.1.2外观检验项目按5.4规定。7.2组批规定
在一定范国内采用周期性取样组成检验批。一个生产批可由一个检验批组成,也可由若干检验批组成。
7.3取样规定
7.3.1表1中各项目试验的实验室样品按GB/T6502规定取样。其中,染色均匀度和简重试验逐筒取样。
外观检验逐简取样。
7.4检验结果评定
7.4.1性能项目的测定值或计算值按GB/T8170一2008中修约值比较法与表1的性能指标的极限数3
FZ/T54111—2019
值比较,评定等级。其中染色均勾度,根据染色级差(含同一段袜带内的深浅条纹)按GB/T250评定等级。
7.4.2外观检验按5.4规定,逐筒评定等级,7.4.3产品综合等级的评定,以检验批中性能指标和外观指标最低项的等级定为该批产品的等级。7.5复验规则
7.5.1通则
批产品到收货方一个月内,作为验收或对品质有异议时可提请复验。若该批产品的数量使用了三分之一以上时,不得中请复验。但如果收货方可以出示相关证据证明该批产品确实影响到后如工产品的品质,并造成严重提先时,店分析原因,明确双方责任,协商处理。7.5.2检验项目
同7.1。
7.5.3组批规定
接原生产批组批,但生产日期间隔超过90天的产品不能按同一批号组批。7.5.4取样规定
7.5.4.1性能项目的实验室样品按GB/T6502规定取样。7.5.4.2外观为抽样检验,根据批量按GB/T2828.1一2012表1中一般检验水平Ⅱ规定确定样本大小(字码)。
7.5.5复验评定Www.bzxZ.net
7.5.5.1性能项目的测定值或计算值接GB/T81702008中修约值比较法与表1的性能指标的极限数值比较,评定等级
7.5.5.2外观项目按7.5.4.2样本大小,根据GB/T2828.1一2012表2-A中正常检验一次抽样方案AQL值为4.0,确定合格判定数Ac和不合格判定数Re,并按供需双方合同指标评定,当不合格的卷装数Ac时判为原等级,当不合格的卷装数2Re时,则判为不符合原等级,7.5.5.3产品综合等级的评定,按7.4.3评定,高于或等于原等级则判为符合,低于原等级则判为不符合。
8标志,包装、运输、贮存
8.1标志
包装箱上应标明产品名称、规格、等级、批号、净重、毛重、卷装个数、包装日期、产品标准编号、商标。生产企业名称,详细地址等相关信息和防潮、小心轻放等警示标志。8.2包装
8.2.1每个卷装都应套一个塑料袋后放人包装箱。包装箱内应有定位装置(定位器或定位孔板等)固定卷装,包装的质量应能保证卷装不受损伤。8.2.2每个包装箱内的卷装大小尽量均匀。不同品种、规格、批号,等级的产品要分别装箱,严禁混装。8.2.3每批产品应附质量检验单。8.3运输
运输过程中避免包装箱损坏,受潮、爆晒、倾斜和倒置8.4
包装箱按批堆故,贮存在干燥、清洁、通风,避光的场所。FZ/T54111—2019
小提示:此标准内容仅展示完整标准里的部分截取内容,若需要完整标准请到上方自行免费下载完整标准文档。

标准图片预览:





- 其它标准
- 上一篇: JT 3149-92 沥青针入度仪
- 下一篇: JT 3148-92 沥青标准粘度计
- 热门标准
- FZ纺织行业标准
- FZ/T81018-2014 机织人造革服装
- FZ/T73001-2016 袜子
- FZ/T13001-2013 色织牛仔布
- FZ/T73018—2021 毛针织品
- FZ/T64003—2021 喷胶棉絮片
- FZ/T32004-2009 亚麻棉混纺本色纱线
- FZ/T43036-2016 合成纤维装饰织物
- FZ/T54052-2012 有色涤纶牵伸单丝
- FZ/T98014-2016 马丁代尔耐磨及起毛起球性能试验仪
- FZ/T14029-2014 棉磨毛印染布
- FZ/T14007-2011 棉涤混纺印染布
- FZ/T43007-2011 丝织被面
- FZ/T54109-2018 有色对位芳纶长丝
- FZ/T92018-2001 平面钢领
- FZ/T50010.1-1998 粘胶纤维用浆粕 取样方法
- 行业新闻
网站备案号:湘ICP备2025141790号-2