- 您的位置:
- 标准下载网 >>
- 标准分类 >>
- 轻工行业标准(QB) >>
- QB/T 1704 -1993 铝箔衬纸
标准号:
QB/T 1704 -1993
标准名称:
铝箔衬纸
标准类别:
轻工行业标准(QB)
标准状态:
现行出版语种:
简体中文下载格式:
.zip .pdf下载大小:
80.46 KB
相关标签:
铝箔
点击下载
标准简介:
QB/T 1704 -1993.
4.2︰铝箔衬纸为卷筒,卷筒宽度365mm ,380mm, 410mm,476mm ,490mm,按合同要求可以生产其他颜色、尺寸和定量的纸张。
纸张宽度允许偏差不许超过士3mm,纸卷直径偏差为士50mm。
4.3纸张纤维组织均匀,不得有严重的云彩花。
4.4纸面应平整,不许有褶子﹑皱纹、残缺、破洞、条痕、斑点、裂口、砂子及硬质块等影响使用的外观纸病。
4.5同批纸张色调一致,不许有明显的差别。
4.6纸卷的切边应整齐洁净,端面应平整,不许有裂口,缺边,弓形不许超过10mm,锯齿形不许超过3mm 。
4.7每卷纸接头不多于6个,接头处应用胶带或不渗透的胶水粘牢。接头应良好,胶水不影响上下层及两端,并用有色纸条或颜色在卷简端部标志。
4.8纸卷内不应有碎纸屑、尘埃等杂质。
4.9纸的水分应一致,卷简纸边不许有松紧不一现象。
5检验规则
5.1以一次交货的数量为一批,但不多于30t ,每卷纸张应附一份产品质量合格证。
5.2需方有权按本标准检查该产品的质量。若对产品质量有异议,应在到货半年内通知供方,共同取样进行复验。如复验不符合本标准要求,则判为批不合格,由供方负责处理。
5.3交收检验按GB/T 2828进行。样本单位为卷筒。
5.4试样的采取和检验前试样的处理按照GB/T 450和GB/T 10739规定进行。
部分标准内容:
铝箔衬纸
1主题内容与适用范围
QB/T17041993
本标准规定了铝箔衬纸的产品分类、技术要求、试验方法、检验规则和标志、包装、运输、存。本标准适用于裱糊铝箔内衬基纸。引用标准
GB/T450纸和纸板试样的采取
GB/T 451.1纸和纸板尺寸及偏斜度的测定法GB/T451.2纸和纸板定量的测定法GB/T 453
GB/T456
GB/T 460
GB/T 462
GB/T 1541
纸和纸板抗张强度的测定法(恒速加荷法)纸和纸板平滑度的测定法(别克法)纸和纸板施胶度的测定法(墨水划线法)纸和纸板水分的测定法
纸和纸板尘埃度的测定法
GB/T 2828
逐批检查计数抽样程序及抽样表(适用于连续批的检查)GB/T 8940.1
GB/T 10342
GB/T 10739
3产品分类
纸和纸板白度的测定法45/0定向反射法纸张的包装和标志。
纸浆、纸和纸板试样处理和试验的标准大气3.1铝箔衬纸分为B等和C等两种。供裱糊防潮包装用铝箔内衬。3.1按加工设备对原纸分为两种型号1型—一单面光铝箔衬纸,主要适用于车速大于等于100m/min加工机;型—双面光铝箔衬纸,主要适用于车速大于等于100m/min加工机。4技术要求和试验方法
4.1铝箔衬纸的技术指标必须符合表1规定。中华人民共和国轻工业部1993-04-15批准1993-12-01实施
抗张强度
施胶度
指标名称
21g/m2
32g/m2
50g/m2
光面平滑度
尘埃度
交货水分
0.3~1.5mm2
不小于
不小于
不小于
不小于
不小于
不多于
QB/T1704--1993
个/m2
不许有
0.25(3线)
不许有下载标准就来标准下载网
不许有
不许有
试验方法
GB/T 451. 2
GB/T453
GB/T460
GB/T456
GB/T 8940.1
.GB/T1541
6.0±2.06.0±2.06.0±2.06.0±2.0注:①横向抗张强度0.6kN/m,不包括21g/m2铝箔衬纸。②如生产其他定量,抗张强度按指数折算。GB/T462
4.2铝箔衬纸为卷简,卷筒宽度365mm,380mm,410mm,476mm,490mm,按合同要求可以生产其他颜色、尺寸和定量的纸张。
纸张宽度允许偏差不许超过士3mm,纸卷直径偏差为士50mm。4.3纸张纤维组织均勾,不得有严重的云彩花。纸面应平整,不许有褶子、皱纹、残缺、破洞、条痕、斑点、裂口、砂子及硬质块等影响使用的外观纸4.4
同批纸张色调一致,不许有明显的差别。4.5
4.6纸卷的切边应整齐洁净,端面应平整,不许有裂口、缺边,弓形不许超过10mm,锯齿形不许超过3mm。
每卷纸接头不多于6个,接头处应用胶带或不渗透的胶水粘牢。接头应良好,胶水不影响上下层及4.7
两端,并用有色纸条或颜色在卷简端部标志。4.8纸卷内不应有碎纸屑、尘埃等杂质。4.9纸的水分应一致,卷简纸边不许有松紧不一现象。5检验规则
5.1以一次交货的数量为一批,但不多于30t,每卷纸张应附一份产品质量合格证。5.2需方有权按本标准检查该产品的质量。若对产品质量有异议,应在到货半年内通知供方,共同取样进行复验。如复验不符合本标准要求,则判为批不合格,由供方负责处理。5.3交收检验按GB/T2828进行。样本单位为卷筒。5.4试样的采取和检验前试样的处理按照GB/T450和GB/T10739规定进行。314
QB/T1704—1993
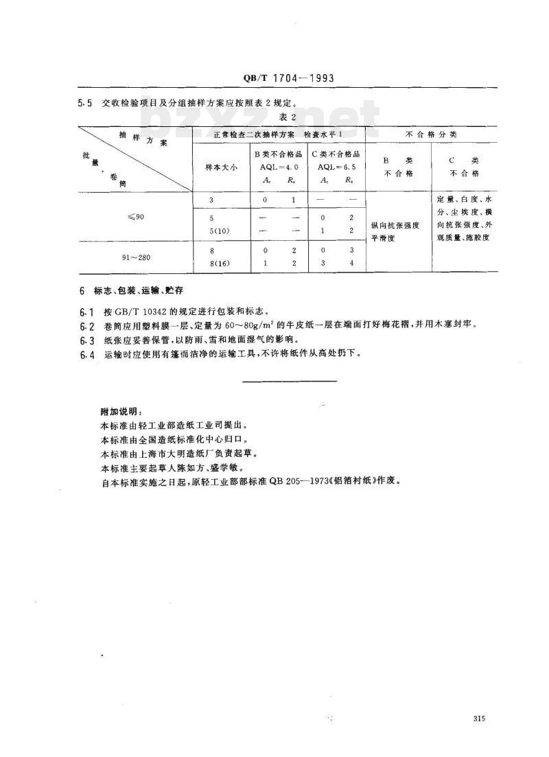
5.5交收检验项目及分组抽样方案应按照表2规定。表2
抽样方案
91~280
6标志、包装、运输、贮存
正常检查二次抽样方案
B类不合格品
样本大小
检查水平1
C类不合格品
AQL = 6. 5
不合格分类
不合格
纵向抗张强度
平滑度
不合格
定量、白度、水
分、尘埃度、横
向抗张强度、外
观质量、施胶度
6.1按GB/T10342的规定进行包装和标志。6.2卷筒应用塑料膜一层、定量为60~80g/m2的牛皮纸一层在端面打好梅花褶,并用木塞封牢。6.3纸张应妥善保管,以防雨、雪和地面湿气的影响。6.4运输时应使用有篷而洁净的运输工具,不许将纸件从高处扔下。附加说明:
本标准由轻工业部造纸工业司提出。本标准由全国造纸标准化中心归口。本标准由上海市大明造纸厂负责起草。本标主要起草人陈如方、盛学敏。自本标准实施之日起,原轻工业部部标准QB205—1973《铝箔衬纸》作废。315
小提示:此标准内容仅展示完整标准里的部分截取内容,若需要完整标准请到上方自行免费下载完整标准文档。
标准图片预览:



- 其它标准
- 热门标准
- QB轻工标准
- QB/T5247-2018 箱包配件塑料插扣耐 用性能试验方法
- QB/T2856-2007 毛革服装
- QB/T2425-1998 封箱用再湿性牛皮纸胶粘带
- QB/T3520-1999 500kV油纸套管绝缘纸
- QB2584-2003 蒸汽淋浴房
- QB/T2591-2003 抗菌塑料-抗菌性能试验方法和抗菌效果
- QB/T1439-2005 帐册
- QB/T1584-2005 日用皮手套
- QB/T1756-1993 造纸机械湍流式中浓度浆泵
- QB/T1782-1993 苯乙醇
- QB/T1664-1998 纸板戳穿强度测定仪
- QB/T1702.2-1993 括板升运机
- QB/T2501-2000 重力式自动装料衡器
- QB/T2161-1995 儿童推车整车通用技术条件
- QB/T3510-1999 Y311条粗条干仪用记录纸
- 行业新闻
网站备案号:湘ICP备2025141790号-2