- 您的位置:
- 标准下载网 >>
- 标准分类 >>
- 船舶行业标准(CB) >>
- CB/T 3651-94 挖泥船输泥管球形接头
标准号:
CB/T 3651-94
标准名称:
挖泥船输泥管球形接头
标准类别:
船舶行业标准(CB)
标准状态:
现行出版语种:
简体中文下载格式:
.zip .pdf下载大小:
358.67 KB
点击下载
标准简介:
CB/T 3651-94.
1主题内容 与适用范围
CB/T 3651规定了输泥管球形接头(以下简称“球形接头")的型式、外形尺寸、基本参数、技术要求及验收规则。
CB/T 3651适用于海上、内河吸扬挖泥船。
2引用标准
GB 6414铸件尺寸公差
GB/T 11350铸件机械加工余量
GB/T 11351铸件重量公差
JB 4379金属冷冲压件 公差
3型式、外形尺寸及基本参数
3.1球形 接头结构采用内外球面、活节螺栓连接型式,见图1.
4产品代号及标记示例
4.1产品代号
ZG--表示内外球体及 附件全铸;
ZH-表示球体铸造,法兰、眼板焊接;
YH-表示球体压制成形,法兰、眼板焊接。
4.2标记示例
公称通径为400mm、公称压力为0.4MPa的铸钢铸造成形的球形接头:
球形接头400ZG-0.4 CB/T 3651-94
5技术要求
5.1一般技术要求
5.1.1主要零 件材料要求应符合表4和表5规定。
部分标准内容:
中华人民共和国船舶行业标准
CB/T 3651—94
挖泥船输泥管球形接头
1994-10-08发布
中国船舶工业总公司
1995-08-01实施
中华人民共和国船舶行业标准
挖泥船输泥管球形接头
主题内容与适用范围
CB/T 3651- 94
分类号u34
本标准规定了输混管球形接头(以下简称\球形接头\)的塑式、外形尺寸,基本多数、技术要求及验收规购。
本标准适用于海上、内河吸扬挖泥船:2引用标准
BB6414:件尺寸公差
GB/T11350铸件机械加工余凝
GB/T11351铸件重圣公差
JB4379金属冷冲压件公差
3型式、外形尺寸及基本参数
3.1埭形接头结构采用内外球面、活节螺羟连接型式,见图1。中国船舶工业总公司1994-10-08批准HTYKAONiKAca-
1995-08-01实施
CB/T3651—94
图1:球形接头
A向能原
1内球体;2-内接管:3—密封环,4--K紧环5活节螺羟:6--眼板;7--外球休+8肾接法:9-吊环
3.2球形接头外形尺寸及基本参数见表1、表2。表1球形接头外形尺寸
公称通径下载标准就来标准下载网
外形尺#
连接蝶栓
公称压力,MP:
CB/T 3651--94
表2球形接头结构型式及基本参数结构型式
工作压力
工作转角
工作益度
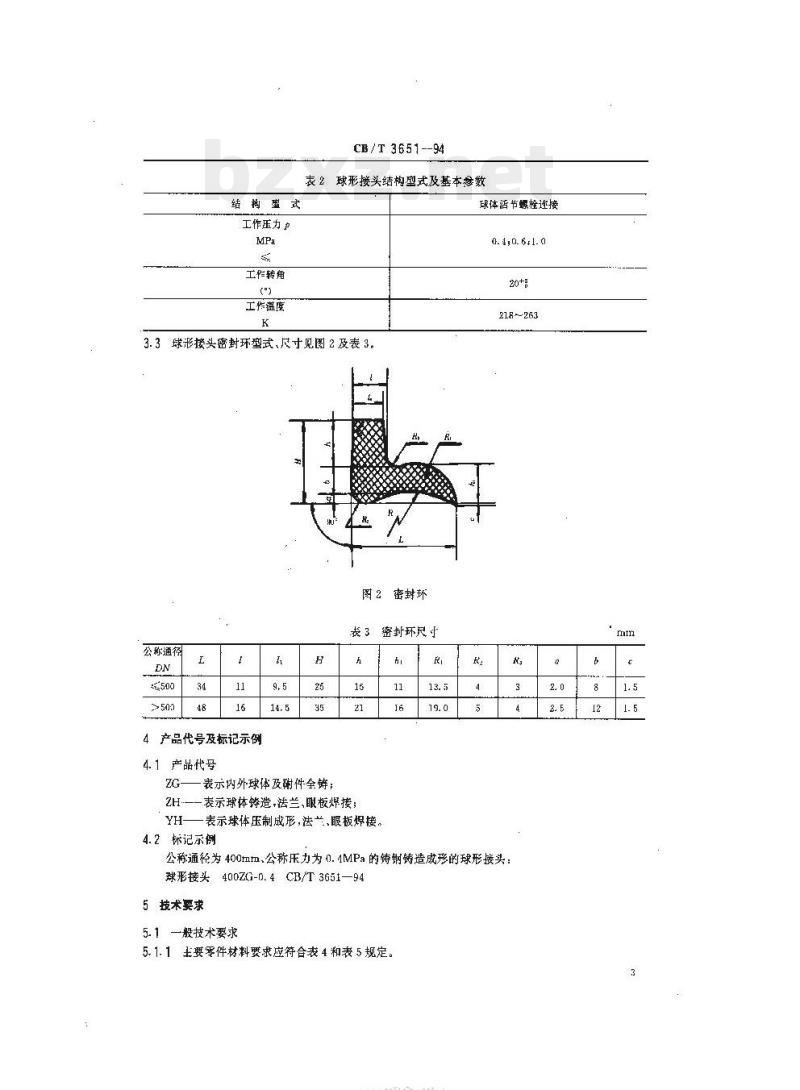
3.3球形接头密封环型式,尺寸见图2及表3。图2密封环
密封环尺寸
公称通径
4产品代号及标记示例
4.1产品代号
ZG表示内外球体及附件全铸:
ZH-——表示球体铸造,法兰、眼板烁接YH-
一表示球体压制成形,法兰、眼板焊接。4.2标记示例
球体活节螺栓连接
0. 4,0.61. 0
218-~263
公称通径为400mm、公称压力为0.4MPa的铸钢铸造成形的球形接头:球形接头400ZGi-0.4CB/T3651—945技术要求
5.1一般技术要求
5.1.1主要零件材料要求应符合表4和表5规定。TYYKAONiKAca
零作名称
内外球体
嵌紧环
密度g/cm
吸水率,
抗强度+MPa
抗拉强度,MPa
煎热性,K
附塞性,K
CB/T 3651-94
丧4球形接头零件材料
2G230 250
2230-450
耐求合皮稳胶
MC尼龙
表5MC尼龙性能指标
际雅号
GB1135289
GB700—88
GB 700—88
C1135289
GE700—88
GB599-88
1. 11--1. 16
0. 7--1. 2
.1.2球形接头可采用全铸、压焊和铸姆法制造。全铸为内外球体奎部铸造成形:炸为钢板医制成形,法兰、眼板等焊接:焊为内外球林造,法兰,眼板等焊接,5.1.3密封环可做戒斜头搭接,接口应采用粘接剂粘合.密封环应具有耐海水腐饱、耐泥抄磨横的工作悦.
5.1.4为提高耐磨性,内球体接管可采用磨材料喷覆。5.1.5缺件各表面不应有气孔、爽液、缩孔、疏沿、裂纹等缺陷存在,如有以上缺陷应予清除爆补,清理光整,且应保证强度、密封性压力试验合格。5..6零件好缝不成有焊瘤,烯穴、气孔、夹杂,胶近和裂纹等缺陷存在,如有以上缺陷成手清除焊补,清理光整,且应保证强度、懿封性压力试验合格,5.1.7球形接头的紧固作应进行键锌质腑处理,外露表面应任窃护处理。5.2主要零件加T.技术要求
5.2.1内外球体铸件非加工尺寸偏差应符合GB6414C112级精度规定,如采用离心浇铸应符合CT级要求。
5.2.2铸件垂量偏差应符合GB/T:1351中14级重部公差等级要求。5.2.3待件加工余量应符台GB/T11350中CT12-MAJ级要求。5.2.4铸焊成形和压焊成形的内外球体焊接法兰平面与球体中心线的乘直度,应不大于法兰外径的0.5%。
5.2.5焊成形的内外球体外径尺寸偏差应不大于JB4379中冷压成形公差的B级精度要求:5.2.6内外球体配合球面面轮席度应不大于球体直径尺寸极限偏差,5.2.7外球体球面相工精度采用H。内球体球面加工精度d9。配合表面粗糖度为R,≤6.3tm。4
CH/T 3651--94
5.3组装后试验技术要求
5.3.1内外球体加密封环组装后进行强度和密封性压力试验,试验压力为工作压力的1.5倍。试验时密封环处不得有明显泄漏。
5.3.2内外球体组装后应在工作角度范围内进行转角试验。6验收规则
6.1制造厂应对主要零件逐个检查,其尺寸公差、形位精度及表面粗糙度等应符合本标准有关规定。6.2铸件质量应符合5.1.5条规定6.3焊接质量应符合5.1.6条规定。6.4内外球体强度和密封性斥力试验结果应符合5.3.1条规定。6.5组装后的球形接头转角试验结果应符合5.3.2条规迟,试验时可不加装密封环。6.6密封环外形尺小按表3规定检在。橡胶密封环外观质量及物理性能各项指标应符合」塑橡疫密封标准有关规定。MC尼龙密封环物理性能指标应符合表与规定、外观质量要求同橡胶密封环7标志、包装、运输和贮存
7.1每套球形接头应铸出或打上标志,标志可铸、打在外球体表面或管接法兰上,7.2产品标志应包括以下内容:
:商标或制造)名称;
h.公称压力值MPa;
c公称通径,mm;
d. 介质流动方间指示;
标准号及出厂日期。
7.3内外球体在运输过程中,两端管接法盖及球体配合面应涂敷润滑汕脂,并进行封堵,7.4球形接头应忙存在有邀盖,能防雨、雪,潮的木质垫板上。附加说明:
本标准由全国海洋船标准化技术委员会提出。本标准由中国船舶工业总公司第七研究院708 研究所归口。本标准由新河船修造」起草。
本标准主要起草人左希伯。
HTYKADNiKAca-
小提示:此标准内容仅展示完整标准里的部分截取内容,若需要完整标准请到上方自行免费下载完整标准文档。
CB/T 3651—94
挖泥船输泥管球形接头
1994-10-08发布
中国船舶工业总公司
1995-08-01实施
中华人民共和国船舶行业标准
挖泥船输泥管球形接头
主题内容与适用范围
CB/T 3651- 94
分类号u34
本标准规定了输混管球形接头(以下简称\球形接头\)的塑式、外形尺寸,基本多数、技术要求及验收规购。
本标准适用于海上、内河吸扬挖泥船:2引用标准
BB6414:件尺寸公差
GB/T11350铸件机械加工余凝
GB/T11351铸件重圣公差
JB4379金属冷冲压件公差
3型式、外形尺寸及基本参数
3.1埭形接头结构采用内外球面、活节螺羟连接型式,见图1。中国船舶工业总公司1994-10-08批准HTYKAONiKAca-
1995-08-01实施
CB/T3651—94
图1:球形接头
A向能原
1内球体;2-内接管:3—密封环,4--K紧环5活节螺羟:6--眼板;7--外球休+8肾接法:9-吊环
3.2球形接头外形尺寸及基本参数见表1、表2。表1球形接头外形尺寸
公称通径下载标准就来标准下载网
外形尺#
连接蝶栓
公称压力,MP:
CB/T 3651--94
表2球形接头结构型式及基本参数结构型式
工作压力
工作转角
工作益度
3.3球形接头密封环型式,尺寸见图2及表3。图2密封环
密封环尺寸
公称通径
4产品代号及标记示例
4.1产品代号
ZG表示内外球体及附件全铸:
ZH-——表示球体铸造,法兰、眼板烁接YH-
一表示球体压制成形,法兰、眼板焊接。4.2标记示例
球体活节螺栓连接
0. 4,0.61. 0
218-~263
公称通径为400mm、公称压力为0.4MPa的铸钢铸造成形的球形接头:球形接头400ZGi-0.4CB/T3651—945技术要求
5.1一般技术要求
5.1.1主要零件材料要求应符合表4和表5规定。TYYKAONiKAca
零作名称
内外球体
嵌紧环
密度g/cm
吸水率,
抗强度+MPa
抗拉强度,MPa
煎热性,K
附塞性,K
CB/T 3651-94
丧4球形接头零件材料
2G230 250
2230-450
耐求合皮稳胶
MC尼龙
表5MC尼龙性能指标
际雅号
GB1135289
GB700—88
GB 700—88
C1135289
GE700—88
GB599-88
1. 11--1. 16
0. 7--1. 2
.1.2球形接头可采用全铸、压焊和铸姆法制造。全铸为内外球体奎部铸造成形:炸为钢板医制成形,法兰、眼板等焊接:焊为内外球林造,法兰,眼板等焊接,5.1.3密封环可做戒斜头搭接,接口应采用粘接剂粘合.密封环应具有耐海水腐饱、耐泥抄磨横的工作悦.
5.1.4为提高耐磨性,内球体接管可采用磨材料喷覆。5.1.5缺件各表面不应有气孔、爽液、缩孔、疏沿、裂纹等缺陷存在,如有以上缺陷应予清除爆补,清理光整,且应保证强度、密封性压力试验合格。5..6零件好缝不成有焊瘤,烯穴、气孔、夹杂,胶近和裂纹等缺陷存在,如有以上缺陷成手清除焊补,清理光整,且应保证强度、懿封性压力试验合格,5.1.7球形接头的紧固作应进行键锌质腑处理,外露表面应任窃护处理。5.2主要零件加T.技术要求
5.2.1内外球体铸件非加工尺寸偏差应符合GB6414C112级精度规定,如采用离心浇铸应符合CT级要求。
5.2.2铸件垂量偏差应符合GB/T:1351中14级重部公差等级要求。5.2.3待件加工余量应符台GB/T11350中CT12-MAJ级要求。5.2.4铸焊成形和压焊成形的内外球体焊接法兰平面与球体中心线的乘直度,应不大于法兰外径的0.5%。
5.2.5焊成形的内外球体外径尺寸偏差应不大于JB4379中冷压成形公差的B级精度要求:5.2.6内外球体配合球面面轮席度应不大于球体直径尺寸极限偏差,5.2.7外球体球面相工精度采用H。内球体球面加工精度d9。配合表面粗糖度为R,≤6.3tm。4
CH/T 3651--94
5.3组装后试验技术要求
5.3.1内外球体加密封环组装后进行强度和密封性压力试验,试验压力为工作压力的1.5倍。试验时密封环处不得有明显泄漏。
5.3.2内外球体组装后应在工作角度范围内进行转角试验。6验收规则
6.1制造厂应对主要零件逐个检查,其尺寸公差、形位精度及表面粗糙度等应符合本标准有关规定。6.2铸件质量应符合5.1.5条规定6.3焊接质量应符合5.1.6条规定。6.4内外球体强度和密封性斥力试验结果应符合5.3.1条规定。6.5组装后的球形接头转角试验结果应符合5.3.2条规迟,试验时可不加装密封环。6.6密封环外形尺小按表3规定检在。橡胶密封环外观质量及物理性能各项指标应符合」塑橡疫密封标准有关规定。MC尼龙密封环物理性能指标应符合表与规定、外观质量要求同橡胶密封环7标志、包装、运输和贮存
7.1每套球形接头应铸出或打上标志,标志可铸、打在外球体表面或管接法兰上,7.2产品标志应包括以下内容:
:商标或制造)名称;
h.公称压力值MPa;
c公称通径,mm;
d. 介质流动方间指示;
标准号及出厂日期。
7.3内外球体在运输过程中,两端管接法盖及球体配合面应涂敷润滑汕脂,并进行封堵,7.4球形接头应忙存在有邀盖,能防雨、雪,潮的木质垫板上。附加说明:
本标准由全国海洋船标准化技术委员会提出。本标准由中国船舶工业总公司第七研究院708 研究所归口。本标准由新河船修造」起草。
本标准主要起草人左希伯。
HTYKADNiKAca-
小提示:此标准内容仅展示完整标准里的部分截取内容,若需要完整标准请到上方自行免费下载完整标准文档。
标准图片预览:





- 其它标准
- 上一篇: CB/T 3652-94 综合电装图设绘要领
- 下一篇: QB/T 1777-2006 异戊酸异戊酯
- 热门标准
- CB船舶标准
- CB/T3945-2002 法兰铸钢带波纹管截止阀
- CB/T3732-1995 耙吸挖泥船耙头修理技术要求
- CB/T3035-2005 船舶倾斜试验
- CB/T4182-2011 船用油水界面探测器要求
- CB/T4151-2011 船舶坞内移位落墩工艺要求
- CB456-1992 蒸汽热水柜
- CB/T3563-1993 船用柴油机涡轮增压器修理技术要求
- CB1371-2004 舰船用钢火工工艺实验方法
- CB1381-2005 军用加固液晶显示器通用规范
- CB/Z127-2004 潜艇电气设备安装工艺
- CB/T4122-2011 船舶碳素钢管TIG焊接技术要求
- CB/T3607-1993 螺旋桨及尾轴安装质量要求
- CB/T3582-1994 船舶货舱口修理技术要求
- CB689-68 通气阀
- CB568-67 Pg250空气油水分离器
- 行业新闻
请牢记:“bzxz.net”即是“标准下载”四个汉字汉语拼音首字母与国际顶级域名“.net”的组合。 ©2025 标准下载网 www.bzxz.net 本站邮件:bzxznet@163.com
网站备案号:湘ICP备2025141790号-2
网站备案号:湘ICP备2025141790号-2