- 您的位置:
- 标准下载网 >>
- 标准分类 >>
- 轻工行业标准(QB) >>
- QB/T 5280-2018 玻璃门门]铰链
标准号:
QB/T 5280-2018
标准名称:
玻璃门门]铰链
标准类别:
轻工行业标准(QB)
标准状态:
现行出版语种:
简体中文下载格式:
.zip .pdf下载大小:
6.42 MB
相关标签:
铰链

点击下载
标准简介:
QB/T 5280-2018.Glass hinge &clamp.
QB/T 5280规定了玻璃门铰链的术语和定义、要求、试验方法、检验规则、标志、包装、运输和贮存。
QB/T 5280适用于无框平开玻璃门的合页及固定夹,其他型式玻璃门的合页及固定夹可参考使用。
2规范性引用文件
下列文件对于本文件的应用是必不可少的。凡是注日期的引用文件,仅注8期的版本适用于本文件。凡是不注日期的引用文件,其最新版本( 包括所有的修改单)适用于本文件。
GB/T 1222弹簧钢
GB/T 3098.6-2014紧固件机械性能不锈钢螺栓螺钉 和螺柱
GB/T 3279弹簧钢热轧钢板
GB/T 3280不锈钢冷轧钢板 和钢带
GB/T 5231加工铜及铜合 金牌号和化学成分
GB/T 6461 - 2002金属基体.上金属和其他覆盖层经腐 蚀试验后的试样和试件的评级
GB/T 9286- 1998色漆和清漆漆膜的划格 试验
GB/T 10125- 2012人造气氛腐蚀试验 盐雾试验
3术语和定义.
下列术语和定义适用于本文件。
3.1合页hinge启闭玻璃门的关键部件,通常由活动座、连接轴、弹簧座、中心底板、面板和沉头螺钉组成。
3.2固定夹clamp夹持玻璃构件的连接件,用于玻璃之间或玻璃与墙体的连接。
3.3液压可调合页adjustable hydraulic hinge液压缓冲、关闭角度可调的合页,通常由活动座、连接轴、滑块、液压油缸、弹簧、导向块、调节螺钉、中心底板、面板和沉头螺钉组成。
3.4主要面main surface产品按实际状态安装后,正对使用者的平面。
4要求
4.1 材料

部分标准内容:
分类号:Y71
备案号:65148-2018
中华人民共和国轻工行业标准
QB/T5280-2018
玻璃门铰链
Glasshinge&clamp
2018-07-04发布
中华人民共和国工业和信息化部发布
2019-01-01实施
本标准按照GB/T1.1一2009给出的规则起草。本标准由中国轻工业联合会提出。本标准由全国建筑五金标准化中心归口。QB/T5280-2018
本标准起草单位:上海市质量监督检验技术研究院(国家建筑材料及装饰装修材料质量监督检验中心)、广州市欧美嘉卫浴科技有限公司、佛山市劳伦斯五金实业有限公司、海达门控有限公司、路达(厦门)工业有限公司、史丹利东铁(上海)五金有限公司、广东坚朗五金制品股份有限公司、广东省肇庆市质量计量监督检测所、北京建筑材料检验研究有限公司、高天(中山)金属制造有限公司、广东雅洁五金有限公司、广东顶固集创家居股份有限公司,广东汇泰龙科技有限公司。本标准主要起草人:吴春明、陈自强、刘国德、杨国元、蒋仕湘、谢轶洲、厉敏、欧阳壮、于祖龙、麦佳隆、利浩添、张月明、张学勤、夏美霞、唐敏俊、余锋。本标准为首次发布。
1范围
玻璃门铰链
QB/T5280-2018
本标准规定了玻璃门铰链的术语和定义,要求,试验方法,检验规则,标志,包装运输和存。本标准适用于无框平开玻璃门的合页及固定夹,其他型式玻璃门的合页及固定夹可参考使用。2规范性引用文件
下列文件对于本文件的应用是必不可少的。凡是注日期的引用文件,仅注日期的版本适用于本文件。凡是不注日期的引用文件,其最新版本(包括所有的修改单)适用于本文件。GB/T1222弹簧钢
GB/T3098.6—2014
紧固件机械性能不锈钢螺栓螺钉和螺柱弹簧钢热轧钢板
GB/T3279
GB/T3280不锈钢冷轧钢板和钢带GB/T5231加工铜及铜合金牌号和化学成分GB/T6461一2002金属基体上金属和其他覆盖层经腐蚀试验后的试样和试件的评级GB/T9286-1998色漆和清漆漆膜的划格试验GB/T10125一2012人造气氛腐蚀试验盐雾试验3术语和定义
下列术语和定义适用于本文件。3.1
合页hinge
启闭玻璃门的关键部件,通常由活动座、连接轴、弹簧座、中心底板、面板和沉头螺钉组成3.2
固定夹clamp
夹持玻璃构件的连接件,用于玻璃之间或玻璃与墙体的连接。3.3
液压可调合页adjustablehydraulichinge液压缓冲、关闭角度可调的合页,通常由活动座、连接轴、滑块、液压油缸、弹簧、导向块、调节螺钉、中心底板、面板和沉头螺钉组成。3.4
主要面mainsurface
产品按实际状态安装后,正对使用者的平面。4要求
4.1材料
4.1.1不锈钢
使用不锈钢制造时,应符合GB/T3280的规定。4.1.2黄铜
使用黄铜制造时,应符合GB/T5231的规定。一
QB/T5280-2018
4.1.3弹簧钢
使用弹簧钢制造时,应符合GB/T1222及GB/T3279规定。4.1.4其他
采用其他材料制造时,应满足4.8的要求。4.2外观
4.2.1划伤
产品主要面不应出现两条以上(含两条)的划伤,划伤长度不应超过5mm,宽度不应超过0.2mm。4.2.2砂眼
产品主要面在25mm×50mm范围内,可有一个直径不大于0.1mm的砂眼:产品次要面在25mm×50mm范围内,可有两个直径不大于0.1mm的砂眼。4.2.3其他
产品表面应无明显的毛刺、碰伤、缺角、凹点/凸点、裂纹、塌边、变形、焊口不良,发黄/发黑、污渍等缺陷。
4.3尺寸
产品的基本尺寸偏差应符合表1的规定。表1尺寸偏差
单位为毫米
基本尺寸
长度L
宽度W
孔距N
注:产品长度L、宽度W、孔距N见图1。4.4装配
4.4.1允许误差
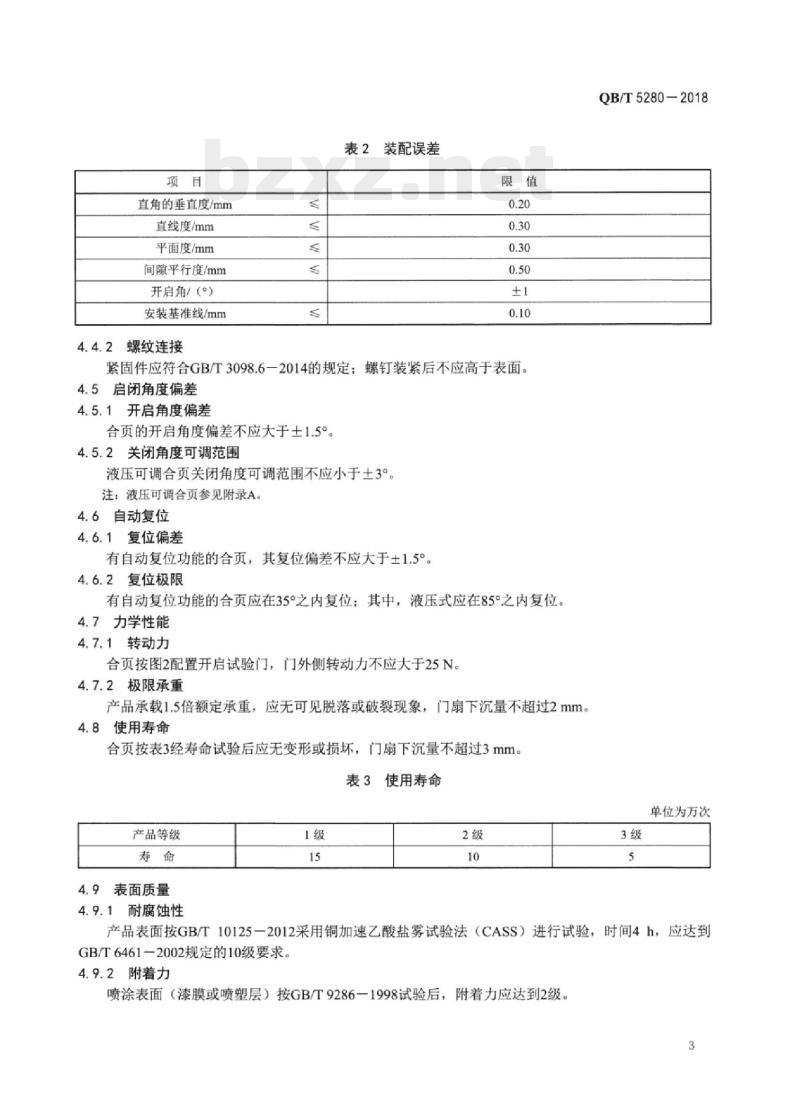
产品装配后的允许误差应符合表2规定。2
图1基本尺寸
极限偏差
直角的垂直度/mm
直线度/mm
平面度/mm
间隙平行度/mm
开启角/(°)
安装基准线/mm
螺纹连接
装配误差
紧固件应符合GB/T3098.6一2014的规定:螺钉装紧后不应高于表面。4.5启闭角度偏差
4.5.1开启角度偏差
合页的开启角度偏差不应大于土1.5°。4.5.2关闭角度可调范围
液压可调合页关闭角度可调范围不应小于土3°。注:液压可调合页参见附录A。
4.6自动复位
4.6.1复位偏差
有自动复位功能的合页,其复位偏差不应大于±1.5°。4.6.2复位极限
有自动复位功能的合页应在35°之内复位;其中,液压式应在85°之内复位。4.7力学性能
4.7.1转动力
合页按图2配置开启试验门,门外侧转动力不应大于25N。4.7.2极限承重
产品承载1.5倍额定承重,应无可见脱落或破裂现象,门扇下沉量不超过2mm。4.8使用寿命
合页按表3经寿命试验后应无变形或损坏,门扇下沉量不超过3mm。表3使用寿命
产品等级
4.9表面质量
4.9.1耐腐蚀性
QB/T5280—2018
单位为万次
产品表面按GB/T10125一2012采用铜加速乙酸盐雾试验法(CASS)进行试验,时间4h,应达到GB/T6461-2002规定的10级要求。4.9.2附着力
喷涂表面(漆膜或喷塑层)按GB/T9286一1998试验后,附着力应达到2级。3
QB/T5280-2018
5试验方法
5.1试验准备
5.1.1试件数量
每次使用2对铰链进行试验。
5.1.2试验门
试验门按图2配置,试验门尺寸及额定承重按表4规定。饺
固定玻
牧链一
额定承重
按出厂标称值
5.1.3试验条件
活动玻璃
图2试验门
表4试验参数
适用门宽度
试验应在室内环境条件下进行。5.2材料
检查供应商的质量保证书:有争议时按相关标准检测。5.3外观
适用门高度
单位为毫米
适用门厚度(活动玻璃)
在照度至少为3001x的光照条件下,距试件(400土50)mm处目测/手感检查外观缺陷,检查时应将试件翻转观察各检查面。
5.4尺寸
用精度为0.02mm的游标卡尺进行检验。5.5装配www.bzxz.net
5.5.1允许误差
用塞尺和角度规进行检验。
5.5.2螺纹连接
检查供应商的质量保证书;用目测/手感进行检验。5.6启闭角度
用角度规进行检验。
5.7自动复位
用角度规进行检验。
5.8力学
5.8.1转动力
QB/T5280—2018
将试件按正常使用状态安装,在距试验门外侧边缘25mm处,用推拉力计进行检验。5.8.2极限承重
将试件按正常使用状态安装,以额定重量的1.5倍配置模拟门扇,保持30s,卸载后检查试件损坏情况。
使用寿命
将试件安装在模拟门扇上,按5.8.1测量试验前的转动力。试验门自0°(关闭)开始动作,开启至(90士5)位置,在外力作用下完成关闭,再将门回复到初始位置,为1个试验循环,以10次/min~15次/min的测试频率,重复规定次数后比较试验前后的转动力并检查试件损坏情况,并测定下沉量:下沉量在位于垂直中心线上的垂直摆心距离为625mm处测定。5.10表面质量
5.10.1耐腐蚀性
按GB/T10125一2012进行试验,结果按GB/T6461-2002判定。5.10.2附着力
按GB/T9286-1998试验和判定。
5.11包装
产品包装用目测进行。
6检验规则
6.1出厂检验
6.1.1产品出厂
产品应经制造厂质检部门检验合格后方可出厂。6.1.2抽样检验
出厂检验顺序、项目按表5规定。表5抽样检验
检验顺序
检验项目
尺寸偏差
装配充许误差
螺纹连接
启闭角度
自动复位
转动力
极限承重
试验方法
QB/T5280-2018
6.1.3结果判定与处理方法
出厂检验按表6抽取样本量,经检验,样本量中不合格品数不大于接收数(Ac),则判定该批为合格批,供货方应将检出的不合格品换成合格品后方可交收。若样本量中不合格品数不小于拒收数(Re),则判该批为不合格批,该批产品应全数退回供货方。表6出厂检验的结果判定
91~150
151~280
281~500
501~1200
1201~3200
3201以上
6.2型式检验
6.2.1检验项目
样本量
检验项目包括第4章要求的全部项目及7.2包装要求。6.2.2检验条件
有下列情况之一时,应进行型式检验:a)
新产品或老产品转厂生产的试制定型鉴定:接收数(Ac)
拒收数(Re)
当生产的产品在设计、工艺、生产设备、管理等方面有较大改变可能影响产品性能时:正常生产时,每年至少进行1次;产品停产6个月以上恢复生产时:出厂检验结果与上次型式检验有较大差异时。6.2.3组批
以同系列、同型式、同材质、同规格的产品组批,应从出厂检验合格的同一批次产品中抽取,每批抽取2对,抽样基数不少于10对。6.2.4判定
型式检验在出厂检验合格品中抽取,若被检产品中有一件的一项指标低于本标准规定时,可从供抽样的产品中再抽取规定的抽样件数,再次检验时应全部合格,否则判定为型式检验不合格。7标志、包装、运输、存
7.1标志
产品内外包装均应有清晰耐久的标志。7.2包装
7.2.1包装材料
包装材料应清洁、干燥,酸碱度应符合中性材料包装要求。6
7.2.2配件与说明书
产品应按规定的配件包装配套装入盒中,并附有产品安装使用说明书、合格证。7.2.3说明书内容
安装使用说明书应包括以下内容:QB/T5280-2018
a)产品生产厂厂名、厂址、产品名称、型号、商标、执行标准编号、产品等级、数量、质量、体积、生产日期;
注:型号命名方法参见附录B。
b)产品额定承重、适用厚度、玻璃切割或开孔图、使用说明及安装图。7.3运输
产品在运输过程中应轻装轻卸,按箱子箭头标志堆放,避免剧烈震动、撞击和日晒雨淋,外包装不应有损坏现象。
7.4购存
产品不应贮存在靠近高温和有腐蚀性气体的地方,应贮放于阴凉通风干燥,严防潮湿与曝晒。QB/T5280-2018
A.190°合页
见图A.1。
附录A
(资料性附录)
液压可调合页型式尺寸
图A.190°合页
A.2180°合页
见图A.2。
图A.2180°合页
QB/T5280-2018
QB/T5280-2018
A.3135°合页
见图A.3。
图A.3135°合页
小提示:此标准内容仅展示完整标准里的部分截取内容,若需要完整标准请到上方自行免费下载完整标准文档。

标准图片预览:
![QB/T 5280-2018 玻璃门门]铰链 QB/T 5280-2018 玻璃门门]铰链](/files/img/20230430/20250201160610258.jpg)
![QB/T 5280-2018 玻璃门门]铰链 QB/T 5280-2018 玻璃门门]铰链](/files/img/20230430/20250201160614512.jpg)
![QB/T 5280-2018 玻璃门门]铰链 QB/T 5280-2018 玻璃门门]铰链](/files/img/20230430/20250201160618985.jpg)
![QB/T 5280-2018 玻璃门门]铰链 QB/T 5280-2018 玻璃门门]铰链](/files/img/20230430/20250201160621679.jpg)
![QB/T 5280-2018 玻璃门门]铰链 QB/T 5280-2018 玻璃门门]铰链](/files/img/20230430/20250201160625822.jpg)
- 热门标准
- QB轻工标准
- QB/T5396-2019 水晶自动研磨机
- QB/T5244-2018 吊面毛皮服装
- QB/T1693-1993 制浆造纸机械设备术语
- QB/T2894-2007 丙烯腈-丁二烯-苯乙烯(ABS)色母料
- QB/T4567-2013 黑糖
- QB/T5201-2017 冰衬疫苗保存箱
- QB/T2578—2002 陶瓷原料化学成分光度分析方法
- QB/T2332-1997 不锈钢真空保温容器
- QB/T4625-2014 黄瓜罐头
- QB/T2232-1996 电动童车通用技术条件
- QB/T2896-2007 纸和纸板湿拉毛和湿排 斥的测定
- QB/T5281-2018 数显花洒
- QB/T5287一2018 口腔清洁护理用品牙膏用美洲大蠊提取物
- QB/T2961-2017 美工刀
- QB/T5033-2017 藤椅
- 行业新闻
网站备案号:湘ICP备2023016450号-1