- 您的位置:
- 标准下载网 >>
- 标准分类 >>
- 轻工行业标准(QB) >>
- QB/T 2419-1998 刀辊切草机
标准号:
QB/T 2419-1998
标准名称:
刀辊切草机
标准类别:
轻工行业标准(QB)
标准状态:
现行出版语种:
简体中文下载格式:
.zip .pdf下载大小:
6.04 MB
点击下载
标准简介:
QB/T 2419-1998.
1范围
QB/T 2419规定了刀辊切草机(以下简称“切草机”)的产品分类、技术要求、试验方法、检验规则及标志、包装、运输、贮存等。
QB/T 2419适用于制浆、造纸厂切断草类原料的zCQ2~4型切草机。
2引用标准
下列标准所包含的条文,通过在本标准中引用而构成为本标准的条文。本标准出版时,所示版本均为有效。所有标准都会被修订,使用本标准的各方应探讨使用下列标准最新版本的可能性。
GB 191-90包装 储运图示标志
GB699- - 88优质碳素结构钢技术条件
GB1801--79公差与配合尺寸至500mm孔、轴公差带与配合
GB 1958- -80形状和位置公差 检测规定
GB 11352-89 - -般工程用铸造碳钢件
GB/T 13306-91标牌
GB/T 14253-93轻工机械通用技术条件
GB/T 16769 - 1997金属切削机床噪声声压级测量方法
QB/T 1565-92辊刀式切料 机刀
QB/T 1588.1-92轻工机械焊接件通用技术条件
QB/T 1588.2-92轻工机械 切削加工件通用技 术条件
QB/T 1588.3-92轻工机械装配通用技术条 件
QB/T 1588.4-93轻工机械 涂漆通用技术条件
QB/T 1588.5-96轻工机械包装通用技术条件
3产品分类
3.1 型式
3.1. 1切草机应制成进料输送、喂料、吸尘及出料输送等部分组成的结构型式。
3.1.2切草机按传动机构所置位置不同分为左手机 (z型)和右手机(Y型)两种型式。面对出料口,传动置于左侧为左手机,反之为右手机。
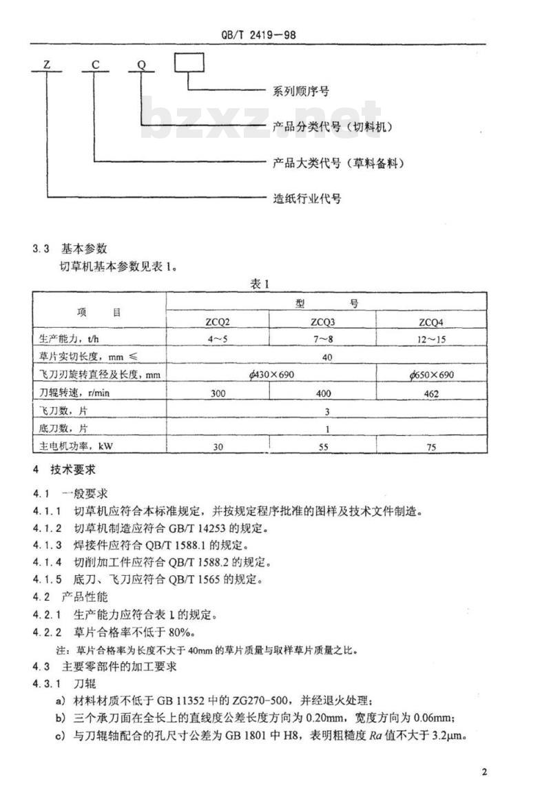
3.2 型号
切草机型号为ZCQ2~4,其含义为:
部分标准内容:
备案号2189-1998
中华人民共和国轻工行业标准
QB/T2419-98
刀辊切草机
1998-11-25发布
国家轻工业局
1999-06-01实施
QB/T2419-98
本标准系对ZBY9101790《ZCQ2~3型刀辊切草机》的修订,其技术内容修改情况如下:
原ZBY91017—90《ZCQ2~3型刀辊切草机》只有两个型号:ZCQ2型(生产能力4/h~5t/h)和ZCO3型(生产能力7t/h~8t/h)。近几年来,制浆造纸厂的生产规模不断扩大,原有的两个型号切草机的生产能力已不能满足生产的需要。已试生产的生产能力为12t/h~15t/h(ZCQ4)的切草机经试用效果较好,且ZCQ4型切草机产品已逐步成熟,这次行业标准修订时,将这一型号列入修订的标准之中。为减少设备的振动,降低噪声,改善工作环境,对刀辊轴的形位公差精度等级作了适当提高,对刀辊转动的剩余不平衡量作了适当降低。在原标准试验方法的生产能力测定时,草料的含水率大于或小于20%的,均按20%折算。这次标准修订时,考虑到切草机的生产能力有一定的范围,而且实际检测草料含水率的测定周期较长,草料重量也是按实际称重计算,因此,在标准修订时取消了折算的计算方法。本标准由国家轻工业局行业管理司提出。本标准由全国轻工机械标准化中心归口。本标准起草单位:镇江轻工机械总厂。本标准主要起草人:康立成。
自本标准实施之日起,原轻工业部发布的专业标准ZBY91017一90《ZCQ2~3型刀辊切草机》作废。
1范围
中华人民共和国轻工行业标准
刀辊切草机
QB/T2419-98
本标准规定了刀辊切草机(以下简称“切草机”)的产品分类、技术要求、试验方法、检验规则及标志、包装、运输、贮存等。本标准适用于制浆、造纸厂切断草类原料的ZCQ2~4型切草机。2引用标准
下列标准所包含的条文,通过在本标准中引用而构成为本标准的条文。本标准出版时,所示版本均为有效。所有标准都会被修订,使用本标准的各方应探讨使用下列标准最新版本的可能性。
GB191-90
包装储运图示标志
GB699-88优质碳素结构钢技术条件GB1801-79
9公差与配合尺寸至500mm孔、轴公差带与配合GB1958-80形状和位置公差检测规定GB1135289般工程用铸造碳钢件
GB/T13306—91标牌
GB/T14253-93
轻工机械通用技术条件
GB/T16769-1997金属切削机床噪声声压级测量方法QB/T1565-92辊刀式切料机刀
QB/T1588.1-92
QB/T1588.2-92
QB/T1588.3-92
QB/T1588.4-93
QB/T1588.5-96
3产品分类
3.1型式
轻工机械焊接件通用技术条件
轻工机械切削加工件通用技术条件轻工机械装配通用技术条件
轻工机械涂漆通用技术条件
轻工机械包装通用技术条件
3.1.1切草机应制成进料输送、喂料、吸尘及出料输送等部分组成的结构型式。3.1.2切草机按传动机构所置位置不同分为左手机(Z型)和右手机(Y型)两种型式。面对出料口,传动置于左侧为左手机,反之为右手机。3.2型号
切草机型号为ZCQ2~4,其含义为:国家轻工业局1998-11-25批准
1999-06-01实施
3.3基本参数
切草机基本参数见表1。
生产能力,t/h
草片实切长度,mm≤
飞刀刃旋转直径及长度,mm
刀辊转速,T/min
飞刀数,片
底刀数,片
主电机功率,kw
4技术要求
4.1般要求
QB/T2419-98
系列顺序号
产品分类代号(切料机)
产品大类代号(草料备料)
造纸行业代号
430690
$650x690
切草机应符合本标准规定,并按规定程序批准的图样及技术文件制造。4.1.2
切草机制造应符合GB/T14253的规定,41.3
焊接件应符合QB/T1588.1的规定。4.1.4
切削加工件应符合OB/T1588.2的规定。底刀、飞刀应符合QB/T1565的规定。4.1.5
4.2产品性能
生产能力应符合表1的规定。
4.2.2草片合格率不低于80%。
注:草片合格率为长度不大于40mm的草片质量与取样草片质量之比。4.3主要零部件的加工要求
4.3.1刀辊
a)材料材质不低于GB11352中的ZG270-500,并经退火处理:b)三个承刀面在全长上的直线度公差长度方向为0.20mm,宽度方向为0.06mm;c)与刀辊轴配合的孔尺寸公差为GB1801中H8,表明粗糙度Ra值不大于3.2um。2
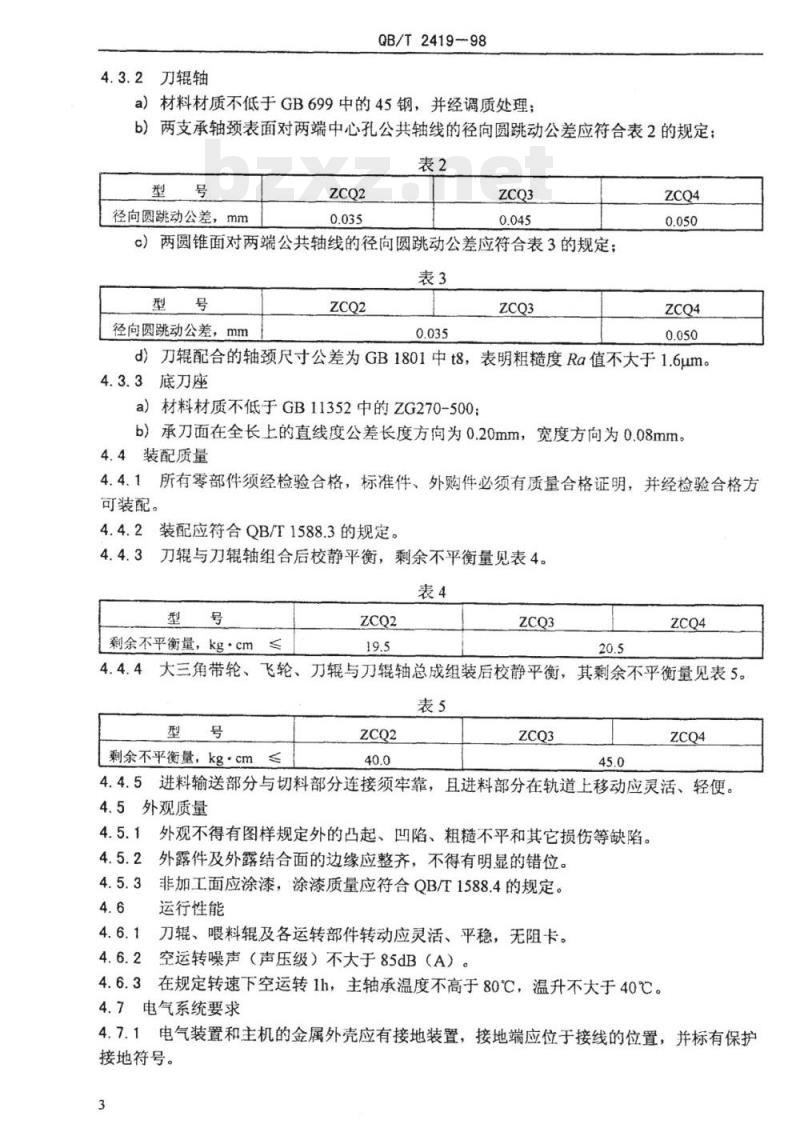
4.3.2刀辊轴
QB/T2419-98
a)材料材质不低于GB699中的45钢,并经调质处理;b)两支承轴颈表面对两端中心孔公共轴线的径向圆跳动公差应符合表2的规定表2
径向圆跳动公差,mm
c)两圆锥面对两端公共轴线的径向圆跳动公差应符合表3的规定;表3
径向圆跳动公差,mm
d)刀辊配合的轴颈尺寸公差为GB1801中t8,表明粗糙度Ra值不大于1.6um。4.3.3底刀座
a)材料材质不低于GB11352中的ZG270-500;b)承刀面在全长上的直线度公差长度方向为0.20mm,宽度方向为0.08mm。4.4装配质量
4.4.1所有零部件须经检验合格,标准件、外购件必须有质量合格证明,并经检验合格方可装配。
4.4.2装配应符合QB/T1588.3的规定。4.4.3刀辊与刀辊轴组合后校静平衡,剩余不平衡量见表4。表4
剩余不平衡量,kg·cm
4.4.4大三角带轮、飞轮、刀辊与刀辊轴总成组装后校静平衡,其剩余不平衡量见表5。表5
剩余不平衡量,kg·cm
4.4.5进料输送部分与切料部分连接须牢靠,且进料部分在轨道上移动应灵活、轻便。4.5外观质量
4.5.1外观不得有图样规定外的凸起、凹陷、粗糙不平和其它损伤等缺陷。4.5.2、外露件及外露结合面的边缘应整齐,不得有明显的错位。非加工面应涂漆,涂漆质量应符合QB/T1588.4的规定。4.5.3
运行性能
4.6.1刀辊、喂料辊及各运转部件转动应灵活、平稳,无阻卡。4.6.2空运转噪声(声压级)不大于85dB(A)。4.6.3在规定转速下空运转1h,主轴承温度不高于80℃,温升不大于40℃。4.7电气系统要求
4.7.1电气装置和主机的金属外壳应有接地装置,接地端应位于接线的位置,并标有保护接地符号。
QB/T2419-98
4.7.2电气装置的金属壳体或可能带电的金属件与接地螺钉间,必须保证具有可靠的电气连接。其与接地螺钉间的连接电阻实测值,不得超过0.12。4.7.3在动力电路导线和保护接地电路间施加500Vd.c时测得的绝缘电阻应不小于1M2。4.7.4电气绝缘应能承受1000V、50Hz交流正弦波、历时1s,而无击穿和闪络现象。5试验方法
5.1生产能力的测定
测定时要求供料均匀、厚度合理,草料应较整齐。草料称量1t~2t,按公式(1)计算生产能力。
式中:Q生产能力,t/h;
G—草料称量,t;
T——实际切料时间,min。
5.2草片合格率的测定
5.2.1草片合格率的测定与生产能力的测定同样进行。采用人工分栋方法。(1)
5.2.2在实际切料开始后5min~10min内取样两次,每次取样质量约2kg,用分辨率不大于5g的衡器测量,按公式(2)计算草片合格率。GL×100%
式中:h-一草片合格率,%:
Gi—合格草片质量,kg;
G2—取样草片质量,kg。
5.3圆跳动和直线度按GB1958的有关规定检测。5.4表面粗糙度用比较样块检测。5.5剩余不平衡量用导轨式静平衡架在工件最大外缘处测量。5.6空运转试验
(2)
5.6.1切料部分空运转1h,试验时不连接进料输送和喂料部分,不安装出料运输胶带。5.6.2噪声用精度1.0的A声级计,按GB/T16769规定进行测量。5.6.3轴承温度和温升用允许误差为士3℃的表面温度计在轴承表面测量三次,测得的最大值为轴承温度,三次测得的温度平均值减去室温为轴承温升。5.7草片长度用直尺测量。
5.8转速用分辨率为1r/min的转速表测量。5.9外观质量采用目测法。
5.10电气系统的检测
采用目测及电工测量仪器、仪表(如微电阻测试仪、500V兆欧表、功率500VA以上耐压试验仪等,其精度应不低于0.5级)进行检测。6检验规则
6.1出厂检验
QB/T2419—98
6.1.1每台切草机应经制造厂质量检验部门按本标准检验合格并附有质量证明文件方可出厂。
6.1.2出厂检验项目为4.3~4.7。6.2型式检验
6.2.1有下列情况之一时,切草机应进行型式检验。a)新产品试制定型鉴定;
b)正式生产后如结构、材料、工艺有较大改变,可能影响切草机性能时;c)正常生产时,每两年进行一次型式检验;d)国家质量监督机构提出型式检验要求时。6.2.2型式检验项目为本标准全部技术要求。6.3抽样
6.3.1出厂检验应逐台逐项进行检验。6.3.2型式检验每次抽一台,其中生产能力和草片合格率在用户厂检测。6.4判定规则
6.4.1出厂检验项目采用全指标达到法。6.4.2型式检验项目中,生产能力和草片合格率达不到规定指标时,允许作适当调整后,再作试验,直至合格,否则判型式检验不合格。6.5当制造厂持有符合要求的用户使用报告时,可代替型式检验。7标志、包装、运输、购存
7.1标志
7.1.1每台切草机应固定产品标牌,标牌的形式及尺寸应符合GB/T13306的有关规定。7.1.2标牌的内容包括:
a)型号、名称、产品标准号、商标:b)主要技术参数:
c)出厂编号及制造日期:
d)生产企业名称、详细地址。
7.2包装、运输
7.2.1切草机包装应符合QB/T1588.5的规定。7.2.2包装储运图示标志应符合GB191的规定。切草机包装采用框架木箱,根据用户要求也可裸装发运。7.2.3
7.2.4随机文件(使用说明书、装箱单、合格证明书)应齐全。7.2.5切草机在运输过程中应符合铁路、陆路、水路等交通部门的有关规定。7.3贮存
切草机应贮存在干燥、通风、防雨的场所。S免费标准bzxz.net
中华人民共和国
轻工行业标准
刀辊切草机
QB/T2419--98
中国轻工业出版社出版
轻工业标准化编辑出版委员会编辑地址:北京朝外光华路12号
邮政编码:100020
电话:(010)65060022—2309
版权所有不准翻印
书号:155019·2467
印数:200册
定价:5.00元
小提示:此标准内容仅展示完整标准里的部分截取内容,若需要完整标准请到上方自行免费下载完整标准文档。
标准图片预览:





- 其它标准
- 热门标准
- QB轻工标准
- QB/T5247-2018 箱包配件塑料插扣耐 用性能试验方法
- QB/T2425-1998 封箱用再湿性牛皮纸胶粘带
- QB/T3520-1999 500kV油纸套管绝缘纸
- QB2584-2003 蒸汽淋浴房
- QB/T1439-2005 帐册
- QB/T1584-2005 日用皮手套
- QB/T1756-1993 造纸机械湍流式中浓度浆泵
- QB/T1782-1993 苯乙醇
- QB/T1664-1998 纸板戳穿强度测定仪
- QB/T2501-2000 重力式自动装料衡器
- QB/T2161-1995 儿童推车整车通用技术条件
- QB/T3510-1999 Y311条粗条干仪用记录纸
- QB1229-1991 食品添加剂羟丙基淀粉醚
- QB/T4317-2012 浸塑衣架
- QB/T2518—2001 地毯用毛纱
- 行业新闻
网站备案号:湘ICP备2025141790号-2