- 您的位置:
- 标准下载网 >>
- 标准分类 >>
- 铁路运输行业标准(TB) >>
- TB/T 2587-1995 铁道机车动车电子设备机械结构、电气参量及检测系统标准化一般原则
标准号:
TB/T 2587-1995
标准名称:
铁道机车动车电子设备机械结构、电气参量及检测系统标准化一般原则
标准类别:
铁路运输行业标准(TB)
标准状态:
现行出版语种:
简体中文下载格式:
.zip .pdf下载大小:
1.38 MB
点击下载
标准简介:
TB/T 2587-1995.
本标准等效采用IEC571-2《铁路机车动车电子设备某些机械参量与电 气参量的标准化、测试装置的原则》。
1主题内容和适 用范围
TB/T 2587规定了铁道机车动车电子设备的机械结构、电气参量及检测系统标准化的一般原则。
TB/T 2587适用于铁道电力机车、内燃机车及动车组上用于新设计的箱柜组合结构的电子设备。
2引用标准
GB 8582电工电子设备机械结构术语
GB 4210电子设备用机电元件名词术语
GB 4721印制电路用覆铜箔层压板通用规则
GB 4725印制电路用覆铜箔环氧玻璃布层压板
GB 4588.1无金属化孔单、双面印制板技术条件
GB 4588.2有金属化孔单、双面印制板技术条件
GB 4588.4多层印制板技术条件
GB 3047.2高度进制为44. 45mm的面板、机架和机柜的基本尺寸系列
GB 3047.4高度进制为44. 45mm的插箱插件的基本尺寸系列
TB 1394机车电子装置技术条件
3机械结构
铁道机车、动车电子设备的机械结构均采用GB3047.2和GB3047.4规定的5.08mm的宽度尺寸系列。
3.1.印制 电路板
3.1.1印制 电路板的外形尺寸H bXDb必须符合表1规定的标准类型,优先采用E1、E1、E3、和E4四种规格,其具体外形尺寸及公差要求见图1.图2和图3所示。
3.1.2 印制电路板可采用单面和双面,优选厚度为1. 6士0. 2mm,铜箔厚度分为35μm和18μm两种(多层印制板的板厚则视层数确定)。
3.1.3印制电路板的基板材料应符合GB 4721和GB 4725有关规定中具有阻燃性的材料。
3. 1.4 印制电路板的技术性能应符合GB 4588. 1、GB 4588. 2和GB 4588. 4的有关规定。
3.1.5安装在印制电路板上的电子元器件应是阻燃性的,印制电路板及其元器件表面应涂敷阻燃性绝缘保护层。
部分标准内容:
TB/T2587-—1995
egvIEC571-2
铁道机车动车电子设备
机械结构、电气参量及检测系统标准化一般原则1996—05—27发布
1997-—01—01实施
中华人民共和国铁道部
中华人民共和国铁道行业标准
铁道机车动车电子设备
TB/T2587-1995
(eqv IEC571---2)
机械结构、电气参量及检测系统标准化一一般原则本标准等效采用IEC571一2《铁路机车动车电子设备某些机械参量与电气参量的标准化、测试装置的原则》。
1主题内容和适用范围
本标准规定了铁道机车动车电子设备的机械结构、电气参量及检测系统标准化的一般原则。
本标准适用于铁道电力机车、内燃机车及动车组上用于新设计的箱柜组合结构的电子设备。
2引用标准
GB8582
GB4210
GB4721
GB4725
TB1394
3机械结构
电工电子设备机械结构术语
电子设备用机电元件名词术语
印制电路用覆铜箔层压板通用规则印制电路用覆铜箱环氧玻璃布层压板无金属化孔单、双面印制板技术条件有金属化孔单、双面印制板技术条件多层印制板技术条件
高度进制为44.45mm的面板、机架和机柜的基本尺寸系列高度进制为44.45mm的插箱、插件的基本尺寸系列机车电子装置技术条件
铁道机车、动车电子设备的机械结构均采用GB3047.2和GB3047.4规定的5.08mm的宽度尺寸系列。
3.1_印制电路板
3.1.1印制电路板的外形尺寸H,×D必须符合表1规定的标准类型,优先采用E、E2、E和E。四种规格,其具体外形尺寸及公差要求见图1、图2和图3所示。中华人民共和国铁道部1996—05一27批准1997-01—01实施
前面板
高度类型
注:u
印制板高度
高度模数,其值为44.45mm。
TB/T2587—1995
印制板长度
充许采用:
@2.8*0!
10午688
2.76±0.15
图1E板尺寸
优先采用。
2.76±0.15
图2E2板尺寸
TB/T2587-1995
160-8.3(E,板)
220-8.3(E.板)
10千688
2.76±0.15
图3E和E,板尺寸
注:图1、图2和图3板的底面和项面边缘应至少留出2.5mm宽的自由区域。3.1.2印制电路板可采用单面和双面,优选厚度为1.6土0.2mm,铜箱厚度分为35um和18um两种(多层印制板的板厚则视层数确定)。3.1.3印制电路板的基板材料应符合GB4721和GB4725有关规定中具有阻燃性的材料。3.1.4印制电路板的技术性能应符合GB4588.1、GB4588.2和GB4588.4的有关规定。3.1.5安装在印制电路板上的电子元器件应是阻燃性的,印制电路板及其元器件表面应涂敷阻燃性绝缘保护层。
3.1.6印制电路的基本网格应采用2.54mm的网格尺寸。3.2插件
插件是一个装入插箱或直接装入柜、架中的结构单元。在本标准中典型插件是由前面板,印制电路板、电连接器及其附件所构成。3.2.1印制电路板原则上安装在插件左侧,印制电路板上的元器件,布置在印制电路板的右侧(正视插件面板方向)。
3.2.2插件上印制电路板对外的电连接应采用通过电连接器的间接连接方式,印制电路板土一般装用阳接触件的插头。
3.2.3当印制电路板安装元器件后,在印制板承受较大的机械应力处,插件应采取相应加强强度和刚度的措施。
3.2.4插件插大插箱后,应有防止插件松脱和滑出的机构、并应设置防插错的编码系统或其它相应措施。
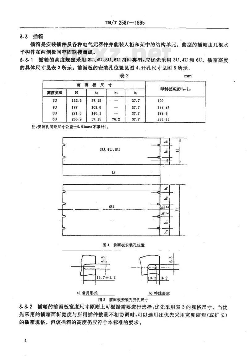
3.3插箱
TB/T2587--1995
插箱是安装插件及各种电气元器件并能装入柜和架中的结构单元。曲型的插箱由几根水平构件在两侧板间牢固联接而成。3.3.1插箱的高度规定采用3U、4U、5U、6U四种类型,应优先采用3U、4U和6U。插箱高度的具体尺寸见表2所示。前面板的安装孔位置见图4、开孔尺寸见图5所示。表2
前面板尺
高度类型
注,安装孔间距尺寸公差士0.04mm(不累计)。hs
前面板安装孔位置
14.7±1.2
a)常用形式
印制板高度Ho-8.3
b)特殊形式
图5前面板安装孔开孔尺寸
3.3.2插箱的前面板宽度尺寸原则上可根据需要进行选择,优先采用表3的规格尺寸。当优先采用的插箱面析宽度与所用插件数量不相协调时,可以选用比优先采用宽度缩短(或扩长)的插箱规格。但该插箱的高度仍应符合本标准的要求。4
前面板
宽度B
柜、架最小
内开矩Bmin
TB/T2587—1995
插件的有效宽度
3.3.3插箱上插座之间和插座与外电路间的布线,其连接处不允许使用锡焊,而应采用诸如绕接、压接等可靠性高的连接方式。只有当同一箱体内插座间的电连接采用汇流母排或印制电路总线方式来实现时,才允许使用锡焊。3.3.4对机械上尚未固定在一起的同一箱体内的印制电路板,其板间的连接布线应优先采用在板的后端走线。
3.3.5机柜、插箱体上的对外电源或信号的电连接,应采用反插型式(阳接触件的插座,阴接触件的插头)的插头座。
4电气参量
4.1电子电路的电源。
4.1.1电子电路的电源应采用的额定电压为士15V和士5V两种。如果需要采用较高的电压值时,可采用士24V或士48V。
4.1.2电子电路的电源应与向其供电的一次电源之间加以隔离。在特殊情况下,由供需双方商定,可以不加隔离。电子电路直流电源应备有防止极性反向的保护装置。4.1.3整个设备的供电电路与用电电路均应予以保护,免受外部电气故障的影响。4.2接地
插箱和机柜(金属制品),必须用编织导线或电缆与机车动车的底架进行电连接。若由于性能方面的要求,经供需双方商定,也可局部或整体不与底架进行电连接。4.3电气干扰的防护
电气干扰源和易受干扰的装置之间必须进行隔离,特别是会产生严重寄生耦合效应的强电导线和传输低电平信号的弱电导线间的隔离。5设备的检测系统
5.1所有的电子设备上均应设置供诊断测试用的检测系统,以便检测该设备是否正常工作。5.2对检测系统的技术要求,应由供需双方商定后在协议书中明确规定。5.3检测系统可由下列一项或多项组成:a)被测设备应设置与测试装置进行电连接的电气接口(当供电电压较高时,电气接口应设置在设备外侧),以便测试装置与被测设备电连接后即可进行诊断。诊断时,被测设备可置于工作状态或不供电状态:
TB/T2587—1995
b)插入式检测单元(插件)。它可插入被测设备的予定位置,基至可作为被测设备整体的组成部分,
)在被测设备的前面板或印制电路板上,设备显示设备功能状态的信号灯:d)被测设备设有妥善保护的检测点;e)设有允许进行模拟试验的器件,如按钮、开关、电位器等。5.4制造厂在向用户提供电子设备的基本图样(包括电路图)和使用说明书等的同时,还应提供检测系统的操作说明书和检测程序,且检测系统应清楚地显示其提供信息的简易标志。6
TB/T2587—1995
附录A
5.08宽度系列插件的机械互换性(参考件)
为了保证印制板用频率低于3MHz的通用连接器的正确连接和互换,必须控制插箱、插件的基本参数如图A1所示。
第一水平间距线一
基本参数
一印制板中心维
图A1基本参数
D:前装配面与插座的装配面之间的检验尺寸。A:第一水平间距线与第-一块印制板(或第一个盒式插件侧板)中心线之间的距离。H。:插座的安装孔之间的垂直距离H:插箱高度尺寸。
L:箱后开口高度。
Z:从印制板位置中心线到插箱上插座的安装孔中心线之间的距离,Zi:印制板位置中心线与确定的插座插孔排中心线之间的距离(该尺寸决定了插箱上网格的位置)。
Dr2:前装配面与印制板插头后端面之间的检验尺寸。he:印制板插头安装孔之间的垂直距离。7
TB/T2587-1995
A2插件上插头的位置(见图A2及表A1)插件上任何插头的安装位置应该由图A2中的印制板中心线与插头中心线之间的理论正确尺寸a、b1来确定,另外还应符合插头配置面中心线对于印制板中心线的位置度公差或对称度公差。如果插件装有一个以上的插头,应标注配置面之间的允许公差,并优先采用最大实体状态。
检验面
检验面
图A2间接连接的位置
图A2插头安装在印制板上后的公差,应符合基本参数的要求。注:①配置面之间的尺寸L
B、C和D型连接器:L2-85.2+92mmF和G型连接器:Lz=85.4+g2mm
配笠面
印制板中心线
②B、C和D型连接器的位置度公差为0.05mm,F和G型连接器的位置度公差为0.15mm表A1
A3检验尺寸D如图A3所示。
TB/T2587—1995
装配面
检验面
图A3检验尺寸Dz2
A4插箱中安装插座的位置(见图A4及表A2)插头型式
在插箱中应规定安装插座的固定位置尺寸。并对保证互换性的尺寸D。、D2按表A2规定进行检验。
插件水平间距线www.bzxz.net
连接器型式
De±B:
印制板
印制板中心线
连接器型式
触头位置
图A4尺寸Z
表A2De、D2
De±8:
触点排列名称
附加说明:
本标准由铁道部提出。
TB/T2587-1995
本标准由株洲电力机车研究所归口及起草。本标准起草人姜志新。
TB/T 2587-+1995
小提示:此标准内容仅展示完整标准里的部分截取内容,若需要完整标准请到上方自行免费下载完整标准文档。
标准图片预览:





- 其它标准
- 热门标准
- TB铁路运输标准
- TB/T2769-2008 重型轨道车试验方法
- TB/T3015.6-2001 铁道车辆整体车轮外形尺寸检测量具技术条件轮辋宽度卡尺
- TB/T2075.4-2002 电气化铁道接触网零部件 第4部分:双横承力索线夹
- TB/T2075.54-2002 电气化铁道接触网零部件 第54部分:接地线连接线夹
- TB/T1686-2000 25t电动架车机技术条件
- TB/T3121-2005 铁路食(饮)具洁净度ATP生物发光检测法和分级判定
- TB/T2922.2-1998 铁路混凝土用骨料碱活性试验方法化学法
- TB/T2494.1-1994 轨道车辆车轴探伤方法 新制车轴超声波探伤
- TB1670.8-1985 15号车钩钩体防跳台样板
- TB/T2997.1-2000 铁路程控共线电话设备 主控机技术要求及试验方法
- TB/T3059-2009 车机联控作业
- TB/T3112.2-2017 铁路车站电码化设备 第2部分:发码、检测、调整器
- TB/T1333.3-2004 铁路应用 机车车辆电气设备 第3部分:电工器件 直流断路器规则
- TB/T2472-1993 DK.S型道口闪光器
- TB/T2152.15-1990 铁路工人技术标准 机务 内燃机钳工
- 行业新闻
网站备案号:湘ICP备2025141790号-2