- 您的位置:
- 标准下载网 >>
- 标准分类 >>
- 医药行业标准(YY) >>
- YY 0773-2010 眼科B型超声诊断仪通用技术条件
标准号:
YY 0773-2010
标准名称:
眼科B型超声诊断仪通用技术条件
标准类别:
医药行业标准(YY)
标准状态:
现行出版语种:
简体中文下载格式:
.zip .pdf下载大小:
3.63 MB
点击下载
标准简介:
YY 0773-2010.General technical requirements for ophthalmic ultrasound B-mode scan.
在反射回波能被诊断仪清晰分开、且间距可验证的前提下,也可采用具备已知间距的其他类型分辨力试件(例如二个平行的声反射界面) ,此时间距的要求可参考A.2. 2。采用A.2所述分辨力试件的方法是仲裁法.使用试件的各方应规定验证间距的方法和周期。
5.1.3在进行分辨力试验时 ,应采用装有脱气水的水槽(参见图A.2和图A.3),水温为23 C士3 C.探头应采用适当的夹具便于对准靶线并保持稳定,夹具宜固定在具有精密调节功能的三维坐标系统上。
5.1.4试验时应尽量避 免外界的振动.噪声、电磁场等物理干扰,环境光照适当,使之不影响各项试验工作的正常进行。
5.2性能试验
5.2.1探测深 度试验
采用5.1.1规定的超声仿组织体模。开启诊断仪,将B超探头经声耦合剂置于体模声窗表面,对准体膜中的深度靶群;诊断仪的增益.亮度.对比度等调节机构置于最佳位置。从诊断仪显示器上读出被显示的最大深度靶线距声窗的距离。
5.2.2几何位置精度
采用5.1.1规定的超声仿组织体模。开启诊断仪,将B超探头经声耦合剂置于体模声窗表面。微动探头角度,对准体膜中的纵向几何位置精度靶群,用电子游标测量纵向靶线的间距,按式(1)计算纵向几何位置精度;然后微动探头角度,对准横向几何位置精度靶群,用电子游标测量横向靶线的间距。按式(1)计算横向几何位置精度。几何位置精度(%)=遇量值一把线实际间胆
靶线实际间距对于频率超过14 MHz的诊断仪,如果横向几何位置精度靶群的深度超出了其探测深度范围,可使用间距为20mm的尼龙线靶,置于底部敷有吸声材料的水槽中测量;使用测量显微镜测量靶线实际间距,用电子游标测量显示器上横向靶线图像的间距,按式(1)计算横向几何位置精度。
5.2.3盲区
采用5.1.1规定的超声仿组织体模。开启诊断仪,将B超探头经声耦合剂置于体模声窗表面。将探头对准体膜中的盲区靶群,从屏幕上读出可显示的靶线距声窗的最近距离,则为诊断仪应用该探头的盲区.
部分标准内容:
中华人民共和国医药行业标准
YY0773—2010
眼科B型超声诊断仪通用技术条件General technical requirements for ophthalmic ultrasound B-mode scan2010-12-27发布
国家食品药品监督管理局
2012-06-01实施
本标准按照GB/T1.1—2009给出的规则起草。YY0773—2010
本标准由全国医用电器标准化技术委员会医用超声设备标准化分技术委员会(SAC/TC10/SC2)归口。
本标准起草单位:国家食品药品监督管理局湖北医疗器械质量监督检验中心天津迈达医学科技有限公司。
本标准主要起草人:忙安石、张渝生、王延群、王志俭、蒋时霖。I
1范围
眼科B型超声诊断仪通用技术条件YY0773—2010
本标准规定了眼科B型超声诊断仪的组成与基本参数、要求,试验方法,标志和使用说明书。本标准适用于超声工作频率范围10MHz~25MHz的眼科B型超声诊断仪(以下简称诊断仪)。规范性引用文件
下列文件对于本文件的应用是必不可少的凡是注日期的引用文件,仅注日期的版本适用于本文件。凡是不注日期的引用文件,其最新版本(包括所有的修改单)适用于本文件。GB/T191—2008包装诺运图示标志GB9706.1医用电气设备第1部分:安全通用要求GB9706.9医用电气设备第2-37部分:超声诊断和监护设备安全专用要求GB/T14710医用电器环境要求及试验方法YY0107—2005眼科A型超声测量仪3组成与基本参数
3.1组成
制造商应在产品标准中公布诊断仪的以下信息:a)基本组成,包括所有附件及选配件;b)
每个探头的型号、标称频率、类型、成像模式。3.2基本参数
制造商宜在产品标准中公布诊断仪的以下信息:a)标称超声工作频率:
灰阶;
扫描顿频;
B型扫查范围;
增益调节范围(若有);
图像处理及信号后处理方式(若有)g)
4要求
数字扫描变换器(DSC)容量(若有)。4.1工作条件
应满足以下工作条件:
YY0773—2010
a)工作环境条件:由制造商根据预期的使用环境,按GB/T14710选择环境试验组别:电源条件:使用网电源的应满足AC220V士22V、50Hz士1Hz若使用内部电源由制造商b)
规定。
4.2性能
4.2.1B型扫描性能的要求见表1。表1B型扫描性能要求
指标名称
探测深度
轴向分辨力
侧向分辨力
纵向几何位置精度
横向几何位置精度
标称频率
≥1oMHz,<13MHz
≥50mm
≤10%
诊断仪若具备A型测量部分,其性能应符合YY0107的要求。4.3功能
13MHz~25MHz
诊断仪的功能键应能正确执行使用说明书规定的功能,字母,数字键输人字符应正确无误。诊断仪宜具备距离、面积测量计算功能。4.3.2
4.3.3诊断仪若有图像存贮、回放、处理、病历管理及图文病历报告打印输出功能,应符合使用说明书规定。
4.4.1诊断仪的通用安全应符合GB9706.1的要求。4.4.2诊断仪的专用安全应符合GB9706.9的要求。4.5外观和结构
诊断仪的探头前端侧面应有正确指示扫描平面的标记,标记应处于扫描平面上(参见图1)。4.5.1
2诊断仪的外观应色泽均匀,无明显划痕、伤斑等缺陷,标记应清晰耐久。4.5.2
4.5.3诊断仪的控制机构应灵活,可靠,紧固件应无松动。4.6
环境试验
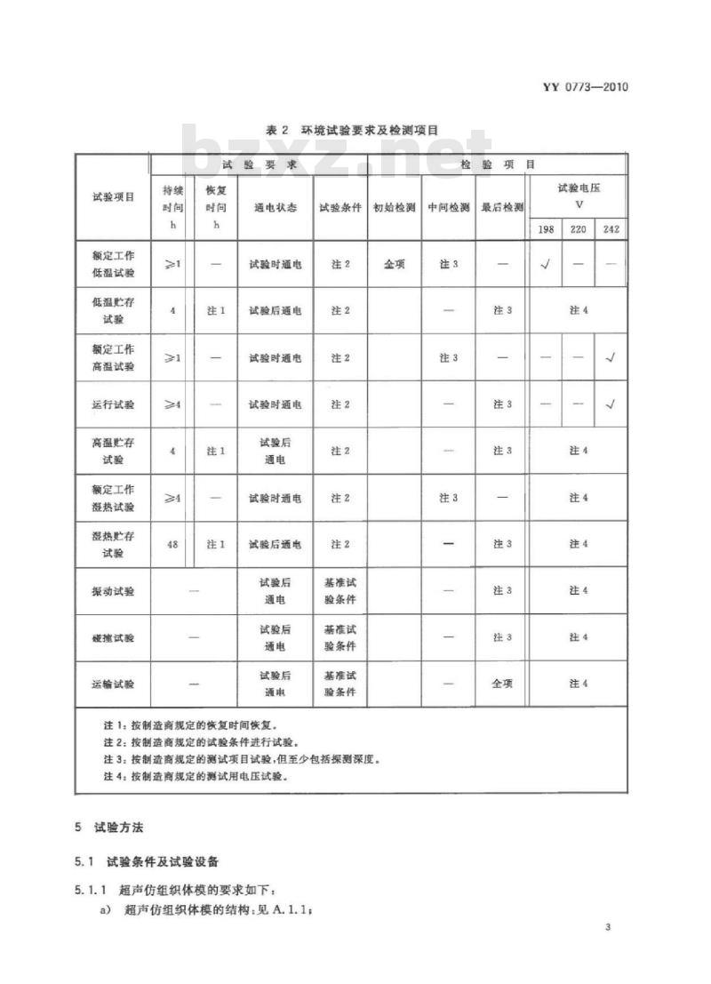
制造商应根据预期使用环境,按GB/T14710在产品标准中规定试验组别、试验要求及检测项目见表2。
试验项目
额定工作
低温试验
低温贮存
额定工作
高温试验
运行试验
高温贮存
额定工作
湿热试验
湿热贮存
振动试验
碰撞试验
运输试验
表2环境试验要求及检测项目
试验要求
通电状态
试验时通电
试验后通电
试验时通电
试验时通电
试验后
试验时通电
试验后通电
试验后
试验后
试验后
注1:按制造商规定的恢复时间恢复。注2:按制造商规定的试验条件进行试验。试验条件
基准试
验条件
基准试
验条件
基准试
验条件
初始检测
注3:按制造商规定的测试项目试验,但至少包括探测深度。注4:按制造商规定的测试用电压试验。5试验方法
5.1试验条件及试验设备
超声仿组织体模的要求如下:
超声仿组织体模的结构:见A.1.1;检验项目
中间检测
最后检测
YY0773-2010
试验电压
YY0773—2010
仿组织材料声速(23℃土3℃):1540士10)m/sb)
仿组织材料声衰减系数斜率(23℃土3℃):(0.5土0.05)dB/(cmMHz);超声体模的靶线材料:(0.3土0.02)mm尼龙丝;d)
超声体模的靶线位置允差:士0.1mmse)bzxZ.net
5.1.2推荐采用A.2所述的分辨力试件,其要求如下:试件的结构:见A.2.1:
靶线材料:(10土1)μⅢ钨丝,或其他能产生较强回波、具有一定强度的材料;c)靶线间距,见A.2.2;
d)靶线位置允差:土10%。
在反射回波能被诊断仪清晰分开,且间距可验证的前提下,也可采用具备已知间距的其他类型分辨力试件(例如二个平行的声反射界面),此时间距的要求可参考A.2.2。采用A.2所述分辨力试件的方法是仲裁法。使用试件的各方应规定验证间距的方法和周期。5.1.3在进行分辨力试验时,应采用装有脱气水的水槽(参见图A.2和图A.3),水温为23℃3℃。探头应采用适当的夹具便于对准靶线并保持稳定,夹具宜固定在具有精密调节功能的三维坐标系统上。5.1.4试验时应尽量避免外界的振动、噪声,电磁场等物理干扰,坏境光照适当,使之不影响各项试验工作的正常进行。
5.2性能试验
5.2.1探测深度试验
采用5.1.1规定的超声仿组织体模。开启诊断仪,将B超探头经声耦合剂置于体模声窗表面,对准体膜中的深度靶群,诊断仪的增益,亮度,对比度等调节机构置于最佳位置。从诊断仪显示器上读出被显示的最大深度靶线距声窗的距离。5.2.2几何位置精度
采用5.1.1规定的超声仿组织体模。开启诊断仪,将B超探头经声耦合剂置于体模声窗表面。微动探头角度,对准体膜中的纵向儿何位置精度靶群,用电子游标测量纵向靶线的间距,按式(1)计算纵向几何位置精度:然后微动探头角度,对准横向几何位置精度靶群,用电于游标测量横向靶线的间距。按式(1)计算横向几何位置精度。几何位置精度(%)=测量值一靶线实际间距靶线实际间距
oaan(1)
对于频率超过14MHz的诊断仪,如果横向几何位置精度靶群的深度超出了其探测深度范围,可使用间距为20mm的尼龙线靶,置于底部敷有吸声材料的水槽中测量;使用测量显微镜测量靶线实际间距,用电子游标测量显示器上横向靶线图像的间距,按式(1)计算横向儿何位置精度5.2.3盲区
采用5.1.1规定的超声仿组织体模。开启诊断仪,将B超探头经声耦合剂置于体模声窗表面。将探头对准体膜中的盲区靶群,从屏幕上读出可显示的乾线距声窗的最近距离,则为诊断仪应用该探头的盲区。4
5.2.4轴向分辨力
采用A.2所述分辨力试件的方法如下:YY0773-2010
将测试线靶置于底部敷有吸声材料的水槽中,B超探头置于测试靶上方,靶线排列方向与超声传播方向相同,探头端面与平行靶线排列平面垂直,在与靶线垂直的平面上进行扫描;增益、亮度、对比度等调节机构置于最佳位置,调节探头与靶线的距离至最佳值,微动探头角度,从显示器上观察靶线的图像,当平行靶线能被诊断仪分开时,则判定轴向分辨力达到了靶线间距值。操头扫描平面标记
靶线排列平面
声扫描平面
图1轴向分辨力测试示意图
当采用其他类型的分辨力试件时,探头声扫描平面与测试自标的方位关系应与图1相同。5.2.5侧向分辨力
采用第A。2章所述分辨力试件的方法如下:将测试线靶置于底部教有吸声材料的水槽中,将B超探头置于测试靶上方,探头端面与平行靶线排列平面平行,靶线排列方向与超声传播方向垂直,探头扫描面在与靶线垂直的平面上进行扫描:增益,亮度、对比度等调节机构置于最佳位置,调节操头与靶线平面的距离至最佳值,微动探头角度,从显示器上观察靶线的图像,当平行乾靶线能被诊断仪分开时,则判定侧向分辨力达到了靶线间距值。5
YY0773—2010
声扫描平面
探头扫描平面标记
靶线排列平面
图2侧向分辨力测试示意图
当采用其他类型的分辨力试件时,探头声扫描平面与测试目标的方位关系应与图2相同。5.3A型测量部分
按YY0107的规定进行。
5.4功能
按使用说明书规定,以实际操作来验证。5.5安全
按GB9706.1和GB9706.9的规定进行。外观
以目力观察及实际操作进行。
5.7环境试验
按GB/T14710的相应规定及表2要求进行。6标志和使用说明书
6.1标志
6.1.1诊断仪上的标志
诊断仪上应有下列标志:
制造商名称:
产品名称和型号:
使用电源;
生产日期或出厂编号;
适用标准和法规要求的其他标志(如安全标准规定的外部标志,标准编号)。探头上的标志
探头上应有下列标志:
标称超声工作频率:
扫描平面标记。
包装箱上的标志
包装箱上应有下列标志:
制造商名称和地址:
产品名称、型号;
重量、体积(长×宽×高):
YY07732010
“易碎物品”、“向上”“怕雨”等字样或标志,其文字、图形应符合GB/T191一2008的有关规定:
适用标准和法规要求的其他标志(如标准编号和医疗器械注册证号)。随机文件
每台诊断仪出厂时,包装箱内应包括下列随机文件:装箱单;
合格证;
c)使用说明书。
使用说明书
使用说明书应能指导用户正确操作及维护,并符合相关标准和法规的要求。7
YY07/3—2010
A.1超声仿组织体模
体模结构
附录A
(资料性附录)
超声仿组织体模与分辨力试件
眼科诊断仪所用超声仿组织体模的结构与通用B超使用的超声仿组织体模相仿。A,1.2盲区靶群
盲区所在深度(与声窗距离)至少具有1mm.2mm,3mm4mm四根靶线,且呈斜线错开排列。A1.3探测深度及纵向几何位置精度靶群第一根靶线与声窗距离宜从10mm起,必要时可增加5mm.7.5mm两列以兼顾不同焦域的诊断仪,相邻靶线间距宜不大于10mm,最远端靶线与声窗距离应覆盖被测诊断仪标称的最大深度。A,1.4横向几何位置精度靶群
所在深度(与声窗距离)至少具有20mm40mm两行:相邻靶线间距宜不大于10mm。A.2分辨力试件
A.2.1试件结构
基于眼科诊断仪的分辨力在数十微米的量级,试件本身的误差和稳定性至关重要,为了便于借助经计量检定的高倍数光学显微镜验证,试件结构宜采用可从水槽里取出的“开放式”测试线靶。推荐的一种试件结构见图A.1。靶线除两端固定点外,其径向10mm范围内不应有框架遮挡,以便轴向分辨力试验和侧向分辨力试验时靶线周围无声反射干扰,靶线排列平面置于垂直方向时用于轴向分辨力测试(见图A.2),而靶线排列平面置水平方向时用于侧向分辨力测试(见图A,3)。A2.2
靶线间距
靶线间距宜按被测诊断仪标称的轴向最小分辨力和侧向最小分辨力选择,为便于光学显微镜验证,间距宜取整数(如50μm.100μm.200μm.)。8
用于轴向分辨力的靶群
用手制向分牌力的起销
轴向分辨力测试布置
轴向分辨力配群
YY0773—2010
YY0773—2010
吸声材料
侧向分
创向分辨力記群
小提示:此标准内容仅展示完整标准里的部分截取内容,若需要完整标准请到上方自行免费下载完整标准文档。
标准图片预览:





- 其它标准
- 热门标准
- YY医药标准
- YY/T1523-2017 二氧化碳测定试剂盒(PEPC酶法)
- YY/T0735.1-2009 ISO 9360-1 :2000 麻醉和呼吸设备湿化人体呼吸气体.的热湿交换器(HME) 第1部分:用于最小潮气量为250 mL的HME
- YY/T0652-2008 ISO 17853 :2003 植入物材料的磨损聚合物和金属材料磨屑分离、表征和定量分析方法
- YY/T1636-2018 组织工程医疗器械产品再生膝关节软骨的体内磁共振评价方法
- YY0762-2009 眼科光学囊袋张力环
- YY0004-1990 普通胸腔镊
- YY/T0703-2008 IEC 61390: 1996 超声实时脉冲回波系统性能试验方法
- YY/T0211-1995 药用中间体 青霉素钾
- YY/T0663-2008 无源外科植入物 心脏和血管植入物的特殊要求 动脉支架的专用要求
- YY/T0452-2003 止血钳
- YY0476-2004 眼内冲洗灌注液
- YY0781-2010 血压传感器
- YY/T0916.1-2014 医用液体和气体用小孔径连接件 第1部分:通用要求
- YY/T0182-2013 宫内节育器取出钩
- YY/T1268-2015 环氧乙烷灭菌的产品追加和过程等效
- 行业新闻
网站备案号:湘ICP备2025141790号-2