- 您的位置:
- 标准下载网 >>
- 标准分类 >>
- 机械行业标准(JB) >>
- JB/T 6438-1992 阀门密封面等离子弧堆焊 技术要求
- 标准号: - JB/T 6438-1992
- 标准名称: - 阀门密封面等离子弧堆焊 技术要求
- 标准类别: - 机械行业标准(JB)
- 英文名称: Technical requirements for plasma arc surfacing of valve sealing surfaces
- 标准状态: 现行
- 
          	发布日期: 1992-07-20
- 
		 实施日期: 1993-01-01
- 出版语种: 简体中文
- 下载格式: .rar.pdf
- 下载大小: 143.81 KB
 标准简介/下载
标准简介/下载点击下载
标准简介:
										 标准下载解压密码:www.bzxz.net
					 					 
						 
	        
	      本标准规定了阀门密封面等离子堆焊对焊工、堆焊材料、常用基体材料、堆焊工艺、质量检验、缺陷修复等方面的要求。本标准适用于碳钢、合金钢、不锈钢等通用、电站、石油化工阀门密封面等离子弧堆焊钴基、镍基、铁基合金粉末材料的制造与检验。 JB/T 6438-1992 阀门密封面等离子弧堆焊 技术要求 JB/T6438-1992
 标准内容
标准内容部分标准内容:
					
					中华人民共和国机械行业标准
阀门密封面等离子孤堆焊
技术要求
主题内容与适用范围
JB/T 6438 -92
本标准规定了阀门密封面等离子弧堆焊对焊工、堆焊材料、常用基体材料、堆辉「艺、质鼠检验、缺陷修复等力面的要求。
本标准适用于碳钢、合金钢、不锈钢等通用、电站、石油化工阀门密封面等离子弧堆钻基、镍基、铁基合金粉末材料的制造与检验。2引用标准
JI3 3168
喷焊合金粉末技术条件
喷焊合金粉末硬度、粒度测定
JB 3169
喷焊合金粉未化学成分分析方法JB3170
3焊工
焊工应通过中华人民共和国劳动部制定的《锅炉压力容器焊工考试规则》基本知识部分的考试并通过等离子孤堆焊的专业培训及考试。4堆焊材料
4.1堆焊合金粉未(以下简称粉末)材料的化学成分、堆煤层硬度、粒度等均应符舍JB3158中的有美规定。
4.2选用JB3168之外的粉末材料,由供需双方协商确定。但其检验方法按JB3168、1331G9的规定。4.3粉未材料的质量应符合有关技术文件的要求,并附有粉末制造厂检验部门出具的质量合格证书。4.4每批粉未使用前应进行工艺试验及化学成分复验。化学成分分析方法按J33170的规定。4.5粉末使用前应进行烘干,烘干时雌积厚度应小于或等于5mm。烘干温度按表1的规定,丧1
烘干温度,(
150-250
120~-250
保温时间,h
4.6烘干的粉末在空气中放置超过4h后再使用时应重新烘千,烘干次数最多不能超过两次。5常用基体材料
25、35、40
WCB.ZG1Cr18Ni9Ti,ZG1Cr18Ni9,ZGCr5Mo,ZG20CrMoV中华人民共和国机械电子工业部1992-07-20批准146
1993-01-01实施
JB/T 6438—92
1Cr5Mo,12CrMo,15CrMo,12Cr1MoV,15Cr1MoV,WC6,WC91Cr13,2Cr13,1Cr18Ni9,1Cr18Ni9Ti.1Cr18Ni12Mo2Ti6堆焊工艺
6.1堆焊基面(工艺平台)尺寸
6.1.1根据阀门密封面的不同要求,堆焊基面可以加工成图1所示三种中任种形状(也可以是平面),其尺小见表2。
密封面设计宽度B
注:α也可为90°
B+(35)
B+(3~6)
堆焊基面形状尺寸
30°~~45°
6.1.2应用机械切削方法加工堆焊基面,所有过渡处均应为圆角平缓过渡。6.2焊件要求
6.2.1不得存在裂纹、气孔、缩孔、疏松等缺陷、6.2.2必须清除油污,毛刺、锈迹及其他杂物。6.3焊前预热
6.3.1堆焊铁基粉末当所选粉种及基体材料有预热要求时,则需预热。限
1. 5 -- 2
6.3.2堆焊钻基、镍基粉末除公称通小于或等于25mm的碳钢焊件(不包括深孔小二径焊件)以外均需预热。
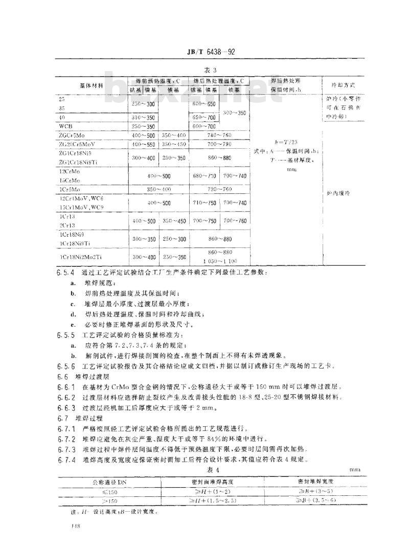
6.3.3预热温度根据材料化学成分而定。批量堆焊的零件应在炉中预热。常用基体材料的预热温度见表3,结构刚性大的工件预热温度取上限6.3.4预热保温时间根据工件大小及形状而定。6.4焊前应检查防护装置,确保安全可靠时才能进行操作。6.5工艺评定试验
工艺评定试验由责任工艺师组织进行,由符合第3章要求的焊工操作。质量检验部门参加评定6.5.1
凡遇下列情况之一者,必须进行工艺评定试验初次使用的粉末品种;
初次使用的基体材料;
新的产品规格及结构型式。
工艺评定试验…般应在产品上进行。作为粉未进行工艺评定时,可在相应的试块上进行6.5.3
基体材料
ZGCt5Mo
ZG20Cr5MoV
ZGICr318Ni9
ZG1Cr18Ni9Ti
12CrMo
l5CrMo
1Cr5MnbzxZ.net
12Crimov, wc6
15Cr1MoV,WC9
1Cr18Ni9
ICr18Ni9Ti
ICr18Ni2Ma2Ti
焊前预热温度,C
钻基镍基
250-~300
310-350
250~350
400~500
100~550
300~-400
JB/T 6438-92
焊后热处理温度,C
!钴基镍基
600-650
300-350
650-700
600~700
350~400
350450
250--350
400~500
350~400
40:0- 500
400-~500 :350~450
740-760
700~790
860~880
680~710
700--740
720~760
710~750 / 700-~740
700-750
300~350250~300
300~400
250~~350
700--760
860~880
860880
1 050~1 100
焊后热处理
保温时间
h=7/25
冷却方式
炉冷(小零件
闻在石棉东
呷冷却)
式中.-保温时间h;
基材厚度。
灿内缓玲
通过工艺评定试验结合工厂生产条件确定下列最佳工艺参数:堆焊规范;
焊前热处理温度及其保温时间:璀焊层最小厚度、过渡层最小厚度;焊后热处理温度、保温时间和冷却曲线;必要时修正堆焊基面的形状及尺小。工艺评定试验的合格质量标准为:应符合第7.2、7.3、7.4条的规定;解剖试件,进行焊接剖面的检查,在整个剖面上不得有未焊透现象。工艺评定试验报告及其合格结论应成文归档,并据以制订或修订生产现场的工艺卡。6.5.6
6.6堆焊过渡层
6.6.1在基材为CrMo型合金钢的情况下.公称通径大于或等于150mm时可以堆焊过渡层。6.6.2过渡层材料应选择防止裂纹产生及改善接头性能的18-8型、25-20型不锈钢焊接材料。6.6.3过渡层经机加工后厚度应大于或等卡2mm。6.7堆焊过程
6.7,1严格按照经工艺评定试验合格所提出的工艺规范进行6.7.2
堆焊应避免在灰尘严重、湿度大于或等于84%的环境中进行。堆焊过程中焊件层间温度不得低于预热温度下限,必要时层间需再次加热堆焊高度及宽度应保证密封面如工后符合设计要求、其值应符合表4规定表4
公称通径IDN
注:H.设计高度B
设计宽度。
密封面堆焊高度
H+(1-~2)
211+(1. 5~2.5)
密封堆焊宽度
2h+(3-~5)
2B--(3. 5~~6)
6.8焊后热处理
JB/T 6438—92
6.8.1堆焊后工件应立即放人炉中按表3规定进行热处理。6.8.2使用铁基粉末当所选粉种及基体材料有焊后热处理要求时.则需进行热处理6.8.3使用钴基、镍基粉末堆焊碳钢工件公称通径小于或等于25mm(不包括深孔小口径焊件)可不热处理。
7质量检验
7.1外观检查
7.1.1用目视或5~~10倍放大镜检查,堆焊层表面不得有裂纹,气孔,缩孔,疏松等缺陷。堆焊层侧面不得有未焊透现象。
7.1.2焊件必须保证几何尺寸,变形在允许范之内,有足够的加工余量。7.2堆焊面经机加工后用着色探伤方法检查,不得有裂纹、气孔、疏松、夹渣、未焊透等缺陷。-般阀1每批检验数量为3%,但不少于10个。抽检中有一个不合格则再加倍抽样检查。质量要求高的阀门100%检查。
7.3硬度试验可用产品或标准试样在环形密封面的周向按JB3169进行。硬度值应符合粉未技术条件及产品图样要求
7.4堆焊工件精加正后堆焊层厚度应不小于2mm。8缺陷修复
8.1缺陷允许修复,同一缺陷处最多充许修复二次。8.2属于气孔、夹渣、接头疏松和缩孔等缺陷,将缺陷清除即可。裂纹和未烯合则必须清除至露出母材金属为止,清除后底部应为适当的圆孤状。其尺寸见图2。气孔
缩孔.疏松
>90°-
堆焊层
基体材料
图2缺陷清除要求尺寸
8.3去除缺陷时不得对堆焊部位直接施加强大冲击力。用着色探伤方法确认缺陷已经完全去除后方可进行焊接修复。
8.4如缺陷较多、连续分布且面积较大,应将堆焊层消除,重新堆焊。8.5焊接修复可采用手工电弧焊、氧乙炔焊或情性气体保护焊进行。8.6焊接修复由考试合格的焊工担任,并按焊接修复工艺守则进行。8.7焊接修复后按本标准第7章中的有关规定进行检验。附加说明:
本标准由机械电子工业部合肥通用机械研究所提出并归口。本标准由机械电子工业部合肥通用机械研究所负责起草,本标推主要起草人许凤兰。
小提示:此标准内容仅展示完整标准里的部分截取内容,若需要完整标准请到上方自行免费下载完整标准文档。
	 
	        
	      阀门密封面等离子孤堆焊
技术要求
主题内容与适用范围
JB/T 6438 -92
本标准规定了阀门密封面等离子弧堆焊对焊工、堆焊材料、常用基体材料、堆辉「艺、质鼠检验、缺陷修复等力面的要求。
本标准适用于碳钢、合金钢、不锈钢等通用、电站、石油化工阀门密封面等离子弧堆钻基、镍基、铁基合金粉末材料的制造与检验。2引用标准
JI3 3168
喷焊合金粉末技术条件
喷焊合金粉末硬度、粒度测定
JB 3169
喷焊合金粉未化学成分分析方法JB3170
3焊工
焊工应通过中华人民共和国劳动部制定的《锅炉压力容器焊工考试规则》基本知识部分的考试并通过等离子孤堆焊的专业培训及考试。4堆焊材料
4.1堆焊合金粉未(以下简称粉末)材料的化学成分、堆煤层硬度、粒度等均应符舍JB3158中的有美规定。
4.2选用JB3168之外的粉末材料,由供需双方协商确定。但其检验方法按JB3168、1331G9的规定。4.3粉未材料的质量应符合有关技术文件的要求,并附有粉末制造厂检验部门出具的质量合格证书。4.4每批粉未使用前应进行工艺试验及化学成分复验。化学成分分析方法按J33170的规定。4.5粉末使用前应进行烘干,烘干时雌积厚度应小于或等于5mm。烘干温度按表1的规定,丧1
烘干温度,(
150-250
120~-250
保温时间,h
4.6烘干的粉末在空气中放置超过4h后再使用时应重新烘千,烘干次数最多不能超过两次。5常用基体材料
25、35、40
WCB.ZG1Cr18Ni9Ti,ZG1Cr18Ni9,ZGCr5Mo,ZG20CrMoV中华人民共和国机械电子工业部1992-07-20批准146
1993-01-01实施
JB/T 6438—92
1Cr5Mo,12CrMo,15CrMo,12Cr1MoV,15Cr1MoV,WC6,WC91Cr13,2Cr13,1Cr18Ni9,1Cr18Ni9Ti.1Cr18Ni12Mo2Ti6堆焊工艺
6.1堆焊基面(工艺平台)尺寸
6.1.1根据阀门密封面的不同要求,堆焊基面可以加工成图1所示三种中任种形状(也可以是平面),其尺小见表2。
密封面设计宽度B
注:α也可为90°
B+(35)
B+(3~6)
堆焊基面形状尺寸
30°~~45°
6.1.2应用机械切削方法加工堆焊基面,所有过渡处均应为圆角平缓过渡。6.2焊件要求
6.2.1不得存在裂纹、气孔、缩孔、疏松等缺陷、6.2.2必须清除油污,毛刺、锈迹及其他杂物。6.3焊前预热
6.3.1堆焊铁基粉末当所选粉种及基体材料有预热要求时,则需预热。限
1. 5 -- 2
6.3.2堆焊钻基、镍基粉末除公称通小于或等于25mm的碳钢焊件(不包括深孔小二径焊件)以外均需预热。
6.3.3预热温度根据材料化学成分而定。批量堆焊的零件应在炉中预热。常用基体材料的预热温度见表3,结构刚性大的工件预热温度取上限6.3.4预热保温时间根据工件大小及形状而定。6.4焊前应检查防护装置,确保安全可靠时才能进行操作。6.5工艺评定试验
工艺评定试验由责任工艺师组织进行,由符合第3章要求的焊工操作。质量检验部门参加评定6.5.1
凡遇下列情况之一者,必须进行工艺评定试验初次使用的粉末品种;
初次使用的基体材料;
新的产品规格及结构型式。
工艺评定试验…般应在产品上进行。作为粉未进行工艺评定时,可在相应的试块上进行6.5.3
基体材料
ZGCt5Mo
ZG20Cr5MoV
ZGICr318Ni9
ZG1Cr18Ni9Ti
12CrMo
l5CrMo
1Cr5MnbzxZ.net
12Crimov, wc6
15Cr1MoV,WC9
1Cr18Ni9
ICr18Ni9Ti
ICr18Ni2Ma2Ti
焊前预热温度,C
钻基镍基
250-~300
310-350
250~350
400~500
100~550
300~-400
JB/T 6438-92
焊后热处理温度,C
!钴基镍基
600-650
300-350
650-700
600~700
350~400
350450
250--350
400~500
350~400
40:0- 500
400-~500 :350~450
740-760
700~790
860~880
680~710
700--740
720~760
710~750 / 700-~740
700-750
300~350250~300
300~400
250~~350
700--760
860~880
860880
1 050~1 100
焊后热处理
保温时间
h=7/25
冷却方式
炉冷(小零件
闻在石棉东
呷冷却)
式中.-保温时间h;
基材厚度。
灿内缓玲
通过工艺评定试验结合工厂生产条件确定下列最佳工艺参数:堆焊规范;
焊前热处理温度及其保温时间:璀焊层最小厚度、过渡层最小厚度;焊后热处理温度、保温时间和冷却曲线;必要时修正堆焊基面的形状及尺小。工艺评定试验的合格质量标准为:应符合第7.2、7.3、7.4条的规定;解剖试件,进行焊接剖面的检查,在整个剖面上不得有未焊透现象。工艺评定试验报告及其合格结论应成文归档,并据以制订或修订生产现场的工艺卡。6.5.6
6.6堆焊过渡层
6.6.1在基材为CrMo型合金钢的情况下.公称通径大于或等于150mm时可以堆焊过渡层。6.6.2过渡层材料应选择防止裂纹产生及改善接头性能的18-8型、25-20型不锈钢焊接材料。6.6.3过渡层经机加工后厚度应大于或等卡2mm。6.7堆焊过程
6.7,1严格按照经工艺评定试验合格所提出的工艺规范进行6.7.2
堆焊应避免在灰尘严重、湿度大于或等于84%的环境中进行。堆焊过程中焊件层间温度不得低于预热温度下限,必要时层间需再次加热堆焊高度及宽度应保证密封面如工后符合设计要求、其值应符合表4规定表4
公称通径IDN
注:H.设计高度B
设计宽度。
密封面堆焊高度
H+(1-~2)
211+(1. 5~2.5)
密封堆焊宽度
2h+(3-~5)
2B--(3. 5~~6)
6.8焊后热处理
JB/T 6438—92
6.8.1堆焊后工件应立即放人炉中按表3规定进行热处理。6.8.2使用铁基粉末当所选粉种及基体材料有焊后热处理要求时.则需进行热处理6.8.3使用钴基、镍基粉末堆焊碳钢工件公称通径小于或等于25mm(不包括深孔小口径焊件)可不热处理。
7质量检验
7.1外观检查
7.1.1用目视或5~~10倍放大镜检查,堆焊层表面不得有裂纹,气孔,缩孔,疏松等缺陷。堆焊层侧面不得有未焊透现象。
7.1.2焊件必须保证几何尺寸,变形在允许范之内,有足够的加工余量。7.2堆焊面经机加工后用着色探伤方法检查,不得有裂纹、气孔、疏松、夹渣、未焊透等缺陷。-般阀1每批检验数量为3%,但不少于10个。抽检中有一个不合格则再加倍抽样检查。质量要求高的阀门100%检查。
7.3硬度试验可用产品或标准试样在环形密封面的周向按JB3169进行。硬度值应符合粉未技术条件及产品图样要求
7.4堆焊工件精加正后堆焊层厚度应不小于2mm。8缺陷修复
8.1缺陷允许修复,同一缺陷处最多充许修复二次。8.2属于气孔、夹渣、接头疏松和缩孔等缺陷,将缺陷清除即可。裂纹和未烯合则必须清除至露出母材金属为止,清除后底部应为适当的圆孤状。其尺寸见图2。气孔
缩孔.疏松
>90°-
堆焊层
基体材料
图2缺陷清除要求尺寸
8.3去除缺陷时不得对堆焊部位直接施加强大冲击力。用着色探伤方法确认缺陷已经完全去除后方可进行焊接修复。
8.4如缺陷较多、连续分布且面积较大,应将堆焊层消除,重新堆焊。8.5焊接修复可采用手工电弧焊、氧乙炔焊或情性气体保护焊进行。8.6焊接修复由考试合格的焊工担任,并按焊接修复工艺守则进行。8.7焊接修复后按本标准第7章中的有关规定进行检验。附加说明:
本标准由机械电子工业部合肥通用机械研究所提出并归口。本标准由机械电子工业部合肥通用机械研究所负责起草,本标推主要起草人许凤兰。
小提示:此标准内容仅展示完整标准里的部分截取内容,若需要完整标准请到上方自行免费下载完整标准文档。
 标准图片预览
标准图片预览 标准图片预览:




- 其它标准
- 热门标准
- 机械行业标准(JB)
- JB/T7895-2008 永磁筒式磁选机
- JB/T10288-2001 连栋温室结构
- JB/T10056-1999 直流电流互感器 技术条件
- JB/T2756-2006 无轨电车用炭滑块
- JB/T3411.50-1999 两爪顶拔器 尺寸
- JB/T8679-2008 炭弧气刨炭棒 物理及使用性能试验方法
- JB/T7140.1-1993 牲畜药浴机械 型式与基本参数
- JB/T9933.2-1999 小模数齿轮滚齿机 精度检验
- JB/T20086-2006 药用容器 料斗
- JB/T5934-1991 工程机械门锁 技术条件
- JB/T8108.2-1999 起重用短环链 用于葫芦的其他起重设备的T(8)级校准链条
- JB/T8528-1997 普通型阀门电动装置 技术条件
- JB/T9768-1999 内燃机 气缸套平台珩磨网纹 技术规范及检测方法
- JB/T5000.14-2007 重型机械通用技术条件 第14部分:铸钢件无损探伤
- JB∕T12618-2016 家用和类似用途电器的触摸开关
- 行业新闻
请牢记:“bzxz.net”即是“标准下载”四个汉字汉语拼音首字母与国际顶级域名“.net”的组合。 ©2025 标准下载网 www.bzxz.net 本站邮件:bzxznet@163.com
网站备案号:湘ICP备2025141790号-2
网站备案号:湘ICP备2025141790号-2
