- 您的位置:
- 标准下载网 >>
- 标准分类 >>
- 机械行业标准(JB) >>
- JB/T 7243-2010 离心萃取机型号编制方法
标准号:
JB/T 7243-2010
标准名称:
离心萃取机型号编制方法
标准类别:
机械行业标准(JB)
标准状态:
现行-
发布日期:
2010-02-11 出版语种:
简体中文下载格式:
.rar .pdf下载大小:
2.16 MB
替代情况:
替代JB/T 7243-1994
点击下载
标准简介:
标准下载解压密码:www.bzxz.net
本标准规定了离心萃取机的型号编制方法。 JB/T 7243-2010 离心萃取机型号编制方法 JB/T7243-2010
部分标准内容:
ICS73.120
备案号:28601—2010
中华人民共和国机械行业标准
JB/T 7243-2010
代替JB/T7243—1994
离心萃取机型号编制方法
The model designation of centrifugal extractor2010-02-11发布
2010-07-01实施
中华人民共和国工业和信息化部发布管理
应用程序工具
D:V小牛道
前言,
2术语和定义.
3型号编制方法
4结构型式
CSL型萃取离心机
CSK型萃取离心机..
CDB型萃取离心机.
图4·
CGK型萃取离心机.
CTL型萃取离心机..
CTX型萃取离心机
CTC型萃取离心机.
CLL型萃取离心机,
CLJ型萃取离心机
JB/T7243—2010
JB/T7243—2010
本标准代替JB/T7243—1994《离心萃取机型号编制方法》。本标准与JB/T7249—1994相比,主要做了格式上的改动,技术内容没有变化。本标准由中国机械工业联合会提出。本标准由全国分离机械标准化技术委员会(SAC/TC92)归口。本标准起草单位:广州广重企业集团、合肥通用机械研究院。本标准主要起草人:张利滔、彭宏光、王明珠。本标准所代替标准的历次版本发布情况为:-JB/T7243—1994。
离心萃取机型号编制方法
本标准规定了离心萃取机(以下简称萃取机)的型号编制方法。2术语和定义
下列术语和定义适用于本标准。2.1下载标准就来标准下载网
离心萃取机centrifugalextractonJB/T.7243——2010
利用机件旋转产生的惯性离心力实现密度差小、易乳化或要求操作时间尽量短的两相液体实现相分离或浓缩的机器。
3型号编制方法
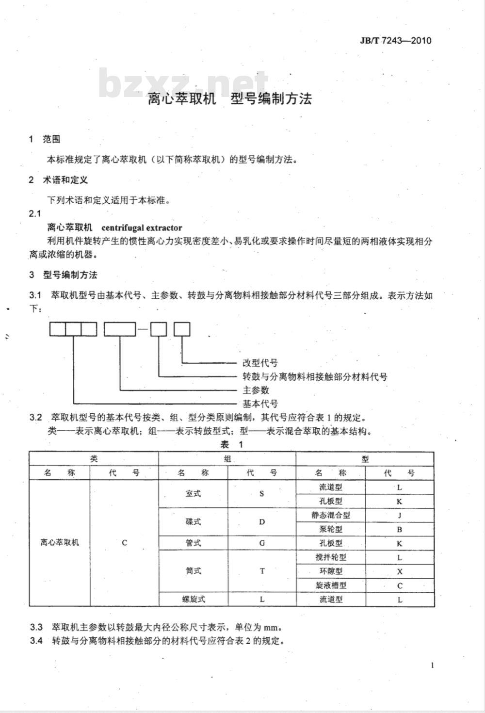
3:1萃取机型号由基本代号、主参数、转鼓与分离物料相接触部分材料代号三部分组成。表示方法如下:
改型代号
转鼓与分离物料相接触部分材料代号主参数
基本代号
3.2萃取机型号的基本代号按类、组、型分类原则编制,其代号应符合表1的规定。类
表示离心萃取机;组-
离心萃取机
表示转鼓型式;型-
螺旋式
表示混合萃取的基本结构。
3.3萃取机主参数以转鼓最大内径公称尺寸表示,单位为mm。3.4·转鼓与分离物料相接触部分的材料代号应符合表2的规定。流道型
孔板型
静态混合型
泵轮型
孔板型
搅拌轮型
环隙型
旋液槽型
流道型
JB/T7243——2010
转鼓与分离物料相接触部分材料耐蚀钢
金属涂层
塑料涂层
3.5当萃取机结构或性能有显著改变时,改型代号按顺序在原型号尾部分别加大写字母A、B、C以示区别。
3.6型号标志示例:
a)室式流道型离心萃取机,转鼓最大内径为560mm,车转鼓材料为耐蚀钢,第一次改型设计:CSL560—NA离心萃取机
b)管式孔板型离心萃取机,转鼓最大内径为105mm,转鼓材料为钛合金:CGK105—I离心萃取机
c)螺旋式静态混合型离心萃取机,转鼓最大内径为450mm,转鼓材料涂有金属涂层:CLJ450-J离心萃取机
结构型式
萃取机按其转鼓结构型式和萃取混合特征可分为下列九种型式:a)CSL型萃取离心机(见图1);b)CSK型萃取离心机(见图2);c)CDB型萃取离心机(见图3);d)CGK型萃取离心机(见图4);e)CTL型萃取离心机-(-见图-5):f)CTX型萃取离心机(见图6);g)CTC型萃取离心机(见图7);h)CLL型萃取离心机_(见图.8);i)CLJ型萃取离心机(见图9)。2
-集液件:2
导液件:3-
重相液
轻相液
重相液
重相液
重相液
轻相液
CSL型萃取离心机
主轴:
-转鼓:5
外壳:
CSK型萃取离心机
轴承:
JB/T7243-2010
驱动轮。
JB/T7243—2010
重相液
轻相液
重相液
轻相液
图3CDB型萃取离心机
重相液
轻相液
转鼓;2-
-立柱;3-
轻相液
一混和室;4-
重相液
沉降室:5一机座。
图中①~③为混和室级序。
图4CGK型萃取离心机
溢出液
重相液
转鼓:2
沉降室:3-
一混和室:
图5CTL型萃取离心机
压缩空气
垂相液
轻相液
主轴:2
机壳;3
转鼓;4
重相液
机壳。
一挡板
搅拌浆:5—
CTX型萃取离心机
JB/T7243—2010
JB/T7243—2010
轻相液
重相液
重相液
重相液
轻相液
轻相液
轻相液
重相液
轻相液
承相液
重相液
CTC型萃取离心机
图?8-CLL型萃取离心机
重相液
重相液
图9CLJ型萃取离心机
4重相液
4重相液
中华人民共
机械行业标准
离心萃取机型号编制方法
JB/T7243—2010
机械1业出版社出版发行
北京市百万庄大街22号
邮政编码:100037
210mm×297mm?0.5印张·15千字2010年7月第1版第1次印刷
定价:10.00元
书号:15111·9721
网址:http:/www.cmpbook.com
编辑部电话:
直销中心电话:
(010)88379778
(010)88379693
封面无防伪标均为盗版
版权专有
侵权必究
小提示:此标准内容仅展示完整标准里的部分截取内容,若需要完整标准请到上方自行免费下载完整标准文档。
备案号:28601—2010
中华人民共和国机械行业标准
JB/T 7243-2010
代替JB/T7243—1994
离心萃取机型号编制方法
The model designation of centrifugal extractor2010-02-11发布
2010-07-01实施
中华人民共和国工业和信息化部发布管理
应用程序工具
D:V小牛道
前言,
2术语和定义.
3型号编制方法
4结构型式
CSL型萃取离心机
CSK型萃取离心机..
CDB型萃取离心机.
图4·
CGK型萃取离心机.
CTL型萃取离心机..
CTX型萃取离心机
CTC型萃取离心机.
CLL型萃取离心机,
CLJ型萃取离心机
JB/T7243—2010
JB/T7243—2010
本标准代替JB/T7243—1994《离心萃取机型号编制方法》。本标准与JB/T7249—1994相比,主要做了格式上的改动,技术内容没有变化。本标准由中国机械工业联合会提出。本标准由全国分离机械标准化技术委员会(SAC/TC92)归口。本标准起草单位:广州广重企业集团、合肥通用机械研究院。本标准主要起草人:张利滔、彭宏光、王明珠。本标准所代替标准的历次版本发布情况为:-JB/T7243—1994。
离心萃取机型号编制方法
本标准规定了离心萃取机(以下简称萃取机)的型号编制方法。2术语和定义
下列术语和定义适用于本标准。2.1下载标准就来标准下载网
离心萃取机centrifugalextractonJB/T.7243——2010
利用机件旋转产生的惯性离心力实现密度差小、易乳化或要求操作时间尽量短的两相液体实现相分离或浓缩的机器。
3型号编制方法
3:1萃取机型号由基本代号、主参数、转鼓与分离物料相接触部分材料代号三部分组成。表示方法如下:
改型代号
转鼓与分离物料相接触部分材料代号主参数
基本代号
3.2萃取机型号的基本代号按类、组、型分类原则编制,其代号应符合表1的规定。类
表示离心萃取机;组-
离心萃取机
表示转鼓型式;型-
螺旋式
表示混合萃取的基本结构。
3.3萃取机主参数以转鼓最大内径公称尺寸表示,单位为mm。3.4·转鼓与分离物料相接触部分的材料代号应符合表2的规定。流道型
孔板型
静态混合型
泵轮型
孔板型
搅拌轮型
环隙型
旋液槽型
流道型
JB/T7243——2010
转鼓与分离物料相接触部分材料耐蚀钢
金属涂层
塑料涂层
3.5当萃取机结构或性能有显著改变时,改型代号按顺序在原型号尾部分别加大写字母A、B、C以示区别。
3.6型号标志示例:
a)室式流道型离心萃取机,转鼓最大内径为560mm,车转鼓材料为耐蚀钢,第一次改型设计:CSL560—NA离心萃取机
b)管式孔板型离心萃取机,转鼓最大内径为105mm,转鼓材料为钛合金:CGK105—I离心萃取机
c)螺旋式静态混合型离心萃取机,转鼓最大内径为450mm,转鼓材料涂有金属涂层:CLJ450-J离心萃取机
结构型式
萃取机按其转鼓结构型式和萃取混合特征可分为下列九种型式:a)CSL型萃取离心机(见图1);b)CSK型萃取离心机(见图2);c)CDB型萃取离心机(见图3);d)CGK型萃取离心机(见图4);e)CTL型萃取离心机-(-见图-5):f)CTX型萃取离心机(见图6);g)CTC型萃取离心机(见图7);h)CLL型萃取离心机_(见图.8);i)CLJ型萃取离心机(见图9)。2
-集液件:2
导液件:3-
重相液
轻相液
重相液
重相液
重相液
轻相液
CSL型萃取离心机
主轴:
-转鼓:5
外壳:
CSK型萃取离心机
轴承:
JB/T7243-2010
驱动轮。
JB/T7243—2010
重相液
轻相液
重相液
轻相液
图3CDB型萃取离心机
重相液
轻相液
转鼓;2-
-立柱;3-
轻相液
一混和室;4-
重相液
沉降室:5一机座。
图中①~③为混和室级序。
图4CGK型萃取离心机
溢出液
重相液
转鼓:2
沉降室:3-
一混和室:
图5CTL型萃取离心机
压缩空气
垂相液
轻相液
主轴:2
机壳;3
转鼓;4
重相液
机壳。
一挡板
搅拌浆:5—
CTX型萃取离心机
JB/T7243—2010
JB/T7243—2010
轻相液
重相液
重相液
重相液
轻相液
轻相液
轻相液
重相液
轻相液
承相液
重相液
CTC型萃取离心机
图?8-CLL型萃取离心机
重相液
重相液
图9CLJ型萃取离心机
4重相液
4重相液
中华人民共
机械行业标准
离心萃取机型号编制方法
JB/T7243—2010
机械1业出版社出版发行
北京市百万庄大街22号
邮政编码:100037
210mm×297mm?0.5印张·15千字2010年7月第1版第1次印刷
定价:10.00元
书号:15111·9721
网址:http:/www.cmpbook.com
编辑部电话:
直销中心电话:
(010)88379778
(010)88379693
封面无防伪标均为盗版
版权专有
侵权必究
小提示:此标准内容仅展示完整标准里的部分截取内容,若需要完整标准请到上方自行免费下载完整标准文档。
标准图片预览:





- 热门标准
- 机械行业标准(JB)
- JB/T7893.1-1999 立式振动离心机
- JB/T7899-1999 填充聚四氟乙烯软带导轨 技术条件
- JB/T7938-1999 液压泵站油箱公称容量系列
- JB/T1625-2002 工业锅炉焊接管孔
- JB/T7850-1995 手夹快换接头
- JB/T8009.4-1999 机床夹具零件及部件 弧形压块
- JB/T7936-1999 直廓环面蜗杆减速器
- JB/T7939-1999 单活塞杆液压缸两腔面积比
- JB/T7941.2-1995 旋入式圆形油杯
- JB/T7946.2-1999 铸造铝硅合金过烧
- JB/T7925.2-1995 滑动轴承 多层轴承减摩合金硬度检验方法
- JB/T6375-1992 气动阀用橡胶密封圈 尺寸系列和公差
- JB/T7945-1999 灰铸铁机械性能试验方法
- JB/T7966.3-1999 模具铣刀 第 3 部分:莫氏锥柄圆柱形球头立铣刀
- JB/T7946.3-1999 铸造铝合金针孔
- 行业新闻
请牢记:“bzxz.net”即是“标准下载”四个汉字汉语拼音首字母与国际顶级域名“.net”的组合。 ©2025 标准下载网 www.bzxz.net 本站邮件:bzxznet@163.com
网站备案号:湘ICP备2025141790号-2
网站备案号:湘ICP备2025141790号-2